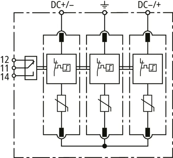
DEHNguard modular YPV ... FM

  • Prewired complete unit for photovoltaic systems consisting of a base part and plug-in protection modules
  • Fault-resistant Y circuit with three heavy-duty varistors prevents damage to the surge protective device in case of insulation faults in the generator circuit
  • Tested to EN 61643-31
  • High reliability due to "Thermo Dynamic Control" disconnector
  • Fault indication by red indicator flag in the inspection window
  • Suitable for use in accordance with IEC 60364-7-712 [Photovoltaic (PV) power systems]

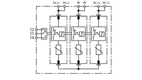
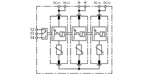
DEHNguard MP YPV ... FM

Multipole modular surge arrester for use in PV systems; with remote signalling contact for monitoring device (floating changeover contact).

2 Products

Part No. 942565 DG MP YPV 1200 FM

GTIN 4013364495685, Customs tariff No. (EU): 85354000, Gross weight: 355.99 g, PU: 1.00 pc(s)


Images

Additional information

DEHNguard MP YPV 1200 FM surge arrester
Multipole, modular, pluggable arrester for use in photovoltaic systems
with double push-in connection clamp suitable for
stub wiring and feed-through wiring
up to 1,170 V DC, width of 3 DIN modules
Fault indication
With remote signalling contact
Type 2 arrester as per EN 61643-31
For use according to IEC 60364-7-712
Max. PV voltage: <= 1170 V dc
Total discharge current: 40 kA
Voltage protection level: <= 4 kV
Short-circuit strength Iscpv: 10 kA

Brand: DEHN
Type: DG MP YPV 1200 FM
Part No.: 942565
or equivalent.

Certificates

 

Technical data

SPD according to EN 61643-31 / IEC 61643-31 type 2 / class II
Max. PV voltage (UCPV ) 1170 V
Short-circuit current rating (ISCPV ) 10 kA
Nominal discharge current (8/20 µs) [(DC+/DC-) --> PE] (In ) 20 kA
Max. discharge current (8/20 µs) [(DC+/DC-) --> PE] (Imax ) 40 kA
Voltage protection level (UP ) ≤ 4 kV
Type of remote signalling contact changeover contact

Product 942565 was added to Notepad.

Product 942565 was added to the cart.

Part No. 942567 DG MP YPV 1500 FM

GTIN 4013364495678, Customs tariff No. (EU): 85354000, Gross weight: 387.05 g, PU: 1.00 pc(s)


Images

Additional information

DEHNguard MP YPV 1500 FM surge arrester
Multipole, modular, pluggable arrester for use in photovoltaic systems
with double push-in connection clamp suitable for
stub wiring and feed-through wiring
up to 1,500 V DC, width of 3 DIN modules
Fault indication
With remote signalling contact
Type 2 arrester as per EN 61643-31
For use according to IEC 60364-7-712
Max. PV voltage: <= 1500 V dc
Total discharge current: 40 kA
Voltage protection level: <= 5 kV
Short-circuit strength Iscpv: 10 kA

Brand: DEHN
Type: DG MP YPV 1500 FM
Part No.: 942567
or equivalent.

Certificates

 

Technical data

SPD according to EN 61643-31 / IEC 61643-31 type 2 / class II
Max. PV voltage (UCPV ) 1500 V
Short-circuit current rating (ISCPV ) 10 kA
Nominal discharge current (8/20 µs) [(DC+/DC-) --> PE] (In ) 15 kA
Max. discharge current (8/20 µs) [(DC+/DC-) --> PE] (Imax ) 40 kA
Voltage protection level (UP ) ≤ 5 kV
Type of remote signalling contact changeover contact

Product 942567 was added to Notepad.

Product 942567 was added to the cart.


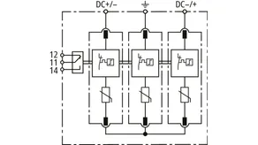
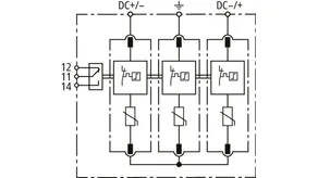
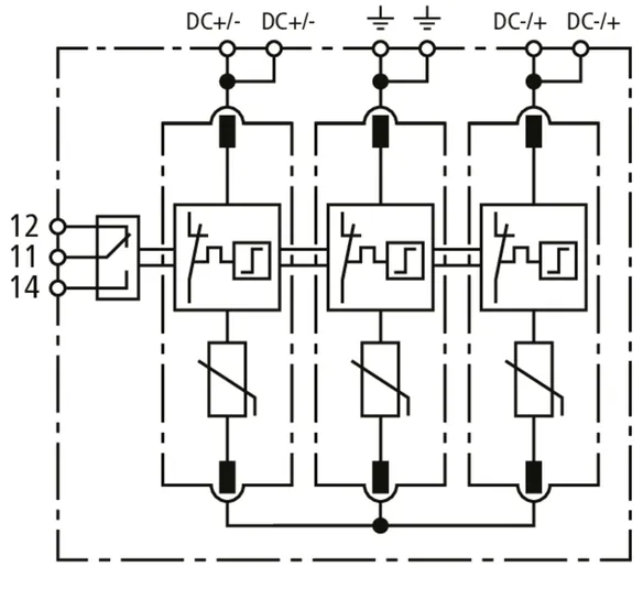
DEHNguard M YPV ... FM

Modular multipole surge arrester for PV systems with remote signalling contact for monitoring device (floating changeover contact).

2 Products

Part No. 952565 DG M YPV 1200 FM

GTIN 4013364327719, Customs tariff No. (EU): 85354000, Gross weight: 382.00 g, PU: 1.00 pc(s)


Images

Additional information

DEHNguard M YPV 1200 FM surge arrester
Multipole, modular, pluggable arrester for use in photovoltaic systems
up to 1,170 V DC, width of 3 DIN modules
Fault indication
Type 2 arrester as per EN 61643-31
For use according to IEC 60364-7-712
Maximum PV voltage: <= 1,170 V DC
Total discharge current: 40 kA
Voltage protection level: <= 4 kV
Short-circuit strength Iscpv: 10 kA

Brand: DEHN
Type: DG M YPV 1200 FM
Part No.: 952565
or equivalent.

Certificates

 

Technical data

SPD according to EN 61643-31 / IEC 61643-31 type 2 / class II
Max. PV voltage (UCPV ) 1170 V
Short-circuit current rating (ISCPV ) 10 kA
Nominal discharge current (8/20 µs) [(DC+/DC-) --> PE] (In ) 20 kA
Max. discharge current (8/20 µs) [(DC+/DC-) --> PE] (Imax ) 40 kA
Voltage protection level (UP ) ≤ 4 kV
Approvals UL, KEMA
Type of remote signalling contact changeover contact

Product 952565 was added to Notepad.

Product 952565 was added to the cart.

Part No. 952567 DG M YPV 1500 FM

GTIN 4013364327726, Customs tariff No. (EU): 85354000, Gross weight: 411.20 g, PU: 1.00 pc(s)


Images

Additional information

DEHNguard M YPV 1500 FM surge arrester
Multipole, modular, pluggable arrester for use in photovoltaic systems
up to 1,500 V DC, width of 3 DIN modules
Fault indication
With remote signalling contact
Type 2 arrester as per EN 61643-31
For use according to IEC 60364-7-712
Max. PV voltage: <= 1500 V dc
Total discharge current: 40 kA
Voltage protection level: <= 5 kV
Short-circuit strength Iscpv: 10 kA

Brand: DEHN
Type: DG M YPV 1500 FM
Part No.: 952567
or equivalent.

Certificates

 

Technical data

SPD according to EN 61643-31 / IEC 61643-31 type 2 / class II
Max. PV voltage (UCPV ) 1500 V
Short-circuit current rating (ISCPV ) 10 kA
Nominal discharge current (8/20 µs) [(DC+/DC-) --> PE] (In ) 15 kA
Max. discharge current (8/20 µs) [(DC+/DC-) --> PE] (Imax ) 40 kA
Voltage protection level (UP ) ≤ 5 kV
Approvals UL, KEMA
Type of remote signalling contact changeover contact

Product 952567 was added to Notepad.

Product 952567 was added to the cart.


back to top