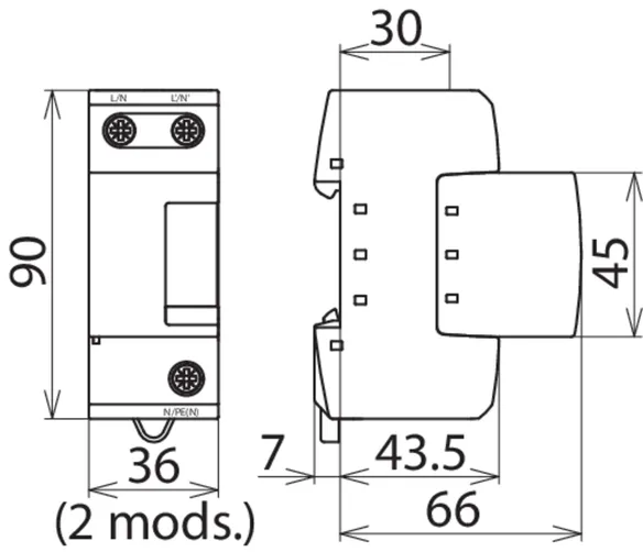
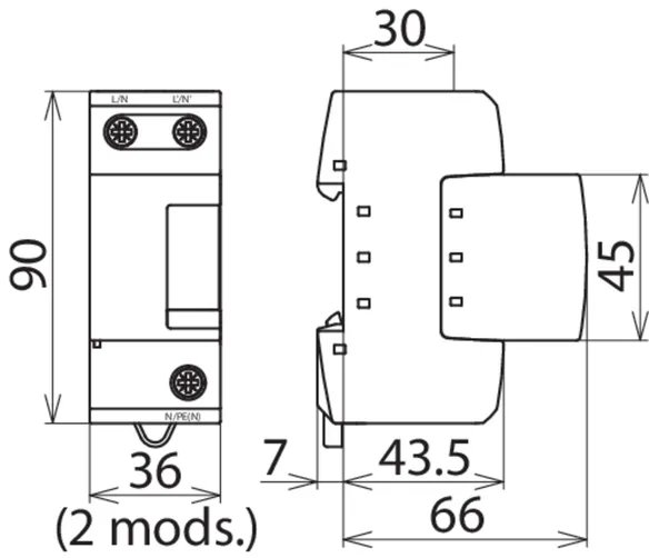
DEHNbloc modular
:quality(98)/www.dehn-international.com/store/f/61831802/HDVORSCHAU/961125a1_16-9.jpg)
:quality(98)/www.dehn-international.com/store/f/61831802/HDVORSCHAU/961125a1_16-9.jpg)
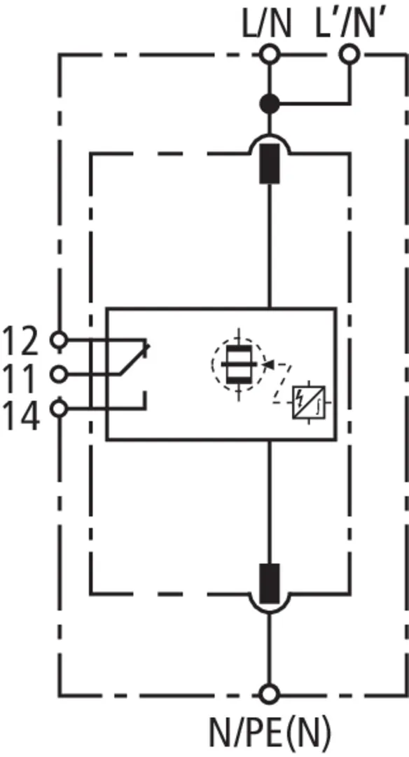
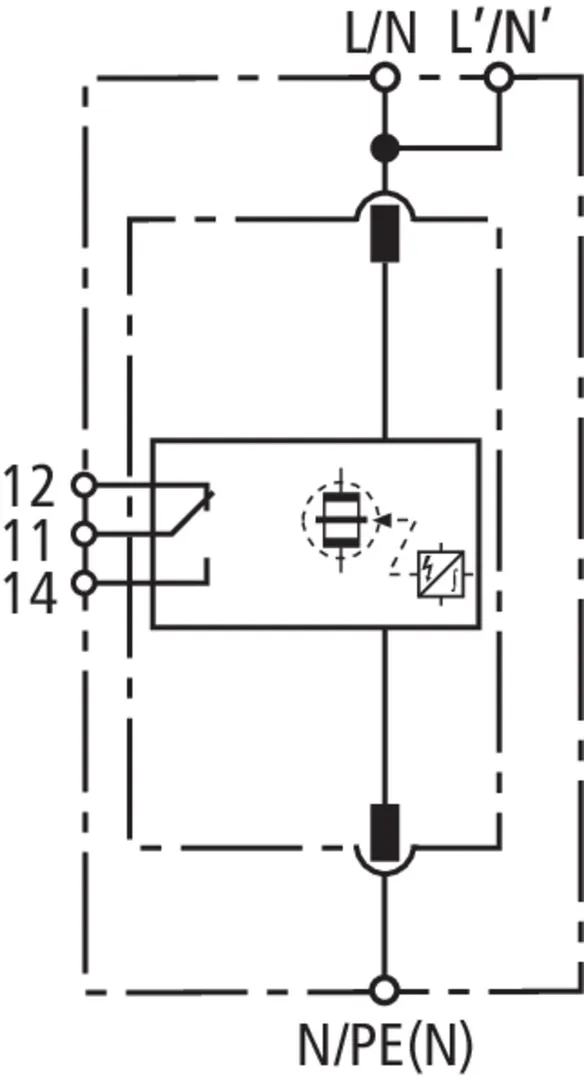
- Koordinerbar, gnistgabsbaseret lynstrømsafleder bestående af basisdel og stikbart beskyttelsesmodul
- Maksimal driftsikkerhed for anlægget med RADAX-Flow-følgestrømsbegrænsing
- Selektiv med 32 A gL/gG-sikring op til 50 kAeff kortslutningsstrøm
- Afledeevne: 50 kA (10/350 µs)
- Direkte koordinerbar med DEHNguard overspændingsbeskyttelse uden ekstra mellemkobling
- Lav restspænding
- Funktions-/fejlvisning ved rød/grøn markering
- Beskyttelsesmoduler skiftes let uden værktøj ved at trykke på beskyttelsesmodulets udløseknapper
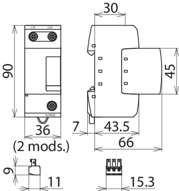
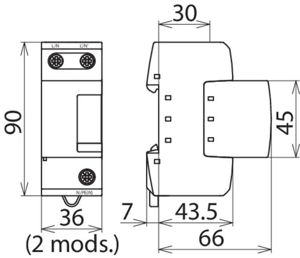
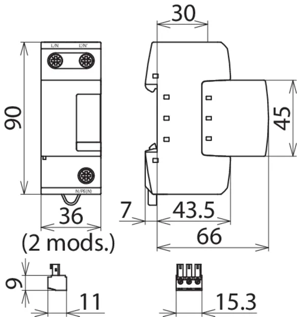
Details
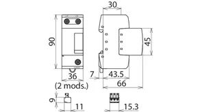
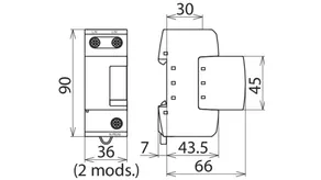
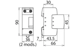
:quality(98)/www.dehn-international.com/store/f/61831803/HDVORSCHAU/961125a2_Kat.jpg)
:quality(98)/www.dehn-international.com/store/f/61831803/HDVORSCHAU/961125a2_Kat.jpg)
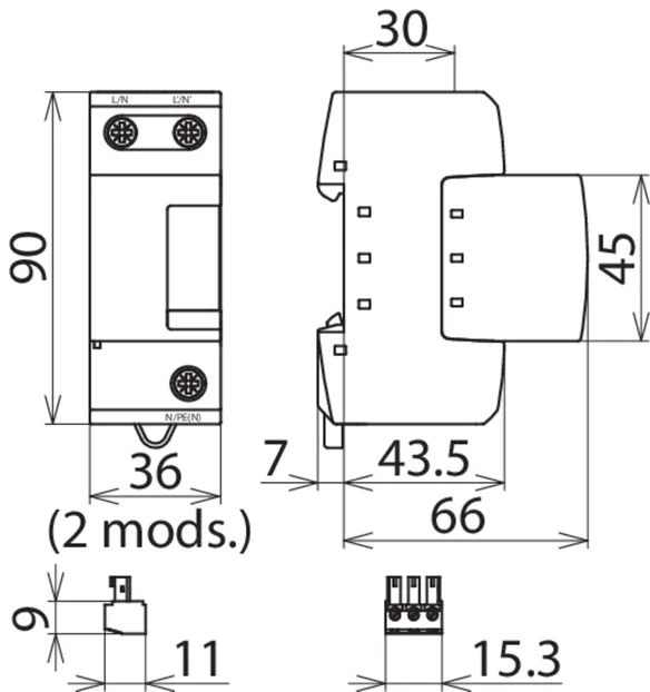
Part No. 961110 DB M 1 150
GTIN 4013364118560, Customs tariff No. (EU): 85363090, Gross weight: 333.40 g, PU: 1.00 Pakkestørrelse
PredecessorTechnical data
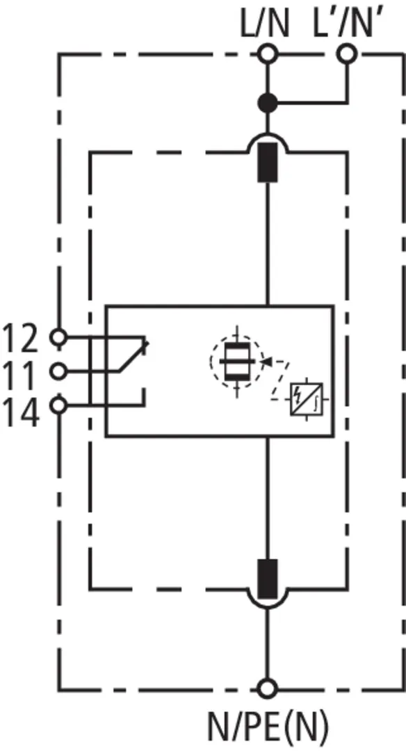
Afleder efter EN 61643-11 / IEC 61643-11 | Type 1 / klasse I |
Max. driftsspænding AC (UC ) | 150 V (50 / 60 Hz) |
Lynstødstrøm (10/350 µs) (Iimp ) | 35 kA |
Restspænding (UP ) | ≤ 1,5 kV |
Max. for-sikring (L) op til IK = 35 kAeff (ta ≤ 0.2 s) | 500 A gG |
Max. for-sikring (L) op til IK = 35 kAeff (ta ≤ 5 s) | 315 A gG |
Godkendelser | UL, CSA |
Part No. 961120 DB M 1 255
GTIN 4013364118614, Customs tariff No. (EU): 85363090, Gross weight: 355.80 g, PU: 1.00 Pakkestørrelse
PredecessorTechnical data
Afleder efter EN 61643-11 / IEC 61643-11 | Type 1 / klasse I |
Max. driftsspænding AC (UC ) | 255 V (50 / 60 Hz) |
Lynstødstrøm (10/350 µs) (Iimp ) | 50 kA |
Restspænding (UP ) | ≤ 2,5 kV |
Max. for-sikring (L) op til IK = 50 kAeff (ta ≤ 0.2 s) | 500 A gG |
Max. for-sikring (L) op til IK = 50 kAeff (ta ≤ 5 s) | 315 A gG |
Godkendelser | VDE, KEMA, UL |
Part No. 961130 DB M 1 320
GTIN 4013364118638, Customs tariff No. (EU): 85363090, Gross weight: 341.00 g, PU: 1.00 Pakkestørrelse
PredecessorTechnical data
Afleder efter EN 61643-11 / IEC 61643-11 | Type 1 / klasse I |
Max. driftsspænding AC (UC ) | 320 V (50 / 60 Hz) |
Lynstødstrøm (10/350 µs) (Iimp ) | 25 kA |
Restspænding (UP ) | ≤ 2,5 kV |
Max. for-sikring (L) op til IK = 50 kAeff (ta ≤ 0.2 s) | 315 A gG |
Max. for-sikring (L) op til IK = 50 kAeff (ta ≤ 5 s) | 315 A gG |
Godkendelser | UL |
Part No. 961115 DB M 1 150 FM
GTIN 4013364118577, Customs tariff No. (EU): 85363090, Gross weight: 337.30 g, PU: 1.00 Pakkestørrelse
PredecessorTechnical data
Afleder efter EN 61643-11 / IEC 61643-11 | Type 1 / klasse I |
Max. driftsspænding AC (UC ) | 150 V (50 / 60 Hz) |
Lynstødstrøm (10/350 µs) (Iimp ) | 35 kA |
Restspænding (UP ) | ≤ 1,5 kV |
Max. for-sikring (L) op til IK = 35 kAeff (ta ≤ 0.2 s) | 500 A gG |
Max. for-sikring (L) op til IK = 35 kAeff (ta ≤ 5 s) | 315 A gG |
Godkendelser | UL, CSA |
Part No. 961125 DB M 1 255 FM
GTIN 4013364118621, Customs tariff No. (EU): 85363090, Gross weight: 359.30 g, PU: 1.00 Pakkestørrelse
PredecessorTechnical data
Afleder efter EN 61643-11 / IEC 61643-11 | Type 1 / klasse I |
Max. driftsspænding AC (UC ) | 255 V (50 / 60 Hz) |
Lynstødstrøm (10/350 µs) (Iimp ) | 50 kA |
Restspænding (UP ) | ≤ 2,5 kV |
Max. for-sikring (L) op til IK = 50 kAeff (ta ≤ 0.2 s) | 500 A gG |
Max. for-sikring (L) op til IK = 50 kAeff (ta ≤ 5 s) | 315 A gG |
Godkendelser | VDE, KEMA, UL |
Part No. 961135 DB M 1 320 FM
GTIN 4013364118645, Customs tariff No. (EU): 85363090, Gross weight: 346.00 g, PU: 1.00 Pakkestørrelse
PredecessorTechnical data
Afleder efter EN 61643-11 / IEC 61643-11 | Type 1 / klasse I |
Max. driftsspænding AC (UC ) | 320 V (50 / 60 Hz) |
Lynstødstrøm (10/350 µs) (Iimp ) | 25 kA |
Restspænding (UP ) | ≤ 2,5 kV |
Max. for-sikring (L) op til IK = 50 kAeff (ta ≤ 0.2 s) | 315 A gG |
Max. for-sikring (L) op til IK = 50 kAeff (ta ≤ 5 s) | 315 A gG |
Godkendelser | UL |