VC 280 2

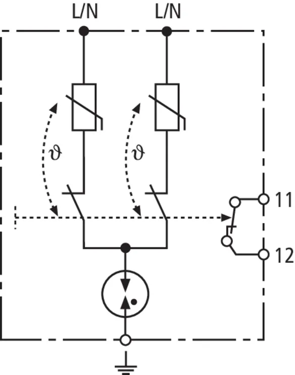
  • 2-polet overspændingsafleder med overvågnings- og frakoblingsanordning
  • Komplet overspændingsafleder til udstyr med vekselspændingsforsyning
  • Øget sikkerhed pga. fejlsikker Y-kobling
  • Potentialfri fjernmeldekontakt (brydekontakt) med testfacilitet for fejlvisning
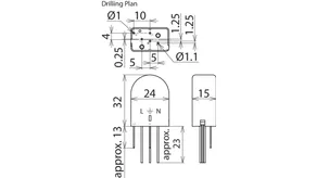
  • Til installation på printplade

VC 280 2

Overspændingsbeskyttelses-netmodul til direkte installation i apparatet, som skal beskyttes, med potentialfri fjernmeldekontakt (brydekontakt).

1 Product

Part No. 900471 VC 280 2

GTIN 4013364067547, Customs tariff No. (EU): 85363010, Gross weight: 27.50 g, PU: 1.00 Pakkestørrelse


Images

Additional information



fabrikat: DEHN
Type: VC 280 2
artikelnr.: 900471
eller tilsvarende

Certificates

 

Technical data

Afleder efter EN 61643-11 / IEC 61643-11 Type 3 / klasse III
Afledermærkespænding AC (UC ) 280 V (50 / 60 Hz)
Mærkeafledestødstrøm (8/20 µs) (In ) 3 kA
Samlet afledestødstrøm (8/20 µs) [L+N-PE] (Itotal ) 5 kA
Restspænding [L-N] / [L/N-PE] (UP ) ≤ 1250 / ≤ 1500 V
Max. for-sikring B 16 A
Fejlvisning Brydekontakt

Product 900471 was added to Notepad.

Product 900471 was added to the cart.


back to top