DEHNguard S ... VA

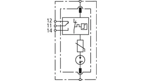
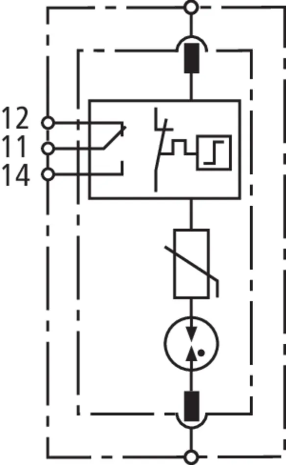
  • Multi-purpose surge arrester consisting of a base part and a plug-in protection module
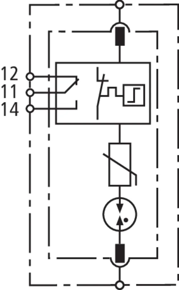
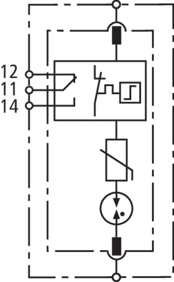
  • Leakage-current-free series connection of a varistor and a spark gap in the pluggable protection module
  • High reliability due to "Thermo Dynamic Control" SPD monitoring device
  • Energy coordination with other arresters of the Red/Line product family
  • Easy replacement of protection modules without tools due to module locking system with module release button
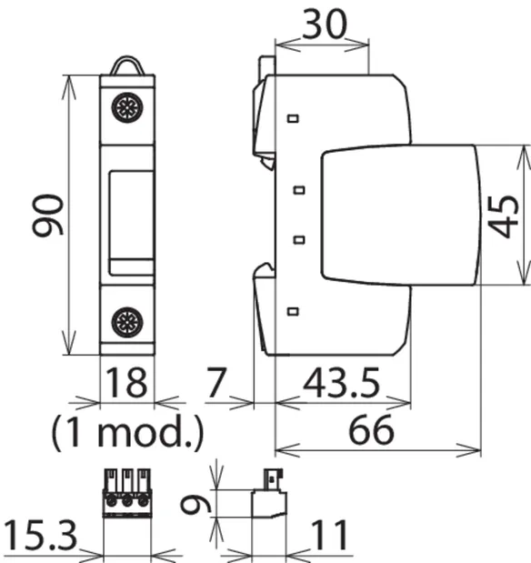
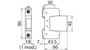
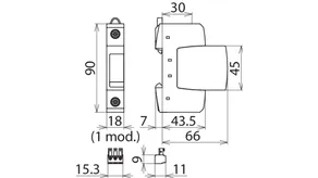
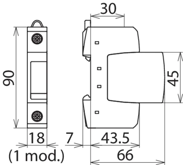
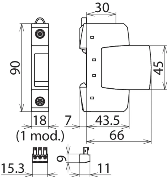
  • Narrow (modular) design according to DIN 43880
  • Multifunctional terminal for connecting conductors and busbars
  • Vibration and shock-tested according to EN 60068-2

DEHNguard S VA

Modular single-pole surge arrester with a varistor connected in series with a spark gap in the pluggable protection module.

3 Products

Part No. 952080 DG S 75 VA

GTIN 4013364127296, Customs tariff No. (EU): 85363030, Gross weight: 118.00 g, PU: 1.00 pc(s)

Predecessor

Images

Additional information

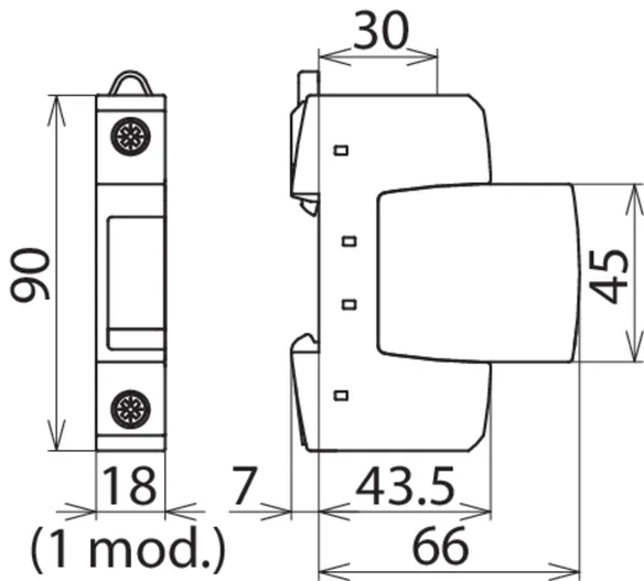
DEHNguard S 75 VA surge arrester
Modular and pluggable single-pole surge arrester
Width: 1 module, fault indication
Type 2 SPD according to EN 61643-11
Leakage-current-free series connection of a varistor and a spark gap
Max. continuous operating voltage: 75 V a.c./100 V d.c.
Voltage protection level: <= 1.1 kV
Nominal discharge current: 10 kA
Short-circuit strength: 25 kArms
Energy-coordinated according to IEC 62305-4
with arresters of the Red/Line series

Brand: DEHN
Type: DG S 75 VA
Part No.: 952080
or equivalent.

Certificates

 

Technical data

SPD according to EN 61643-11 / IEC 61643-11 type 2 / class II
Max. continuous operating voltage (a.c.) (UC ) 75 V (50 / 60 Hz)
Nominal discharge current (8/20 µs) (In ) 10 kA
Max. discharge current (8/20 µs) (Imax ) 20 kA
Voltage protection level (UP ) ≤ 1.1 kV
Max. mains-side overcurrent protection 100 A gG

Product 952080 was added to Notepad.

Product 952080 was added to the cart.

Part No. 952082 DG S 275 VA

GTIN 4013364127319, Customs tariff No. (EU): 85363030, Gross weight: 123.40 g, PU: 1.00 pc(s)

Predecessor

Images

Additional information

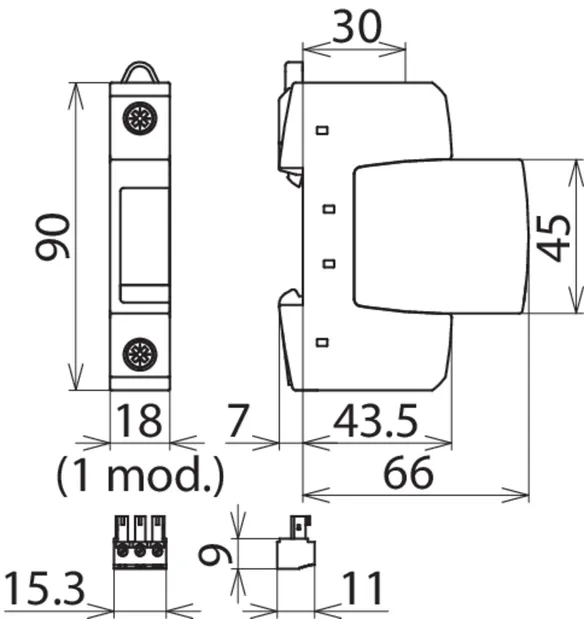
DEHNguard S 275 VA surge arrester
Modular and pluggable single-pole surge arrester
Width: 1 module, fault indication
Type 2 SPD according to EN 61643-11
Leakage-current-free series connection of a varistor and a spark gap
Max. continuous operating voltage: 275 V a.c./350 V d.c.
Voltage protection level: <= 1.5 kV
Nominal discharge current: 10 kA
Short-circuit strength: 25 kArms
Energy-coordinated according to IEC 62305-4
with arresters of the Red/Line series

Brand: DEHN
Type: DG S 275 VA
Part No.: 952082
or equivalent.

Certificates

 

Technical data

SPD according to EN 61643-11 / IEC 61643-11 type 2 / class II
Max. continuous operating voltage (a.c.) (UC ) 275 V (50 / 60 Hz)
Nominal discharge current (8/20 µs) (In ) 10 kA
Max. discharge current (8/20 µs) (Imax ) 20 kA
Voltage protection level (UP ) ≤ 1.5 kV
Max. mains-side overcurrent protection 100 A gG

Product 952082 was added to Notepad.

Product 952082 was added to the cart.

Part No. 952084 DG S 385 VA

GTIN 4013364127333, Customs tariff No. (EU): 85363030, Gross weight: 127.70 g, PU: 1.00 pc(s)


Images

Additional information

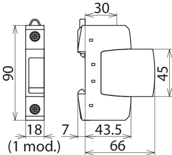
DEHNguard S 385 VA surge arrester
Modular and pluggable single-pole surge arrester
Width: 1 module, fault indication
Type 2 SPD according to EN 61643-11
Leakage-current-free series connection of a varistor and a spark gap
Max. continuous operating voltage: 385 V a.c./500 V d.c.
Voltage protection level: <= 1.75 kV
Nominal discharge current: 10 kA
Short-circuit strength: 25 kArms
Energy-coordinated according to IEC 62305-4
with arresters of the Red/Line series

Brand: DEHN
Type: DG S 385 VA
Part No.: 952084
or equivalent.

Certificates

 

Technical data

SPD according to EN 61643-11 / IEC 61643-11 type 2 / class II
Max. continuous operating voltage (a.c.) (UC ) 385 V (50 / 60 Hz)
Nominal discharge current (8/20 µs) (In ) 10 kA
Max. discharge current (8/20 µs) (Imax ) 20 kA
Voltage protection level (UP ) ≤ 1.75 kV
Max. mains-side overcurrent protection 100 A gG

Product 952084 was added to Notepad.

Product 952084 was added to the cart.


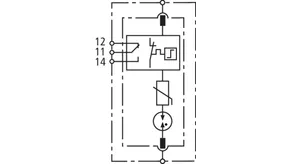
DEHNguard S VA FM

Modular single-pole surge arrester with a varistor connected in series with a spark gap in the pluggable protection module; with floating remote signalling contact.

3 Products

Part No. 952085 DG S 75 VA FM

GTIN 4013364127302, Customs tariff No. (EU): 85363030, Gross weight: 122.10 g, PU: 1.00 pc(s)

Predecessor

Images

Additional information

DEHNguard S 75 FM surge arrester
Modular and pluggable single-pole surge arrester
Width: 1 module, fault indication
With remote signalling contact
Type 2 SPD according to EN 61643-11
Leakage-current-free series connection of a varistor and a spark gap
Max. continuous operating voltage: 75 V a.c./100 V d.c.
Voltage protection level: <= 1.1 kV
Nominal discharge current: 10 kA
Short-circuit strength: 25 kArms
Energy-coordinated according to IEC 62305-4
with arresters of the Red/Line series

Brand: DEHN
Type: DG S 75 VA FM
Part No.: 952085
or equivalent.

Certificates

 

Technical data

SPD according to EN 61643-11 / IEC 61643-11 type 2 / class II
Max. continuous operating voltage (a.c.) (UC ) 75 V (50 / 60 Hz)
Nominal discharge current (8/20 µs) (In ) 10 kA
Max. discharge current (8/20 µs) (Imax ) 20 kA
Voltage protection level (UP ) ≤ 1.1 kV
Max. mains-side overcurrent protection 100 A gG

Product 952085 was added to Notepad.

Product 952085 was added to the cart.

Part No. 952087 DG S 275 VA FM

GTIN 4013364127326, Customs tariff No. (EU): 85363030, Gross weight: 126.70 g, PU: 1.00 pc(s)

Predecessor

Images

Additional information

DEHNguard S275 VA FM surge arrester
Modular and pluggable single-pole surge arrester
Width: 1 module, fault indication
With remote signalling contact
Type 2 SPD according to EN 61643-11
Leakage-current-free series connection of a varistor and a spark gap
Max. continuous operating voltage: 275 V a.c./350 V d.c.
Voltage protection level: <= 1.5 kV
Nominal discharge current: 10 kA
Short-circuit strength: 25 kArms
Energy-coordinated according to IEC 62305-4
with arresters of the Red/Line series

Brand: DEHN
Type: DG S 275 VA FM
Part No.: 952087
or equivalent.

Certificates

 

Technical data

SPD according to EN 61643-11 / IEC 61643-11 type 2 / class II
Max. continuous operating voltage (a.c.) (UC ) 275 V (50 / 60 Hz)
Nominal discharge current (8/20 µs) (In ) 10 kA
Max. discharge current (8/20 µs) (Imax ) 20 kA
Voltage protection level (UP ) ≤ 1.5 kV
Max. mains-side overcurrent protection 100 A gG

Product 952087 was added to Notepad.

Product 952087 was added to the cart.

Part No. 952089 DG S 385 VA FM

GTIN 4013364127340, Customs tariff No. (EU): 85363030, Gross weight: 131.70 g, PU: 1.00 pc(s)


Images

Additional information

DEHNguard S 385 VA FM surge arrester
Modular and pluggable single-pole surge arrester
Width: 1 module, fault indication
With remote signalling contact
Type 2 SPD according to EN 61643-11
Leakage-current-free series connection of a varistor and a spark gap
Max. continuous operating voltage: 385 V a.c./500 V d.c.
Voltage protection level: <= 1.75 kV
Nominal discharge current: 10 kA
Short-circuit strength: 25 kArms
Energy-coordinated according to IEC 62305-4
with arresters of the Red/Line series

Brand: DEHN
Type: DG S 385 VA FM
Part No.: 952089
or equivalent.

Certificates

 

Technical data

SPD according to EN 61643-11 / IEC 61643-11 type 2 / class II
Max. continuous operating voltage (a.c.) (UC ) 385 V (50 / 60 Hz)
Nominal discharge current (8/20 µs) (In ) 10 kA
Max. discharge current (8/20 µs) (Imax ) 20 kA
Voltage protection level (UP ) ≤ 1.75 kV
Max. mains-side overcurrent protection 100 A gG

Product 952089 was added to Notepad.

Product 952089 was added to the cart.


back to top