DEHNcombo

  • Komplet Type 1 + Type 2 kombiafleder for solcelleanlæg
  • Gennemprøvet fejlsikker Y-kobling forhindrer, at aflederen ødelægges som følge af isolationsfejl i DC-kredsen
  • Jævn nominel spænding for alle beskyttelsesveje, kan også indsættes i jordede systemer
  • Pladsbesparende apparathus på kun fire moduler op til 1500 V DC
  • Afprøvet efter IEC 61643-31 / EN 61643-31 / EN 50539-11
  • Egnet til brug i alle solcelleanlæg efter IEC 60364-7-712 / DIN VDE 0100-712
  • Funktions-/fejlvisning ved grøn/rød markering i inspektionsruden

DEHNcombo YPV ...

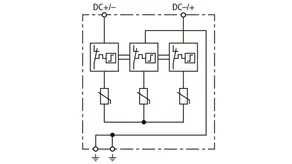
Kombiafleder til solcelleanlæg op til 1500 V DC.

2 Products

Part No. 900070 DCB YPV 1200

GTIN 6942299504521, Customs tariff No. (EU): 85354000, Gross weight: 639.16 g, PU: 1.00 Pakkestørrelse

Predecessor

Images

Additional information

Kombiafleder DEHNcombo YPV 1200
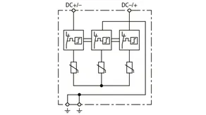
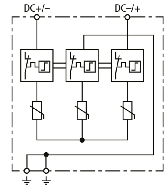
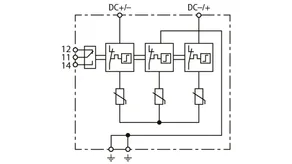
Flerpolet kombiafleder type 1 + type 2
til solcelle-generatorstrømkredse op til 1200 V jævnstrøm
med jævnstrøms-skifteenhed med tre trin, bredde 4TE
Afleder type 1 + type 2 iht. EN 50539-11
Kan anvendes iht. DS/EN 60364-7-712
Kombineret skille- og kortslutningsanordning
Fejlvisning
Maksimal PV-spænding: <= 1200 V DC
Samlet afledningsstødstrøm: 12,5 kA
Beskyttelsesniveau: <= 3,8 kV
Kortslutningsbæreevne Iscpv: 10 kA

fabrikat: DEHN
Type: DCB YPV 1200
artikelnr.: 900070
eller tilsvarende

Certificates

 

SCI-Technology

The patented SCI technology with active arc extinction allows to actively, quickly and safely extinguish a possible switching arc in case of overload. The PV fuse integrated in the short-circuit path trips immediately after the arc has been extinguished, thus ensuring safe electrical isolation (interruption). Consequently, all PV arresters from DEHN combine surge protection, fire protection and personal protection in a single device

Technical data

SPD iht. EN 61643-31 / ... IEC 61643-31 Type 1 + Type 2 / Klasse I + Klasse II
Max. DC-spænding [DC+ -> DC-] (UCPV ) ≤ 1200 V
Kortslutningsbæreevne (ISCPV ) 10 kA
Samlet afledestødstrøm (10/350 µs) [DC+/DC- -> PE] (Itotal ) 12,5 kA
Lynstødstrøm (10/350 µs) [DC+ -> PE/DC- -> PE] (Iimp ) 6,25 kA
Restspænding [(DC+/DC-) -> PE] (UP ) < 3,8 kV
Godkendelser KEMA, UL

Product 900070 was added to Notepad.

Product 900070 was added to the cart.

Part No. 900071 DCB YPV 1500

GTIN 6942299504545, Customs tariff No. (EU): 85354000, Gross weight: 636.22 g, PU: 1.00 Pakkestørrelse

Predecessor

Images

Additional information

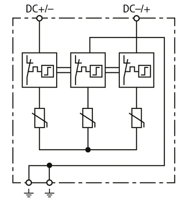
Kombiafleder DEHNcombo YPV 1500
Flerpolet kombiafleder type 1 + type 2
til solcelle-generatorstrømkredse op til 1500 V jævnstrøm
med jævnstrøms-skifteenhed med tre trin, bredde 4TE
Afleder type 1 + type 2 iht. EN 50539-11
Kan anvendes iht. DS/EN 60364-7-712
Kombineret skille- og kortslutningsanordning
Fejlvisning
Maksimal PV-spænding: <= 1500 V jævnstrøm
Samlet afledningsstødstrøm: 12,5 kA
Beskyttelsesniveau: <= 4,5 kV
Kortslutningsbæreevne Iscpv: 10 kA

fabrikat: DEHN
Type: DCB YPV 1500
artikelnr.: 900071
eller tilsvarende

Certificates

 

SCI-Technology

The patented SCI technology with active arc extinction allows to actively, quickly and safely extinguish a possible switching arc in case of overload. The PV fuse integrated in the short-circuit path trips immediately after the arc has been extinguished, thus ensuring safe electrical isolation (interruption). Consequently, all PV arresters from DEHN combine surge protection, fire protection and personal protection in a single device

Technical data

SPD iht. EN 61643-31 / ... IEC 61643-31 Type 1 + Type 2 / Klasse I + Klasse II
Max. DC-spænding [DC+ -> DC-] (UCPV ) ≤ 1500 V
Kortslutningsbæreevne (ISCPV ) 10 kA
Samlet afledestødstrøm (10/350 µs) [DC+/DC- -> PE] (Itotal ) 12,5 kA
Lynstødstrøm (10/350 µs) [DC+ -> PE/DC- -> PE] (Iimp ) 6,25 kA
Restspænding [(DC+/DC-) -> PE] (UP ) < 4,5 kV
Godkendelser KEMA, UL

Product 900071 was added to Notepad.

Product 900071 was added to the cart.


DEHNcombo YPV ... FM

Kombiafleder til brug i solcelleanlæg op til 1500 V DC; med potentialfri skiftekontakt (fjernmeldekontakt til fjernovervågning).

2 Products

Part No. 900075 DCB YPV 1200 FM

GTIN 6942299504538, Customs tariff No. (EU): 85354000, Gross weight: 587.94 g, PU: 1.00 Pakkestørrelse

Predecessor

Images

Additional information

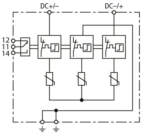
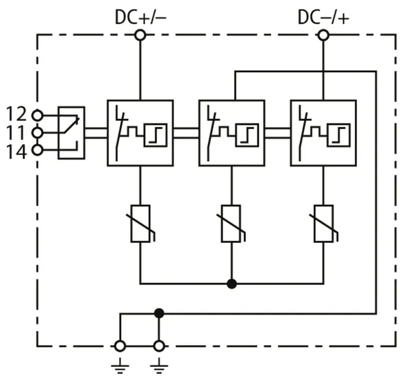
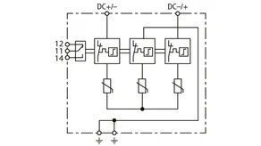
Kombiafleder DEHNcombo YPV 1200 FM
Flerpolet kombiafleder type 1 + type 2
til solcelle-generatorstrømkredse op til 1200 V jævnstrøm
med jævnstrøms-skifteenhed med tre trin, bredde 4TE
Afleder type 1 + type 2 iht. EN 50539-11
Kan anvendes iht. DS/EN 60364-7-712
Kombineret skille- og kortslutningsanordning
med fjernmeldekontakt
Fejlvisning
Maksimal PV-spænding: <= 1200 V DC
Samlet afledningsstødstrøm: 12,5 kA
Beskyttelsesniveau: <= 3,8 kV
Kortslutningsbæreevne Iscpv: 10 kA

fabrikat: DEHN
Type: DCB YPV 1200 FM
artikelnr.: 900075
eller tilsvarende

Certificates

 

SCI-Technology

The patented SCI technology with active arc extinction allows to actively, quickly and safely extinguish a possible switching arc in case of overload. The PV fuse integrated in the short-circuit path trips immediately after the arc has been extinguished, thus ensuring safe electrical isolation (interruption). Consequently, all PV arresters from DEHN combine surge protection, fire protection and personal protection in a single device

Technical data

SPD iht. EN 61643-31 / ... IEC 61643-31 Type 1 + Type 2 / Klasse I + Klasse II
Max. DC-spænding [DC+ -> DC-] (UCPV ) ≤ 1200 V
Kortslutningsbæreevne (ISCPV ) 10 kA
Samlet afledestødstrøm (10/350 µs) [DC+/DC- -> PE] (Itotal ) 12,5 kA
Lynstødstrøm (10/350 µs) [DC+ -> PE/DC- -> PE] (Iimp ) 6,25 kA
Restspænding [(DC+/DC-) -> PE] (UP ) < 3,8 kV
Godkendelser KEMA, UL
FM-kontakt / kontaktform Skiftekontakt

Product 900075 was added to Notepad.

Product 900075 was added to the cart.

Part No. 900076 DCB YPV 1500 FM

GTIN 6942299504552, Customs tariff No. (EU): 85354000, Gross weight: 638.51 g, PU: 1.00 Pakkestørrelse

Predecessor

Images

Additional information

Kombiafleder DEHNcombo YPV 1500 FM
Flerpolet kombiafleder type 1 + type 2
til solcelle-generatorstrømkredse op til 1500 V jævnstrøm
med jævnstrøms-skifteenhed med tre trin, bredde 4TE
Afleder type 1 + type 2 iht. EN 50539-11
Kan anvendes iht. DS/EN 60364-7-712
Kombineret skille- og kortslutningsanordning
med fjernmeldekontakt
Fejlvisning
Maksimal PV-spænding: <= 1500 V jævnstrøm
Samlet afledningsstødstrøm: 12,5 kA
Beskyttelsesniveau: <= 4,5 kV
Kortslutningsbæreevne Iscpv: 10 kA

fabrikat: DEHN
Type: DCB YPV 1500 FM
artikelnr.: 900076
eller tilsvarende

Certificates

 

SCI-Technology

The patented SCI technology with active arc extinction allows to actively, quickly and safely extinguish a possible switching arc in case of overload. The PV fuse integrated in the short-circuit path trips immediately after the arc has been extinguished, thus ensuring safe electrical isolation (interruption). Consequently, all PV arresters from DEHN combine surge protection, fire protection and personal protection in a single device

Technical data

SPD iht. EN 61643-31 / ... IEC 61643-31 Type 1 + Type 2 / Klasse I + Klasse II
Max. DC-spænding [DC+ -> DC-] (UCPV ) ≤ 1500 V
Kortslutningsbæreevne (ISCPV ) 10 kA
Samlet afledestødstrøm (10/350 µs) [DC+/DC- -> PE] (Itotal ) 12,5 kA
Lynstødstrøm (10/350 µs) [DC+ -> PE/DC- -> PE] (Iimp ) 6,25 kA
Restspænding [(DC+/DC-) -> PE] (UP ) < 4,5 kV
Godkendelser KEMA, UL
FM-kontakt / kontaktform Skiftekontakt

Product 900076 was added to Notepad.

Product 900076 was added to the cart.


back to top