DEHNcharge

• Anschlussfertiger Kombi-Ableiter Typ 1 + Typ 2 für DC-Batteriegroßspeicher
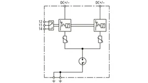
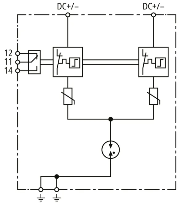
• Bewährte fehlerresistente Y-Schaltung
• Gehäusedesign platzoptimiert ausgelegt für bis zu 1500 V DC im nur 4 TE breiten Gehäuse
• Anwendungsoptimierter Schutzpegel von ≤ 3kV
• Einsetzbar bis zu einem max. prospektiven Kurzschlussstrom von 100kA
• Funktions- / Defektanzeige durch grün-rote Markierung im Sichtfenster

1 Product

Part No. 900095 DCG T1 BATT 1500 FM

GTIN 4013364510838, Customs tariff No. (EU): 85354000, Gross weight: 587.00 g, PU: 1.00 Stk.


Images

Additional information

Kombi-Ableiter DEHNcharge T1 BATT 1500 FM
Mehrpoliger Kombi-Ableiter Typ 1 + Typ 2
für Batteriespeichersysteme bis 1500 V DC, Breite 4TE
Ableiter Typ 1 + Typ 2 in Anlehnung an EN 61643-11
Kombinierte Abtrenn- und Kurzschließvorrichtung
mit Fernmeldekontakt
Defektanzeige
Maximale PV-Spannung: <= 1500 V dc
Gesamtableitstoßstrom: 5 kA
Schutzpegel: <= 3 kV
Kurzschlussfestigkeit Iscpv: 100 kA

Fabrikat: DEHN
Typ: DCG T1 BATT 1500 FM
Art.-Nr.: 900095
oder gleichwertig.

Certificates

 

Technical data

SPD in Anlehnung an IEC 61643-11 Typ 1 + Typ 2 / Class I + Class II
Höchste Dauerspannung DC [DC+/DC-] (UC ) ≤ 1500 V
Höchste Dauerspannung DC [(DC+/DC-) --> PE] (UC ) ≤ 750 V
Kurzschlussfestigkeit (t ≤ 5,83 ms) (ISCCR ) 100 kA
Gesamtableitstoßstrom (10/350 µs) [DC+/DC- -> PE] (Itotal ) 10 kA
Blitzstoßstrom (10/350 µs) [DC+ -> PE/DC- -> PE] (Iimp ) 5 kA
Schutzpegel [(DC+/DC-) -> PE] (UP ) < 3 kV
Schutzpegel [DC+ -> DC-] (UP ) < 6 kV
FM-Kontakte / Kontaktform Wechsler

Product 900095 was added to Notepad.

Product 900095 was added to the cart.


back to top