DEHNguard SE CI mit integrierter Vorsicherung

  • Im Schutzmodul integrierte Ableitervorsicherung
  • Einsatz bei höheren Bemessungsspannungen
  • Energetisch koordiniert innerhalb der Red/Line-Produktfamilie
  • Hohes Ableitvermögen
  • Hohe Gerätesicherheit durch Ableiterüberwachung "Thermo-Dynamik-Control"
  • Einfacher, werkzeugloser Schutzmodulwechsel durch Modulverriegelungssystem mit Modulentriegelungstaste
  • Vibrations- und schockgeprüft nach EN 60068-2

DEHNguard SE CI 440 FM

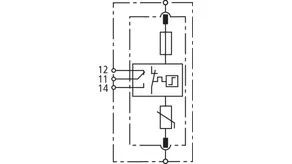
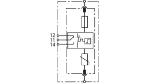
Einpoliger, teilbarer Überspannungs-Ableiter, bestehend aus Basisteil und gestecktem Schutzmodul; mit integrierter Vorsicherung und Fernmeldekontakt für Überwachungseinrichtung (potentialfreier Wechsler).

1 Product

Part No. 952920 DG SE CI 440 FM

GTIN 4013364322622, Customs tariff No. (EU): 85363030, Gross weight: 178.00 g, PU: 1.00 Stk.


Images

Additional information

Überspannungs-Ableiter DEHNguard SE CI 440 FM
1-poliger modularer, steckbarer Überspannungs-Ableiter
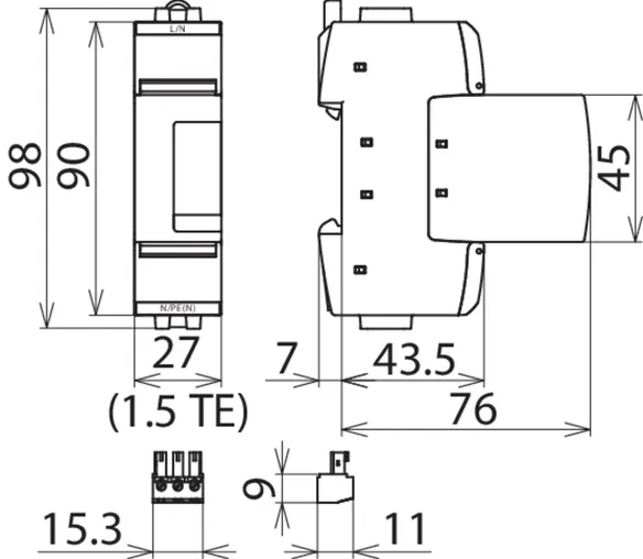
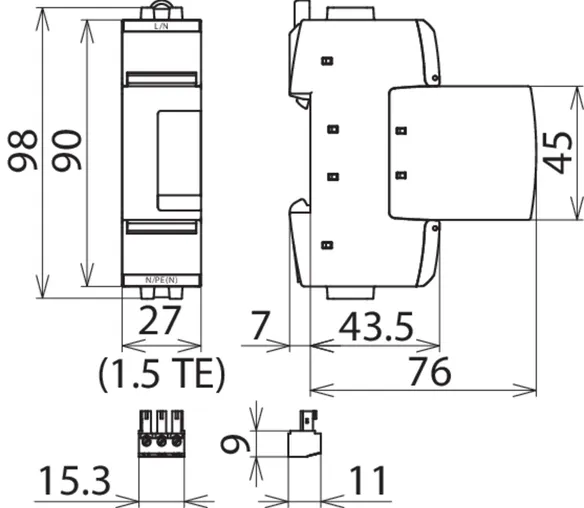
mit integrierter Vorsicherung, Breite 1,5TE
mit Fernmeldekontakt
Ableiter Typ 2 nach EN 61643-11
mech. Defektanzeige für Ableiter und integrierter Sicherung
Höchste Dauerspannung: 440 V ac
Schutzpegel: <= 2 kV
Nennableitstoßstrom: 12,5 kA
Vorsicherungsfrei zu betreiben in Anlagen bis zu einem
max. Kurzschlussstrom von 25 kAeff
Energetische Koordination nach DIN EN 62305-4
Ableiter der Red/Line-Familie

Fabrikat: DEHN
Typ: DG SE CI 440 FM
Art.-Nr.: 952920
oder gleichwertig.

Certificates

 

Circuit Interruption

The backup fuse is already integrated here. This means: reduced space requirement, lower installation costs, faster wiring, and shorter connecting cables. This concept can be found in the product ranges DEHNvenCI, DEHNbloc Maxi S, DEHNguard ... CI and V(A) NH...

Technical data

SPD nach EN 61643-11 / ... IEC 61643-11 Typ 2 / Class II
Höchste Dauerspannung AC (UC ) 440 V (50 / 60 Hz)
Nennableitstoßstrom (8/20 µs) (In ) 12,5 kA
Schutzpegel (UP ) ≤ 2 kV
Max. netzseitiger Überstromschutz nicht notwendig
FM-Kontakte / Kontaktform Wechsler

Product 952920 was added to Notepad.

Product 952920 was added to the cart.


DEHNguard SE CI WE 440 FM

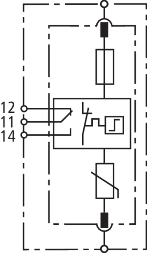
Einpoliger, teilbarer Überspannungs-Ableiter mit Varistor-Bemessungsspannung Umov = 750 V AC, bestehend aus Basisteil und gestecktem Schutzmodul; mit integrierter Vorsicherung und Fernmeldekontakt für Überwachungseinrichtung (potentialfreier Wechsler).

1 Product

Part No. 952923 DG SE CI WE 440 FM

GTIN 4013364322639, Customs tariff No. (EU): 85363030, Gross weight: 184.00 g, PU: 1.00 Stk.


Images

Additional information

Überspannungs-Ableiter DEHNguard SE CI WE 440 FM
1-poliger modularer, steckbarer Überspannungs-Ableiter
mit integrierter Vorsicherung, Breite 1,5TE
mit Fernmeldekontakt
Ableiter Typ 2 nach EN 61643-11
mech. Defektanzeige für Ableiter und integrierter Sicherung
Höchste Dauerspannung: 440 V ac
Varistor-Bemessungsspannung: 750 V ac
Schutzpegel: <= 3 kV
Nennableitstoßstrom: 12,5 kA
Vorsicherungsfrei zu betreiben in Anlagen bis zu einem
max. Kurzschlussstrom von 25 kAeff
Energetische Koordination nach DIN EN 62305-4
Ableiter der Red/Line-Familie

Fabrikat: DEHN
Typ: DG SE CI WE 440 FM
Art.-Nr.: 952923
oder gleichwertig.

Certificates

 

Circuit Interruption

The backup fuse is already integrated here. This means: reduced space requirement, lower installation costs, faster wiring, and shorter connecting cables. This concept can be found in the product ranges DEHNvenCI, DEHNbloc Maxi S, DEHNguard ... CI and V(A) NH...

Technical data

SPD nach EN 61643-11 / ... IEC 61643-11 Typ 2 / Class II
Höchste Dauerspannung AC (UC ) 440 V (50 / 60 Hz)
Varistor-Bemessungsspannung AC (Umov ) 750 V
Nennableitstoßstrom (8/20 µs) (In ) 12,5 kA
Schutzpegel (UP ) ≤ 3 kV
Max. netzseitiger Überstromschutz nicht notwendig
FM-Kontakte / Kontaktform Wechsler

Product 952923 was added to Notepad.

Product 952923 was added to the cart.


back to top