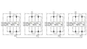
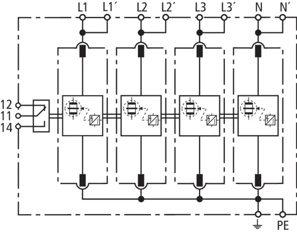
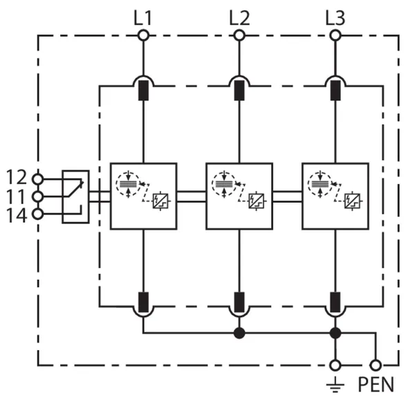
DEHNventil modular
- Anschlussfertiger Kombi-Ableiter Typ 1 + Typ 2 + Typ 3 auf Funkenstreckenbasis, bestehend aus Basisteil und einem einzelnen gesteckten Schutzmodul
- Leistungsstarke und endgeräteschonende RAC-Funkenstreckentechnologie
- Ausschaltselektiv zu 20 A gG-Sicherungen bis 50 kAeff Kurzschlussstrom
- Ableitvermögen bis 100 kA (10/350 μs)
- Ermöglicht Endgeräteschutz
- Funktions- / Defektanzeige durch grün-rote Markierung im Sichtfenster und Überwachung aller Schutzpfade
- Einfacher, werkzeugloser Schutzmodulwechsel durch Modulverriegelungssystem mit Modulentriegelungstasten
Details
Part No. 956305 DV M2 TNC 255 FM
GTIN 4013364510586, Customs tariff No. (EU): 85363090, Gross weight: 519.19 g, PU: 1.00 Stk.
PredecessorTechnical data
| SPD nach EN 61643-11 / ... IEC 61643-11 | Typ 1 + Typ 2 + Typ 3 / Class I + Class II + Class III |
| Blitzstoßstrom (10/350 µs) [L1+L2+L3-PEN] (Itotal ) | 75 kA |
| Blitzstoßstrom (10/350 µs) [L-PEN] (Iimp ) | 25 kA |
| Schutzpegel (UP ) | ≤ 1,5 kV |
| Max. Vorsicherung (L) bis IK = 50 kAeff | 250 A gG |
| Zulassungen | VDE, KEMA, UL |
| FM-Kontakte / Kontaktform | ja / Wechsler |
| Erweiterte technische Daten: | Verwendung in Schaltanlagen mit prospektiven Kurzschlussströmen größer 50 kAeff |
| – Max. prospektiver Kurzschlussstrom | 100 kAeff (220 kApeak) |
Part No. 956405 DV M2 TNS 255 FM
GTIN 4013364510562, Customs tariff No. (EU): 85363090, Gross weight: 583.68 g, PU: 1.00 Stk.
PredecessorTechnical data
| SPD nach EN 61643-11 / ... IEC 61643-11 | Typ 1 + Typ 2 + Typ 3 / Class I + Class II + Class III |
| Blitzstoßstrom (10/350 µs) [L1+L2+L3+N-PE] (Itotal ) | 100 kA |
| Blitzstoßstrom (10/350 µs) [L, N-PE] (Iimp ) | 25 kA |
| Schutzpegel [L-PE]/[N-PE] (UP ) | ≤ 1,5 / ≤ 1,5 kV |
| Max. Vorsicherung (L) bis IK = 50 kAeff | 250 A gG |
| Zulassungen | VDE, KEMA, UL |
| FM-Kontakte / Kontaktform | ja / Wechsler |
| Erweiterte technische Daten: | Verwendung in Schaltanlagen mit prospektiven Kurzschlussströmen größer 50 kAeff |
| – Max. prospektiver Kurzschlussstrom | 100 kAeff (220 kApeak) |
Part No. 956315 DV M2 TT 255 FM
GTIN 4013364528963, Customs tariff No. (EU): 85363090, Gross weight: 616.00 g, PU: 1.00 Stk.
Technical data
| SPD nach EN 61643-11 / ... IEC 61643-11 | Typ 1 + Typ 2 + Typ 3 / Class I + Class II + Class III |
| Blitzstoßstrom (10/350 µs) [L1+L2+L3+N-PE] (Itotal ) | 100 kA |
| Blitzstoßstrom (10/350 µs) [L-N]/[N-PE] (Iimp ) | 25 / 100 kA |
| Schutzpegel [L-N]/[N-PE] (UP ) | ≤ 1,5 / ≤ 1,5 kV |
| Max. Vorsicherung (L) bis IK = 50 kAeff | 250 A gG |
| Zulassungen | VDE, KEMA, UL |
| FM-Kontakte / Kontaktform | ja / Wechsler |
| Erweiterte technische Daten: | Verwendung in Schaltanlagen mit prospektiven Kurzschlussströmen größer 50 kAeff |
| – Max. prospektiver Kurzschlussstrom | 100 kAeff (220 kApeak) |
| Ergänzende Angaben: | --------------------------------- |
| – Schutzpegel [L-PE] (UP ) | 1,8 kV |
Part No. 956205 DV M2 TN 255 FM
GTIN 4013364510579, Customs tariff No. (EU): 85363090, Gross weight: 311.29 g, PU: 1.00 Stk.
PredecessorTechnical data
| SPD nach EN 61643-11 / ... IEC 61643-11 | Typ 1 + Typ 2 + Typ 3 / Class I + Class II + Class III |
| Blitzstoßstrom (10/350 µs) [L+N-PE] (Itotal ) | 50 kA |
| Blitzstoßstrom (10/350 µs) [L, N-PE] (Iimp ) | 25 kA |
| Schutzpegel [L-PE]/[N-PE] (UP ) | ≤ 1,5 / ≤ 1,5 kV |
| Max. Vorsicherung (L) bis IK = 50 kAeff | 250 A gG |
| Zulassungen | VDE, KEMA, UL |
| FM-Kontakte / Kontaktform | ja / Wechsler |
| Erweiterte technische Daten: | Verwendung in Schaltanlagen mit prospektiven Kurzschlussströmen größer 50 kAeff |
| – Max. prospektiver Kurzschlussstrom | 100 kAeff (220 kApeak) |
Part No. 956115 DV M2 TT 2P 255 FM
GTIN 4013364546929, Customs tariff No. (EU): 85363090, Gross weight: 327.00 g, PU: 1.00 Stk.
Technical data
| SPD nach EN 61643-11 / ... IEC 61643-11 | Typ 1 + Typ 2 + Typ 3 / Class I + Class II + Class III |
| Blitzstoßstrom (10/350 µs) [L+N-PE] (Itotal ) | 50 kA |
| Blitzstoßstrom (10/350 µs) [L-N]/[N-PE] (Iimp ) | 25 / 50 kA |
| Schutzpegel [L-N]/[N-PE] (UP ) | ≤ 1,5 / ≤ 1,5 kV |
| Max. Vorsicherung (L) bis IK = 50 kAeff | 250 A gG |
| Zulassungen | VDE, KEMA, UL |
| FM-Kontakte / Kontaktform | ja / Wechsler |
| Erweiterte technische Daten: | Verwendung in Schaltanlagen mit prospektiven Kurzschlussströmen größer 50 kAeff |
| – Max. prospektiver Kurzschlussstrom | 100 kAeff (220 kApeak) |
| Ergänzende Angaben: | --------------------------------- |
| – Schutzpegel [L-PE] (UP ) | 1,8 kV |
Part No. 951300 DV M TNC 255
GTIN 4013364108134, Customs tariff No. (EU): 85363090, Gross weight: 1004.00 g, PU: 1.00 Stk.
PredecessorTechnical data
| SPD nach EN 61643-11 / ... IEC 61643-11 | Typ 1 + Typ 2 / Class I + Class II |
| Blitzstoßstrom (10/350 µs) [L1+L2+L3-PEN] (Itotal ) | 75 kA |
| Blitzstoßstrom (10/350 µs) [L-PEN] (Iimp ) | 25 kA |
| Schutzpegel (UP ) | ≤ 1,5 kV |
| Max. Vorsicherung (L) bis IK = 50 kAeff | 315 A gG |
| Zulassungen | KEMA, VDE, UL |
| Erweiterte technische Daten: | Verwendung in Schaltanlagen mit prospektiven Kurzschlussströmen größer 50 kAeff |
| – Max. prospektiver Kurzschlussstrom | 100 kAeff (220 kApeak) |
Part No. 951305 DV M TNC 255 FM
GTIN 4013364108141, Customs tariff No. (EU): 85363090, Gross weight: 1020.00 g, PU: 1.00 Stk.
PredecessorTechnical data
| SPD nach EN 61643-11 / ... IEC 61643-11 | Typ 1 + Typ 2 / Class I + Class II |
| Blitzstoßstrom (10/350 µs) [L1+L2+L3-PEN] (Itotal ) | 75 kA |
| Blitzstoßstrom (10/350 µs) [L-PEN] (Iimp ) | 25 kA |
| Schutzpegel (UP ) | ≤ 1,5 kV |
| Max. Vorsicherung (L) bis IK = 50 kAeff | 315 A gG |
| Zulassungen | KEMA, VDE, UL |
| FM-Kontakte / Kontaktform | Wechsler |
| Erweiterte technische Daten: | Verwendung in Schaltanlagen mit prospektiven Kurzschlussströmen größer 50 kAeff |
| – Max. prospektiver Kurzschlussstrom | 100 kAeff (220 kApeak) |
Part No. 951400 DV M TNS 255
GTIN 4013364108158, Customs tariff No. (EU): 85363090, Gross weight: 1.40 kg, PU: 1.00 Stk.
PredecessorTechnical data
| SPD nach EN 61643-11 / ... IEC 61643-11 | Typ 1 + Typ 2 / Class I + Class II |
| Blitzstoßstrom (10/350 µs) [L1+L2+L3+N-PE] (Itotal ) | 100 kA |
| Blitzstoßstrom (10/350 µs) [L, N-PE] (Iimp ) | 25 kA |
| Schutzpegel [L-PE]/[N-PE] (UP ) | ≤ 1,5 / ≤ 1,5 kV |
| Max. Vorsicherung (L) bis IK = 50 kAeff | 315 A gG |
| Zulassungen | KEMA, VDE, UL |
| Erweiterte technische Daten: | Verwendung in Schaltanlagen mit prospektiven Kurzschlussströmen größer 50 kAeff |
| – Max. prospektiver Kurzschlussstrom | 100 kAeff (220 kApeak) |
Part No. 951405 DV M TNS 255 FM
GTIN 4013364108165, Customs tariff No. (EU): 85363090, Gross weight: 1.40 kg, PU: 1.00 Stk.
PredecessorTechnical data
| SPD nach EN 61643-11 / ... IEC 61643-11 | Typ 1 + Typ 2 / Class I + Class II |
| Blitzstoßstrom (10/350 µs) [L1+L2+L3+N-PE] (Itotal ) | 100 kA |
| Blitzstoßstrom (10/350 µs) [L, N-PE] (Iimp ) | 25 kA |
| Schutzpegel [L-PE]/[N-PE] (UP ) | ≤ 1,5 / ≤ 1,5 kV |
| Max. Vorsicherung (L) bis IK = 50 kAeff | 315 A gG |
| Zulassungen | KEMA, VDE, UL |
| FM-Kontakte / Kontaktform | Wechsler |
| Erweiterte technische Daten: | Verwendung in Schaltanlagen mit prospektiven Kurzschlussströmen größer 50 kAeff |
| – Max. prospektiver Kurzschlussstrom | 100 kAeff (220 kApeak) |
Part No. 951310 DV M TT 255
GTIN 4013364108172, Customs tariff No. (EU): 85363090, Gross weight: 1.31 kg, PU: 1.00 Stk.
PredecessorTechnical data
| SPD nach EN 61643-11 / ... IEC 61643-11 | Typ 1 + Typ 2 / Class I + Class II |
| Blitzstoßstrom (10/350 µs) [L1+L2+L3+N-PE] (Itotal ) | 100 kA |
| Blitzstoßstrom (10/350 µs) [L-N]/[N-PE] (Iimp ) | 25 / 100 kA |
| Schutzpegel [L-N]/[N-PE] (UP ) | ≤ 1,5 / ≤ 1,5 kV |
| Max. Vorsicherung (L) bis IK = 50 kAeff | 315 A gG |
| Zulassungen | KEMA, VDE, UL |
| Erweiterte technische Daten: | Verwendung in Schaltanlagen mit prospektiven Kurzschlussströmen größer 50 kAeff |
| – Max. prospektiver Kurzschlussstrom | 100 kAeff (220 kApeak) |
| Ergänzende Angaben: | --------------------------------- |
| – Schutzpegel [L-PE] (UP ) | 2,2 kV |
Part No. 951315 DV M TT 255 FM
GTIN 4013364108189, Customs tariff No. (EU): 85363090, Gross weight: 1.32 kg, PU: 1.00 Stk.
PredecessorTechnical data
| SPD nach EN 61643-11 / ... IEC 61643-11 | Typ 1 + Typ 2 / Class I + Class II |
| Blitzstoßstrom (10/350 µs) [L1+L2+L3+N-PE] (Itotal ) | 100 kA |
| Blitzstoßstrom (10/350 µs) [L-N]/[N-PE] (Iimp ) | 25 / 100 kA |
| Schutzpegel [L-N]/[N-PE] (UP ) | ≤ 1,5 / ≤ 1,5 kV |
| Max. Vorsicherung (L) bis IK = 50 kAeff | 315 A gG |
| Zulassungen | KEMA, VDE, UL |
| FM-Kontakte / Kontaktform | Wechsler |
| Erweiterte technische Daten: | Verwendung in Schaltanlagen mit prospektiven Kurzschlussströmen größer 50 kAeff |
| – Max. prospektiver Kurzschlussstrom | 100 kAeff (220 kApeak) |
| Ergänzende Angaben: | --------------------------------- |
| – Schutzpegel [L-PE] (UP ) | 2,2 kV |
Part No. 951200 DV M TN 255
GTIN 4013364108097, Customs tariff No. (EU): 85363090, Gross weight: 754.00 g, PU: 1.00 Stk.
PredecessorTechnical data
| SPD nach EN 61643-11 / ... IEC 61643-11 | Typ 1 + Typ 2 / Class I + Class II |
| Blitzstoßstrom (10/350 µs) [L+N-PE] (Itotal ) | 50 kA |
| Blitzstoßstrom (10/350 µs) [L, N-PE] (Iimp ) | 25 kA |
| Schutzpegel [L-PE]/[N-PE] (UP ) | ≤ 1,5 / ≤ 1,5 kV |
| Max. Vorsicherung (L) bis IK = 50 kAeff | 315 A gG |
| Zulassungen | KEMA, VDE, UL |
| Erweiterte technische Daten: | Verwendung in Schaltanlagen mit prospektiven Kurzschlussströmen größer 50 kAeff |
| – Max. prospektiver Kurzschlussstrom | 100 kAeff (220 kApeak) |
Part No. 951205 DV M TN 255 FM
GTIN 4013364108103, Customs tariff No. (EU): 85363090, Gross weight: 698.50 g, PU: 1.00 Stk.
PredecessorTechnical data
| SPD nach EN 61643-11 / ... IEC 61643-11 | Typ 1 + Typ 2 / Class I + Class II |
| Blitzstoßstrom (10/350 µs) [L+N-PE] (Itotal ) | 50 kA |
| Blitzstoßstrom (10/350 µs) [L, N-PE] (Iimp ) | 25 kA |
| Schutzpegel [L-PE]/[N-PE] (UP ) | ≤ 1,5 / ≤ 1,5 kV |
| Max. Vorsicherung (L) bis IK = 50 kAeff | 315 A gG |
| Zulassungen | KEMA, VDE, UL |
| FM-Kontakte / Kontaktform | Wechsler |
| Erweiterte technische Daten: | Verwendung in Schaltanlagen mit prospektiven Kurzschlussströmen größer 50 kAeff |
| – Max. prospektiver Kurzschlussstrom | 100 kAeff (220 kApeak) |
Part No. 951110 DV M TT 2P 255
GTIN 4013364108110, Customs tariff No. (EU): 85363090, Gross weight: 688.59 g, PU: 1.00 Stk.
PredecessorTechnical data
| SPD nach EN 61643-11 / ... IEC 61643-11 | Typ 1 + Typ 2 / Class I + Class II |
| Blitzstoßstrom (10/350 µs) [L+N-PE] (Itotal ) | 50 kA |
| Blitzstoßstrom (10/350 µs) [L-N]/[N-PE] (Iimp ) | 25 / 50 kA |
| Schutzpegel [L-N]/[N-PE] (UP ) | ≤ 1,5 / ≤ 1,5 kV |
| Max. Vorsicherung (L) bis IK = 50 kAeff | 315 A gG |
| Zulassungen | KEMA, VDE, UL |
| Erweiterte technische Daten: | Verwendung in Schaltanlagen mit prospektiven Kurzschlussströmen größer 50 kAeff |
| – Max. prospektiver Kurzschlussstrom | 100 kAeff (220 kApeak) |
| Ergänzende Angaben: | --------------------------------- |
| – Schutzpegel [L-PE] (UP ) | 2,2 kV |
Part No. 951115 DV M TT 2P 255 FM
GTIN 4013364108127, Customs tariff No. (EU): 85363090, Gross weight: 694.38 g, PU: 1.00 Stk.
PredecessorTechnical data
| SPD nach EN 61643-11 / ... IEC 61643-11 | Typ 1 + Typ 2 / Class I + Class II |
| Blitzstoßstrom (10/350 µs) [L+N-PE] (Itotal ) | 50 kA |
| Blitzstoßstrom (10/350 µs) [L-N]/[N-PE] (Iimp ) | 25 / 50 kA |
| Schutzpegel [L-N]/[N-PE] (UP ) | ≤ 1,5 / ≤ 1,5 kV |
| Max. Vorsicherung (L) bis IK = 50 kAeff | 315 A gG |
| Zulassungen | KEMA, VDE, UL |
| FM-Kontakte / Kontaktform | Wechsler |
| Erweiterte technische Daten: | Verwendung in Schaltanlagen mit prospektiven Kurzschlussströmen größer 50 kAeff |
| – Max. prospektiver Kurzschlussstrom | 100 kAeff (220 kApeak) |
| Ergänzende Angaben: | --------------------------------- |
| – Schutzpegel [L-PE] (UP ) | 2,2 kV |
Part No. 961305 DV ACI M TNC 264 FM
GTIN 4013364513440, Customs tariff No. (EU): 85363090, Gross weight: 2.42 kg, PU: 1.00 Stk.
Technical data
| SPD nach EN 61643-11 / IEC 61643-11 | Typ 1 + Typ 2 + Typ 3 / Class I + Class II + Class III |
| Blitzstoßstrom (10/350 µs) [L1+L2+L3-PEN] (Itotal ) | 75 kA |
| Blitzstoßstrom (10/350 µs) [L-PEN] (Iimp ) | 25 kA |
| Schutzpegel (UP ) | ≤ 1,5 kV |
| Erweiterte technische Daten: | Verwendung in Schaltanlagen mit prospektiven Kurzschlussströmen größer 50 kAeff |
| – Max. prospektiver Kurzschlussstrom | 100 kAeff (220 kApeak) |
Part No. 961405 DV ACI M TNS 264 FM
GTIN 4013364513365, Customs tariff No. (EU): 85363090, Gross weight: 2.42 kg, PU: 1.00 Stk.
Technical data
| SPD nach EN 61643-11 / IEC 61643-11 | Typ 1 + Typ 2 + Typ 3 / Class I + Class II + Class III |
| Blitzstoßstrom (10/350 µs) [L1+L2+L3+N-PE] (Itotal ) | 100 kA |
| Blitzstoßstrom (10/350 µs) [L, N-PE] (Iimp ) | 25 kA |
| Schutzpegel [L-PE]/[N-PE] (UP ) | ≤ 1,5 kV |
| Erweiterte technische Daten: | Verwendung in Schaltanlagen mit prospektiven Kurzschlussströmen größer 50 kAeff |
| – Max. prospektiver Kurzschlussstrom | 100 kAeff (220 kApeak) |
DEHNventil M2 880 FM
Set bestehend aus steckbaren Blitz- und Überspannungsableitern inklusive isolierter Modulverdrahtungsschiene anwendbar in Wechselrichter-Systemen mit aktiver Anti-PID mit maximalen DC Offset von 750 V DC. Beschaltung der Erdungssysteme gemäß IEC 60364-4-44, Table 44.A1 - RE und Z sowie RE und RA verbunden.
1 Product
Part No. 961151 DV M2 880 FM
GTIN 4013364532557, Customs tariff No. (EU): 85363090, Gross weight: 1.07 kg, PU: 1.00 Stk.
Technical data
| SPD nach EN 61643-11 / ... IEC 61643-11 | Typ 1 + Typ 2 / Class I + Class II |
| Blitzstoßstrom (10/350 µs) [1,2-3] (Iimp ) | 12,5 kA |
| Max. Vorsicherung (L) bis IK = 50 kAeff | 160 A gG |
| FM-Kontakte / Kontaktform | ja / Wechsler |
| Ergänzende Angaben: | --------------------------------- |
| – Anti-PID Spannung (U1-3 + UPID ) | 508 VAC + 750 VDC – Festigkeit |
