DEHNsecure modular

  • Koordinierter Blitzstrom-Ableiter auf Funkenstreckenbasis, bestehend aus Basisteil und gestecktem Schutzmodul
  • Speziell für den Einsatz in DC-Stromkreisen geeignete Funkenstreckentechnologie
  • Hohes Blitzstrom-Ableitvermögen von 25 kA (10/350 µs)
  • Auf Überspannungs-Schutzgerät DEHNguard SE DC ... direkt koordiniert
  • Tiefer Schutzpegel
  • Funktions- / Defektanzeige durch grün-rote Markierung im Sichtfenster
  • Einfacher, werkzeugloser Schutzmodulwechsel durch Modulverriegelungssystem mit Modulentriegelungstaste

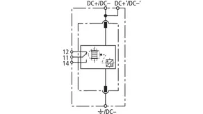
DEHNsecure M 1 ...

Einpoliger, modularer, koordinierter Blitzstrom-Ableiter für Gleichstromanwendungen.

3 Products

Part No. 971121 DSE M 1 60

GTIN 4013364138582, Customs tariff No. (EU): 85363090, Gross weight: 300.00 g, PU: 1.00 Stk.


Images

Additional information

Koordinierter Blitzstrom-Ableiter DEHNsecure M 1 60
1-poliger, modularer, steckbarer koordinierter Blitzstrom-Ableiter
für Gleichstromanwendungen, Breite 2TE
Ableiter Typ 1 nach EN 61643-11
Speziell für den Einsatz in DC-Stromkreisen geeignete
Funkenstrecken-Technologie
Defektanzeige
Höchste Dauerspannung: 60 V dc
Schutzpegel: <= 1,5 kV
Blitzstoßstrom (10/350): 25 kA
Kurzschlussfestigkeit DC: 25 kA
Energetische Koordination nach DIN EN 62305-4
Ableiter der Red/Line-Familie

Fabrikat: DEHN
Typ: DSE M 1 60
Art.-Nr.: 971121
oder gleichwertig.

Certificates

 

Wave breaker function

In the case of spark-gap-based type 1 arresters, the entire current flows through the type 1 arrester during the discharge process. Like a wave breaker, the incoming energy is greatly broken down, which significantly relieves the downstream SPDs. All type 1 arresters in the Red/Line product range feature the WBF wave breaker function.

Technical data

SPD-Klassifikation nach EN 61643-11 / ... IEC 61643-11 Typ 1 / Class I
Höchste Dauerspannung DC (UC ) 60 V
Blitzstoßstrom (10/350 µs) (Iimp ) 25 kA
Schutzpegel (UP ) ≤ 1,5 kV
Max. netzseitiger Überstromschutz 250 A gG
Zulassungen UL
Erweiterte technische Daten: Verwendung in Sicherheitsbeleuchtungen

Product 971121 was added to Notepad.

Product 971121 was added to the cart.

Part No. 971120 DSE M 1 220

GTIN 4013364133631, Customs tariff No. (EU): 85363090, Gross weight: 268.20 g, PU: 1.00 Stk.


Images

Additional information

Koordinierter Blitzstrom-Ableiter DEHNsecure M 1 220
1-poliger, modularer, steckbarer, koordinierter Blitzstrom-Ableiter
für Gleichstromanwendungen, Breite 2TE
Ableiter Typ 1 nach EN 61643-11
Speziell für den Einsatz in DC-Stromkreisen geeignete
Funkenstrecken-Technologie
Defektanzeige
Höchste Dauerspannung: 220 V dc
Schutzpegel: <= 2,5 kV
Blitzstoßstrom (10/350): 25 kA
Kurzschlussfestigkeit DC: 25 kA
Energetische Koordination nach DIN EN 62305-4
Ableiter der Red/Line-Familie

Fabrikat: DEHN
Typ: DSE M 1 220
Art.-Nr.: 971120
oder gleichwertig.

Certificates

 

Wave breaker function

In the case of spark-gap-based type 1 arresters, the entire current flows through the type 1 arrester during the discharge process. Like a wave breaker, the incoming energy is greatly broken down, which significantly relieves the downstream SPDs. All type 1 arresters in the Red/Line product range feature the WBF wave breaker function.

Technical data

SPD-Klassifikation nach EN 61643-11 / ... IEC 61643-11 Typ 1 / Class I
Höchste Dauerspannung DC (UC ) 220 V
Blitzstoßstrom (10/350 µs) (Iimp ) 25 kA
Schutzpegel (UP ) ≤ 2,5 kV
Max. netzseitiger Überstromschutz 250 A gG
Erweiterte technische Daten: Verwendung in Sicherheitsbeleuchtungen

Product 971120 was added to Notepad.

Product 971120 was added to the cart.

Part No. 971122 DSE M 1 242

GTIN 4013364144477, Customs tariff No. (EU): 85363090, Gross weight: 273.70 g, PU: 1.00 Stk.


Images

Additional information

Koordinierter Blitzstrom-Ableiter DEHNsecure M 1 242
1-poliger, modularer, steckbarer, koordinierter Blitzstrom-Ableiter
für Gleichstromanwendungen, Breite 2TE
Ableiter Typ 1 nach EN 61643-11
Speziell für den Einsatz in DC-Stromkreisen geeignete
Funkenstrecken-Technologie
Defektanzeige
Höchste Dauerspannung: 242 V dc
Schutzpegel: <= 2,5 kV
Blitzstoßstrom (10/350): 25 kA
Kurzschlussfestigkeit DC: 25 kA
Energetische Koordination nach DIN EN 62305-4
Ableiter der Red/Line-Familie

Fabrikat: DEHN
Typ: DSE M 1 242
Art.-Nr.: 971122
oder gleichwertig.

Certificates

 

Wave breaker function

In the case of spark-gap-based type 1 arresters, the entire current flows through the type 1 arrester during the discharge process. Like a wave breaker, the incoming energy is greatly broken down, which significantly relieves the downstream SPDs. All type 1 arresters in the Red/Line product range feature the WBF wave breaker function.

Technical data

SPD-Klassifikation nach EN 61643-11 / ... IEC 61643-11 Typ 1 / Class I
Höchste Dauerspannung DC (UC ) 242 V
Blitzstoßstrom (10/350 µs) (Iimp ) 25 kA
Schutzpegel (UP ) ≤ 2,5 kV
Max. netzseitiger Überstromschutz 250 A gG
Erweiterte technische Daten: Verwendung in Sicherheitsbeleuchtungen
– Höchste Dauerspannung AC (UC ) 255 V

Product 971122 was added to Notepad.

Product 971122 was added to the cart.


DEHNsecure M 1 ... FM

Einpoliger, modularer, koordinierter Blitzstrom-Ableiter für Gleichstromanwendungen; mit Fernmeldekontakt für Überwachungseinrichtung (potentialfreier Wechsler).

3 Products

Part No. 971126 DSE M 1 60 FM

GTIN 4013364138599, Customs tariff No. (EU): 85363090, Gross weight: 304.00 g, PU: 1.00 Stk.


Images

Additional information

Koordinierter Blitzstrom-Ableiter DEHNsecure M 1 60 FM
1-poliger, modularer, steckbarer, koordinierter Blitzstrom-Ableiter
für Gleichstromanwendungen, Breite 2TE
mit Fernmeldekontakt
Ableiter Typ 1 nach EN 61643-11
Speziell für den Einsatz in DC-Stromkreisen geeignete
Funkenstrecken-Technologie
Defektanzeige
Höchste Dauerspannung: 60 V dc
Schutzpegel: <= 1,5 kV
Blitzstoßstrom (10/350): 25 kA
Kurzschlussfestigkeit DC: 25 kA
Energetische Koordination nach DIN EN 62305-4
Ableiter der Red/Line-Familie

Fabrikat: DEHN
Typ: DSE M 1 60 FM
Art.-Nr.: 971126
oder gleichwertig.

Certificates

 

Wave breaker function

In the case of spark-gap-based type 1 arresters, the entire current flows through the type 1 arrester during the discharge process. Like a wave breaker, the incoming energy is greatly broken down, which significantly relieves the downstream SPDs. All type 1 arresters in the Red/Line product range feature the WBF wave breaker function.

Technical data

SPD-Klassifikation nach EN 61643-11 / ... IEC 61643-11 Typ 1 / Class I
Höchste Dauerspannung DC (UC ) 60 V
Blitzstoßstrom (10/350 µs) (Iimp ) 25 kA
Schutzpegel (UP ) ≤ 1,5 kV
Max. netzseitiger Überstromschutz 250 A gG
Zulassungen UL
FM-Kontakte / Kontaktform Wechsler
Erweiterte technische Daten: Verwendung in Sicherheitsbeleuchtungen

Product 971126 was added to Notepad.

Product 971126 was added to the cart.

Part No. 971125 DSE M 1 220 FM

GTIN 4013364133648, Customs tariff No. (EU): 85363090, Gross weight: 241.90 g, PU: 1.00 Stk.


Images

Additional information

Koordinierter Blitzstrom-Ableiter DEHNsecure M 1 220 FM
1-poliger, modularer, steckbarer, koordinierter Blitzstrom-Ableiter
für Gleichstromanwendungen, Breite 2TE
mit Fernmeldekontakt
Ableiter Typ 1 nach EN 61643-11
Speziell für den Einsatz in DC-Stromkreisen geeignete
Funkenstrecken-Technologie
Defektanzeige
Höchste Dauerspannung: 220 V dc
Schutzpegel: <= 2,5 kV
Blitzstoßstrom (10/350): 25 kA
Kurzschlussfestigkeit DC: 25 kA
Energetische Koordination nach DIN EN 62305-4
Ableiter der Red/Line-Familie

Fabrikat: DEHN
Typ: DSE M 1 220 FM
Art.-Nr.: 971125
oder gleichwertig.

Certificates

 

Wave breaker function

In the case of spark-gap-based type 1 arresters, the entire current flows through the type 1 arrester during the discharge process. Like a wave breaker, the incoming energy is greatly broken down, which significantly relieves the downstream SPDs. All type 1 arresters in the Red/Line product range feature the WBF wave breaker function.

Technical data

SPD-Klassifikation nach EN 61643-11 / ... IEC 61643-11 Typ 1 / Class I
Höchste Dauerspannung DC (UC ) 220 V
Blitzstoßstrom (10/350 µs) (Iimp ) 25 kA
Schutzpegel (UP ) ≤ 2,5 kV
Max. netzseitiger Überstromschutz 250 A gG
FM-Kontakte / Kontaktform Wechsler
Erweiterte technische Daten: Verwendung in Sicherheitsbeleuchtungen

Product 971125 was added to Notepad.

Product 971125 was added to the cart.

Part No. 971127 DSE M 1 242 FM

GTIN 4013364144484, Customs tariff No. (EU): 85363090, Gross weight: 269.50 g, PU: 1.00 Stk.


Images

Additional information

Koordinierter Blitzstrom-Ableiter DEHNsecure M 1 242 FM
1-poliger, modularer, steckbarer, koordinierter Blitzstrom-Ableiter, Breite 2TE
für Gleichstromanwendungen, Breite 2TE
mit Fernmeldekontakt
Ableiter Typ 1 nach EN 61643-11
Speziell für den Einsatz in DC-Stromkreisen geeignete
Funkenstrecken-Technologie
Defektanzeige
Höchste Dauerspannung: 242 V dc
Schutzpegel: <= 2,5 kV
Blitzstoßstrom (10/350): 25 kA
Kurzschlussfestigkeit DC: 25 kA
Energetische Koordination nach DIN EN 62305-4
Ableiter der Red/Line-Familie

Fabrikat: DEHN
Typ: DSE M 1 242 FM
Art.-Nr.: 971127
oder gleichwertig.

Certificates

 

Wave breaker function

In the case of spark-gap-based type 1 arresters, the entire current flows through the type 1 arrester during the discharge process. Like a wave breaker, the incoming energy is greatly broken down, which significantly relieves the downstream SPDs. All type 1 arresters in the Red/Line product range feature the WBF wave breaker function.

Technical data

SPD-Klassifikation nach EN 61643-11 / ... IEC 61643-11 Typ 1 / Class I
Höchste Dauerspannung DC (UC ) 242 V
Blitzstoßstrom (10/350 µs) (Iimp ) 25 kA
Schutzpegel (UP ) ≤ 2,5 kV
Max. netzseitiger Überstromschutz 250 A gG
FM-Kontakte / Kontaktform Wechsler
Erweiterte technische Daten: Verwendung in Sicherheitsbeleuchtungen
– Höchste Dauerspannung AC (UC ) 255 V

Product 971127 was added to Notepad.

Product 971127 was added to the cart.


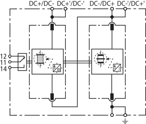
DEHNsecure M 2P ... (FM)

Zweipoliger, modularer, koordinierter Blitzstrom-Ableiter für Gleichstromanwendungen bis 60 V (1+1-Schaltung); in der Ausführung FM mit potentialfreiem Fernmeldekontakt.

2 Products

Part No. 971221 DSE M 2P 60

GTIN 4013364138612, Customs tariff No. (EU): 85363090, Gross weight: 638.00 g, PU: 1.00 Stk.


Images

Additional information

Koordinierter Blitzstrom-Ableiter DEHNsecure M 2P 60
2-poliger, modularer, steckbarer, koordinierter Blitzstrom-Ableiter
für Gleichstromanwendungen, Breite 4TE
Ableiter Typ 1 nach EN 61643-11
Speziell für den Einsatz in DC-Stromkreisen geeignete
Funkenstrecken-Technologie
Defektanzeige
Höchste Dauerspannung: 60 V dc
Schutzpegel: <= 1,5 kV
Blitzstoßstrom (10/350): 50 kA
Kurzschlussfestigkeit DC: 25 kA
Energetische Koordination nach DIN EN 62305-4
Ableiter der Red/Line-Familie

Fabrikat: DEHN
Typ: DSE M 2P 60
Art.-Nr.: 971221
oder gleichwertig.

Certificates

 

Wave breaker function

In the case of spark-gap-based type 1 arresters, the entire current flows through the type 1 arrester during the discharge process. Like a wave breaker, the incoming energy is greatly broken down, which significantly relieves the downstream SPDs. All type 1 arresters in the Red/Line product range feature the WBF wave breaker function.

Technical data

SPD-Klassifikation nach EN 61643-11 / ... IEC 61643-11 Typ 1 / Class I
Höchste Dauerspannung DC (UC ) 60 V
Blitzstoßstrom (10/350 µs) (DC+/DC- -> DC-/DC+) / (DC-/DC+ -> 9) (Iimp ) 25 / 50 kA
Schutzpegel (DC+/DC- -> DC-/DC+) / (DC-/DC+ -> 9) (UP ) ≤ 1,5 / ≤ 1,5 kV
Max. netzseitiger Überstromschutz 250 A gG
Zulassungen UL

Product 971221 was added to Notepad.

Product 971221 was added to the cart.

Part No. 971226 DSE M 2P 60 FM

GTIN 4013364138629, Customs tariff No. (EU): 85363090, Gross weight: 675.00 g, PU: 1.00 Stk.


Images

Additional information

Koordinierter Blitzstrom-Ableiter DEHNsecure M 2P 60 FM
2-poliger, modularer, steckbarer, koordinierter Blitzstrom-Ableiter
für Gleichstromanwendungen, Breite 4TE
mit Fernmeldekontakt
Ableiter Typ 1 nach EN 61643-11
Speziell für den Einsatz in DC-Stromkreisen geeignete
Funkenstrecken-Technologie
Defektanzeige
Höchste Dauerspannung: 60 V dc
Schutzpegel: <= 1,5 kV
Blitzstoßstrom (10/350): 50 kA
Kurzschlussfestigkeit DC: 25 kA
Energetische Koordination nach DIN EN 62305-4
Ableiter der Red/Line-Familie

Fabrikat: DEHN
Typ: DSE M 2P 60 FM
Art.-Nr.: 971226
oder gleichwertig.

Certificates

 

Wave breaker function

In the case of spark-gap-based type 1 arresters, the entire current flows through the type 1 arrester during the discharge process. Like a wave breaker, the incoming energy is greatly broken down, which significantly relieves the downstream SPDs. All type 1 arresters in the Red/Line product range feature the WBF wave breaker function.

Technical data

SPD-Klassifikation nach EN 61643-11 / ... IEC 61643-11 Typ 1 / Class I
Höchste Dauerspannung DC (UC ) 60 V
Blitzstoßstrom (10/350 µs) (DC+/DC- -> DC-/DC+) / (DC-/DC+ -> 9) (Iimp ) 25 / 50 kA
Schutzpegel (DC+/DC- -> DC-/DC+) / (DC-/DC+ -> 9) (UP ) ≤ 1,5 / ≤ 1,5 kV
Max. netzseitiger Überstromschutz 250 A gG
Zulassungen UL
FM-Kontakte / Kontaktform Wechsler

Product 971226 was added to Notepad.

Product 971226 was added to the cart.


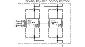
DEHNsecure NG 2P 60 FM

Zweipoliger, modularer, koordinierter Blitzstrom-Ableiter für Gleichstromanwendungen bis 60 V (1+1-Schaltung); in der Ausführung FM mit potentialfreiem Fernmeldekontakt.

1 Product

Part No. 971222 DSE NG 2P 60 FM

GTIN 4013364489523, Customs tariff No. (EU): 85363090, Gross weight: 507.00 g, PU: 1.00 Stk.


Images

Additional information

Koordinierter Blitzstrom-Ableiter DEHNsecure NG 2P 60 FM
2-poliger, modularer, steckbarer,
koordinierter Blitzstrom-Ableiter
für Gleichstromanwendungen, Breite 4TE
mit Fernmeldekontakt
Ableiter Typ 1 nach EN 61643-11
Speziell für den Einsatz in DC-Stromkreisen
geeignete Funkenstrecken-Technologie
Defektanzeige
Höchste Dauerspannung: 60 V dc
Schutzpegel: <= 1,5 kV
Blitzstoßstrom (10/350): 50 kA
Kurzschlussfestigkeit DC: 10 kA
Energetische Koordination nach DIN EN 62305-4
Ableiter der Red/Line-Familie

Fabrikat: DEHN
Typ: DSE NG 2P 60 FM
Art.-Nr.: 971222
oder gleichwertig.

 

Wave breaker function

In the case of spark-gap-based type 1 arresters, the entire current flows through the type 1 arrester during the discharge process. Like a wave breaker, the incoming energy is greatly broken down, which significantly relieves the downstream SPDs. All type 1 arresters in the Red/Line product range feature the WBF wave breaker function.

Technical data

SPD-Klassifikation nach EN 61643-11 / ... IEC 61643-11 Typ 1 / Class I
Höchste Dauerspannung DC (UC ) 60 V
Blitzstoßstrom (10/350 µs) (DC+/DC- -> DC-/DC+) / (DC-/DC+ -> 9) (Iimp ) 25 / 50 kA
Schutzpegel (DC+/DC- -> DC-/DC+) / (DC-/DC+ -> 9) (UP ) ≤ 1,5 / ≤ 1,5 kV
Max. netzseitiger Überstromschutz 250 A gG
FM-Kontakte / Kontaktform Wechsler

Product 971222 was added to Notepad.

Product 971222 was added to the cart.


back to top