DEHNguard modular (Y)PV SCI ...

  • Verdrahtungsfertige, modulare Kompletteinheit für Photovoltaik-Anlagen, bestehend aus Basisteil und gesteckten Schutzmodulen
  • Kombinierte Abtrenn- und Kurzschließvorrichtung mit sicherer elektrischer Trennung im Schutzmodul (patentiertes SCI-Prinzip)
  • Bewährte fehlerresistente Y-Schaltung des DEHNguard M YPV SCI … (FM) vermeidet Schädigung des Überspannungsschutzes bei Isolationsfehlern im Generatorkreis
  • Geprüft nach EN 61643-31
  • Einsetzbar in allen PV-Systemen gemäß IEC 60364-7-712

Details

lorem ipsum
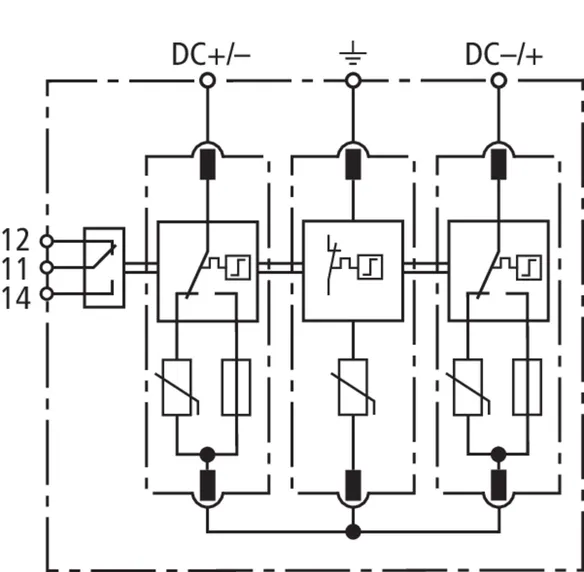
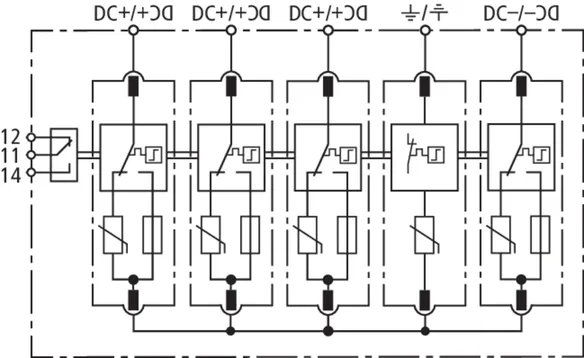
Dreistufige DC-Schalteinrichtung (patentiertes SCI-Prinzip)
lorem ipsum

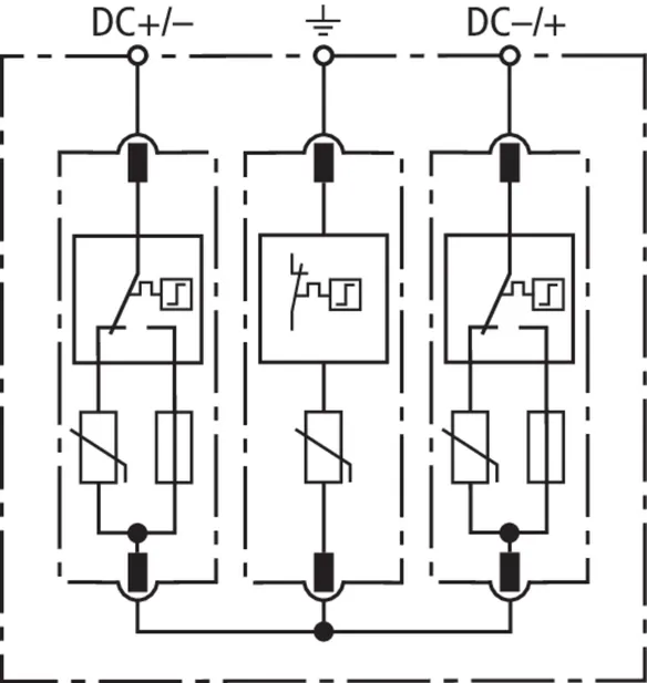
DEHNguard M YPV SCI ...

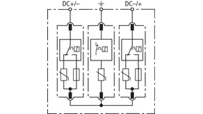
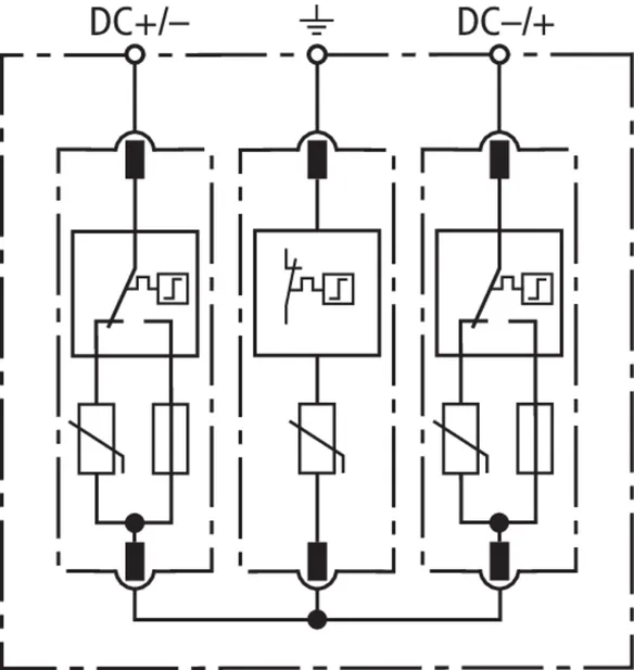
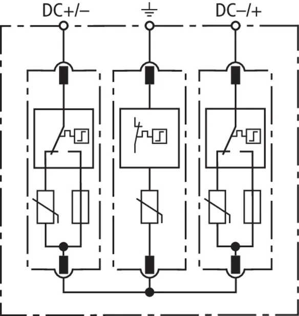
Mehrpoliger, modularer Überspannungs-Ableiter mit dreistufiger Gleichspannungs-Schaltvorrichtung für PV-Anlagen.

3 Products

Part No. 952513 DG M YPV SCI 150

GTIN 4013364136663, Customs tariff No. (EU): 85363030, Gross weight: 289.70 g, PU: 1.00 Stk.


Images

Additional information

Überspannungs-Ableiter DEHNguard M YPV SCI 150
Mehrpoliger modularer, steckbarer Photovoltaik-Ableiter bis 150 V DC
mit 3-stufiger DC-Schalteinrichtung, Breite 3TE
Defektanzeige
Typ 2 nach EN 50539-11
Einsetzbar gemäß IEC 60364-7-712
Sichere elektrische Trennung im Schutzmodul
Maximale PV-Spannung: <= 150 V dc
Gesamtableitstoßstrom: 40 kA
Schutzpegel: <= 0,8 kV
Kurzschlussfestigkeit Iscpv: 10 kA

Fabrikat: DEHN
Typ: DG M YPV SCI 150
Art.-Nr.: 952513
oder gleichwertig.

Certificates

 

SCI-Technology

The patented SCI technology with active arc extinction allows to actively, quickly and safely extinguish a possible switching arc in case of overload. The PV fuse integrated in the short-circuit path trips immediately after the arc has been extinguished, thus ensuring safe electrical isolation (interruption). Consequently, all PV arresters from DEHN combine surge protection, fire protection and personal protection in a single device

Technical data

SPD nach EN 61643-31 / ... IEC 61643-31 Typ 2
Max. PV-Spannung (UCPV ) 150 V
Kurzschlussfestigkeit (ISCPV ) 10 kA
Nennableitstoßstrom (8/20 µs) [(DC+/DC-) --> PE] (In ) 10 kA
Max. Ableitstoßstrom (8/20 µs) [(DC+/DC-) --> PE] (Imax ) 20 kA
Schutzpegel (UP ) ≤ 0,8 kV
Zulassungen KEMA, UL, CSA

Product 952513 was added to Notepad.

Product 952513 was added to the cart.

Part No. 952510 DG M YPV SCI 1000

GTIN 4013364126428, Customs tariff No. (EU): 85363030, Gross weight: 361.40 g, PU: 1.00 Stk.

Predecessor

Images

Additional information

Überspannungs-Ableiter DEHNguard M YPV SCI 1000
Mehrpoliger, modularer, steckbarer Photovoltaik-Ableiter bis 1000 V DC
mit 3-stufiger DC-Schalteinrichtung, Breite 3TE
Defektanzeige
Typ 2 nach EN 61643-31
Einsetzbar gemäß IEC 60364-7-712
Sichere elektrische Trennung im Schutzmodul
Maximale PV-Spannung: <= 1000 V dc
Gesamtableitstoßstrom: 40 kA
Schutzpegel: <= 4 kV
Kurzschlussfestigkeit Iscpv: 10 kA

Fabrikat: DEHN
Typ: DG M YPV SCI 1000
Art.-Nr.: 952510
oder gleichwertig.

Certificates

 

SCI-Technology

The patented SCI technology with active arc extinction allows to actively, quickly and safely extinguish a possible switching arc in case of overload. The PV fuse integrated in the short-circuit path trips immediately after the arc has been extinguished, thus ensuring safe electrical isolation (interruption). Consequently, all PV arresters from DEHN combine surge protection, fire protection and personal protection in a single device

Technical data

SPD nach EN 61643-31 / ... IEC 61643-31 Typ 2 / Class II
Max. PV-Spannung (UCPV ) 1000 V
Kurzschlussfestigkeit (ISCPV ) 10 kA
Nennableitstoßstrom (8/20 µs) [(DC+/DC-) --> PE] (In ) 12,5 kA
Max. Ableitstoßstrom (8/20 µs) [(DC+/DC-) --> PE] (Imax ) 25 kA
Schutzpegel (UP ) ≤ 4 kV
Zulassungen KEMA, UL, CSA

Product 952510 was added to Notepad.

Product 952510 was added to the cart.

Part No. 952512 DG M YPV SCI 1200

GTIN 4013364127951, Customs tariff No. (EU): 85354000, Gross weight: 356.50 g, PU: 1.00 Stk.

Predecessor

Images

Additional information

Überspannungs-Ableiter DEHNguard M YPV SCI 1200
Mehrpoliger, modularer, steckbarer Photovoltaik-Ableiter bis 1200 V DC
mit 3-stufiger DC-Schalteinrichtung, Breite 3TE
Defektanzeige
Typ 2 nach EN 61643-31
Einsetzbar gemäß IEC 60364-7-712
Sichere elektrische Trennung im Schutzmodul
Maximale PV-Spannung: <= 1200 V dc
Gesamtableitstoßstrom: 30 kA
Schutzpegel: <= 4,5 kV
Kurzschlussfestigkeit Iscpv: 10 kA

Fabrikat: DEHN
Typ: DG M YPV SCI 1200
Art.-Nr.: 952512
oder gleichwertig.

Certificates

 

SCI-Technology

The patented SCI technology with active arc extinction allows to actively, quickly and safely extinguish a possible switching arc in case of overload. The PV fuse integrated in the short-circuit path trips immediately after the arc has been extinguished, thus ensuring safe electrical isolation (interruption). Consequently, all PV arresters from DEHN combine surge protection, fire protection and personal protection in a single device

Technical data

SPD nach EN 61643-31 / ... IEC 61643-31 Typ 2 / Class II
Max. PV-Spannung (UCPV ) 1200 V
Kurzschlussfestigkeit (ISCPV ) 10 kA
Nennableitstoßstrom (8/20 µs) [(DC+/DC-) --> PE] (In ) 12,5 kA
Max. Ableitstoßstrom (8/20 µs) [(DC+/DC-) --> PE] (Imax ) 25 kA
Schutzpegel (UP ) ≤ 4,5 kV
Zulassungen KEMA, CSA

Product 952512 was added to Notepad.

Product 952512 was added to the cart.


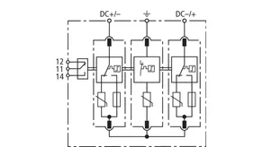
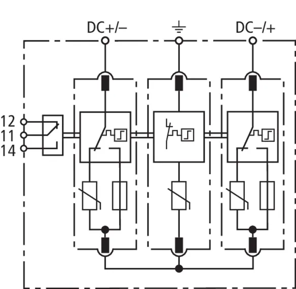
DEHNguard M YPV SCI ... FM

Mehrpoliger, modularer Überspannungs-Ableiter mit dreistufiger Gleichspannungs-Schaltvorrichtung für PV-Anlagen; mit Fernmeldekontakt für Überwachungseinrichtung (potentialfreier Wechsler).

3 Products

Part No. 952518 DG M YPV SCI 150 FM

GTIN 4013364136670, Customs tariff No. (EU): 85363030, Gross weight: 297.00 g, PU: 1.00 Stk.


Images

Additional information

Überspannungs-Ableiter DEHNguard M YPV SCI 150 FM
Mehrpoliger, modularer, steckbarer Photovoltaik-Ableiter bis 150 V DC
mit 3-stufiger DC-Schalteinrichtung, Breite 3TE
Defektanzeige, mit Fernmeldekontakt
Typ 2 nach EN 50539-11
Einsetzbar gemäß IEC 60364-7-712
Sichere elektrische Trennung im Schutzmodul
Maximale PV-Spannung: <= 150 V dc
Gesamtableitstoßstrom: 40 kA
Schutzpegel: <= 0,8 kV
Kurzschlussfestigkeit Iscpv: 10 kA

Fabrikat: DEHN
Typ: DG M YPV SCI 150 FM
Art.-Nr.: 952518
oder gleichwertig.

Certificates

 

SCI-Technology

The patented SCI technology with active arc extinction allows to actively, quickly and safely extinguish a possible switching arc in case of overload. The PV fuse integrated in the short-circuit path trips immediately after the arc has been extinguished, thus ensuring safe electrical isolation (interruption). Consequently, all PV arresters from DEHN combine surge protection, fire protection and personal protection in a single device

Technical data

SPD nach EN 50539-11 Typ 2
Max. PV-Spannung (UCPV ) 150 V
Kurzschlussfestigkeit (ISCPV ) 10 kA
Nennableitstoßstrom (8/20 µs) [(DC+/DC-) --> PE] (In ) 10 kA
Max. Ableitstoßstrom (8/20 µs) [(DC+/DC-) --> PE] (Imax ) 20 kA
Schutzpegel (UP ) ≤ 0,8 kV
Zulassungen KEMA, UL, CSA
FM-Kontakte / Kontaktform Wechsler

Product 952518 was added to Notepad.

Product 952518 was added to the cart.

Part No. 952515 DG M YPV SCI 1000 FM

GTIN 4013364126435, Customs tariff No. (EU): 85363030, Gross weight: 343.90 g, PU: 1.00 Stk.

Predecessor

Images

Additional information

Überspannungs-Ableiter DEHNguard M YPV SCI 1000 FM
Mehrpoliger, modularer, steckbarer Photovoltaik-Ableiter bis 1000 V DC
mit 3-stufiger DC-Schalteinrichtung, Breite 3TE
Defektanzeige, mit Fernmeldekontakt
Typ 2 nach EN 61643-31
Einsetzbar gemäß IEC 60364-7-712
Sichere elektrische Trennung im Schutzmodul
Maximale PV-Spannung: <= 1000 V dc
Gesamtableitstoßstrom: 40 kA
Schutzpegel: <= 4 kV
Kurzschlussfestigeit Iscpv: 10 kA

Fabrikat: DEHN
Typ: DG M YPV SCI 1000 FM
Art.-Nr.: 952515
oder gleichwertig.

Certificates

 

SCI-Technology

The patented SCI technology with active arc extinction allows to actively, quickly and safely extinguish a possible switching arc in case of overload. The PV fuse integrated in the short-circuit path trips immediately after the arc has been extinguished, thus ensuring safe electrical isolation (interruption). Consequently, all PV arresters from DEHN combine surge protection, fire protection and personal protection in a single device

Technical data

SPD nach EN 61643-31 / ... IEC 61643-31 Typ 2 / Class II
Max. PV-Spannung (UCPV ) 1000 V
Kurzschlussfestigkeit (ISCPV ) 10 kA
Nennableitstoßstrom (8/20 µs) [(DC+/DC-) --> PE] (In ) 12,5 kA
Max. Ableitstoßstrom (8/20 µs) [(DC+/DC-) --> PE] (Imax ) 25 kA
Schutzpegel (UP ) ≤ 4 kV
Zulassungen KEMA, UL, CSA
FM-Kontakte / Kontaktform Wechsler

Product 952515 was added to Notepad.

Product 952515 was added to the cart.

Part No. 952517 DG M YPV SCI 1200 FM

GTIN 4013364127968, Customs tariff No. (EU): 85354000, Gross weight: 359.30 g, PU: 1.00 Stk.

Predecessor

Images

Additional information

Überspannungs-Ableiter DEHNguard M YPV SCI 1200 FM
Mehrpoliger, modularer, steckbarer Photovoltaik-Ableiter bis 1200 V DC
mit 3-stufiger DC-Schalteinrichtung, Breite 3TE
Defektanzeige, mit Fernmeldekontakt
Typ 2 nach EN 61643-31
Einsetzbar gemäß IEC 60364-7-712
Sichere elektrische Trennung im Schutzmodul
Maximale PV-Spannung: <= 1200 V dc
Gesamtableitstoßstrom: 30 kA
Schutzpegel: <= 4 ,5 kV
Kurzschlussfestigkeit Iscpv: 10 kA

Fabrikat: DEHN
Typ: DG M YPV SCI 1200 FM
Art.-Nr.: 952517
oder gleichwertig.

Certificates

 

SCI-Technology

The patented SCI technology with active arc extinction allows to actively, quickly and safely extinguish a possible switching arc in case of overload. The PV fuse integrated in the short-circuit path trips immediately after the arc has been extinguished, thus ensuring safe electrical isolation (interruption). Consequently, all PV arresters from DEHN combine surge protection, fire protection and personal protection in a single device

Technical data

SPD nach EN 61643-31 / ... IEC 61643-31 Typ 2 / Class II
Max. PV-Spannung (UCPV ) 1200 V
Kurzschlussfestigkeit (ISCPV ) 10 kA
Nennableitstoßstrom (8/20 µs) [(DC+/DC-) --> PE] (In ) 12,5 kA
Max. Ableitstoßstrom (8/20 µs) [(DC+/DC-) --> PE] (Imax ) 25 kA
Schutzpegel (UP ) ≤ 4,5 kV
Zulassungen KEMA, CSA
FM-Kontakte / Kontaktform Wechsler

Product 952517 was added to Notepad.

Product 952517 was added to the cart.


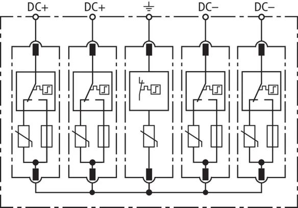
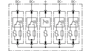
DEHNguard M PV2 SCI ... (FM)

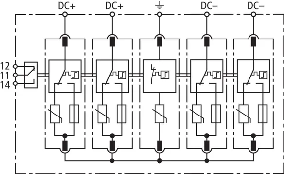
Mehrpoliger, modularer Überspannungs-Ableiter mit dreistufiger Gleichspannungs-Schaltvorrichtung zum Schutz von 2 MPP-Eingängen; für PV-Anlagen bis 1000 V; in der Ausführung FM mit potentialfreiem Fernmeldekontakt.

2 Products

Part No. 952514 DG M PV2 SCI 1000

GTIN 4013364224964, Customs tariff No. (EU): 85363030, Gross weight: 588.00 g, PU: 1.00 Stk.


Images

Additional information

Überspannungs-Ableiter DEHNguard M PV2 SCI 1000
Mehrpoliger, modularer, steckbarer Photovoltaik-Ableiter bis 1000 V DC
mit 3-stufiger DC-Schalteinrichtung, Breite 5TE
Defektanzeige
Typ 2 nach EN 61643-31
Einsetzbar gemäß IEC 60364-7-712
zum Schutz von 2 MPP-Eingängen
Sichere elektrische Trennung im Schutzmodul
Maximale PV-Spannung: <= 1000 V dc
Gesamtableitstoßstrom: 40 kA
Schutzpegel: <= 4 kV
Kurzschlussfestigkeit Iscpv: 10 kA

Fabrikat: DEHN
Typ: DG M PV2 SCI 1000
Art.-Nr.: 952514
oder gleichwertig.

Certificates

 

SCI-Technology

The patented SCI technology with active arc extinction allows to actively, quickly and safely extinguish a possible switching arc in case of overload. The PV fuse integrated in the short-circuit path trips immediately after the arc has been extinguished, thus ensuring safe electrical isolation (interruption). Consequently, all PV arresters from DEHN combine surge protection, fire protection and personal protection in a single device

Technical data

SPD nach EN 61643-31 / ... IEC 61643-31 Typ 2 / Class II
Max. PV-Spannung (UCPV ) 1000 V
Kurzschlussfestigkeit (ISCPV ) 10 kA
Nennableitstoßstrom (8/20 µs) [(DC+/DC-) --> PE] (In ) 12,5 kA
Max. Ableitstoßstrom (8/20 µs) [(DC+/DC-) --> PE] (Imax ) 25 kA
Schutzpegel (UP ) ≤ 4 kV
Zulassungen UL, KEMA

Product 952514 was added to Notepad.

Product 952514 was added to the cart.

Part No. 952519 DG M PV2 SCI 1000 FM

GTIN 4013364224971, Customs tariff No. (EU): 85363030, Gross weight: 599.00 g, PU: 1.00 Stk.


Images

Additional information

Überspannungs-Ableiter DEHNguard M PV2 SCI 1000 FM
Mehrpoliger, modularer, steckbarer Photovoltaik-Ableiter bis 1000 V DC
mit 3-stufiger DC-Schalteinrichtung, Breite 5TE
Defektanzeige, mit Fernmeldekontakt
Typ 2 nach EN 61643-31
Einsetzbar gemäß IEC 60364-7-712
zum Schutz von 2 MPP-Eingängen
Sichere elektrische Trennung im Schutzmodul
Maximale PV-Spannung: <= 1000 V dc
Gesamtableitstoßstrom: 40 kA
Schutzpegel: <= 4 kV
Kurzschlussfestigkeit Iscpv: 10 kA

Fabrikat: DEHN
Typ: DG M PV2 SCI 1000 FM
Art.-Nr.: 952519
oder gleichwertig.

Certificates

 

SCI-Technology

The patented SCI technology with active arc extinction allows to actively, quickly and safely extinguish a possible switching arc in case of overload. The PV fuse integrated in the short-circuit path trips immediately after the arc has been extinguished, thus ensuring safe electrical isolation (interruption). Consequently, all PV arresters from DEHN combine surge protection, fire protection and personal protection in a single device

Technical data

SPD nach EN 61643-31 / ... IEC 61643-31 Typ 2 / Class II
Max. PV-Spannung (UCPV ) 1000 V
Kurzschlussfestigkeit (ISCPV ) 10 kA
Nennableitstoßstrom (8/20 µs) [(DC+/DC-) --> PE] (In ) 12,5 kA
Max. Ableitstoßstrom (8/20 µs) [(DC+/DC-) --> PE] (Imax ) 25 kA
Schutzpegel (UP ) ≤ 4 kV
Zulassungen UL, KEMA
FM-Kontakte / Kontaktform Wechsler

Product 952519 was added to Notepad.

Product 952519 was added to the cart.


DEHNguard M SN1868

Mehrpoliger, modularer Überspannungs-Ableiter mit dreistufiger Gleichspannungs-Schaltvorrichtung zum Schutz von 3 MPP-Eingängen; für PV-Anlagen mit Fernmeldekontakt für Überwachungseinrichtung (potentialfreier Wechsler).

1 Product

Part No. 999799 DG M PV2 SCI SN1868 FM

GTIN 4013364328723, Customs tariff No. (EU): 85363030, Gross weight: 598.30 g, PU: 1.00 Stk.


Images

Additional information

Überspannungs-Ableiter DEHNguard M PV2 SCI SN1868 FM
Mehrpoliger, modularer, steckbarer Photovoltaik-Ableiter bis 1000 V DC
mit 3-stufiger DC-Schalteinrichtung
Mit Fernmeldekontakt, Breite 5TE
Typ 2 nach EN 61643-31
Einsetzbar gemäß IEC 60364-7-712
zum Schutz von 3 MPP-Eingängen
Sichere elektrische Trennung im Schutzmodul
Maximale PV-Spannung: <= 1000 V dc
Gesamtableitstoßstrom: 40 kA
Schutzpegel: <= 4 kV
Kurzschlussfestigkeit Iscpv: 10 kA
Defektanzeige

Fabrikat: DEHN
Typ: DG M PV2 SCI SN1868 FM
Art.-Nr.: 999799
oder gleichwertig.

Certificates

 

SCI-Technology

The patented SCI technology with active arc extinction allows to actively, quickly and safely extinguish a possible switching arc in case of overload. The PV fuse integrated in the short-circuit path trips immediately after the arc has been extinguished, thus ensuring safe electrical isolation (interruption). Consequently, all PV arresters from DEHN combine surge protection, fire protection and personal protection in a single device

Technical data

SPD nach EN 61643-31 / ... IEC 61643-31 Typ 2 / Class II
Max. PV-Spannung (UCPV ) 1000 V
Kurzschlussfestigkeit (ISCPV ) 10 kA
Nennableitstoßstrom (8/20 µs) [(DC+/DC-) --> PE] (In ) 12,5 kA
Max. Ableitstoßstrom (8/20 µs) [(DC+/DC-) --> PE] (Imax ) 25 kA
Schutzpegel (UP ) ≤ 4 kV
Zulassungen UL, KEMA
FM-Kontakte / Kontaktform Wechsler

Product 999799 was added to Notepad.

Product 999799 was added to the cart.


back to top