BLITZDUCTOR VT

  • Wirtschaftlicher Schutz von mehradrigen Signalwegen
  • Schnittstellenspezifische Varianten, z. B. RS485 oder Telekommunikationsanwendungen
  • Varianten für DC-Spannungsversorgungen und kathodischen Korrosionsschutz

Details

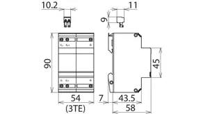
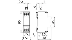
BVT Gehäusevariante mit einer Breite von 3 TE und Schraubklemmen:
BVT RS485 zum Schutz von RS485 / RS422-Schnittstellen
lorem ipsum
BVT Gehäusevariante mit einer Breite von 1,5 TE und RJ-Anschluss:
BVT TC1 zum Schutz von Telekommunikations-Schnittstellen.
lorem ipsum
BVT Gerätevarianten zum Schutz aktiver Korrosionsschutz-Anlagen.
lorem ipsum
BVT Gehäusevariante mit einer Breite von 1,5 TE und Schraubklemmen:
BVT AVD/ALD: 2 geschützte Adern für DC-Spannungsversorgung
lorem ipsum

BVT RS485

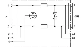
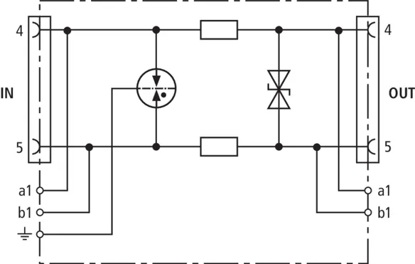
Ableiter für viele Anwendungen, z. B. für vieradrige symmetrische Schnittstellen RS485/422 oder auch Temperaturfühler. Wahlweise direkte oder indirekte Schirmerdung und Anschluss eines Signal Ground (SG).

1 Product

Part No. 918401 BVT RS485 5

GTIN 4013364074224, Customs tariff No. (EU): 85363010, Gross weight: 199.00 g, PU: 1.00 Stk.


Images

Additional information

Überspannungs-Ableiter BLITZDUCTOR VT BVT RS485 5
Überspannungs-Ableiter
der Ableiterklasse Type 2 / P1
BLITZDUCTOR VT, geprüft nach
EN 61643-21 und energetisch
koordiniert nach IEC 61643-22
zum Schutz von Busschnittstellen
wie RS 485, 422, V.11,
direkte/indirekte Schirmerdung,
Anschluss über Schraubklemmen,
6-polig, Baubreite 3 TE
Nennspannung DC: 5 V
Höchste Dauerspannung DC: 6 V
Nennstrom: 0,5 A
C2 Nennableitstoßstrom (8/20 µs) gesamt: 10 kA

Fabrikat: DEHN
Typ: BVT RS485 5
Art.-Nr.: 918401
oder gleichwertig.

Certificates

 

Technical data

Ableiterklasse Q
Höchste Dauerspannung DC (UC ) 6 V
Nennstrom (IL ) 0,5 A
D1 Blitzstoßstrom (10/350 µs) pro Ader (Iimp ) 0,8 kA
C2 Nennableitstoßstrom (8/20 µs) gesamt (In ) 10 kA
Serienimpedanz pro Ader 1,8 Ohm
Grenzfrequenz Ad-Ad (fG ) 1,7 MHz
Zulassungen CSA

Product 918401 was added to Notepad.

Product 918401 was added to the cart.


BVT AVD

Überspannungs-Ableiter mit verbesserten Schutzpegeln zum EMV-Schutz von elektronischen Komponenten mit Gleichspannungsversorgung. Optimal abgestimmt auf Siemens SPS. Durch den Einsatz einer unipolaren Diode ist auf die Polarität der Betriebsspannung zu achten.

1 Product

Part No. 918422 BVT AVD 24

GTIN 4013364149267, Customs tariff No. (EU): 85363010, Gross weight: 109.10 g, PU: 1.00 Stk.

Predecessor

Images

Additional information

Überspannungs-Ableiter EMV-Schutz für SPS BVT AVD 24
Überspannungs-Ableiter
der Ableiterklasse Type 3 / P1
BLITZDUCTOR VT, geprüft nach
EN 61643-21 und energetisch
koordinierbar nach IEC 61643-21
zum Schutz von speicherprogrammierbaren
Steuerungen / SPS-Systemen,
Anschluss über Schraubklemmen,
2-polig, Baubreite 1,5 TE
Nennspannung DC: 24 V
Höchste Dauerspannung DC: 35 V
Nennstrom bei 80 °C: 10 A
C2 Nennableitstoßstrom (8/20 µs) gesamt: 2 kA

Fabrikat: DEHN
Typ: BVT AVD 24
Art.-Nr.: 918422
oder gleichwertig.

Certificates

 

Technical data

Ableiterklasse W
Höchste Dauerspannung DC (UC ) 35 V
Nennstrom bei 80 °C (IL ) 10 A
C2 Nennableitstoßstrom (8/20 µs) gesamt (In ) 2 kA

Product 918422 was added to Notepad.

Product 918422 was added to the cart.


BVT ALD

Energetisch koordinierter Kombi-Ableiter zum Schutz von erdfreien DC-Versorgungen für Hutschienenmontage.

2 Products

Part No. 918408 BVT ALD 36

GTIN 4013364125292, Customs tariff No. (EU): 85363010, Gross weight: 122.00 g, PU: 1.00 Stk.


Images

Additional information

Koordinierter Kombi-Ableiter erdfreien DC-Versorgung BVT ALD 36
Kombi-Ableiter
der Ableiterklasse Type 1 / P1
BLITZDUCTOR VT,
geprüft nach EN 61643-21 und
energetisch koordiniert nach
IEC 61643-22 zum Schutz von
erdfreien DC-Versorgungen für
Hutschienenmontage,
Anschluss über Schraubklemmen,
2-polig, Baubreite 1,5 TE
Nennspannung DC: 36 V
Höchste Dauerspannung DC: 45 V
Nennstrom bei 80 °C: 4 A
Nennstrom bei 45 °C: 7 A
C2 Nennableitstoßstrom (8/20 µs) gesamt: 20 kA

Fabrikat: DEHN
Typ: BVT ALD 36
Art.-Nr.: 918408
oder gleichwertig.

Certificates

 

Technical data

Ableiterklasse M
Höchste Dauerspannung DC (UC ) 45 V
Nennstrom bei 80 °C (IL ) 4 A
Nennstrom bei 45 °C (IL ) 7 A
D1 Blitzstoßstrom (10/350 µs) pro Ader (Iimp ) 2,5 kA
D1 Blitzstoßstrom (10/350 µs) gesamt (Iimp ) 5 kA
C2 Nennableitstoßstrom (8/20 µs) gesamt (In ) 20 kA
Serienimpedanz pro Ader 22 µH
Zulassungen UL

Product 918408 was added to Notepad.

Product 918408 was added to the cart.

Part No. 918409 BVT ALD 60

GTIN 4013364146709, Customs tariff No. (EU): 85363010, Gross weight: 122.00 g, PU: 1.00 Stk.


Images

Additional information

Koordinierter Kombi-Ableiter erdfreien DC-Versorgung BVT ALD 60
Kombi-Ableiter
der Ableiterklasse Type 1 / P1
BLITZDUCTOR VT,
geprüft nach EN 61643-21 und
energetisch koordiniert nach
IEC 61643-22 zum Schutz von
erdfreien DC-Versorgungen für
Hutschienenmontage,
Anschluss über Schraubklemmen,
2-polig, Baubreite 1,5 TE
Nennspannung DC: 60 V
Höchste Dauerspannung DC: 65 V
Nennstrom bei 80 °C: 4 A
Nennstrom bei 45 °C: 7 A
C2 Nennableitstoßstrom (8/20 µs) gesamt: 20 kA

Fabrikat: DEHN
Typ: BVT ALD 60
Art.-Nr.: 918409
oder gleichwertig.

Certificates

 

Technical data

Ableiterklasse M
Höchste Dauerspannung DC (UC ) 65 V
Nennstrom bei 80 °C (IL ) 4 A
Nennstrom bei 45 °C (IL ) 7 A
Vorsicherung bei UN ≥ 45 V und IL ≥ 1 A
D1 Blitzstoßstrom (10/350 µs) pro Ader (Iimp ) 2,5 kA
D1 Blitzstoßstrom (10/350 µs) gesamt (Iimp ) 5 kA
C2 Nennableitstoßstrom (8/20 µs) gesamt (In ) 20 kA
Serienimpedanz pro Ader 22 µH
Zulassungen UL

Product 918409 was added to Notepad.

Product 918409 was added to the cart.


BVT TC

Energetisch koordinierter leckstromfreier Überspannungs-Ableiter für a/b-Ader, ISDN Uk0 oder ADSL mit RJ45-Anschlüssen und zusätzlichen Schraubklemmenanschlüssen. Das Pinning der RJ45-Buchsen ist RJ11/12-kompatibel. Die parallelen Schraubklemmen sind robuster als die RJ45-Buchsen und erhöhen den Nennableitstoßstrom gesamt auf 10 kA.

1 Product

Part No. 918411 BVT TC 1

GTIN 4013364093133, Customs tariff No. (EU): 85363010, Gross weight: 110.90 g, PU: 1.00 Stk.


Images

Additional information

Koordinierter leckstromfreier Überspannungs-Ableiter BVT TC 1
Überspannungs-Ableiter
der Ableiterklasse Type 2 / P2
BLITZDUCTOR VT, geprüft nach
EN 61643-21 und energetisch
koordiniert nach IEC 61643-22
zum Schutz von analogen Modems
in Schaltschränken, auch für ADSL,
ISDN Uko, 2-polig, Baubreite 1,5 TE,
Anschluss über RJ45(12)-Buchsen
oder Schraubklemmen.
Höchste Dauerspannung DC: 170 V
Nennstrom: 0,2 A
C2 Nennableitstoßstrom (8/20 µs) gesamt: 5 kA

Fabrikat: DEHN
Typ: BVT TC 1
Art.-Nr.: 918411
oder gleichwertig.

Certificates

 

Technical data

Ableiterklasse R
Höchste Dauerspannung DC (UC ) 170 V
Nennstrom (IL ) 0,2 A
D1 Blitzstoßstrom (10/350 µs) pro Ader (Iimp ) 1 kA
C2 Nennableitstoßstrom (8/20 µs) gesamt (In ) 5 kA
Serienimpedanz pro Ader 4,7 Ohm
Grenzfrequenz Ad-Ad (fG ) 17 MHz

Product 918411 was added to Notepad.

Product 918411 was added to the cart.


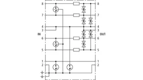
BVT KKS ALD

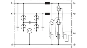
Energetisch koordinierter Kombi-Ableiter zum Schutz des Gleichrichters im Schutzstromkreis (Farbe rot). Steckbarer Fernmeldekontakt (Öffner) für Überlast-Anzeige (Thermoüberwachung der Varistoren). Einbau im Stahlblechgehäuse empfohlen. Durch kapazitive Steuerung wird eine niedrige Impuls-Ansprechspannung erreicht.

1 Product

Part No. 918420 BVT KKS ALD 75

GTIN 4013364094895, Customs tariff No. (EU): 85363010, Gross weight: 229.00 g, PU: 1.00 Stk.

Predecessor

Images

Additional information

Koordinierter Kombi-Ableiter für Schutzstromkreise BVT KKS ALD 75
Kombi-Ableiter
der Ableiterklasse Type 1 / P1
BLITZDUCTOR VT KKS,
geprüft nach EN 61643-21 und
energetisch koordiniert nach
IEC 61643-22 zum Schutz des
Fremdanoden-Stromkreises
Kathodischer Korrosionsschutz-
Anlagen, mit Fernmeldekontakt,
Anschluss über Schraubklemmen,
2-polig, Baubreite 3 TE
Höchste Dauerspannung DC: 75 V
Nennstrom: 12 A
C2 Nennableitstoßstrom (8/20 µs) gesamt: 40 kA

Fabrikat: DEHN
Typ: BVT KKS ALD 75
Art.-Nr.: 918420
oder gleichwertig.

Certificates

 

Technical data

Ableiterklasse M
Höchste Dauerspannung DC (UC ) 75 V
Nennstrom (IL ) 12 A
D1 Blitzstoßstrom (10/350 µs) pro Ader (Iimp ) 3,5 kA
D1 Blitzstoßstrom (10/350 µs) gesamt (Iimp ) 7 kA
C2 Nennableitstoßstrom (8/20 µs) gesamt (In ) 40 kA
Serienimpedanz pro Ader 5 µH
Grenzfrequenz Ad-Ad (fG ) 1 MHz
FM-Kontakte / Kontaktform Öffner

Product 918420 was added to Notepad.

Product 918420 was added to the cart.


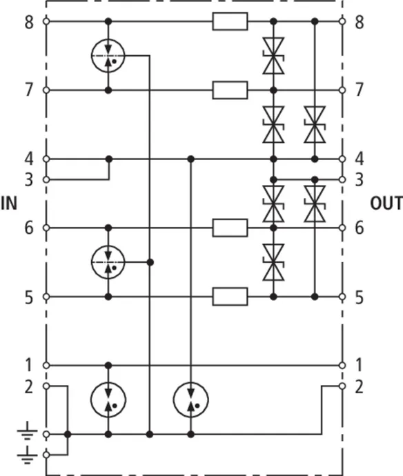
BVT KKS APD

Energetisch koordinierter Kombi-Ableiter zum Schutz des Spannungsmesskreises (Farbe gelb). Steckbarer Fernmeldekontakt (Öffner) für Überlast-Anzeige (Thermoüberwachung der Ableiterpfade). Einbau im Stahlblechgehäuse empfohlen. Durch kapazitive Steuerung wird eine niedrige Impuls-Ansprechspannung erreicht.

1 Product

Part No. 918421 BVT KKS APD 36

GTIN 4013364094901, Customs tariff No. (EU): 85363010, Gross weight: 130.30 g, PU: 1.00 Stk.

Predecessor

Images

Additional information

Koordinierter Kombi-Ableiter für Spannungsmesskreise BVT KKS APD 36
Kombi-Ableiter
der Ableiterklasse Type 1 / P1
BLITZDUCTOR VT KKS,
geprüft nach EN 61643-21 und
energetisch koordiniert nach
IEC 61643-22 zum Schutz des
Sensormesskreises kathodischer
Korrosionsschutz-Anlagen,
mit Fernmeldekontakt,
Anschluss über Schraubklemmen,
2-polig, Baubreite 1,5 TE
Höchste Dauerspannung DC: 36,8 V
Nennstrom: 0,05 A
C2 Nennableitstoßstrom (8/20 µs) gesamt: 40 kA

Fabrikat: DEHN
Typ: BVT KKS APD 36
Art.-Nr.: 918421
oder gleichwertig.

Certificates

 

Technical data

Ableiterklasse M
Höchste Dauerspannung DC (UC ) 36,8 V
Nennstrom (IL ) 0,05 A
D1 Blitzstoßstrom (10/350 µs) pro Ader (Iimp ) 3,5 kA
D1 Blitzstoßstrom (10/350 µs) gesamt (Iimp ) 7 kA
C2 Nennableitstoßstrom (8/20 µs) gesamt (In ) 40 kA
Serienimpedanz pro Ader 55 Ohm
FM-Kontakte / Kontaktform Öffner

Product 918421 was added to Notepad.

Product 918421 was added to the cart.


back to top