DEHNguard YPV SCI ... – kompakt

  • Verdrahtungsfertige Kompletteinheit für Photovoltaik-Anlagen
  • Kombinierte Abtrenn- und Kurzschließvorrichtung mit sicherer elektrischer Trennung (patentiertes SCI-Prinzip)
  • Bewährte fehlerresistente Y-Schaltung des DEHNguard YPV SCI … vermeidet Schädigung des Überspannungsschutzes bei Isolationsfehlern im Generatorkreis
  • Geprüft nach EN 61643-31
  • Einsetzbar in PV-Systemen gemäß IEC 60364-7-712

Details

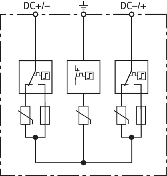
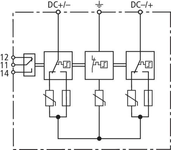
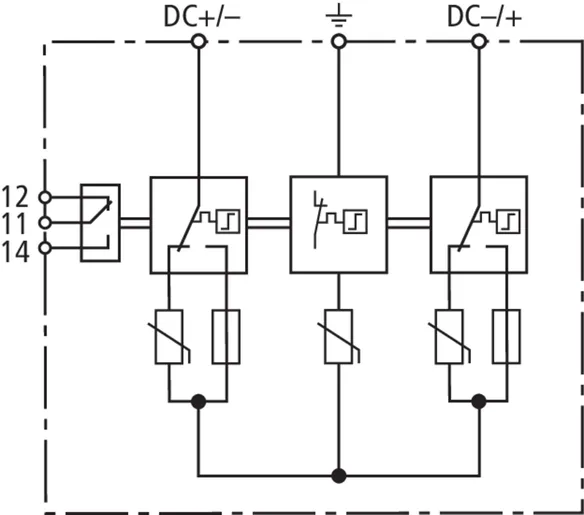
Dreistufige DC-Schalteinrichtung (patentiertes SCI-Prinzip)
lorem ipsum

DEHNguard kompakt YPV SCI ...

Mehrpoliger Überspannungs-Ableiter mit dreistufiger Gleichspannungs-Schaltvorrichtung für PV-Anlagen.

2 Products

Part No. 950531 DG YPV SCI 600

GTIN 4013364152953, Customs tariff No. (EU): 85363030, Gross weight: 296.00 g, PU: 1.00 Stk.

Predecessor

Images

Additional information

Überspannungs-Ableiter DEHNguard kompakt YPV SCI 600
Mehrpoliger Photovoltaik-Ableiter bis 600 V DC
mit 3-stufiger DC-Schalteinrichtung, Breite 3TE
Defektanzeige
Typ 2 nach EN 61643-31
Einsetzbar gemäß IEC 60364-7-712
Sichere elektrische Trennung
Maximale PV-Spannung: <= 600 V dc
Gesamtableitstoßstrom: 40 kA
Schutzpegel: <= 2,5 kV
Kurzschlussfestigkeit Iscpv: 1000 A

Fabrikat: DEHN
Typ: DG YPV SCI 600
Art.-Nr.: 950531
oder gleichwertig.

Certificates

 

SCI-Technology

The patented SCI technology with active arc extinction allows to actively, quickly and safely extinguish a possible switching arc in case of overload. The PV fuse integrated in the short-circuit path trips immediately after the arc has been extinguished, thus ensuring safe electrical isolation (interruption). Consequently, all PV arresters from DEHN combine surge protection, fire protection and personal protection in a single device

Technical data

SPD nach EN 61643-31 / ... IEC 61643-31 Typ 2 / Class II
Max. PV-Spannung (UCPV ) 600 V
Kurzschlussfestigkeit (ISCPV ) 1000 A
Nennableitstoßstrom (8/20 µs) [(DC+/DC-) --> PE] (In ) 12,5 kA
Max. Ableitstoßstrom (8/20 µs) [(DC+/DC-) --> PE] (Imax ) 25 kA
Schutzpegel (UP ) ≤ 2,5 kV
Zulassungen KEMA, UL

Product 950531 was added to Notepad.

Product 950531 was added to the cart.

Part No. 950530 DG YPV SCI 1000

GTIN 4013364152960, Customs tariff No. (EU): 85363030, Gross weight: 321.00 g, PU: 1.00 Stk.


Images

Additional information

Überspannungs-Ableiter DEHNguard kompakt YPV SCI 1000
Mehrpoliger Photovoltaik-Ableiter bis 1000 V DC
mit 3-stufiger DC-Schalteinrichtung, Breite 3TE
Defektanzeige
Typ 2 nach EN 61643-31
Einsetzbar gemäß IEC 60364-7-71
Sichere elektrische Trennung
Maximale PV-Spannung: <= 1000 V dc
Gesamtableitstoßstrom: 40 kA
Schutzpegel: <= 4 kV
Kurzschlussfestigkeit Iscpv: 1000 A

Fabrikat: DEHN
Typ: DG YPV SCI 1000
Art.-Nr.: 950530
oder gleichwertig.

Certificates

 

SCI-Technology

The patented SCI technology with active arc extinction allows to actively, quickly and safely extinguish a possible switching arc in case of overload. The PV fuse integrated in the short-circuit path trips immediately after the arc has been extinguished, thus ensuring safe electrical isolation (interruption). Consequently, all PV arresters from DEHN combine surge protection, fire protection and personal protection in a single device

Technical data

SPD nach EN 61643-31 / ... IEC 61643-31 Typ 2 / Class II
Max. PV-Spannung (UCPV ) 1000 V
Kurzschlussfestigkeit (ISCPV ) 1000 A
Nennableitstoßstrom (8/20 µs) [(DC+/DC-) --> PE] (In ) 12,5 kA
Max. Ableitstoßstrom (8/20 µs) [(DC+/DC-) --> PE] (Imax ) 25 kA
Schutzpegel (UP ) ≤ 4 kV
Zulassungen KEMA, UL

Product 950530 was added to Notepad.

Product 950530 was added to the cart.


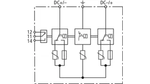
DEHNguard kompakt YPV SCI ... FM

Mehrpoliger Überspannungs-Ableiter mit dreistufiger Gleichspannungs-Schaltvorrichtung für PV-Anlagen, mit Fernmeldekontakt für Überwachungseinrichtung (potentialfreier Wechsler).

2 Products

Part No. 950536 DG YPV SCI 600 FM

GTIN 4013364154995, Customs tariff No. (EU): 85363030, Gross weight: 306.00 g, PU: 1.00 Stk.

Predecessor

Images

Additional information

Überspannungs-Ableiter DEHNguard kompakt YPV SCI 600 FM
Mehrpoliger Photovoltaik-Ableiter bis 600 V DC
mit 3-stufiger DC-Schalteinrichtung, Breite 3TE
Defektanzeige, mit Fernmeldekontakt
Typ 2 nach EN 61643-31
Einsetzbar gemäß IEC 60364-7-712
Sichere elektrische Trennung
Maximale PV-Spannung: <= 600 V dc
Gesamtableitstoßstrom: 40 kA
Schutzpegel: <= 2,5 kV
Kurzschlussfestigkeit Iscpv: 1000 A

Fabrikat: DEHN
Typ: DG YPV SCI 600 FM
Art.-Nr.: 950536
oder gleichwertig.

Certificates

 

SCI-Technology

The patented SCI technology with active arc extinction allows to actively, quickly and safely extinguish a possible switching arc in case of overload. The PV fuse integrated in the short-circuit path trips immediately after the arc has been extinguished, thus ensuring safe electrical isolation (interruption). Consequently, all PV arresters from DEHN combine surge protection, fire protection and personal protection in a single device

Technical data

SPD nach EN 61643-31 / ... IEC 61643-31 Typ 2 / Class II
Max. PV-Spannung (UCPV ) 600 V
Kurzschlussfestigkeit (ISCPV ) 1000 A
Nennableitstoßstrom (8/20 µs) [(DC+/DC-) --> PE] (In ) 12,5 kA
Max. Ableitstoßstrom (8/20 µs) [(DC+/DC-) --> PE] (Imax ) 25 kA
Schutzpegel (UP ) ≤ 2,5 kV
Zulassungen KEMA, UL
FM-Kontakte / Kontaktform Wechsler

Product 950536 was added to Notepad.

Product 950536 was added to the cart.

Part No. 950535 DG YPV SCI 1000 FM

GTIN 4013364154988, Customs tariff No. (EU): 85363030, Gross weight: 331.00 g, PU: 1.00 Stk.


Images

Additional information

Überspannungs-Ableiter DEHNguard kompakt YPV SCI 1000 FM
Mehrpoliger Photovoltaik-Ableiter bis 1000 V DC
mit 3-stufiger DC-Schalteinrichtung, Breite 3TE
Defektanzeige, mit Fernmeldekontakt
Typ 2 nach EN 61643-31
Einsetzbar gemäß IEC 60364-7-712
Sichere elektrische Trennung
Maximale PV-Spannung:<= 1000 V dc
Gesamtableitstoßstrom: 40 kA
Schutzpegel: <= 4 kV
Kurzschlussfestigkeit Iscpv: 1000 A

Fabrikat: DEHN
Typ: DG YPV SCI 1000 FM
Art.-Nr.: 950535
oder gleichwertig.

Certificates

 

SCI-Technology

The patented SCI technology with active arc extinction allows to actively, quickly and safely extinguish a possible switching arc in case of overload. The PV fuse integrated in the short-circuit path trips immediately after the arc has been extinguished, thus ensuring safe electrical isolation (interruption). Consequently, all PV arresters from DEHN combine surge protection, fire protection and personal protection in a single device

Technical data

SPD nach EN 61643-31 / ... IEC 61643-31 Typ 2 / Class II
Max. PV-Spannung (UCPV ) 1000 V
Kurzschlussfestigkeit (ISCPV ) 1000 A
Nennableitstoßstrom (8/20 µs) [(DC+/DC-) --> PE] (In ) 12,5 kA
Max. Ableitstoßstrom (8/20 µs) [(DC+/DC-) --> PE] (Imax ) 25 kA
Schutzpegel (UP ) ≤ 4 kV
Zulassungen KEMA, UL
FM-Kontakte / Kontaktform Wechsler

Product 950535 was added to Notepad.

Product 950535 was added to the cart.


back to top