DEHNcombo

  • Anschlussfertiger Kombi-Ableiter Typ 1 + Typ 2 für Photovoltaik-Generatorstromkreise
  • Bewährte fehlerresistente Y-Schaltung vermeidet Schädigung des Überspannungsschutzes bei Isolationsfehlern im Generatorkreis
  • Bemessungsspannung für alle Schutzpfade gleich, somit auch in geerdeten Systemen einsetzbar
  • Gehäusedesign platzoptimiert ausgelegt für bis zu 1500 V DC im nur 4 TE breiten Gehäuse
  • Geprüft nach IEC 61643-31 / EN 61643-31 / EN 50539-11
  • Einsetzbar in PV-Systemen gemäß IEC 60364-7-712 / DIN VDE 0100-712
  • Funktions- / Defektanzeige durch grün-rote Markierung im Sichtfenster

DEHNcombo YPV ...

Kombi-Ableiter für Photovoltaik-Stromversorgungssysteme bis 1500 V DC.

2 Products

Part No. 900070 DCB YPV 1200

GTIN 6942299504521, Customs tariff No. (EU): 85354000, Gross weight: 639.16 g, PU: 1.00 Stk.

Predecessor

Images

Additional information

Kombi-Ableiter DEHNcombo YPV 1200
Mehrpoliger Kombi-Ableiter Typ 1 + Typ 2
für Photovoltaik-Generatorstromkreise bis 1200 V DC
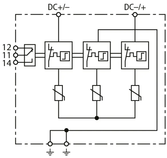
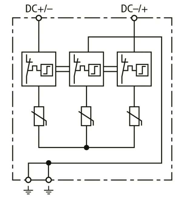
mit 3-stufiger DC-Schalteinrichtung, Breite 4TE
Ableiter Typ 1 + Typ 2 nach EN 50539-11
Einsetzbar gemäß IEC 60364-7-712
Kombinierte Abtrenn- und Kurzschließvorrichtung
Defektanzeige
Maximale PV-Spannung: <= 1200 V dc
Gesamtableitstoßstrom: 12,5 kA
Schutzpegel: <= 3,8 kV
Kurzschlussfestigkeit Iscpv: 10 kA

Fabrikat: DEHN
Typ: DCB YPV 1200
Art.-Nr.: 900070
oder gleichwertig.

Certificates

 

Technical data

SPD nach EN 61643-31 / ... IEC 61643-31 Typ 1 + Typ 2 / Class I + Class II
Max. PV-Spannung [DC+ -> DC-] (UCPV ) ≤ 1200 V
Kurzschlussfestigkeit (ISCPV ) 10 kA
Gesamtableitstoßstrom (10/350 µs) [DC+/DC- -> PE] (Itotal ) 12,5 kA
Blitzstoßstrom (10/350 µs) [DC+ -> PE/DC- -> PE] (Iimp ) 6,25 kA
Schutzpegel [(DC+/DC-) -> PE] (UP ) < 3,8 kV
Zulassungen KEMA, UL

Product 900070 was added to Notepad.

Product 900070 was added to the cart.

Part No. 900071 DCB YPV 1500

GTIN 6942299504545, Customs tariff No. (EU): 85354000, Gross weight: 636.22 g, PU: 1.00 Stk.

Predecessor

Images

Additional information

Kombi-Ableiter DEHNcombo YPV 1500
Mehrpoliger Kombi-Ableiter Typ 1 + Typ 2
für Photovoltaik-Generatorstromkreise bis 1500 V DC
mit 3-stufiger DC-Schalteinrichtung, Breite 4TE
Ableiter Typ 1 + Typ 2 nach EN 50539-11
Einsetzbar gemäß IEC 60364-7-712
Kombinierte Abtrenn- und Kurzschließvorrichtung
Defektanzeige
Maximale PV-Spannung: <= 1500 V dc
Gesamtableitstoßstrom: 12,5 kA
Schutzpegel: <= 4,5 kV
Kurzschlussfestigkeit Iscpv: 10 kA

Fabrikat: DEHN
Typ: DCB YPV 1500
Art.-Nr.: 900071
oder gleichwertig.

Certificates

 

Technical data

SPD nach EN 61643-31 / ... IEC 61643-31 Typ 1 + Typ 2 / Class I + Class II
Max. PV-Spannung [DC+ -> DC-] (UCPV ) ≤ 1500 V
Kurzschlussfestigkeit (ISCPV ) 10 kA
Gesamtableitstoßstrom (10/350 µs) [DC+/DC- -> PE] (Itotal ) 12,5 kA
Blitzstoßstrom (10/350 µs) [DC+ -> PE/DC- -> PE] (Iimp ) 6,25 kA
Schutzpegel [(DC+/DC-) -> PE] (UP ) < 4,5 kV
Zulassungen KEMA, UL

Product 900071 was added to Notepad.

Product 900071 was added to the cart.


DEHNcombo YPV ... FM

Kombi-Ableiter für Photovoltaik-Stromversorgungssysteme bis 1500 V DC; mit potentialfreiem Fernmeldekontakt.

2 Products

Part No. 900075 DCB YPV 1200 FM

GTIN 6942299504538, Customs tariff No. (EU): 85354000, Gross weight: 587.94 g, PU: 1.00 Stk.

Predecessor

Images

Additional information

Kombi-Ableiter DEHNcombo YPV 1200 FM
Mehrpoliger Kombi-Ableiter Typ 1 + Typ 2
für Photovoltaik-Generatorstromkreise bis 1200 V DC
mit 3-stufiger DC-Schalteinrichtung, Breite 4TE
Ableiter Typ 1 + Typ 2 nach EN 50539-11
Einsetzbar gemäß IEC 60364-7-712
Kombinierte Abtrenn- und Kurzschließvorrichtung
mit Fernmeldekontakt
Defektanzeige
Maximale PV-Spannung: <= 1200 V dc
Gesamtableitstoßstrom: 12,5 kA
Schutzpegel: <= 3,8 kV
Kurzschlussfestigkeit Iscpv: 10 kA

Fabrikat: DEHN
Typ: DCB YPV 1200 FM
Art.-Nr.: 900075
oder gleichwertig.

Certificates

 

Technical data

SPD nach EN 61643-31 / ... IEC 61643-31 Typ 1 + Typ 2 / Class I + Class II
Max. PV-Spannung [DC+ -> DC-] (UCPV ) ≤ 1200 V
Kurzschlussfestigkeit (ISCPV ) 10 kA
Gesamtableitstoßstrom (10/350 µs) [DC+/DC- -> PE] (Itotal ) 12,5 kA
Blitzstoßstrom (10/350 µs) [DC+ -> PE/DC- -> PE] (Iimp ) 6,25 kA
Schutzpegel [(DC+/DC-) -> PE] (UP ) < 3,8 kV
Zulassungen KEMA, UL
FM-Kontakte / Kontaktform Wechsler

Product 900075 was added to Notepad.

Product 900075 was added to the cart.

Part No. 900076 DCB YPV 1500 FM

GTIN 6942299504552, Customs tariff No. (EU): 85354000, Gross weight: 638.51 g, PU: 1.00 Stk.

Predecessor

Images

Additional information

Kombi-Ableiter DEHNcombo YPV 1500 FM
Mehrpoliger Kombi-Ableiter Typ 1 + Typ 2
für Photovoltaik-Generatorstromkreise bis 1500 V DC
mit 3-stufiger DC-Schalteinrichtung, Breite 4TE
Ableiter Typ 1 + Typ 2 nach EN 50539-11
Einsetzbar gemäß IEC 60364-7-712
Kombinierte Abtrenn- und Kurzschließvorrichtung
mit Fernmeldekontakt
Defektanzeige
Maximale PV-Spannung: <= 1500 V dc
Gesamtableitstoßstrom: 12,5 kA
Schutzpegel: <= 4,5 kV
Kurzschlussfestigkeit Iscpv: 10 kA

Fabrikat: DEHN
Typ: DCB YPV 1500 FM
Art.-Nr.: 900076
oder gleichwertig.

Certificates

 

Technical data

SPD nach EN 61643-31 / ... IEC 61643-31 Typ 1 + Typ 2 / Class I + Class II
Max. PV-Spannung [DC+ -> DC-] (UCPV ) ≤ 1500 V
Kurzschlussfestigkeit (ISCPV ) 10 kA
Gesamtableitstoßstrom (10/350 µs) [DC+/DC- -> PE] (Itotal ) 12,5 kA
Blitzstoßstrom (10/350 µs) [DC+ -> PE/DC- -> PE] (Iimp ) 6,25 kA
Schutzpegel [(DC+/DC-) -> PE] (UP ) < 4,5 kV
Zulassungen KEMA, UL
FM-Kontakte / Kontaktform Wechsler

Product 900076 was added to Notepad.

Product 900076 was added to the cart.


back to top