Abgrenzeinheit DASD 45

  • DASD: DEHN Advanced Solid-State Decoupler
  • Schutz bei transienten, temporären und stationären Überspannungen
  • Hohes Ableitvermögen
  • Fail-Safe Ausfallverhalten
  • Integrierte Testbuchse
  • Im Außenbereich einsetzbar

DASD 45 LP 100 T

1 Product

Part No. 923402 DASD 45 LP 100 T

GTIN 4013364442269, Customs tariff No. (EU): 85363030, Gross weight: 3.69 kg, PU: 1.00 Stk.


Images

Additional information

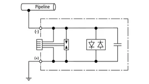
Kapazitive Abgrenzeinheit DASD
Kapazitive Abgrenzeinheit
zum Schutz bei transienten, temporären und stationären Überspannungen
Ableitstrom transient: (10/350 us): 75 kA
Ableitstrom temporär (16,7 Hz, 50 Hz, 60 Hz): 3,7 kAeff (bis 200 ms)
Ableitstrom stationär (16,7 Hz, 50 Hz, 60 Hz): 45 A (dauerhaft)
Mit integrierter Testbuchse
Im Außenbereich einsetzbar

Fabrikat: DEHN
Typ: DASD 45 LP 100 T
Art.-Nr.: 923402
oder gleichwertig.

Certificates

 

Technical data

Ableitstrom transient (10/350 µs) 75 kA
Ableitstrom transient (8/20 µs) 100 kA
Ableitstrom temporär (16,7 Hz, 50 Hz, 60 Hz) 5,0 kArms (bis 40 ms)
Ableitstrom temporär (16,7 Hz, 50 Hz, 60 Hz) 3,7 kArms (bis 200 ms)
Ableitstrom temporär (16,7 Hz, 50 Hz, 60 Hz) 2,0 kArms (bis 600 ms)
Ableitstrom stationär (16,7 Hz, 50 Hz, 60 Hz) 45 Arms
Begrenzungsspannung transient (bis 1 ms) ≤ 1,35 kV
Begrenzungsspannung stationär (> 600 ms) ≤ 3 V
IECEx-Zulassungen IECEx TUR 22.0029X
Ex-Kennzeichnung nach EN 60079-0 und EN 60079-7 Ex ec IIC T4 Gc

Product 923402 was added to Notepad.

Product 923402 was added to the cart.


back to top