Verdrahtungszubehör STAK

Ermöglicht eine EMV-optimale Durchgangsverdrahtung nach DIN VDE 0100-534

Details

Umsetzung einer EMV-optimalen Durchgangsverdrahtung nach DIN VDE 0100-534 von Blitzstrom- und Überspannungs-Ableitern mittels STAK 2X16.
lorem ipsum

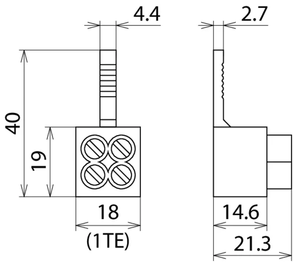
Push-in Federklemme STAK 4X10

1 Product

Part No. 952588 STAK 4X10

GTIN 4013364526624, Customs tariff No. (EU): 85369010, Gross weight: 35.67 g, PU: 2.00 Stk.


Images

Additional information

Push-In Klemme STAK 4X10
Anschlussquerschnitt: 4 x 10 mm²

Fabrikat: DEHN
Typ: STAK 4X10
Art.-Nr.: 952588
oder gleichwertig.

Certificates

 

Technical data

Höchste Dauerspannung AC (UC ) 275 V
Max. PV-Spannung (UCPV ) 1500 V
Blitzstoßstrom (10/350 µs) (Iimp ) 6,25 kA
Nennableitstoßstrom (8/20 µs) (In ) 20 kA
Max. Ableitstoßstrom (8/20 µs) (Imax ) 40 kA
Anschlussquerschnitt (min.) 1,5 mm2 eindrähtig / 6 mm2 feindrähtig
Anschlussquerschnitt (max.) 10 mm2 ein- / feindrähtig
Anschlussquerschnitt (min.) mit Aderendhülse 1,5 mm²
Anschlussquerschnitt (max.) mit Aderendhülse 6 mm²
Anschlussquerschnitt (max.) mit Aderendhülse ohne Kragen 10 mm²

Product 952588 was added to Notepad.

Product 952588 was added to the cart.


Stiftanschlussklemme STAK 25

Stiftanschlussklemme zur Umsetzung einer EMV-optimalen Durchgangsverdrahtung nach DIN VDE 0100-534 von Blitzstrom- und Überspannungs-Ableitern.

1 Product

Part No. 952589 STAK 25

GTIN 4013364132306, Customs tariff No. (EU): 85369010, Gross weight: 17.40 g, PU: 4.00 Stk.


Images

Additional information

Stiftanschlussklemme STAK 25
Stiftanschlussklemme zur V-Verdrahtung
an Überspannungsschutzgeräten bis 25mm²

Fabrikat: DEHN
Typ: STAK 25
Art.-Nr.: 952589
oder gleichwertig.

Certificates

 

Technical data

Nennspannung AC / DC (UN ) 600 V
Max. PV-Spannung (UCPV) in der Anwendung mit DEHNguard M YPV ... 1200 V
Nennlaststrom AC (IL ) 100 A
Blitzstoßstrom (10/350 µs) (Iimp ) 25 kA
Ableitstoßstrom (8/20 µs) 50 kA
Anschlussquerschnitt (min.) 1,5 mm2 ein- / feindrähtig
Anschlussquerschnitt (max.) 25 mm2 mehr- / 16 mm2 feindrähtig
Anschlussart vorne

Product 952589 was added to Notepad.

Product 952589 was added to the cart.


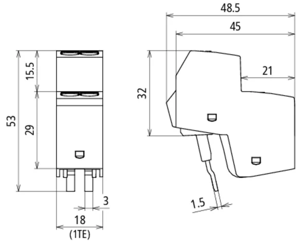
Stiftanschlussklemme STAK 3X16

Stiftanschlussklemme zur Umsetzung einer EMV-optimalen Durchgangsverdrahtung nach DIN VDE 0100-534 von Blitzstrom- und Überspannungs-Ableitern.

1 Product

Part No. 900588 STAK 3X16

GTIN 4013364323933, Customs tariff No. (EU): 85369010, Gross weight: 40.00 g, PU: 4.00 Stk.


Images

Additional information

Stiftanschlussklemme STAK 3X16
Klemmen-Ausführung zur V-Verdrahtung
Anschlussquerschnitt: 3 x 16 mm2

Fabrikat: DEHN
Typ: STAK 3X16
Art.-Nr.: 900588
oder gleichwertig.

Certificates

 

Technical data

Nennspannung AC / DC (UN ) 690 V / 1500 V
Nennlaststrom AC (IL ) 160 A
Laststrom bei V-Verdrahtung 80 A
Blitzstoßstrom (10/350 µs) (Iimp ) 25 kA
Anschlussquerschnitt (min.) 1,5 mm2 ein- / feindrähtig
Anschlussquerschnitt (max.) 16 mm2 mehr- / 10 mm2 feindrähtig
Anschlussart vorne

Product 900588 was added to Notepad.

Product 900588 was added to the cart.


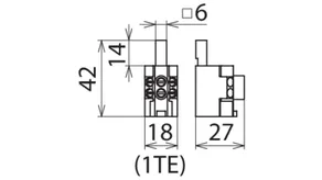
Stiftanschlussklemme STAK 2X16

Stiftanschlussklemme zur Umsetzung einer EMV-optimalen Durchgangsverdrahtung nach DIN VDE 0100-534 von Blitzstrom- und Überspannungs-Ableitern.

1 Product

Part No. 900589 STAK 2X16

GTIN 4013364109339, Customs tariff No. (EU): 85369010, Gross weight: 20.00 g, PU: 1.00 Stk.


Images

Additional information

Stiftanschlussklemme STAK 2X16
Doppelklemmen-Ausführung zur
EMV-optimalen Durchgangsverdrahtung
Anschlussquerschnitt: 2 x 10 mm2 oder 2 x 16 mm2

Fabrikat: DEHN
Typ: STAK 2X16
Art.-Nr.: 900589
oder gleichwertig.

 

Technical data

Blitzstoßstrom (10/350 µs) (Iimp ) 25 kA
Anschlussquerschnitt (min.) 2x 10 mm2
Anschlussquerschnitt (max.) 2x 16 mm2
Anschlussart vorne (Doppelklemme)

Product 900589 was added to Notepad.

Product 900589 was added to the cart.


back to top