DEHNbloc Maxi 1 CI 440 / 760 FM

  • Blitzstrom-Ableiter auf Funkenstreckenbasis mit integrierter, blitzstromtragfähiger Ableitervorsicherung in kompakter Gehäusebauform
  • Sehr hohes Blitzstrom-Ableitvermögen von 35 kA (10/350 µs)
  • Tiefer Schutzpegel (inkl. Vorsicherung)
  • Hohe Folgestromlöschfähigkeit und Folgestrombegrenzung durch RADAX-Flow-Technologie
  • Energetisch koordiniert innerhalb der Red/Line-Produktfamilie
  • Funktions- / Defektanzeige durch grün-rote Markierung im Sichtfenster

Details

Flexible Montage mittels Montagebügel
lorem ipsum

DEHNbloc Maxi 1 CI 440 FM

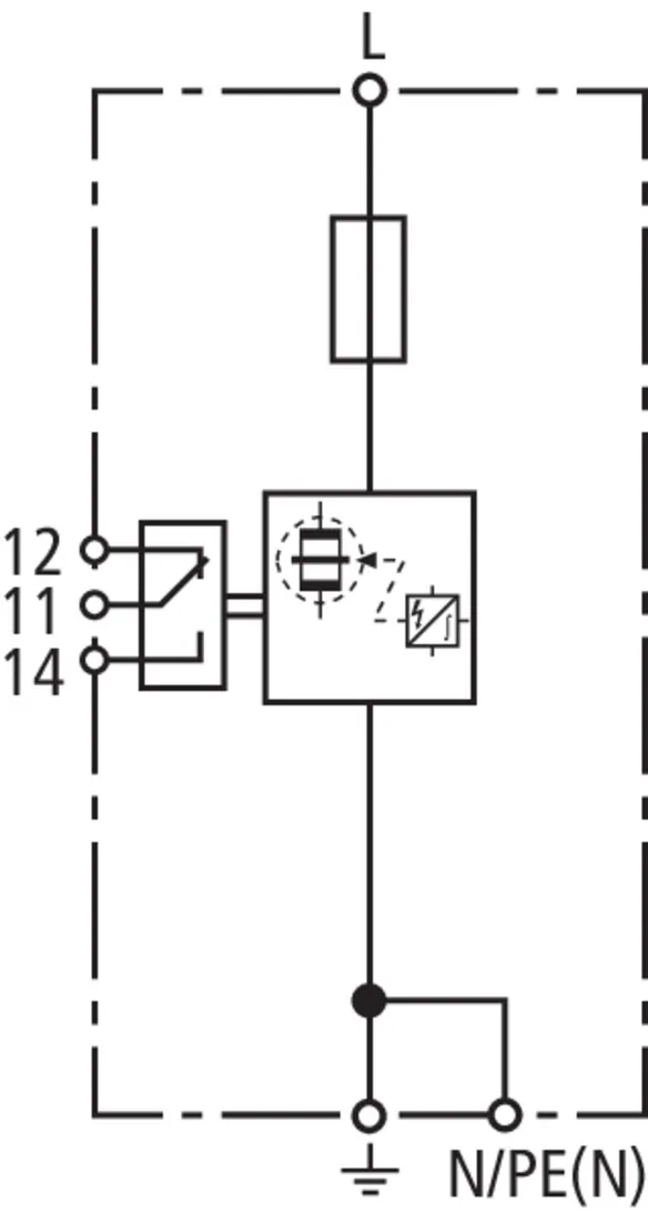
Einpoliger, koordinierter Blitzstrom-Ableiter mit integrierter Ableitervorsicherung für 400 / 690 V TN-Systeme und 400 V IT-Systeme; mit Fernmeldekontakt für Überwachungseinrichtung (potentialfreier Wechsler).

1 Product

Part No. 961146 DBM 1 CI 440 FM

GTIN 4013364250062, Customs tariff No. (EU): 85363090, Gross weight: 1175.20 g, PU: 1.00 Stk.


Images

Additional information

Koordinierter Blitzstrom-Ableiter DEHNbloc Maxi 1 CI 440 FM
1-poliger koordinierter Blitzstrom-Ableiter, Breite 3TE
mit integrierter Ableitervorsicherung
mit Fernmeldekontakt
Ableiter Typ 1 nach EN 61643-11
RADAX-Flow-Funkenstreckentechnologie
zur Folgestrombegrenzung
Defektanzeige
Höchste Dauerspannung: 440 V AC
Schutzpegel: <= 2,5 kV
Blitzstoßstrom (10/350): 35 kA
Folgestromlöschfähigkeit: bis 50 kAeff:
Energetische Koordination nach DIN EN 62305-4
Ableiter der Red/Line-Familie

Fabrikat: DEHN
Typ: DBM 1 CI 440 FM
Art.-Nr.: 961146
oder gleichwertig.

Certificates

 

Circuit Interruption

The backup fuse is already integrated here. This means: reduced space requirement, lower installation costs, faster wiring, and shorter connecting cables. This concept can be found in the product ranges DEHNvenCI, DEHNbloc Maxi S, DEHNguard ... CI and V(A) NH...

Wave breaker function

In the case of spark-gap-based type 1 arresters, the entire current flows through the type 1 arrester during the discharge process. Like a wave breaker, the incoming energy is greatly broken down, which significantly relieves the downstream SPDs. All type 1 arresters in the Red/Line product range feature the WBF wave breaker function.

Technical data

SPD nach EN 61643-11 / ... IEC 61643-11 Typ 1 / Class I
Höchste Dauerspannung AC (UC ) 440 V (50 / 60 Hz)
Blitzstoßstrom (10/350 µs) (Iimp ) 35 kA
Schutzpegel (UP ) ≤ 2,5 kV
Max. netzseitiger Überstromschutz nicht notwendig
FM-Kontakte / Kontaktform Wechsler

Product 961146 was added to Notepad.

Product 961146 was added to the cart.


DEHNbloc Maxi 1 CI 760 FM

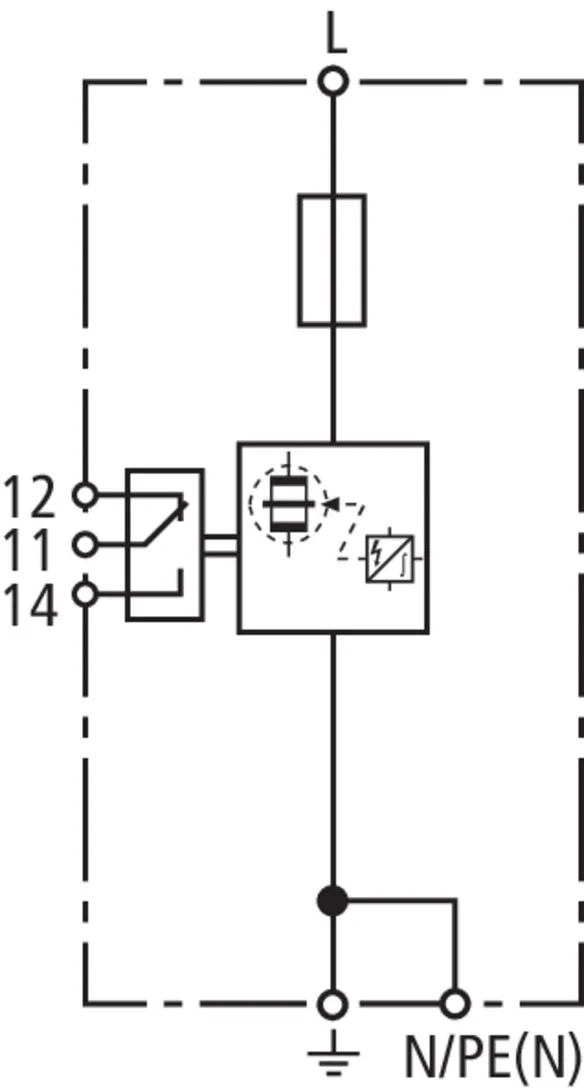
Einpoliger, koordinierter Blitzstrom-Ableiter mit integrierter Ableitervorsicherung für 690 V TN- / IT-Systeme; mit Fernmeldekontakt für Überwachungseinrichtung (potentialfreier Wechsler).

1 Product

Part No. 961176 DBM 1 CI 760 FM

GTIN 4013364250123, Customs tariff No. (EU): 85363090, Gross weight: 1170.00 g, PU: 1.00 Stk.


Images

Additional information

Koordinierter Blitzstrom-Ableiter DEHNbloc Maxi 1 CI 760 FM
1-poliger koordinierter Blitzstrom-Ableiter, Breite 3TE
mit integrierter Ableitervorsicherung
mit Fernmeldekontakt
Ableiter Typ 1 nach EN 61643-11
RADAX-Flow-Funkenstreckentechnologie
zur Folgestrombegrenzung
Defektanzeige
Höchste Dauerspannung: 760 V AC
Schutzpegel: <= 4 kV
Blitzstoßstrom (10/350): 35 kA
Folgestromlöschfähigkeit: bis 25 kAeff
Energetische Koordination nach DIN EN 62305-4
Ableiter der Red/Line-Familie

Fabrikat: DEHN
Typ: DBM 1 CI 760 FM
Art.-Nr.: 961176
oder gleichwertig.

Certificates

 

Circuit Interruption

The backup fuse is already integrated here. This means: reduced space requirement, lower installation costs, faster wiring, and shorter connecting cables. This concept can be found in the product ranges DEHNvenCI, DEHNbloc Maxi S, DEHNguard ... CI and V(A) NH...

Wave breaker function

In the case of spark-gap-based type 1 arresters, the entire current flows through the type 1 arrester during the discharge process. Like a wave breaker, the incoming energy is greatly broken down, which significantly relieves the downstream SPDs. All type 1 arresters in the Red/Line product range feature the WBF wave breaker function.

Technical data

SPD nach EN 61643-11 / ... IEC 61643-11 Typ 1 / Class I
Höchste Dauerspannung AC (UC ) 760 V (50 / 60 Hz)
Blitzstoßstrom (10/350 µs) (Iimp ) 35 kA
Schutzpegel (UP ) ≤ 4 kV
Max. netzseitiger Überstromschutz nicht notwendig
FM-Kontakte / Kontaktform Wechsler

Product 961176 was added to Notepad.

Product 961176 was added to the cart.


back to top