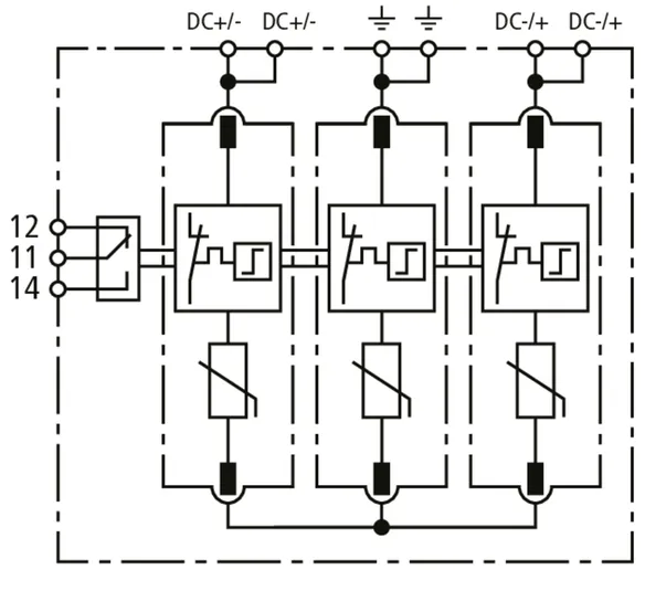
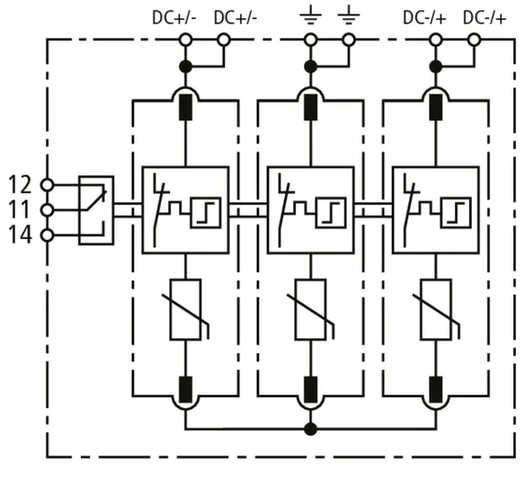
DEHNguard modular YPV ... FM

  • Verdrahtungsfertige Kompletteinheit für Photovoltaik-Anlagen, bestehend aus Basisteil und gesteckten Schutzmodulen
  • Fehlerresistente Y-Schaltung mit drei Hochleistungs-Varistoren vermeidet Schädigung des Überspannungsschutzes bei Isolationsfehler im Generatorstromkreis
  • Geprüft nach EN 61643-31
  • Hohe Überwachungs-Sicherheit durch Abtrennvorrichtung “Thermo-Dynamik-Control”
  • Defektanzeige durch rote Markierung im Sichtfenster
  • Einsetzbar gemäß IEC 60364-7-712 “Errichten von Photovoltaik-Versorgungssystemen”

DEHNguard MP YPV ... FM

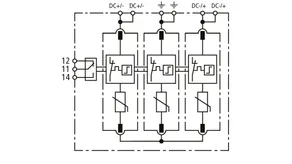
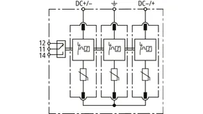
Mehrpoliger, modularer Überspannungs-Ableiter für PV-Anlagen mit Fernmeldekontakt für Überwachungseinrichtung (potentialfreier Wechsler).

2 Products

Part No. 942565 DG MP YPV 1200 FM

GTIN 4013364495685, Customs tariff No. (EU): 85354000, Gross weight: 355.99 g, PU: 1.00 Stk.


Images

Additional information

Überspannungs-Ableiter DEHNguard MP YPV 1200 FM
Mehrpoliger, modularer, steckbarer Photovoltaik-Ableiter
mit Doppel-Push-In-Anschlussklemme für
Stich- und Durchgangsverdrahtung geeignet
bis 1170 V DC, Breite 3TE
Defektanzeige
Mit Fernmeldekontakt
Typ 2 nach EN 61643-31
Einsetzbar gemäß IEC 60364-7-712
Maximale PV-Spannung: <= 1170 V dc
Gesamtableitstoßstrom: 40 kA
Schutzpegel: <= 4 kV
Kurzschlussfestigkeit Iscpv: 10 kA

Fabrikat: DEHN
Typ: DG MP YPV 1200 FM
Art.-Nr.: 942565
oder gleichwertig.

Certificates

 

Technical data

SPD nach EN 61643-31 / ... IEC 61643-31 Typ 2 / Class II
Max. PV-Spannung (UCPV ) 1170 V
Kurzschlussfestigkeit (ISCPV ) 10 kA
Nennableitstoßstrom (8/20 µs) [(DC+/DC-) --> PE] (In ) 20 kA
Max. Ableitstoßstrom (8/20 µs) [(DC+/DC-) --> PE] (Imax ) 40 kA
Schutzpegel (UP ) ≤ 4 kV
FM-Kontakte / Kontaktform Wechsler

Product 942565 was added to Notepad.

Product 942565 was added to the cart.

Part No. 942567 DG MP YPV 1500 FM

GTIN 4013364495678, Customs tariff No. (EU): 85354000, Gross weight: 387.05 g, PU: 1.00 Stk.


Images

Additional information

Überspannungs-Ableiter DEHNguard MP YPV 1500 FM
Mehrpoliger, modularer, steckbarer Photovoltaik-Ableiter
mit Doppel-Push-In-Anschlussklemme für
Stich- und Durchgangsverdrahtung geeignet
bis 1500 V DC, Breite 3TE
Defektanzeige
Mit Fernmeldekontakt
Typ 2 nach EN 61643-31
Einsetzbar gemäß IEC 60364-7-712
Maximale PV-Spannung: <= 1500 V dc
Gesamtableitstoßstrom: 40 kA
Schutzpegel: <= 5 kV
Kurzschlussfestigkeit Iscpv: 10 kA

Fabrikat: DEHN
Typ: DG MP YPV 1500 FM
Art.-Nr.: 942567
oder gleichwertig.

Certificates

 

Technical data

SPD nach EN 61643-31 / ... IEC 61643-31 Typ 2 / Class II
Max. PV-Spannung (UCPV ) 1500 V
Kurzschlussfestigkeit (ISCPV ) 10 kA
Nennableitstoßstrom (8/20 µs) [(DC+/DC-) --> PE] (In ) 15 kA
Max. Ableitstoßstrom (8/20 µs) [(DC+/DC-) --> PE] (Imax ) 40 kA
Schutzpegel (UP ) ≤ 5 kV
FM-Kontakte / Kontaktform Wechsler

Product 942567 was added to Notepad.

Product 942567 was added to the cart.


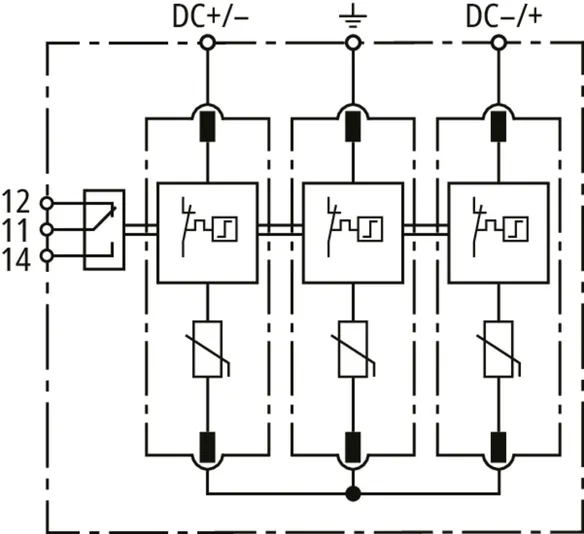
DEHNguard M YPV ... FM

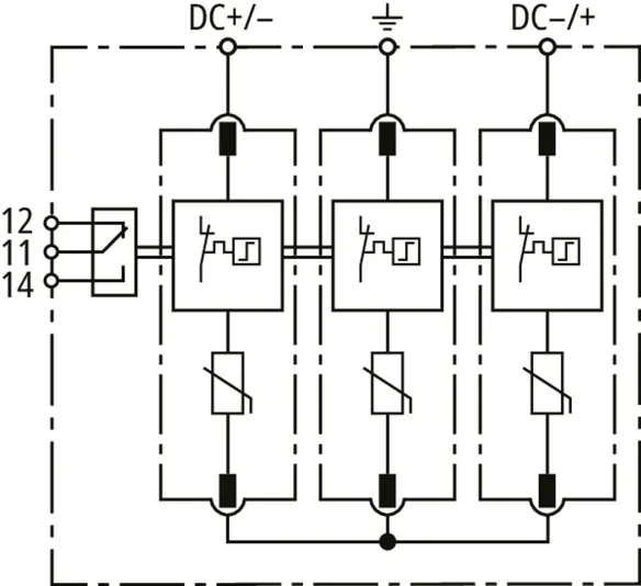
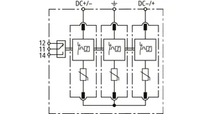
Mehrpoliger, modularer Überspannungs-Ableiter für PV-Anlagen mit Fernmeldekontakt für Überwachungseinrichtung (potentialfreier Wechsler).

2 Products

Part No. 952565 DG M YPV 1200 FM

GTIN 4013364327719, Customs tariff No. (EU): 85354000, Gross weight: 382.00 g, PU: 1.00 Stk.


Images

Additional information

Überspannungs-Ableiter DEHNguard M YPV 1200 FM
Mehrpoliger, modularer, steckbarer Photovoltaik-Ableiter
bis 1170 V DC, Breite 3TE
Defektanzeige
Typ 2 nach EN 61643-31
Einsetzbar gemäß IEC 60364-7-712
Maximale PV-Spannung: <= 1170 V dc
Gesamtableitstoßstrom: 40 kA
Schutzpegel: <= 4 kV
Kurzschlussfestigkeit Iscpv: 10 kA

Fabrikat: DEHN
Typ: DG M YPV 1200 FM
Art.-Nr.: 952565
oder gleichwertig.

Certificates

 

Technical data

SPD nach EN 61643-31 / ... IEC 61643-31 Typ 2 / Class II
Max. PV-Spannung (UCPV ) 1170 V
Kurzschlussfestigkeit (ISCPV ) 10 kA
Nennableitstoßstrom (8/20 µs) [(DC+/DC-) --> PE] (In ) 20 kA
Max. Ableitstoßstrom (8/20 µs) [(DC+/DC-) --> PE] (Imax ) 40 kA
Schutzpegel (UP ) ≤ 4 kV
Zulassungen UL, KEMA
FM-Kontakte / Kontaktform Wechsler

Product 952565 was added to Notepad.

Product 952565 was added to the cart.

Part No. 952567 DG M YPV 1500 FM

GTIN 4013364327726, Customs tariff No. (EU): 85354000, Gross weight: 411.20 g, PU: 1.00 Stk.


Images

Additional information

Überspannungs-Ableiter DEHNguard M YPV 1500 FM
Mehrpoliger, modularer, steckbarer Photovoltaik-Ableiter
bis 1500 V DC, Breite 3TE
Defektanzeige
Mit Fernmeldekontakt
Typ 2 nach EN 61643-31
Einsetzbar gemäß IEC 60364-7-712
Maximale PV-Spannung: <= 1500 V dc
Gesamtableitstoßstrom: 40 kA
Schutzpegel: <= 5 kV
Kurzschlussfestigkeit Iscpv: 10 kA

Fabrikat: DEHN
Typ: DG M YPV 1500 FM
Art.-Nr.: 952567
oder gleichwertig.

Certificates

 

Technical data

SPD nach EN 61643-31 / ... IEC 61643-31 Typ 2 / Class II
Max. PV-Spannung (UCPV ) 1500 V
Kurzschlussfestigkeit (ISCPV ) 10 kA
Nennableitstoßstrom (8/20 µs) [(DC+/DC-) --> PE] (In ) 15 kA
Max. Ableitstoßstrom (8/20 µs) [(DC+/DC-) --> PE] (Imax ) 40 kA
Schutzpegel (UP ) ≤ 5 kV
Zulassungen UL, KEMA
FM-Kontakte / Kontaktform Wechsler

Product 952567 was added to Notepad.

Product 952567 was added to the cart.


back to top