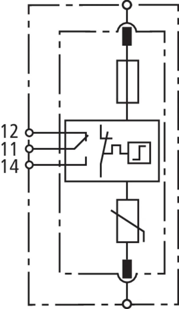
Schutzmodul für DEHNguard M, ... S und DEHNgap C S

  • Hohes Ableitvermögen durch leistungsfähige Zinkoxidvaristoren / Funkenstrecken
  • Hohe Geräte-Sicherheit durch Überwachung "Thermo-Dynamik-Control"
  • Energetisch koordiniert innerhalb der Red/Line-Produktfamilie
  • Funktions- / Defektanzeige durch grün-rote Markierung im Sichtfenster
  • Einfacher, werkzeugloser Schutzmodulwechsel durch Modulverriegelungssystem mit Modulentriegelungstaste
  • Vibrations- und schockgeprüft nach EN 60068-2

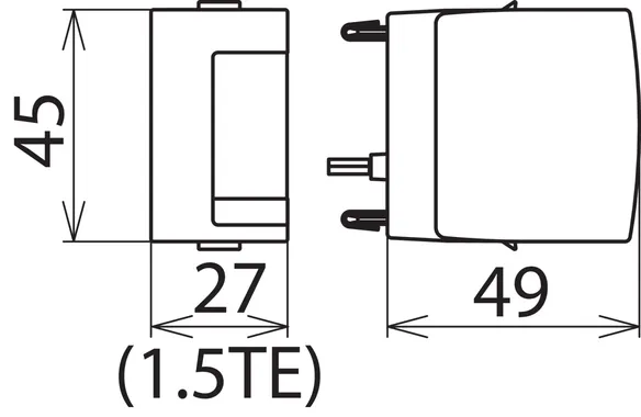
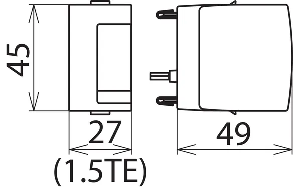
Schalter-Funkenstrecken-Schutzmodul für DEHNguard M ACI

2 Products

Part No. 952024 DG MOD ACI 275

GTIN 4013364377356, Customs tariff No. (EU): 85363030, Gross weight: 55.00 g, PU: 1.00 Stk.


Images

Additional information

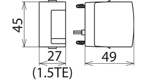
Schalter-Funkenstrecken-Schutzmodul DG MOD A 275
Steckbares Schutzmodul für DEHNguard M ACI ...
Typ 2-Ableiter der Red/Line - Produktfamilie
nach EN 61643-11
Höchste Dauerspannung: 275 V ac/350 V dc
Nennableitstoßstrom: 20 kA
Defektanzeige

Fabrikat: DEHN
Typ: DG MOD ACI 275
Art.-Nr.: 952024
oder gleichwertig.

Certificates

 

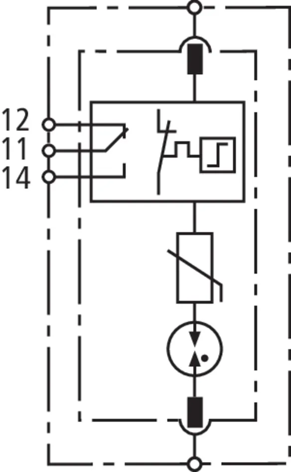
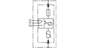
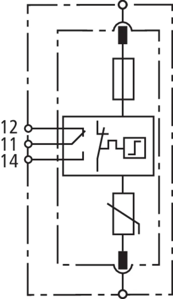
ACI-Technology

A further development of CI technology, ACI technology consists of a switch/spark gap combination connected in series with a heavyduty varistor. This ensures the simple design and safe operation of the surge protective device. Other features are safe dimensioning, TOV withstand, a connection cross-section of only 6 mm² Cu and zero leakage current. Surge arresters with ACI technology offer maximum safety and system availability.

Technical data

Nennableitstoßstrom (8/20 µs) (In ) 20 kA
Höchste Dauerspannung AC (UC ) 275 V

Product 952024 was added to Notepad.

Product 952024 was added to the cart.

Part No. 952028 DG MOD ACI 385

GTIN 4013364387843, Customs tariff No. (EU): 85363030, Gross weight: 66.00 g, PU: 1.00 Stk.


Images

Additional information

Schalter-Funkenstrecken-Schutzmodul DG MOD A 275
Steckbares Schutzmodul für DEHNguard M ACI ...
Typ 2-Ableiter der Red/Line - Produktfamilie
nach EN 61643-11
Höchste Dauerspannung: 275 V ac/350 V dc
Nennableitstoßstrom: 20 kA
Defektanzeige

Fabrikat: DEHN
Typ: DG MOD ACI 385
Art.-Nr.: 952028
oder gleichwertig.

 

ACI-Technology

A further development of CI technology, ACI technology consists of a switch/spark gap combination connected in series with a heavyduty varistor. This ensures the simple design and safe operation of the surge protective device. Other features are safe dimensioning, TOV withstand, a connection cross-section of only 6 mm² Cu and zero leakage current. Surge arresters with ACI technology offer maximum safety and system availability.

Technical data

Nennableitstoßstrom (8/20 µs) (In ) 20 kA
Höchste Dauerspannung AC (UC ) 385 V

Product 952028 was added to Notepad.

Product 952028 was added to the cart.


Funkenstrecken-Schutzmodul für DEHNguard M ACI

1 Product

Part No. 952022 DG MOD A NPE

GTIN 4013364376533, Customs tariff No. (EU): 85363030, Gross weight: 46.00 g, PU: 1.00 Stk.


Images

Additional information

Funkenstrecken-Schutzmodul DG MOD A NPE
Steckbares Schutzmodul für DEHNguard M ACI ...
Typ 2-Ableiter der Red/Line - Produktfamilie
nach EN 61643-11
Höchste Dauerspannung: 275 V ac/350 V dc
Nennableitstoßstrom: 20 kA
Defektanzeige

Fabrikat: DEHN
Typ: DG MOD A NPE
Art.-Nr.: 952022
oder gleichwertig.

Certificates

 

ACI-Technology

A further development of CI technology, ACI technology consists of a switch/spark gap combination connected in series with a heavyduty varistor. This ensures the simple design and safe operation of the surge protective device. Other features are safe dimensioning, TOV withstand, a connection cross-section of only 6 mm² Cu and zero leakage current. Surge arresters with ACI technology offer maximum safety and system availability.

Technical data

Nennableitstoßstrom (8/20 µs) (In ) 20 kA
Max. Ableitstoßstrom (8/20 µs) (Imax ) 40 kA
Höchste Dauerspannung AC (UC ) 255 V

Product 952022 was added to Notepad.

Product 952022 was added to the cart.


Varistor-Schutzmodul für DEHNguard M CI

1 Product

Part No. 952020 DG MOD CI 275

GTIN 4013364127784, Customs tariff No. (EU): 85363030, Gross weight: 59.30 g, PU: 1.00 Stk.


Images

Additional information

Varistor-Schutzmodul DG MOD CI 275
Steckbares Schutzmodul für DEHNguard M CI
Typ 2-Ableiter der Red/Line - Produktfamilie nach EN 61643-11
Höchste Dauerspannung: 275 V ac
Nennableitstoßstrom: 12,5 kA
Defektanzeige

Fabrikat: DEHN
Typ: DG MOD CI 275
Art.-Nr.: 952020
oder gleichwertig.

Certificates

 

Circuit Interruption

The backup fuse is already integrated here. This means: reduced space requirement, lower installation costs, faster wiring, and shorter connecting cables. This concept can be found in the product ranges DEHNvenCI, DEHNbloc Maxi S, DEHNguard ... CI and V(A) NH...

Technical data

Nennableitstoßstrom (8/20 µs) (In ) 12,5 kA
Max. Ableitstoßstrom (8/20 µs) (Imax ) 25 kA
Höchste Dauerspannung AC (UC ) 275 V

Product 952020 was added to Notepad.

Product 952020 was added to the cart.


Varistor-Schutzmodul für DEHNguard SE CI ...

2 Products

Part No. 952926 DG MOD E CI 440

GTIN 4013364322646, Customs tariff No. (EU): 85363030, Gross weight: 83.00 g, PU: 1.00 Stk.


Images

Additional information

Varistor-Schutzmodul DG MOD E CI 440
Steckbares Schutzmodul für DEHNguard SE CI
Typ 2-Ableiter der Red/Line - Produktfamilie
nach EN 61643-11
Höchste Dauerspannung: 440 V ac
Nennableitstoßstrom: 12,5 kA
Defektanzeige

Fabrikat: DEHN
Typ: DG MOD E CI 440
Art.-Nr.: 952926
oder gleichwertig.

Certificates

 

Circuit Interruption

The backup fuse is already integrated here. This means: reduced space requirement, lower installation costs, faster wiring, and shorter connecting cables. This concept can be found in the product ranges DEHNvenCI, DEHNbloc Maxi S, DEHNguard ... CI and V(A) NH...

Technical data

Nennableitstoßstrom (8/20 µs) (In ) 12,5 kA
Höchste Dauerspannung AC (UC ) 440 V
Varistor-Bemessungsspannung (Umov ) 440 V

Product 952926 was added to Notepad.

Product 952926 was added to the cart.

Part No. 952927 DG MOD E CI WE 440

GTIN 4013364322653, Customs tariff No. (EU): 85363030, Gross weight: 82.00 g, PU: 1.00 Stk.


Images

Additional information

Varistor-Schutzmodul DG MOD E CI WE 440
Steckbares Schutzmodul für DEHNguard SE CI
Typ 2-Ableiter der Red/Line - Produktfamilie
nach EN 61643-11
Höchste Dauerspannung: 440 V ac
Varistor-Bemessungsspannung: 750 V ac
Nennableitstoßstrom: 12,5 kA
Defektanzeige

Fabrikat: DEHN
Typ: DG MOD E CI WE 440
Art.-Nr.: 952927
oder gleichwertig.

Certificates

 

Circuit Interruption

The backup fuse is already integrated here. This means: reduced space requirement, lower installation costs, faster wiring, and shorter connecting cables. This concept can be found in the product ranges DEHNvenCI, DEHNbloc Maxi S, DEHNguard ... CI and V(A) NH...

Technical data

Nennableitstoßstrom (8/20 µs) (In ) 12,5 kA
Höchste Dauerspannung AC (UC ) 440 V
Varistor-Bemessungsspannung (Umov ) 750 V

Product 952927 was added to Notepad.

Product 952927 was added to the cart.


Varistor-Schutzmodul für DEHNguard M und DEHNguard S

8 Products

Part No. 952018 DG MOD 48

GTIN 4013364119482, Customs tariff No. (EU): 85363030, Gross weight: 43.50 g, PU: 1.00 Stk.


Images

Additional information

Varistor-Schutzmodul DG MOD 48
Steckbares Schutzmodul für DEHNguard S ...
Typ 2-Ableiter der Red/Line - Produktfamilie
nach EN 61643-11
Hochleistungsfähige Varistor-Technologie
Höchste Dauerspannung: 48 V ac/60 V dc
Nennableitstoßstrom: 7,5 kA
Defektanzeige

Fabrikat: DEHN
Typ: DG MOD 48
Art.-Nr.: 952018
oder gleichwertig.

Certificates

 

Technical data

Nennableitstoßstrom (8/20 µs) (In ) 7,5 kA
Max. Ableitstoßstrom (8/20 µs) (Imax ) 25 kA
Höchste Dauerspannung AC (UC ) 48 V

Product 952018 was added to Notepad.

Product 952018 was added to the cart.

Part No. 952011 DG MOD 75

GTIN 4013364109773, Customs tariff No. (EU): 85363030, Gross weight: 39.30 g, PU: 1.00 Stk.


Images

Additional information

Varistor-Schutzmodul DG MOD 75
Steckbares Schutzmodul für DEHNguard S ...
Typ 2-Ableiter der Red/Line - Produktfamilie
nach EN 61643-11
Hochleistungsfähige Varistor-Technologie
Höchste Dauerspannung: 75 V ac/100 V dc
Nennableitstoßstrom: 10 kA
Defektanzeige

Fabrikat: DEHN
Typ: DG MOD 75
Art.-Nr.: 952011
oder gleichwertig.

Certificates

 

Technical data

Nennableitstoßstrom (8/20 µs) (In ) 10 kA
Max. Ableitstoßstrom (8/20 µs) (Imax ) 40 kA
Höchste Dauerspannung AC (UC ) 75 V

Product 952011 was added to Notepad.

Product 952011 was added to the cart.

Part No. 952012 DG MOD 150

GTIN 4013364109780, Customs tariff No. (EU): 85363030, Gross weight: 42.23 g, PU: 1.00 Stk.


Images

Additional information

Varistor-Schutzmodul DG MOD 150
Steckbares Schutzmodul für DEHNguard S ...
Typ 2-Ableiter der Red/Line - Produktfamilie
nach EN 61643-11
Hochleistungsfähige Varistor-Technologie
Höchste Dauerspannung: 150 V ac/200 V dc
Nennableitstoßstrom: 15 kA
Defektanzeige

Fabrikat: DEHN
Typ: DG MOD 150
Art.-Nr.: 952012
oder gleichwertig.

Certificates

 

Technical data

Nennableitstoßstrom (8/20 µs) (In ) 15 kA
Max. Ableitstoßstrom (8/20 µs) (Imax ) 40 kA
Höchste Dauerspannung AC (UC ) 150 V

Product 952012 was added to Notepad.

Product 952012 was added to the cart.

Part No. 952010 DG MOD 275

GTIN 4013364108356, Customs tariff No. (EU): 85363030, Gross weight: 49.80 g, PU: 1.00 Stk.


Images

Additional information

Varistor-Schutzmodul DG MOD 275
Steckbares Schutzmodul für DEHNguard M ...
und DEHNguard S ...
Typ 2-Ableiter der Red/Line - Produktfamilie
nach EN 61643-11
Höchste Dauerspannung: 275 V ac/350 V dc
Nennableitstoßstrom: 20 kA
Defektanzeige

Fabrikat: DEHN
Typ: DG MOD 275
Art.-Nr.: 952010
oder gleichwertig.

Certificates

 

Technical data

Nennableitstoßstrom (8/20 µs) (In ) 20 kA
Max. Ableitstoßstrom (8/20 µs) (Imax ) 40 kA
Höchste Dauerspannung AC (UC ) 275 V

Product 952010 was added to Notepad.

Product 952010 was added to the cart.

Part No. 952013 DG MOD 320

GTIN 4013364109797, Customs tariff No. (EU): 85363030, Gross weight: 52.50 g, PU: 1.00 Stk.


Images

Additional information

Varistor-Schutzmodul DG MOD 320
Steckbares Schutzmodul für DEHNguard M ... und
DEHNguard S ...
Typ 2-Ableiter der Red/Line - Produktfamilie
nach EN 61643-11
Hochleistungsfähige Varistor-Technologie
Höchste Dauerspannung: 320 V ac/420 V dc
Nennableitstoßstrom: 20 kA
Defektanzeige

Fabrikat: DEHN
Typ: DG MOD 320
Art.-Nr.: 952013
oder gleichwertig.

Certificates

 

Technical data

Nennableitstoßstrom (8/20 µs) (In ) 20 kA
Max. Ableitstoßstrom (8/20 µs) (Imax ) 40 kA
Höchste Dauerspannung AC (UC ) 320 V

Product 952013 was added to Notepad.

Product 952013 was added to the cart.

Part No. 952014 DG MOD 385

GTIN 4013364108363, Customs tariff No. (EU): 85363030, Gross weight: 56.80 g, PU: 1.00 Stk.


Images

Additional information

Varistor-Schutzmodul DG MOD 385
Steckbares Schutzmodul für DEHNguard M ... und
DEHNguard S ...
Typ 2-Ableiter der Red/Line - Produktfamilie
nach EN 61643-11
Hochleistungsfähige Varistor-Technologie
Höchste Dauerspannung: 385 V ac/500 V dc
Nennableitstoßstrom: 20 kA
Defektanzeige

Fabrikat: DEHN
Typ: DG MOD 385
Art.-Nr.: 952014
oder gleichwertig.

Certificates

 

Technical data

Nennableitstoßstrom (8/20 µs) (In ) 20 kA
Max. Ableitstoßstrom (8/20 µs) (Imax ) 40 kA
Höchste Dauerspannung AC (UC ) 385 V

Product 952014 was added to Notepad.

Product 952014 was added to the cart.

Part No. 952015 DG MOD 440

GTIN 4013364109803, Customs tariff No. (EU): 85363030, Gross weight: 60.00 g, PU: 1.00 Stk.


Images

Additional information

Varistor-Schutzmodul DG MOD 440
Steckbares Schutzmodul für DEHNguard M ...
und DEHNguard S ...
Typ 2-Ableiter der Red/Line - Produktfamilie
nach EN 61643-11
Hochleistungsfähige Varistor-Technologie
Höchste Dauerspannung: 440 V ac/585 V dc
Nennableitstoßstrom: 20 kA
Defektanzeige

Fabrikat: DEHN
Typ: DG MOD 440
Art.-Nr.: 952015
oder gleichwertig.

Certificates

 

Technical data

Nennableitstoßstrom (8/20 µs) (In ) 20 kA
Max. Ableitstoßstrom (8/20 µs) (Imax ) 40 kA
Höchste Dauerspannung AC (UC ) 440 V

Product 952015 was added to Notepad.

Product 952015 was added to the cart.

Part No. 952016 DG MOD 600

GTIN 4013364109810, Customs tariff No. (EU): 85363030, Gross weight: 70.60 g, PU: 1.00 Stk.


Images

Additional information

Varistor-Schutzmodul DG MOD 600
Steckbares Schutzmodul für DEHNguard S ...
Typ 2-Ableiter der Red/Line - Produktfamilie
nach EN 61643-11
Hochleistungsfähige Varistor-Technologie
Höchste Dauerspannung: 600 V ac/600 V dc
Nennableitstoßstrom: 15 kA
Defektanzeige

Fabrikat: DEHN
Typ: DG MOD 600
Art.-Nr.: 952016
oder gleichwertig.

Certificates

 

Technical data

Nennableitstoßstrom (8/20 µs) (In ) 15 kA
Max. Ableitstoßstrom (8/20 µs) (Imax ) 30 kA
Höchste Dauerspannung AC (UC ) 600 V

Product 952016 was added to Notepad.

Product 952016 was added to the cart.


Varistor-Schutzmodul für DEHNguard M (S) WE

1 Product

Part No. 952017 DG MOD 750

GTIN 4013364113329, Customs tariff No. (EU): 85363030, Gross weight: 69.70 g, PU: 1.00 Stk.


Images

Additional information

Varistor-Schutzmodul DG MOD 750
Steckbares Schutzmodul für DEHNguard S WE 600 (FM)
und DG M WE 600 (FM)
Typ 2-Ableiter der Red/Line - Produktfamilie
nach EN 61643-11
Hochleistungsfähige Varistor-Technologie
Höchste Dauerspannung: 600 V ac/600 V dc
Varistor-bemessungsspannung: 750 V ac
Nennableitstoßstrom: 15 kA
Defektanzeige

Fabrikat: DEHN
Typ: DG MOD 750
Art.-Nr.: 952017
oder gleichwertig.

Certificates

 

Technical data

Nennableitstoßstrom (8/20 µs) (In ) 15 kA
Max. Ableitstoßstrom (8/20 µs) (Imax ) 25 kA
Höchste Dauerspannung AC (UC ) 600 V
Varistor-Bemessungsspannung (Umov ) 750 V

Product 952017 was added to Notepad.

Product 952017 was added to the cart.


N-PE-Funkenstrecken-Schutzmodul für DEHNguard M ACI

N-PE-Funkenstrecken-Schutzmodul für zwei- und vierpolige DEHNguard DG M TT (2P) ACI ... .

1 Product

Part No. 952083 DG MOD H A NPE

GTIN 4013364376540, Customs tariff No. (EU): 85363030, Gross weight: 55.00 g, PU: 1.00 Stk.


Images

Additional information

N-PE-Funkenstrecken-Schutzmodul DG MOD H A NPE
Steckbares N-PE-Funkenstrecken-Schutzmodul
für DEHNguard DG M TT (2P) ACI ...
für Typ 2-N-PE-Überspannungs-Ableiter
der Red/Line - Produktfamilie nach EN 61643-11
Höchste Dauerspannung: 255 V ac
Nennableitstoßstrom: 80 kA
Maximaler Ableitstoßstrom: 120 kA
Defektanzeige

Fabrikat: DEHN
Typ: DG MOD H A NPE
Art.-Nr.: 952083
oder gleichwertig.

Certificates

 

Technical data

Nennableitstoßstrom (8/20 µs) (In ) 80 kA
Max. Ableitstoßstrom (8/20 µs) (Imax ) 120 kA
Höchste Dauerspannung AC (UC ) 275 V

Product 952083 was added to Notepad.

Product 952083 was added to the cart.


N-PE-Funkenstrecken-Schutzmodul für DEHNguard M H TT ...

1 Product

Part No. 952081 DG MOD H NPE

GTIN 4013364318182, Customs tariff No. (EU): 85363030, Gross weight: 44.50 g, PU: 1.00 Stk.


Images

Additional information

N-PE-Funkenstrecken-Schutzmodul DG MOD H NPE
Steckbares N-PE-Funkenstrecken-Schutzmodul
für DEHNguard DG M TT ...
für Typ 2-N-PE-Überspannungs-Ableiter
der Red/Line - Produktfamilie nach EN 61643-11
Höchste Dauerspannung: 255 V ac
Nennableitstoßstrom: 80 kA
Maximaler Ableitstoßstrom: 120 kA
Defektanzeige

Fabrikat: DEHN
Typ: DG MOD H NPE
Art.-Nr.: 952081
oder gleichwertig.

Certificates

 

Technical data

Nennableitstoßstrom (8/20 µs) (In ) 80 kA
Max. Ableitstoßstrom (8/20 µs) (Imax ) 120 kA
Höchste Dauerspannung AC (UC ) 255 V

Product 952081 was added to Notepad.

Product 952081 was added to the cart.


N-PE-Funkenstrecken-Schutzmodul für DEHNguard M TT ...

1 Product

Part No. 952050 DG MOD NPE

GTIN 4013364108370, Customs tariff No. (EU): 85363030, Gross weight: 44.50 g, PU: 1.00 Stk.


Images

Additional information

N-PE-Funkenstrecken-Schutzmodul DG MOD NPE
Steckbares N-PE-Funkenstrecken-Schutzmodul
für DEHNguard DG M TT ...
für Typ 2-N-PE-Überspannungs-Ableiter
der Red/Line - Produktfamilie nach EN 61643-11
Höchste Dauerspannung: 255 V ac
Nennableitstoßstrom: 20 kA
Maximaler Ableitstoßstrom: 40 kA
Defektanzeige

Fabrikat: DEHN
Typ: DG MOD NPE
Art.-Nr.: 952050
oder gleichwertig.

Certificates

 

Technical data

Nennableitstoßstrom (8/20 µs) (In ) 20 kA
Max. Ableitstoßstrom (8/20 µs) (Imax ) 40 kA
Höchste Dauerspannung AC (UC ) 255 V

Product 952050 was added to Notepad.

Product 952050 was added to the cart.


N-PE-Funkenstrecken-Schutzmodul für DEHNgap C S

1 Product

Part No. 952060 DGP C MOD

GTIN 4013364108387, Customs tariff No. (EU): 85363030, Gross weight: 44.00 g, PU: 1.00 Stk.


Images

Additional information

N-PE-Funkenstrecken-Schutzmodul DGP C MOD
Steckbares N-PE-Funkenstrecken-Schutzmodul für
einpolige N-PE-Überspannungs-Ableiter DEHNgap C S ...
für Typ 2-N-PE-Überspannungs-Ableiter
der Red/Line - Produktfamilie nach EN 61643-11
Höchste Dauerspannung: 255 V ac
Nennableitstoßstrom: 20 kA
Maximaler Ableitstoßstrom: 40 kA
Defektanzeige

Fabrikat: DEHN
Typ: DGP C MOD
Art.-Nr.: 952060
oder gleichwertig.

Certificates

 

Technical data

Nennableitstoßstrom (8/20 µs) (In ) 20 kA
Max. Ableitstoßstrom (8/20 µs) (Imax ) 40 kA
Höchste Dauerspannung AC (UC ) 255 V

Product 952060 was added to Notepad.

Product 952060 was added to the cart.


Varistor-Funkenstrecken-Schutzmodul für DEHNguard S ... VA

3 Products

Part No. 952025 DG MOD 75 VA

GTIN 4013364127357, Customs tariff No. (EU): 85363030, Gross weight: 41.00 g, PU: 1.00 Stk.


Images

Additional information

Varistor-Schutzmodul DG MOD 75 VA
Steckbares Schutzmodul für DEHNguard S ... VA
Typ 2-Ableiter der Red/Line - Produktfamilie
nach EN 61643-11
Höchste Dauerspannung: 75 V ac/100 V dc
Nennableitstoßstrom: 10 kA
Defektanzeige

Fabrikat: DEHN
Typ: DG MOD 75 VA
Art.-Nr.: 952025
oder gleichwertig.

Certificates

 

Technical data

Nennableitstoßstrom (8/20 µs) (In ) 10 kA
Max. Ableitstoßstrom (8/20 µs) (Imax ) 20 kA
Höchste Dauerspannung AC (UC ) 75 V
Höchste Dauerspannung DC (UC ) 100 V

Product 952025 was added to Notepad.

Product 952025 was added to the cart.

Part No. 952027 DG MOD 275 VA

GTIN 4013364127364, Customs tariff No. (EU): 85363030, Gross weight: 47.00 g, PU: 1.00 Stk.


Images

Additional information

Varistor-Schutzmodul DG MOD 275 VA
Steckbares Schutzmodul für DEHNguard S ... VA
Typ 2-Ableiter der Red/Line - Produktfamilie
nach EN 61643-11
Höchste Dauerspannung: 275 V ac/350 V dc
Nennableitstoßstrom: 10 kA
Defektanzeige

Fabrikat: DEHN
Typ: DG MOD 275 VA
Art.-Nr.: 952027
oder gleichwertig.

Certificates

 

Technical data

Nennableitstoßstrom (8/20 µs) (In ) 10 kA
Max. Ableitstoßstrom (8/20 µs) (Imax ) 20 kA
Höchste Dauerspannung AC (UC ) 275 V
Höchste Dauerspannung DC (UC ) 350 V

Product 952027 was added to Notepad.

Product 952027 was added to the cart.

Part No. 952029 DG MOD 385 VA

GTIN 4013364127371, Customs tariff No. (EU): 85363030, Gross weight: 51.00 g, PU: 1.00 Stk.


Images

Additional information

Varistor-Schutzmodul DG MOD 385 VA
Steckbares Schutzmodul für DEHNguard S ... VA
Typ 2-Ableiter der Red/Line - Produktfamilie
nach EN 61643-11
Höchste Dauerspannung: 385 V ac/500 V dc
Nennableitstoßstrom: 10 kA
Defektanzeige

Fabrikat: DEHN
Typ: DG MOD 385 VA
Art.-Nr.: 952029
oder gleichwertig.

Certificates

 

Technical data

Nennableitstoßstrom (8/20 µs) (In ) 10 kA
Max. Ableitstoßstrom (8/20 µs) (Imax ) 20 kA
Höchste Dauerspannung AC (UC ) 385 V
Höchste Dauerspannung DC (UC ) 500 V

Product 952029 was added to Notepad.

Product 952029 was added to the cart.


Varistor-Schutzmodul für DEHNguard M YPV

2 Products

Part No. 952048 DG MOD H PV 600

GTIN 4013364327733, Customs tariff No. (EU): 85363030, Gross weight: 61.20 g, PU: 1.00 Stk.


Images

Additional information

Varistor-Schutzmodul DG MOD H PV 600
Steckbares Schutzmodul für DEHNguard M YPV
Klassifikation Typ 2-Ableiter nach EN 61643-31
der Red/Line – Produktfamilie
Hochleistungsfähige Varistor-Technologie
Höchste Dauerspannung: 585 V dc
Nennableitstoßstrom: 20 kA
Defektanzeige

Fabrikat: DEHN
Typ: DG MOD H PV 600
Art.-Nr.: 952048
oder gleichwertig.

Certificates

 

Technical data

Nennableitstoßstrom (8/20 µs) (In ) 20 kA
Max. Ableitstoßstrom (8/20 µs) (Imax ) 40 kA
Höchste Dauerspannung DC (UC ) 600 V

Product 952048 was added to Notepad.

Product 952048 was added to the cart.

Part No. 952049 DG MOD H PV 750

GTIN 4013364327740, Customs tariff No. (EU): 85363030, Gross weight: 70.60 g, PU: 1.00 Stk.


Images

Additional information

Varistor-Schutzmodul DG MOD H PV 750
Steckbares Schutzmodul für DEHNguard M YPV
Klassifikation Typ 2-Ableiter nach EN 61643-31
der Red/Line – Produktfamilie
Hochleistungsfähige Varistor-Technologie
Höchste Dauerspannung: 750 V dc
Nennableitstoßstrom: 15 kA
Defektanzeige

Fabrikat: DEHN
Typ: DG MOD H PV 750
Art.-Nr.: 952049
oder gleichwertig.

Certificates

 

Technical data

Nennableitstoßstrom (8/20 µs) (In ) 15 kA
Max. Ableitstoßstrom (8/20 µs) (Imax ) 40 kA
Höchste Dauerspannung DC (UC ) 750 V

Product 952049 was added to Notepad.

Product 952049 was added to the cart.


Varistor-Schutzmodul für DEHNguard M YPV SCI und DEHNguard S PV SCI

3 Products

Part No. 952055 DG MOD PV SCI 75

GTIN 4013364136700, Customs tariff No. (EU): 85363030, Gross weight: 43.40 g, PU: 1.00 Stk.


Images

Additional information

Varistor-Schutzmodul DG MOD PV SCI 75
Steckbares Schutzmodul für DEHNguard M (Y)PV SCI
Klassifikation Typ 2-Ableiter nach EN 50539-11
der Red/Line - Produktfamilie
Hochleistungsfähige Varistor-Technologie
Kombinierte Abtrenn- und Kurzschließvorrichtung
Höchste Dauerspannung: 75 V dc
für PV-Systeme bis Ucpv <= 150 V
Gesamtableitstoßstrom: 40 kA
Defektanzeige

Fabrikat: DEHN
Typ: DG MOD PV SCI 75
Art.-Nr.: 952055
oder gleichwertig.

Certificates

 

SCI-Technology

The patented SCI technology with active arc extinction allows to actively, quickly and safely extinguish a possible switching arc in case of overload. The PV fuse integrated in the short-circuit path trips immediately after the arc has been extinguished, thus ensuring safe electrical isolation (interruption). Consequently, all PV arresters from DEHN combine surge protection, fire protection and personal protection in a single device

Technical data

Nennableitstoßstrom (8/20 µs) (In ) 10 kA
Max. Ableitstoßstrom (8/20 µs) (Imax ) 20 kA
Höchste Dauerspannung DC (UC ) 75 V

Product 952055 was added to Notepad.

Product 952055 was added to the cart.

Part No. 952051 DG MOD PV SCI 500

GTIN 4013364126442, Customs tariff No. (EU): 85363030, Gross weight: 56.15 g, PU: 1.00 Stk.


Images

Additional information

Varistor-Schutzmodul DG MOD PV SCI 500
Steckbares Schutzmodul für DEHNguard M (Y)PV SCI
Klassifikation Typ 2-Ableiter nach EN 61643-31
der Red/Line - Produktfamilie
Hochleistungsfähige Varistor-Technologie
Kombinierte Abtrenn- und Kurzschließvorrichtung
Höchste Dauerspannung: 500 V dc
für PV-Systeme bis Ucpv <= 1000 V
Gesamtableitstoßstrom: 40 kA
Defektanzeige

Fabrikat: DEHN
Typ: DG MOD PV SCI 500
Art.-Nr.: 952051
oder gleichwertig.

Certificates

 

SCI-Technology

The patented SCI technology with active arc extinction allows to actively, quickly and safely extinguish a possible switching arc in case of overload. The PV fuse integrated in the short-circuit path trips immediately after the arc has been extinguished, thus ensuring safe electrical isolation (interruption). Consequently, all PV arresters from DEHN combine surge protection, fire protection and personal protection in a single device

Technical data

Nennableitstoßstrom (8/20 µs) (In ) 12,5 kA
Max. Ableitstoßstrom (8/20 µs) (Imax ) 25 kA
Höchste Dauerspannung DC (UC ) 500 V

Product 952051 was added to Notepad.

Product 952051 was added to the cart.

Part No. 952054 DG MOD PV SCI 600

GTIN 4013364127975, Customs tariff No. (EU): 85363030, Gross weight: 58.80 g, PU: 1.00 Stk.


Images

Additional information

Varistor-Schutzmodul DG MOD PV SCI 600
Steckbares Schutzmodul für DEHNguard M (Y)PV SCI
Klassifikation Typ 2-Ableiter nach EN 61643-31
der Red/Line - Produktfamilie
Hochleistungsfähige Varistor-Technologie
Kombinierte Abtrenn- und Kurzschließvorrichtung
Höchste Dauerspannung: 600 V dc
Maximale PV-Spannung: <= 1200 V dc
Gesamtableitstoßstrom: 30 kA
Defektanzeige

Fabrikat: DEHN
Typ: DG MOD PV SCI 600
Art.-Nr.: 952054
oder gleichwertig.

Certificates

 

SCI-Technology

The patented SCI technology with active arc extinction allows to actively, quickly and safely extinguish a possible switching arc in case of overload. The PV fuse integrated in the short-circuit path trips immediately after the arc has been extinguished, thus ensuring safe electrical isolation (interruption). Consequently, all PV arresters from DEHN combine surge protection, fire protection and personal protection in a single device

Technical data

Nennableitstoßstrom (8/20 µs) (In ) 12,5 kA
Max. Ableitstoßstrom (8/20 µs) (Imax ) 25 kA
Höchste Dauerspannung DC (UC ) 600 V

Product 952054 was added to Notepad.

Product 952054 was added to the cart.


Varistor-Schutzmodul für DEHNguard M YPV und DEHNguard S PV

3 Products

Part No. 952045 DG MOD PV 75

GTIN 4013364141827, Customs tariff No. (EU): 85363030, Gross weight: 40.20 g, PU: 1.00 Stk.


Images

Additional information

Varistor-Schutzmodul DG MOD PV 75
Steckbares Schutzmodul für DEHNguard
M YPV SCI und S PV SCI
Klassifikation Typ 2-Ableiter nach EN 50539-11
der Red/Line – Produktfamilie
Hochleistungsfähige Varistor-Technologie
Höchste Dauerspannung: 75 V dc
Nennableitstoßstrom: 10 kA
Defektanzeige

Fabrikat: DEHN
Typ: DG MOD PV 75
Art.-Nr.: 952045
oder gleichwertig.

Certificates

 

Technical data

Nennableitstoßstrom (8/20 µs) (In ) 10 kA
Max. Ableitstoßstrom (8/20 µs) (Imax ) 40 kA
Höchste Dauerspannung DC (UC ) 75 V

Product 952045 was added to Notepad.

Product 952045 was added to the cart.

Part No. 952041 DG MOD PV 500

GTIN 4013364141841, Customs tariff No. (EU): 85363030, Gross weight: 60.19 g, PU: 1.00 Stk.


Images

Additional information

Varistor-Schutzmodul DG MOD PV 500
Steckbares Schutzmodul für DEHNguard
M YPV SCI und S PV SCI
Klassifikation Typ 2-Ableiter nach EN 61643-31
der Red/Line – Produktfamilie
Hochleistungsfähige Varistor-Technologie
Höchste Dauerspannung: 500 V dc
Nennableitstoßstrom: 20 kA
Defektanzeige

Fabrikat: DEHN
Typ: DG MOD PV 500
Art.-Nr.: 952041
oder gleichwertig.

Certificates

 

Technical data

Nennableitstoßstrom (8/20 µs) (In ) 20 kA
Max. Ableitstoßstrom (8/20 µs) (Imax ) 40 kA
Höchste Dauerspannung DC (UC ) 500 V

Product 952041 was added to Notepad.

Product 952041 was added to the cart.

Part No. 952044 DG MOD PV 600

GTIN 4013364141858, Customs tariff No. (EU): 85363030, Gross weight: 69.49 g, PU: 1.00 Stk.


Images

Additional information

Varistor-Schutzmodul DG MOD PV 600
Steckbares Schutzmodul für DEHNguard
M YPV SCI und S PV SCI
Klassifikation Typ 2-Ableiter nach EN 61643-31
der Red/Line – Produktfamilie
Hochleistungsfähige Varistor-Technologie
Höchste Dauerspannung: 600 V dc
Nennableitstoßstrom: 15 kA
Defektanzeige

Fabrikat: DEHN
Typ: DG MOD PV 600
Art.-Nr.: 952044
oder gleichwertig.

Certificates

 

Technical data

Nennableitstoßstrom (8/20 µs) (In ) 15 kA
Max. Ableitstoßstrom (8/20 µs) (Imax ) 30 kA
Höchste Dauerspannung DC (UC ) 600 V

Product 952044 was added to Notepad.

Product 952044 was added to the cart.


Varistor-Schutzmodul für DEHNguard ME YPV SCI und DEHNguard SE PV SCI

1 Product

Part No. 952056 DG MOD E PV SCI 750

GTIN 4013364149106, Customs tariff No. (EU): 85363030, Gross weight: 82.70 g, PU: 1.00 Stk.


Images

Additional information

Varistor-Schutzmodul DG MOD E PV SCI 750
Steckbares Schutzmodul für DEHNguard
ME YPV SCI und SE PV SCI
Klassifikation Typ 2-Ableiter nach EN 50539-11
der Red/Line – Produktfamilie
Hochleistungsfähige Varistor-Technologie
Höchste Dauerspannung: 750 V DC
Nennableitstoßstrom: 12,5 kA
Defektanzeige

Fabrikat: DEHN
Typ: DG MOD E PV SCI 750
Art.-Nr.: 952056
oder gleichwertig.

Certificates

 

SCI-Technology

The patented SCI technology with active arc extinction allows to actively, quickly and safely extinguish a possible switching arc in case of overload. The PV fuse integrated in the short-circuit path trips immediately after the arc has been extinguished, thus ensuring safe electrical isolation (interruption). Consequently, all PV arresters from DEHN combine surge protection, fire protection and personal protection in a single device

Technical data

Nennableitstoßstrom (8/20 µs) (In ) 12,5 kA
Max. Ableitstoßstrom (8/20 µs) (Imax ) 25 kA
Höchste Dauerspannung DC (UC ) 750 V

Product 952056 was added to Notepad.

Product 952056 was added to the cart.


Varistor-Schutzmodul für DEHNguard SE H ...

4 Products

Part No. 952900 DG MOD E H LI 275

GTIN 4013364158801, Customs tariff No. (EU): 85363030, Gross weight: 90.00 g, PU: 1.00 Stk.


Images

Additional information

Varistor-Schutzmodul DG MOD E H LI 275
Steckbares Schutzmodul für DEHNguard
SE H LI 275 FM
mit 3-stufigen Frühwarnsystem
Typ 2-Ableiter nach EN 61643-11
Hochleistungsfähige Varistor-Technologie
Höchste Dauerspannung: 275 V DC
Nennableitstoßstrom: 30 kA
Lebensdauer-Sicht-Anzeige

Fabrikat: DEHN
Typ: DG MOD E H LI 275
Art.-Nr.: 952900
oder gleichwertig.

 

Technical data

Nennableitstoßstrom (8/20 µs) (In ) 30 kA
Max. Ableitstoßstrom (8/20 µs) (Imax ) 65 kA
Höchste Dauerspannung AC (UC ) 275 V

Product 952900 was added to Notepad.

Product 952900 was added to the cart.

Part No. 952907 DG MOD E H LI 1000

GTIN 4013364158856, Customs tariff No. (EU): 85363030, Gross weight: 130.00 g, PU: 1.00 Stk.


Images

Additional information

Varistor-Schutzmodul DG MOD E H LI 1000
Steckbares Schutzmodul für DEHNguard
SE H LI 1000 FM
mit 3-stufigen Frühwarnsystem
Typ 2-Ableiter nach EN 61643-11
Hochleistungsfähige Varistor-Technologie
Höchste Dauerspannung: 1000 V DC
Nennableitstoßstrom: 20 kA
Schutzmodul-Kodierung

Fabrikat: DEHN
Typ: DG MOD E H LI 1000
Art.-Nr.: 952907
oder gleichwertig.

 

Technical data

Nennableitstoßstrom (8/20 µs) (In ) 20 kA
Max. Ableitstoßstrom (8/20 µs) (Imax ) 40 kA
Höchste Dauerspannung AC (UC ) 1000 V

Product 952907 was added to Notepad.

Product 952907 was added to the cart.

Part No. 952908 DG MOD E H 1000

GTIN 4013364264526, Customs tariff No. (EU): 85363030, Gross weight: 123.00 g, PU: 1.00 Stk.


Images

Additional information

Varistor-Schutzmodul DG MOD E H 1000
Steckbares Schutzmodul für DEHNguard
SE H 1000 FM
Typ 2-Ableiter nach EN 61643-11
Hochleistungsfähige Varistor-Technologie
Höchste Dauerspannung: 1000 V DC
Nennableitstoßstrom: 20 kA
Defektanzeige

Fabrikat: DEHN
Typ: DG MOD E H 1000
Art.-Nr.: 952908
oder gleichwertig.

Certificates

 

Technical data

Nennableitstoßstrom (8/20 µs) (In ) 20 kA
Max. Ableitstoßstrom (8/20 µs) (Imax ) 40 kA
Höchste Dauerspannung AC (UC ) 1000 V

Product 952908 was added to Notepad.

Product 952908 was added to the cart.

Part No. 952918 DG MOD E H 1000 VA

GTIN 4013364308336, Customs tariff No. (EU): 85363030, Gross weight: 130.00 g, PU: 1.00 Stk.


Images

Additional information

Varistor-Schutzmodul DG MOD E 1000 VA
Steckbares Schutzmodul für DEHNguard
SE H 1000 VA FM
Typ 2-Ableiter nach EN 61643-11
Hochleistungsfähige Varistor-Technologie
Höchste Dauerspannung: 1000 V DC
Nennableitstoßstrom: 15 kA
Defektanzeige

Fabrikat: DEHN
Typ: DG MOD E H 1000 VA
Art.-Nr.: 952918
oder gleichwertig.

Certificates

 

Technical data

Nennableitstoßstrom (8/20 µs) (In ) 15 kA
Max. Ableitstoßstrom (8/20 µs) (Imax ) 40 kA
Höchste Dauerspannung AC (UC ) 1000 V

Product 952918 was added to Notepad.

Product 952918 was added to the cart.


Varistor-Schutzmodul für DEHNguard SE DC

4 Products

Part No. 972010 DG MOD E DC 60

GTIN 4013364158672, Customs tariff No. (EU): 85363030, Gross weight: 65.00 g, PU: 1.00 Stk.


Images

Additional information

Varistor-Schutzmodul DG MOD E DC 60
Steckbares Schutzmodul für DEHNguard SE DC ... (FM)
Typ 2-Ableiter der Red/Line - Produktfamilie
nach EN 61643-11
Hochleistungsfähige Varistor-Technologie
Speziell für den Einsatz in DC-Stromkreisen
Höchste Dauerspannung: 60 V DC
Nennableitstoßstrom: 12,5 kA
Defektanzeige

Fabrikat: DEHN
Typ: DG MOD E DC 60
Art.-Nr.: 972010
oder gleichwertig.

 

Direct Current-Disconnection

When using surge arresters in d.c. applications, disconnection must be reliably ensured even if there are no zero crossings. The specifically developed DC Disconnection (DCD) technology acts as a wedge similar to a blocking valve and interrupts the direct current. Consequently, the devices of the DEHNguard SE DC series are capable of safely interrupting direct currents, thus preventing fire damage caused by d.c. switching arcs.

Technical data

Nennableitstoßstrom (8/20 µs) (In ) 12,5 kA
Höchste Dauerspannung DC (UC ) 60 V

Product 972010 was added to Notepad.

Product 972010 was added to the cart.

Part No. 972020 DG MOD E DC 242

GTIN 4013364158702, Customs tariff No. (EU): 85363030, Gross weight: 75.00 g, PU: 1.00 Stk.


Images

Additional information

Varistor-Schutzmodul DG MOD E DC 242
Steckbares Schutzmodul für DEHNguard SE DC ... (FM)
Typ 2-Ableiter der Red/Line - Produktfamilie
nach EN 61643-11
Hochleistungsfähige Varistor-Technologie
Speziell für den Einsatz in DC-Stromkreisen
Höchste Dauerspannung: 242 V DC
Nennableitstoßstrom: 12,5 kA
Defektanzeige

Fabrikat: DEHN
Typ: DG MOD E DC 242
Art.-Nr.: 972020
oder gleichwertig.

Certificates

 

Direct Current-Disconnection

When using surge arresters in d.c. applications, disconnection must be reliably ensured even if there are no zero crossings. The specifically developed DC Disconnection (DCD) technology acts as a wedge similar to a blocking valve and interrupts the direct current. Consequently, the devices of the DEHNguard SE DC series are capable of safely interrupting direct currents, thus preventing fire damage caused by d.c. switching arcs.

Technical data

Nennableitstoßstrom (8/20 µs) (In ) 12,5 kA
Höchste Dauerspannung DC (UC ) 242 V

Product 972020 was added to Notepad.

Product 972020 was added to the cart.

Part No. 972030

GTIN , Gross weight: , PU:


Images

Additional information

Varistor-Schutzmodul DG MOD E DC 550
Steckbares Schutzmodul für DEHNguard SE DC ... (FM)
Typ 2-Ableiter der Red/Line - Produktfamilie
nach EN 61643-11
Hochleistungsfähige Varistor-Technologie
Speziell für den Einsatz in DC-Stromkreisen
Höchste Dauerspannung: 550 V DC
Nennableitstoßstrom: 12,5 kA
Defektanzeige

Fabrikat: DEHN
Typ: null
Art.-Nr.: 972030
oder gleichwertig.

Certificates

 

Direct Current-Disconnection

When using surge arresters in d.c. applications, disconnection must be reliably ensured even if there are no zero crossings. The specifically developed DC Disconnection (DCD) technology acts as a wedge similar to a blocking valve and interrupts the direct current. Consequently, the devices of the DEHNguard SE DC series are capable of safely interrupting direct currents, thus preventing fire damage caused by d.c. switching arcs.

Technical data

Nennableitstoßstrom (8/20 µs) (In ) 12,5 kA
Höchste Dauerspannung DC (UC ) 550 V

Product 972030 was added to Notepad.

Product 972030 was added to the cart.

Part No. 972040

GTIN , Gross weight: , PU:


Images

Additional information

Varistor-Schutzmodul DG MOD E DC 900
Steckbares Schutzmodul für DEHNguard SE DC ... (FM)
Typ 2-Ableiter der Red/Line - Produktfamilie
nach EN 61643-11
Hochleistungsfähige Varistor-Technologie
Speziell für den Einsatz in DC-Stromkreisen
Höchste Dauerspannung: 900 V DC
Nennableitstoßstrom: 12,5 kA
Defektanzeige

Fabrikat: DEHN
Typ: null
Art.-Nr.: 972040
oder gleichwertig.

 

Direct Current-Disconnection

When using surge arresters in d.c. applications, disconnection must be reliably ensured even if there are no zero crossings. The specifically developed DC Disconnection (DCD) technology acts as a wedge similar to a blocking valve and interrupts the direct current. Consequently, the devices of the DEHNguard SE DC series are capable of safely interrupting direct currents, thus preventing fire damage caused by d.c. switching arcs.

Technical data

Nennableitstoßstrom (8/20 µs) (In ) 12,5 kA
Höchste Dauerspannung DC (UC ) 900 V

Product 972040 was added to Notepad.

Product 972040 was added to the cart.


back to top