UGKF

  • Steckbarer Überspannungsschutz-Adapter zum einfachen Nachrüsten
  • Zum direkten Anstecken an Endgeräte mit koaxialer Anschlusstechnik
  • Die integrierte indirekte Schirmerdung vermeidet Brummschleifen

Details

UGKF BNC zum direkten Anstecken an Endgeräteschnittstellen.
lorem ipsum
DGA BNC VC... zur einfachen Hut­schienen- oder Wandmontage.
lorem ipsum
DGA BNC VC... leicht adaptierbar durch BNC-Anschluss.
lorem ipsum
UL-Listung für länderspezifischen Ein­satz.
lorem ipsum

UGKF BNC

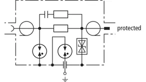
Zweistufiger Überspannungs-Ableiter für Videokameras und Arcnet mit BNC-Anschluss mit indirekter Schirmerdung zur Vermeidung von Brummschleifen.

1 Product

Part No. 929010 UGKF BNC

GTIN 4013364039940, Customs tariff No. (EU): 85363010, Gross weight: 67.70 g, PU: 1.00 Stk.


Images

Additional information

Zweistufiger Überspannungs-Ableiter UGKF BNC
Überspannungs-Ableiter
der Ableiterklasse Type 2 / P1
UGKF, geprüft nach EN 61643-21
zum Schutz von Video-Systemen
oder Arcnet-Computersystemen
mit koaxialem BNC-Anschluss.
Höchste Dauerspannung DC: 8 V
C2 Nennableitstoßstrom (8/20 µs) Ad-Schirm: 2,5 kA

Fabrikat: DEHN
Typ: UGKF BNC
Art.-Nr.: 929010
oder gleichwertig.

Certificates

 

Technical data

Ableiterklasse T
Höchste Dauerspannung DC (UC ) 8 V
Nennstrom (IL ) 0,1 A
C2 Nennableitstoßstrom (8/20 µs) Ad-Schirm (In ) 2,5 kA
Einfügungsdämpfung bei 300 MHz (50 Ohm) ≤ 3 dB
Rückflussdämpfung bei 40 MHz (50 Ohm) ≥ 20 dB
Einfügungsdämpfung bei 265 MHz (75 Ohm) ≤ 3 dB
Rückflussdämpfung bei 40 MHz (75 Ohm) ≥ 20 dB
Zulassungen CSA, UL

Product 929010 was added to Notepad.

Product 929010 was added to the cart.


back to top