Typ 1 PV-Box

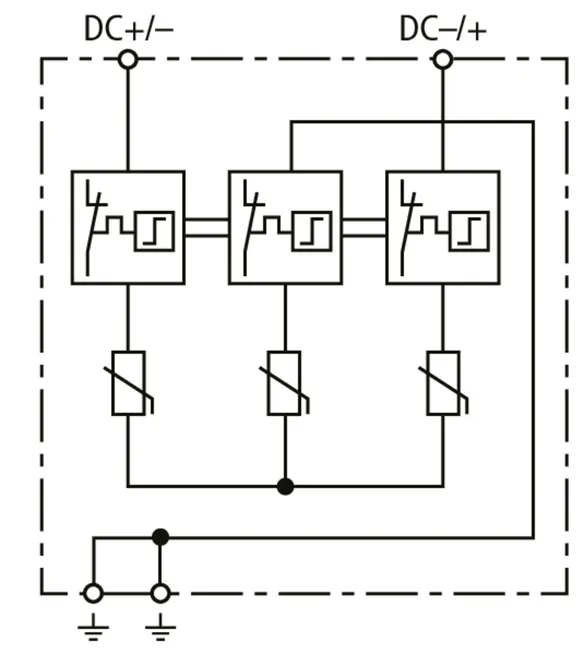
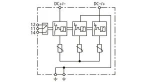
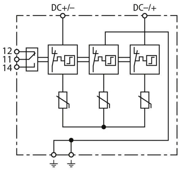
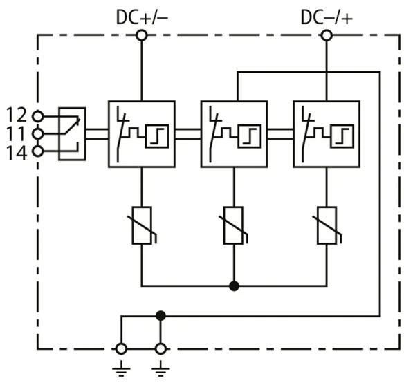
  • Anschlussfertiger Kombi-Ableiter Typ 1 + Typ 2 für Photovoltaik-Generatorstromkreise
  • Kombinierte Abtrenn- und Kurzschließvorrichtung mit sicherer elektrischer Trennung (patentiertes SCI-Prinzip)
  • Bewährte fehlerresistente Y-Schaltung vermeidet Schädigung des Überspannungsschutzes bei Isolationsfehlern im Generatorkreis
  • Geprüft nach EN 50539-11
  • Einsetzbar in PV-Systemen gemäß IEC 60364-7-712
  • Funktions- / Defektanzeige durch grün-rote Markierung im Sichtfenster

PVB 1 1200

2 Products

Part No. 041161

GTIN , Gross weight: , PU:


Images

Additional information

 

SCI-Technology

The patented SCI technology with active arc extinction allows to actively, quickly and safely extinguish a possible switching arc in case of overload. The PV fuse integrated in the short-circuit path trips immediately after the arc has been extinguished, thus ensuring safe electrical isolation (interruption). Consequently, all PV arresters from DEHN combine surge protection, fire protection and personal protection in a single device

Technical data

Daten Ableiter
SPD nach EN 50539-11 Typ 1 + Typ 2
Max. PV-Spannung [DC+ -> DC-] (UCPV ) ≤ 1200 V
Kurzschlussfestigkeit (ISCPV ) 10 kA
Gesamtableitstoßstrom (10/350 µs) [DC+/DC- -> PE] (Itotal ) 12,5 kA
Blitzstoßstrom (10/350 µs) [DC+ -> PE/DC- -> PE] (Iimp ) 6,25 kA
Schutzpegel [(DC+/DC-) -> PE] (UP ) ≤ 3,8 kV
Zulassungen KEMA
Daten Gehäuse
Schutzart IP65
Kabeleinführung 2x MC4 Steckanschluss DC/+, 2x MC4 Steckanschluss DC/-, 1x Verschraubung M16 x 1,5
Verfügbarer Einbauraum 4 TE, DIN 43880
Abmessungen (b x h x t) 125 x 200 x 110 mm

Product 041161 was added to Notepad.

Product 041161 was added to the cart.

Part No. 041166

GTIN , Gross weight: , PU:


Images

Additional information

 

SCI-Technology

The patented SCI technology with active arc extinction allows to actively, quickly and safely extinguish a possible switching arc in case of overload. The PV fuse integrated in the short-circuit path trips immediately after the arc has been extinguished, thus ensuring safe electrical isolation (interruption). Consequently, all PV arresters from DEHN combine surge protection, fire protection and personal protection in a single device

Technical data

Daten Ableiter
SPD nach EN 50539-11 Typ 1 + Typ 2
Max. PV-Spannung [DC+ -> DC-] (UCPV ) ≤ 1200 V
Kurzschlussfestigkeit (ISCPV ) 10 kA
Gesamtableitstoßstrom (10/350 µs) [DC+/DC- -> PE] (Itotal ) 12,5 kA
Blitzstoßstrom (10/350 µs) [DC+ -> PE/DC- -> PE] (Iimp ) 6,25 kA
Schutzpegel [(DC+/DC-) -> PE] (UP ) ≤ 3,8 kV
Zulassungen KEMA
Daten Gehäuse
Schutzart IP65
Kabeleinführung 2x MC4 Steckanschluss DC/+, 2x MC4 Steckanschluss DC/-, 1x Verschraubung M16 x 1,5
Verfügbarer Einbauraum 4 TE, DIN 43880
Abmessungen (b x h x t) 125 x 200 x 110 mm

Product 041166 was added to Notepad.

Product 041166 was added to the cart.


PVB 2 1200

2 Products

Part No. 041261

GTIN , Gross weight: , PU:


Images

Additional information

 

SCI-Technology

The patented SCI technology with active arc extinction allows to actively, quickly and safely extinguish a possible switching arc in case of overload. The PV fuse integrated in the short-circuit path trips immediately after the arc has been extinguished, thus ensuring safe electrical isolation (interruption). Consequently, all PV arresters from DEHN combine surge protection, fire protection and personal protection in a single device

Technical data

Daten Ableiter
SPD nach EN 50539-11 Typ 1 + Typ 2
Max. PV-Spannung [DC+ -> DC-] (UCPV ) ≤ 1200 V
Kurzschlussfestigkeit (ISCPV ) 10 kA
Gesamtableitstoßstrom (10/350 µs) [DC+/DC- -> PE] (Itotal ) 12,5 kA
Blitzstoßstrom (10/350 µs) [DC+ -> PE/DC- -> PE] (Iimp ) 6,25 kA
Schutzpegel [(DC+/DC-) -> PE] (UP ) ≤ 3,8 kV
Zulassungen KEMA
Daten Gehäuse
Schutzart IP65
Kabeleinführung 4x MC4 Steckanschluss DC/+, 4x MC4 Steckanschluss DC/-, 1x Verschraubung M16 x 1,5
Verfügbarer Einbauraum 8 TE, DIN 43880
Abmessungen (b x h x t) 200 x 210 x 110 mm

Product 041261 was added to Notepad.

Product 041261 was added to the cart.

Part No. 041266

GTIN , Gross weight: , PU:


Images

Additional information

 

SCI-Technology

The patented SCI technology with active arc extinction allows to actively, quickly and safely extinguish a possible switching arc in case of overload. The PV fuse integrated in the short-circuit path trips immediately after the arc has been extinguished, thus ensuring safe electrical isolation (interruption). Consequently, all PV arresters from DEHN combine surge protection, fire protection and personal protection in a single device

Technical data

Daten Ableiter
SPD nach EN 50539-11 Typ 1 + Typ 2
Max. PV-Spannung [DC+ -> DC-] (UCPV ) ≤ 1200 V
Kurzschlussfestigkeit (ISCPV ) 10 kA
Gesamtableitstoßstrom (10/350 µs) [DC+/DC- -> PE] (Itotal ) 12,5 kA
Blitzstoßstrom (10/350 µs) [DC+ -> PE/DC- -> PE] (Iimp ) 6,25 kA
Schutzpegel [(DC+/DC-) -> PE] (UP ) ≤ 3,8 kV
Zulassungen KEMA
Daten Gehäuse
Schutzart IP65
Kabeleinführung 4x MC4 Steckanschluss DC/+, 4x MC4 Steckanschluss DC/-, 1x Verschraubung M16 x 1,5
Verfügbarer Einbauraum 8 TE, DIN 43880
Abmessungen (b x h x t) 200 x 210 x 110 mm

Product 041266 was added to Notepad.

Product 041266 was added to the cart.


back to top