Typ 2 PV-Box

  • Verdrahtungsfertige Kompletteinheit für Photovoltaik-Anlagen
  • Kombinierte Abtrenn- und Kurzschließvorrichtung mit sicherer elektrischer Trennung (patentiertes SCI-Prinzip)
  • Bewährte fehlerresistente Y-Schaltung des DEHNguard YPV SCI … vermeidet Schädigung des Überspannungsschutzes bei Isolationsfehlern im Generatorkreis
  • Geprüft nach EN 50539-11
  • Einsetzbar in PV-Systemen gemäß IEC 60364-7-712

PVB 1 1000

2 Products

Part No. 041800

GTIN , Gross weight: , PU:


Images

Additional information

 

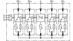
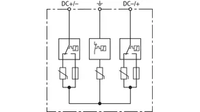
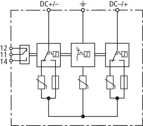
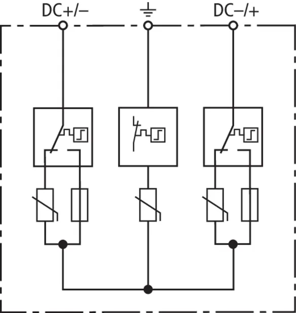
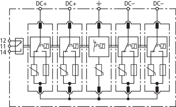
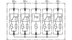
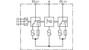
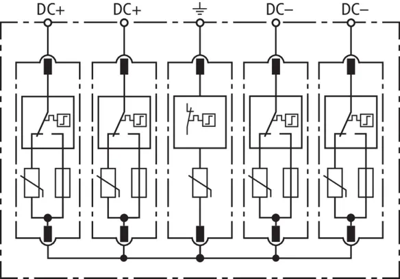
SCI-Technology

The patented SCI technology with active arc extinction allows to actively, quickly and safely extinguish a possible switching arc in case of overload. The PV fuse integrated in the short-circuit path trips immediately after the arc has been extinguished, thus ensuring safe electrical isolation (interruption). Consequently, all PV arresters from DEHN combine surge protection, fire protection and personal protection in a single device

Technical data

Daten Ableiter
SPD nach EN 50539-11 Typ 2
Max. PV-Spannung (UCPV ) ≤ 1000 V
Kurzschlussfestigkeit (ISCPV ) 1000 A
Nennableitstoßstrom (8/20 µs) [(DC+/DC-) --> PE] (In ) 12,5 kA
Max. Ableitstoßstrom (8/20 µs) [(DC+/DC-) --> PE] (Imax ) 25 kA
Schutzpegel (UP ) ≤ 4 kV
Zulassungen KEMA, UL
Daten Gehäuse
Schutzart IP65
Kabeleinführung 2x MC4 Steckanschluss DC/+, 2x MC4 Steckanschluss DC/-, 1x Verschraubung M16 x 1,5
Verfügbarer Einbauraum 4 TE, DIN 43880
Abmessungen (b x h x t) 125 x 200 x 110 mm

Product 041800 was added to Notepad.

Product 041800 was added to the cart.

Part No. 041805

GTIN , Gross weight: , PU:


Images

Additional information

 

SCI-Technology

The patented SCI technology with active arc extinction allows to actively, quickly and safely extinguish a possible switching arc in case of overload. The PV fuse integrated in the short-circuit path trips immediately after the arc has been extinguished, thus ensuring safe electrical isolation (interruption). Consequently, all PV arresters from DEHN combine surge protection, fire protection and personal protection in a single device

Technical data

Daten Ableiter
SPD nach EN 50539-11 Typ 2
Max. PV-Spannung (UCPV ) ≤ 1000 V
Kurzschlussfestigkeit (ISCPV ) 1000 A
Nennableitstoßstrom (8/20 µs) [(DC+/DC-) --> PE] (In ) 12,5 kA
Max. Ableitstoßstrom (8/20 µs) [(DC+/DC-) --> PE] (Imax ) 25 kA
Schutzpegel (UP ) ≤ 4 kV
Zulassungen KEMA, UL
Daten Gehäuse
Schutzart IP65
Kabeleinführung 2x MC4 Steckanschluss DC/+, 2x MC4 Steckanschluss DC/-, 1x Verschraubung M16 x 1,5
Verfügbarer Einbauraum 4 TE, DIN 43880
Abmessungen (b x h x t) 125 x 200 x 110 mm

Product 041805 was added to Notepad.

Product 041805 was added to the cart.


PVB 2 1000

2 Products

Part No. 041801

GTIN , Gross weight: , PU:


Images

Additional information

 

SCI-Technology

The patented SCI technology with active arc extinction allows to actively, quickly and safely extinguish a possible switching arc in case of overload. The PV fuse integrated in the short-circuit path trips immediately after the arc has been extinguished, thus ensuring safe electrical isolation (interruption). Consequently, all PV arresters from DEHN combine surge protection, fire protection and personal protection in a single device

Technical data

Daten Ableiter
SPD nach EN 50539-11 Typ 2
Max. PV-Spannung (UCPV ) ≤ 1000 V
Kurzschlussfestigkeit (ISCPV ) 1000 A
Nennableitstoßstrom (8/20 µs) [(DC+/DC-) --> PE] (In ) 12,5 kA
Max. Ableitstoßstrom (8/20 µs) [(DC+/DC-) --> PE] (Imax ) 25 kA
Schutzpegel (UP ) ≤ 4 kV
Zulassungen KEMA, UL
Daten Gehäuse
Schutzart IP65
Kabeleinführung 4x MC4 Steckanschluss DC/+, 4x MC4 Steckanschluss DC/-, 1x Verschraubung M16 x 1,5
Verfügbarer Einbauraum 8 TE, DIN 43880
Abmessungen (b x h x t) 200 x 210 x 110 mm

Product 041801 was added to Notepad.

Product 041801 was added to the cart.

Part No. 041806

GTIN , Gross weight: , PU:


Images

Additional information

 

SCI-Technology

The patented SCI technology with active arc extinction allows to actively, quickly and safely extinguish a possible switching arc in case of overload. The PV fuse integrated in the short-circuit path trips immediately after the arc has been extinguished, thus ensuring safe electrical isolation (interruption). Consequently, all PV arresters from DEHN combine surge protection, fire protection and personal protection in a single device

Technical data

Daten Ableiter
SPD nach EN 50539-11 Typ 2
Max. PV-Spannung (UCPV ) ≤ 1000 V
Kurzschlussfestigkeit (ISCPV ) 1000 A
Nennableitstoßstrom (8/20 µs) [(DC+/DC-) --> PE] (In ) 12,5 kA
Max. Ableitstoßstrom (8/20 µs) [(DC+/DC-) --> PE] (Imax ) 25 kA
Schutzpegel (UP ) ≤ 4 kV
Zulassungen KEMA, UL
Daten Gehäuse
Schutzart IP65
Kabeleinführung 4x MC4 Steckanschluss DC/+, 4x MC4 Steckanschluss DC/-, 1x Verschraubung M16 x 1,5
Verfügbarer Einbauraum 8 TE, DIN 43880
Abmessungen (b x h x t) 200 x 210 x 110 mm

Product 041806 was added to Notepad.

Product 041806 was added to the cart.


back to top