DEHNpatch – Ableiter für Datennetze und Ethernet-Anwendungen
:quality(98)/www.dehn-international.com/store/f/63200645/HDVORSCHAU/929161a1_16-9.jpg)
:quality(98)/www.dehn-international.com/store/f/63200645/HDVORSCHAU/929161a1_16-9.jpg)
- Überspannungsschutz für die Ethernet Infrastruktur
- bis 10 Gbit/s (bis Class EA / 500 MHz)
- Patchkabel mit Überspannungsschutz CAT 6A im Channel
- IP66-Variante für Outdoor-Anwendungen
- Power over Ethernet IEEE 802.3 konform (bis PoE++ / 4PPoE)
- Jederzeit nachrüstbar
Details
:quality(98)/www.dehn-international.com/store/f/63200649/HDVORSCHAU/929221a1.jpg)
:quality(98)/www.dehn-international.com/store/f/63200649/HDVORSCHAU/929221a1.jpg)
:quality(98)/www.dehn-international.com/store/f/63200646/HDVORSCHAU/929161_Kat1.jpg)
:quality(98)/www.dehn-international.com/store/f/63200646/HDVORSCHAU/929161_Kat1.jpg)
:quality(98)/www.dehn-international.com/store/f/63200648/HDVORSCHAU/929100_Kat.jpg)
:quality(98)/www.dehn-international.com/store/f/63200648/HDVORSCHAU/929100_Kat.jpg)
:quality(98)/www.dehn-international.com/store/f/63200647/HDVORSCHAU/929161_Kat2.jpg)
:quality(98)/www.dehn-international.com/store/f/63200647/HDVORSCHAU/929161_Kat2.jpg)
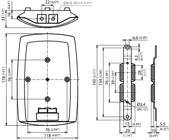
DPA CLE IP66
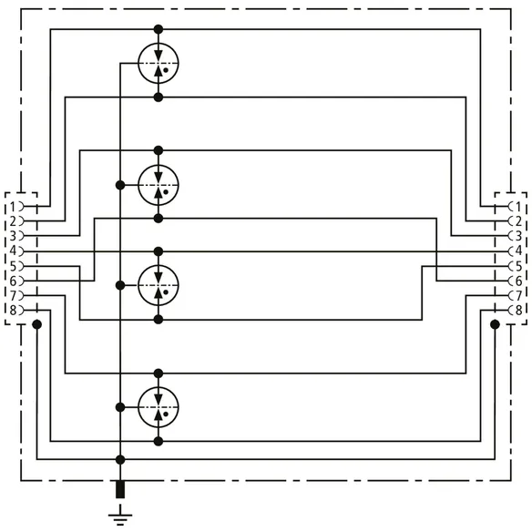
Universeller Überspannungs-Ableiter für GBit Ethernet Applikationen, Power over Ethernet (IEEE 802.3 konform bis PoE++ / 4PPoE) und ähnliche Anwendungen in strukturierten Verkabelungen bis Klasse E im Indoor- und Outdoorbereich in einem IP66 Gehäuse zum Schutz gegen Eindringen von Staub und Wasser. Schutz aller Adernpaare mit leistungsfähigen Gasentladungsableitern und je einer abgestimmten Filtermatrix pro Adernpaar. Voll geschirmte Überspannungsschutzlösung mit RJ 45-Buchsen. Universelle Montagehalterung für die wahlweise Mast- oder Wandmontage.
Externes Zubehör: Spannbänder für Mastmontage
1 Product
Part No. 929221 DPA CLE IP66
GTIN 4013364342866, Customs tariff No. (EU): 85363010, Gross weight: 745.00 g, PU: 1.00 Stk.
Technical data
Ableiterklasse | T |
Höchste Dauerspannung DC Pa-Pa (PoE) (Uc ) | 60 V |
Nennstrom (IL ) | 1 A |
D1 Blitzstoßstrom (10/350 µs) pro Ader (Iimp ) | 0,8 kA |
D1 Blitzstoßstrom (10/350 µs) gesamt (Iimp ) | 4 kA |
C2 Nennableitstoßstrom (8/20 µs) gesamt (In ) | 10 kA |
Grenzfrequenz (fG ) | 250 MHz |
Schutzart (mit angeschlossenen Leitungen) | IP 66 |
Anschluss Eingang / Ausgang | RJ45-Buchse / RJ45-Buchse |
Zulassungen | UL 497B, CSA |
DPA M CAT6
Universeller Ableiter für Industrial Ethernet, Power over Ethernet (IEEE 802.3 konform bis PoE++ / 4PPoE) und ähnliche Anwendungen in strukturierten Verkabelungen nach Cat 6 und nach Klasse EA bis 500 MHz. Voll geschirmte Ausführung mit Patchleitung für die Hutschienenmontage (bis 10 Gbit Ethernet).
1 Product
Part No. 929100 DPA M CAT6 RJ45S 48
GTIN 4013364102170, Customs tariff No. (EU): 85363010, Gross weight: 244.00 g, PU: 1.00 Stk.
PredecessorTechnical data
Ableiterklasse | T |
Höchste Dauerspannung DC (Uc ) | 48 V |
Höchste Dauerspannung DC Pa-Pa (PoE) (Uc ) | 57 V |
Nennstrom (IL ) | 1 A |
D1 Blitzstoßstrom (10/350 µs) pro Ader (Iimp ) | 1 kA |
C2 Nennableitstoßstrom (8/20 µs) gesamt (In ) | 10 kA |
Grenzfrequenz (fG ) | 250 MHz |
Anschluss Eingang / Ausgang | RJ45-Anschlussleitung / RJ45-Anschlussleitung |
DEHNpatch Class EA (Neu)
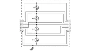
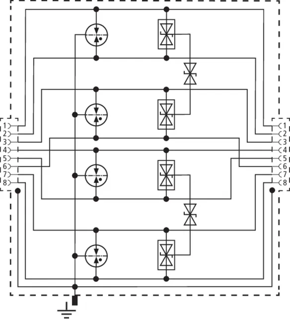
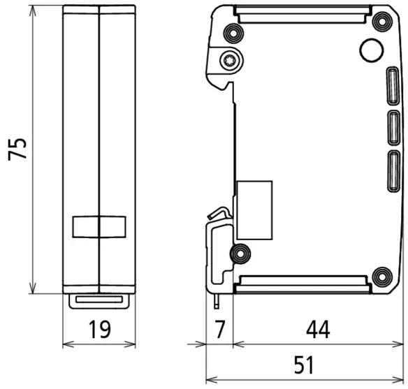
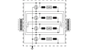
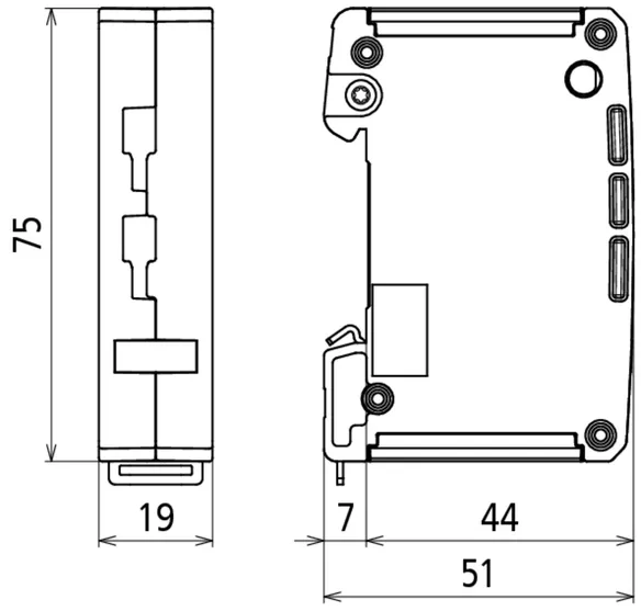
Universeller, platzsparender Kombi-Ableiter in 19 mm Baubreite und RJ45 Anschlusstechnik mit Statusanzeige für die einfache Wartung. Schutz von Anwendungen in strukturierten Verkabelungen nach Klasse EA bis 500 MHz, z.B. Industrial Ethernet, Datenverteiler, digitale Kamerasysteme, Power over Ethernet (IEEE 802.3 konform bis 4PPoE) und generell Ethernet basierte Schnittstellen. Schutz aller Adernpaare durch leistungsfähige Gasentladungsableiter und Schutzdioden zwischen den Signaladern sowie Aderpaaren. Voll geschirmte Adapterausführung mit RJ45 Buchsen für die Hutschienenmontage. Mit gehäuseseitigem, zusätzlichem Schraubanschluss für die optionale Erdanbindung.
1 Product
Part No. 929161 DPA CL8 EA 4PPOE
GTIN 4013364472921, Customs tariff No. (EU): 85363010, Gross weight: 188.70 g, PU: 1.00 Stk.
Technical data
Ableiterklasse | L |
Höchste Dauerspannung DC (Uc ) | 3,3 V |
Höchste Dauerspannung DC Pa-Pa (PoE) (Uc ) | 58 V |
Nennstrom (IL ) | 1,5 A |
D1 Blitzstoßstrom (10/350 µs) pro Ader (Iimp ) | 0,5 kA |
C2 Nennableitstoßstrom (8/20 µs) gesamt (In ) | 10 kA |
Grenzfrequenz (fG ) | 500 MHz |
Anschluss Eingang / Ausgang | RJ45-Buchse / RJ45-Buchse |
Zulassungen | GHMT, UL 497B |
DEHNpatch Class E
Universeller Ableiter für Industrial Ethernet, Power over Ethernet (IEEE 802.3 konform bis PoE++ / 4PPoE) und ähnliche Anwendungen in strukturierten Verkabelungen nach Klasse E bis 250 MHz. Schutz aller Adernpaare durch leistungsfähige Gasentladungsableiter und je einer abgestimmten Filtermatrix pro Adernpaar. Voll geschirmte Ausführung mit Buchsen für die Hutschienenmontage (bis 1 Gbit Ethernet).
1 Product
Part No. 929121 DPA M CLE RJ45B 48
GTIN 4013364118935, Customs tariff No. (EU): 85363010, Gross weight: 122.00 g, PU: 1.00 Stk.
PredecessorTechnical data
Ableiterklasse | T |
Höchste Dauerspannung DC (Uc ) | 48 V |
Höchste Dauerspannung DC Pa-Pa (PoE) (Uc ) | 57 V |
Nennstrom (IL ) | 1 A |
D1 Blitzstoßstrom (10/350 µs) pro Ader (Iimp ) | 0,5 kA |
C2 Nennableitstoßstrom (8/20 µs) gesamt (In ) | 10 kA |
Grenzfrequenz (fG ) | 250 MHz |
Anschluss Eingang / Ausgang | RJ45-Buchse / RJ45-Buchse |
Zulassungen | CSA, UL 497B |
DEHNpatch Class D (Neu)
Universeller, platzsparender Blitzstrom-Ableiter in 19 mm Baubreite und RJ45 Anschlusstechnik für den Blitzschutz-Potentialausgleich. Schutz von Anwendungen in strukturierten Verkabelungen nach Klasse D bis 100 MHz, z.B. Industrial Ethernet, Datenverteilern, digitalen Kamerasystemen, Power over Ethernet (IEEE 802.3 konform bis 4PPoE) und generell Ethernet basierte Schnittstellenn. Schutz aller Adernpaare durch leistungsfähige Gasentladungsableiter. Voll geschirmte Adapterausführung mit RJ45 Buchsen für die Hutschienenmontage. Mit gehäuseseitigem, zusätzlichem Schraubanschluss für die optionale Erdanbindung.
1 Product
Part No. 929166 DPA C8 D 4PPOE
GTIN 4013364472914, Customs tariff No. (EU): 85363010, Gross weight: 178.25 g, PU: 1.00 Stk.
Technical data
Ableiterklasse | A |
Höchste Dauerspannung DC (Uc ) | 3,3 V |
Höchste Dauerspannung DC Pa-Pa (PoE) (Uc ) | 58 V |
Nennstrom (IL ) | 1,5 A |
D1 Blitzstoßstrom (10/350 µs) pro Ader (Iimp ) | 0,5 kA |
C2 Nennableitstoßstrom (8/20 µs) gesamt (In ) | 10 kA |
Grenzfrequenz (fG ) | 100 MHz |
Anschluss Eingang / Ausgang | RJ45-Buchse / RJ45-Buchse |
Zulassungen | UL 497B |
DEHNpatch Class D
Universeller Ableiter für Industrial Ethernet, Power over Ethernet (IEEE 802.3 konform bis PoE++ / 4PPoE) und ähnliche Anwendungen in strukturierten Verkabelungen nach Klasse D bis 100 MHz. Schutz aller Adernpaare durch leistungsfähige Gasentladungsableiter. Adapterausführung mit Buchsen für die Hutschienenmontage.
1 Product
Part No. 929126 DPA M CLD RJ45B 48
GTIN 4013364242258, Customs tariff No. (EU): 85363010, Gross weight: 102.00 g, PU: 1.00 Stk.
Technical data
Ableiterklasse | U |
Höchste Dauerspannung DC (Uc ) | 48 V |
Höchste Dauerspannung DC Pa-Pa (PoE) (Uc ) | 57 V |
Nennstrom (IL ) | 1 A |
D1 Blitzstoßstrom (10/350 µs) pro Ader (Iimp ) | 0,5 kA |
C2 Nennableitstoßstrom (8/20 µs) gesamt (In ) | 10 kA |
Grenzfrequenz (fG ) | 100 MHz |
Anschluss Eingang / Ausgang | RJ45-Buchse / RJ45-Buchse |
Zulassungen | UL 497B |