FS / USD
:quality(98)/www.dehn-international.com/store/f/55871345/HDVORSCHAU/924017a1_16-9.jpg)
:quality(98)/www.dehn-international.com/store/f/55871345/HDVORSCHAU/924017a1_16-9.jpg)
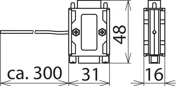
- Überspannungs-Ableiter in SUB-D-Anschlusstechnik zum leichten Nachrüsten
- 9-poliger Standardanschluss
- Standard Profibus-DP
Details
:quality(98)/www.dehn-international.com/store/f/55871347/HDVORSCHAU/924017a2_Kat.jpg)
:quality(98)/www.dehn-international.com/store/f/55871347/HDVORSCHAU/924017a2_Kat.jpg)
:quality(98)/www.dehn-international.com/store/f/55871346/HDVORSCHAU/924017_Kat.jpg)
:quality(98)/www.dehn-international.com/store/f/55871346/HDVORSCHAU/924017_Kat.jpg)
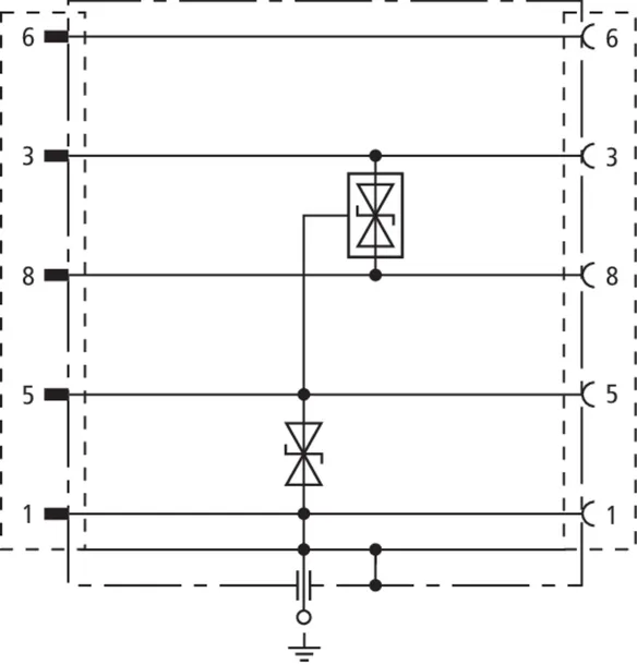
Part No. 924017 FS 9E PB 6
GTIN 4013364045934, Customs tariff No. (EU): 85363010, Gross weight: 38.40 g, PU: 1.00 Stk.
Technical data
Ableiterklasse | [ |
Höchste Dauerspannung DC (UC ) | 7 V |
C1 Nennableitstoßstrom (8/20 µs) Ad-Ad (In ) | 0,2 kA |
C1 Nennableitstoßstrom (8/20 µs) Ad-SG (In ) | 0,2 kA |
C1 Nennableitstoßstrom (8/20 µs) SG-PG (In ) | 0,4 kA |
Grenzfrequenz (fG ) | 90 MHz |
Anschluss Eingang / Ausgang | SUB-D 9 Stecker / SUB-D 9 Buchse |