DEHNbox
:quality(98)/www.dehn-international.com/store/f/55871021/HDVORSCHAU/922220a1_16-9.jpg)
:quality(98)/www.dehn-international.com/store/f/55871021/HDVORSCHAU/922220a1_16-9.jpg)
- Blitzstromtragfähig bis 10 kA (10/350 μs)
- Niedriger Schutzpegel, auch für Endgeräteschutz geeignet
- Einsetzbar nach dem Blitz-Schutzzonen-Konzept an den Schnittstellen 0A – 2 und höher
- Geeignet für Wandmontage
- Schnelle und einfache Installation durch Federklemmtechnik
- Ermöglicht einfaches Nachrüsten des Überspannungsschutzes
- Statusanzeige für einfache Wartung
- RJ45-Anschlussmöglichkeit für Plug & Play
- Universeller Einsatz bis 1 Gbit
Details
:quality(98)/www.dehn-international.com/store/f/55871022/HDVORSCHAU/922220a3_Detail_1.jpg)
:quality(98)/www.dehn-international.com/store/f/55871022/HDVORSCHAU/922220a3_Detail_1.jpg)
:quality(98)/www.dehn-international.com/store/f/55871025/HDVORSCHAU/922220a4_Detail_4.jpg)
:quality(98)/www.dehn-international.com/store/f/55871025/HDVORSCHAU/922220a4_Detail_4.jpg)
:quality(98)/www.dehn-international.com/store/f/55871023/HDVORSCHAU/922220a3_Detail_2.jpg)
direkten Anschluss am Router
(DBX TC B 180).
:quality(98)/www.dehn-international.com/store/f/55871023/HDVORSCHAU/922220a3_Detail_2.jpg)
:quality(98)/www.dehn-international.com/store/f/55871024/HDVORSCHAU/922220a2_Detail_3.jpg)
(DBX TC B 180).
:quality(98)/www.dehn-international.com/store/f/55871024/HDVORSCHAU/922220a2_Detail_3.jpg)
Similar topics
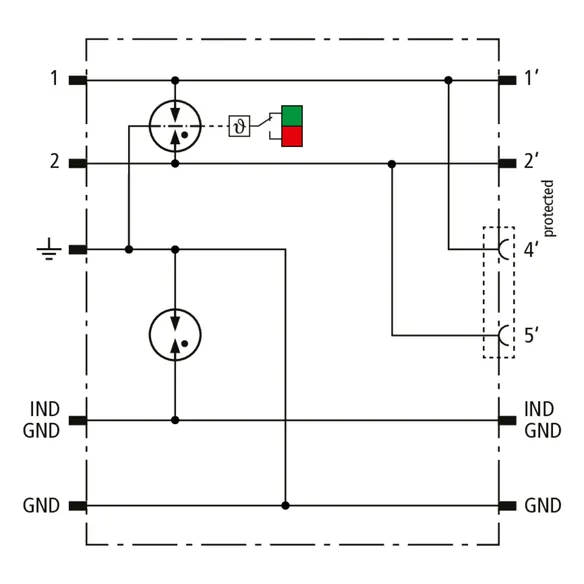
DBX TC B 180
Platzsparender kompakter Überspannungs-Ableiter im Kunststoff-Aufputz-Gehäuse mit Push-in Anschlusstechnik und Statusanzeige zum Schutz einer Doppelader erdpotentialfreier symetrischer Schnittstellen, insbesondere Telekommunikationsschnittstellen bis VVDSL und G.fast (bis 1 Gbit/s). Möglichkeit zur direkten / indirekten Schirmerdung. Ausgangsseitig wahlweise Anschluss einer Doppelader oder einer Patchleitung mit RJ45 Stecker.
Tests der Deutschen Telekom Technik GmbH bestätigen die Verträglichkeit mit Vectoring-VDSL (VVDSL), Super-Vectoring-VDSL (SVVDSL) und G.Fast.
1 Product
Part No. 922220 DBX TC B 180
GTIN 4013364433953, Customs tariff No. (EU): 85363030, Gross weight: 93.63 g, PU: 1.00 Stk.
PredecessorTechnical data
Ableiterklasse | L |
Höchste Dauerspannung DC (UC ) | 180 V |
Nennstrom bei 40 °C (IL ) | 1 A |
D1 Blitzstoßstrom (10/350 µs) gesamt (Iimp ) | 7,5 kA |
C2 Nennableitstoßstrom (8/20 µs) gesamt (In ) | 20 kA |
Serienimpedanz pro Ader | 0 Ohm |
Grenzfrequenz Ad-Ad (100 Ohm) (fG ) | 425 MHz |
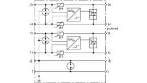
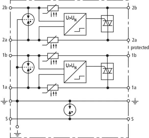
Part No. 922400 DBX U4 KT BD S 0-180
GTIN 4013364137349, Customs tariff No. (EU): 85363010, Gross weight: 251.70 g, PU: 1.00 Stk.
Technical data
Ableiterklasse | M |
Höchste Dauerspannung DC (UC ) | 180 V |
Zulässige überlagerte Signalspannung (USignal ) | ≤ +/- 5 V |
Grenzfrequenz Ad-Ad (USignal, symmetrisch 100 Ohm) (fG ) | 50 MHz |
Nennstrom (entspr. max. Kurzschlussstrom) (IL ) | 100 mA |
D1 Blitzstoßstrom (10/350 µs) gesamt (Iimp ) | 10 kA |
C2 Nennableitstoßstrom (8/20 µs) gesamt (In ) | 20 kA |
Serienimpedanz pro Ader | ≤ 9 Ohm; typisch 7,9 Ohm |
Abmessungen (l x b x h) | 93 x 93 x 55 mm |