Anschlussklemmen für Stahlträger für Ex-Bereiche Zone 2/22

Schwere Ausführung; für den Anschluss an Stahlkonstruktionen.Alle Verbindungen gegen Selbstlockern gesichert:
  • Verbindung zur Stahlkonstruktion mittels kleberbeschichteten Schrauben
  • Rundleiteranschluss mittels Federring
Geeignet für den Einsatz in Ex-Bereich Zone 2/22.

Ausführung senkrecht mit KS-Verbinder

2 Products

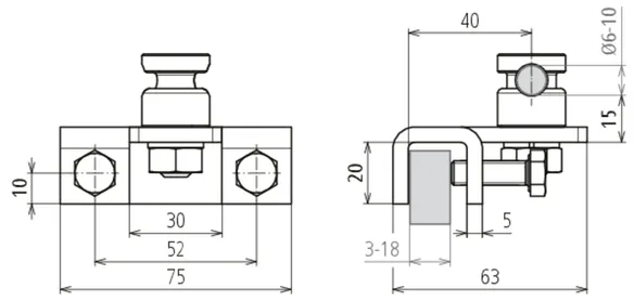
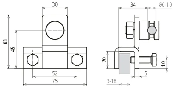
Part No. 372169 AK 6.10 KSV FER S KBF3 18 V2A

GTIN 4013364463660, Customs tariff No. (EU): 85359000, Gross weight: 289.60 g, PU: 10.00 Stk.


Images

Additional information

Anschlussklemmen für Stahlträger senkrecht mit KS-Verbinder NIRO
Anschlussklemmen für Stahlträger
schwere Ausführung,
für den Anschluss an
Stahlkonstruktionen
Schrauben gegen Selbstlockern
mittels Federring gesichert
Geeignet für Ex-Bereich Zone 2/22
Klemmbereich: 3-18 mm
Werkstoff Klemme: NIRO
Klemmbereich Rd: 6-10 mm
Normenbezug: DIN EN 62561-1

Fabrikat: DEHN
Typ: AK 6.10 KSV FER S KBF3 18 V2A
Art.-Nr.: 372169
oder gleichwertig.

Certificates

 

Technical data

Klemmbereich 3-18 mm
Werkstoff Klemme NIRO
Klemmbereich Rd 6-10 mm
Normenbezug DIN EN 62561-1
*) Genaue Zuordnung siehe Prüfzertifikat.

Product 372169 was added to Notepad.

Product 372169 was added to the cart.

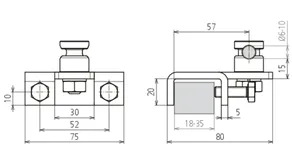
Part No. 372179 AK 6.10 KSV FER S KBF18 35 V2A

GTIN 4013364463684, Customs tariff No. (EU): 85359000, Gross weight: 342.50 g, PU: 10.00 Stk.


Images

Additional information

Anschlussklemmen für Stahlträger senkrecht mit KS-Verbinder NIRO
Anschlussklemmen für Stahlträger
schwere Ausführung, für den Anschluss an
Stahlkonstruktionen
Schrauben gegen Selbstlockern
mittels Federring gesichert
Geeignet für Ex-Bereich Zone 2/22
Klemmbereich: 18-35 mm
Werkstoff Klemme: NIRO
Klemmbereich Rd: 6-10 mm
Normenbezug: DIN EN 62561-1

Fabrikat: DEHN
Typ: AK 6.10 KSV FER S KBF18 35 V2A
Art.-Nr.: 372179
oder gleichwertig.

Certificates

 

Technical data

Klemmbereich 18-35 mm
Werkstoff Klemme NIRO
Klemmbereich Rd 6-10 mm
Normenbezug DIN EN 62561-1
*) Genaue Zuordnung siehe Prüfzertifikat.

Product 372179 was added to Notepad.

Product 372179 was added to the cart.


Ausführung waagrecht mit KS-Verbinder

2 Products

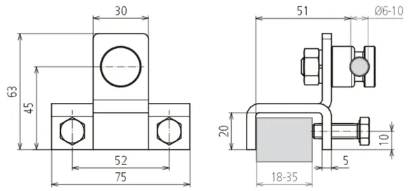
Part No. 372269 AK 6.10 KSV FER W KBF3 18 V2A

GTIN 4013364463677, Customs tariff No. (EU): 85359000, Gross weight: 290.00 g, PU: 10.00 Stk.


Images

Additional information

Anschlussklemmen für Stahlträger waagrecht mit KS-Verbinder NIRO
Anschlussklemmen für Stahlträger
schwere Ausführung, für den Anschluss
an Stahlkonstruktionen
Schrauben gegen Selbstlockern
mittels Federring gesichert
Geeignet für Ex-Bereich Zone 2/22
Klemmbereich: 3-18 mm
Werkstoff Klemme: NIRO
Klemmbereich Rd: 6-10 mm
Normenbezug: DIN EN 62561-1

Fabrikat: DEHN
Typ: AK 6.10 KSV FER W KBF3 18 V2A
Art.-Nr.: 372269
oder gleichwertig.

Certificates

 

Technical data

Klemmbereich 3-18 mm
Werkstoff Klemme NIRO
Klemmbereich Rd 6-10 mm
Normenbezug DIN EN 62561-1
*) Genaue Zuordnung siehe Prüfzertifikat.

Product 372269 was added to Notepad.

Product 372269 was added to the cart.

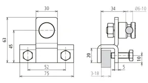
Part No. 372279 AK 6.10 KSV FER W KBF18 35 V2A

GTIN 4013364463691, Customs tariff No. (EU): 85359000, Gross weight: 341.90 g, PU: 10.00 Stk.


Images

Additional information

Anschlussklemmen für Stahlträger waagrecht mit KS-Verbinder NIRO
Anschlussklemmen für Stahlträger
schwere Ausführung, für den Anschluss
an Stahlkonstruktionen
Schrauben gegen Selbstlockern
mittels Federring gesichert
Geeignet für Ex-Bereich Zone 2/22
Klemmbereich: 18-35 mm
Werkstoff Klemme: NIRO
Klemmbereich Rd: 6-10 mm
Normenbezug: DIN EN 62561-1

Fabrikat: DEHN
Typ: AK 6.10 KSV FER W KBF18 35 V2A
Art.-Nr.: 372279
oder gleichwertig.

Certificates

 

Technical data

Klemmbereich 18-35 mm
Werkstoff Klemme NIRO
Klemmbereich Rd 6-10 mm
Normenbezug DIN EN 62561-1
*) Genaue Zuordnung siehe Prüfzertifikat.

Product 372279 was added to Notepad.

Product 372279 was added to the cart.


back to top