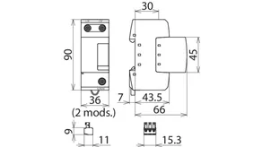
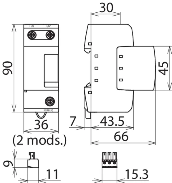
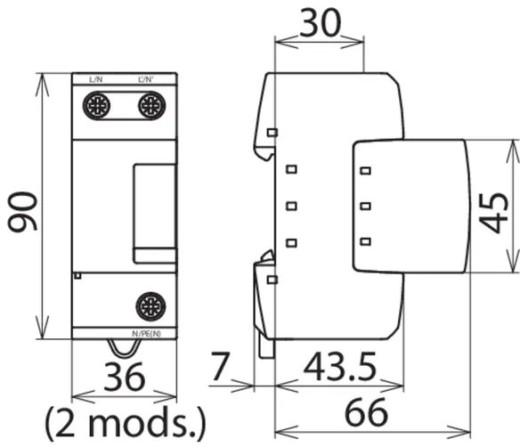
DEHNbloc modular
:quality(98)/www.dehn-international.com/store/f/61841305/HDVORSCHAU/961125a1_16-9.jpg)
:quality(98)/www.dehn-international.com/store/f/61841305/HDVORSCHAU/961125a1_16-9.jpg)
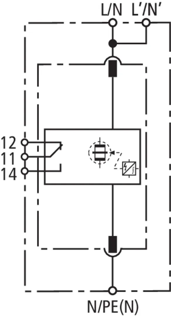
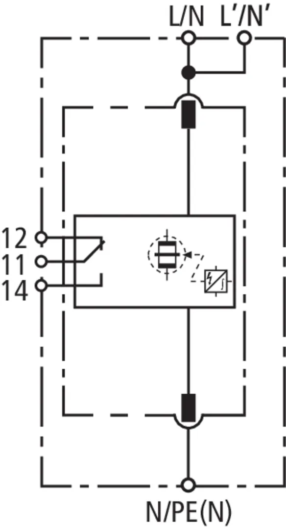
- Coordinated spark-gap-based lightning current arrester consisting of a base part and a plug-in protection module
- Maximum system availability due to RADAX Flow follow current limitation
- No tripping of 32 A gG fuses up to short-circuit currents of 50 kArms
- Discharge capacity up to 50 kA (10/350 µs)
- Directly coordinated with DEHNguard surge protective devices without additional cable length
- Low voltage protection level
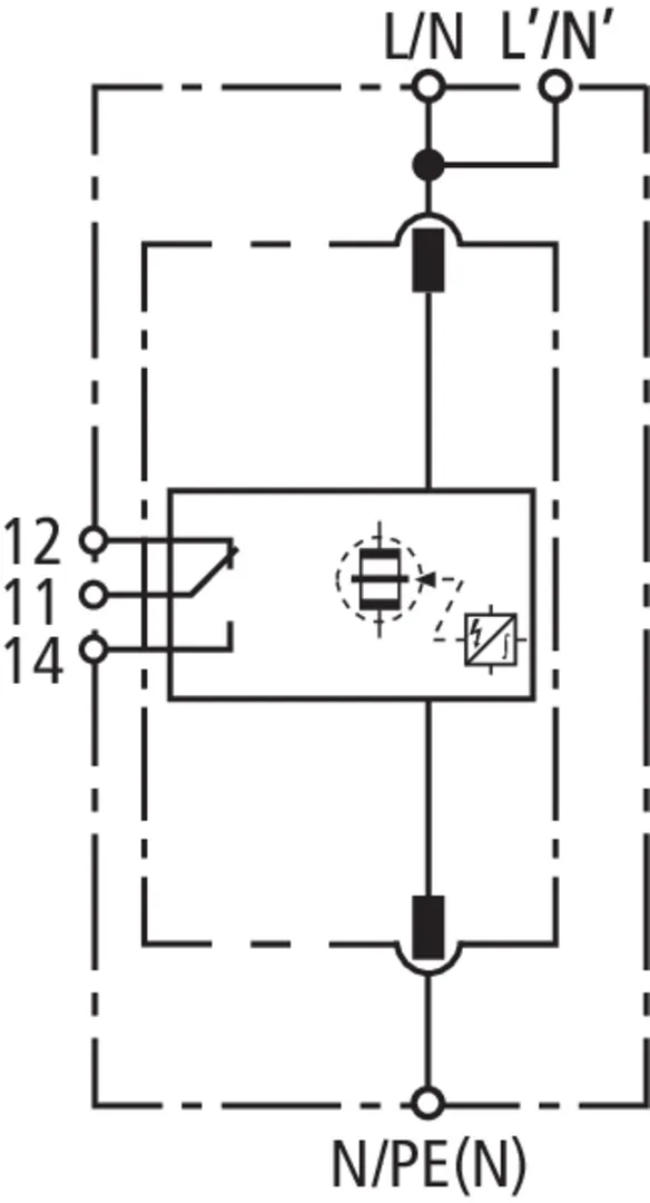
- Operating state / fault indication by green / red indicator flag in the inspection window
- Easy replacement of protection modules without tools due to module locking system with module release button
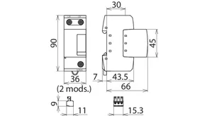
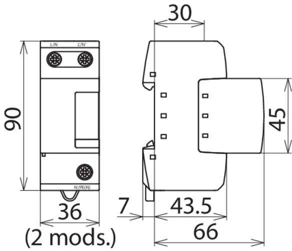
Details
:quality(98)/www.dehn-international.com/store/f/61841306/HDVORSCHAU/961125a2_Kat.jpg)
:quality(98)/www.dehn-international.com/store/f/61841306/HDVORSCHAU/961125a2_Kat.jpg)
Part No. 961110 DB M 1 150
GTIN 4013364118560, Customs tariff No. (EU): 85363090, Gross weight: 333.40 g, PU: 1.00 pc(s)
PredecessorTechnical data
SPD according to EN 61643-11 / IEC 61643-11 | type 1 / class I |
Max. continuous operating voltage (a.c.) (UC ) | 150 V (50 / 60 Hz) |
Lightning impulse current (10/350 µs) (Iimp ) | 35 kA |
Voltage protection level (UP ) | ≤ 1.5 kV |
Max. backup fuse (L) up to IK = 35 kArms (ta ≤ 0.2 s) | 500 A gG |
Max. backup fuse (L) up to IK = 35 kArms (ta ≤ 5 s) | 315 A gG |
Approvals | UL, CSA |
Part No. 961120 DB M 1 255
GTIN 4013364118614, Customs tariff No. (EU): 85363090, Gross weight: 355.80 g, PU: 1.00 pc(s)
PredecessorTechnical data
SPD according to EN 61643-11 / IEC 61643-11 | type 1 / class I |
Max. continuous operating voltage (a.c.) (UC ) | 255 V (50 / 60 Hz) |
Lightning impulse current (10/350 µs) (Iimp ) | 50 kA |
Voltage protection level (UP ) | ≤ 2.5 kV |
Max. backup fuse (L) up to IK = 50 kArms (ta ≤ 0.2 s) | 500 A gG |
Max. backup fuse (L) up to IK = 50 kArms (ta ≤ 5 s) | 315 A gG |
Approvals | VDE, KEMA, UL |
Part No. 961130 DB M 1 320
GTIN 4013364118638, Customs tariff No. (EU): 85363090, Gross weight: 341.00 g, PU: 1.00 pc(s)
PredecessorTechnical data
SPD according to EN 61643-11 / IEC 61643-11 | type 1 / class I |
Max. continuous operating voltage (a.c.) (UC ) | 320 V (50 / 60 Hz) |
Lightning impulse current (10/350 µs) (Iimp ) | 25 kA |
Voltage protection level (UP ) | ≤ 2.5 kV |
Max. backup fuse (L) up to IK = 50 kArms (ta ≤ 0.2 s) | 315 A gG |
Max. backup fuse (L) up to IK = 50 kArms (ta ≤ 5 s) | 315 A gG |
Approvals | UL |
Part No. 961115 DB M 1 150 FM
GTIN 4013364118577, Customs tariff No. (EU): 85363090, Gross weight: 337.30 g, PU: 1.00 pc(s)
PredecessorTechnical data
SPD according to EN 61643-11 / IEC 61643-11 | type 1 / class I |
Max. continuous operating voltage (a.c.) (UC ) | 150 V (50 / 60 Hz) |
Lightning impulse current (10/350 µs) (Iimp ) | 35 kA |
Voltage protection level (UP ) | ≤ 1.5 kV |
Max. backup fuse (L) up to IK = 35 kArms (ta ≤ 0.2 s) | 500 A gG |
Max. backup fuse (L) up to IK = 35 kArms (ta ≤ 5 s) | 315 A gG |
Approvals | UL, CSA |
Part No. 961125 DB M 1 255 FM
GTIN 4013364118621, Customs tariff No. (EU): 85363090, Gross weight: 359.30 g, PU: 1.00 pc(s)
PredecessorTechnical data
SPD according to EN 61643-11 / IEC 61643-11 | type 1 / class I |
Max. continuous operating voltage (a.c.) (UC ) | 255 V (50 / 60 Hz) |
Lightning impulse current (10/350 µs) (Iimp ) | 50 kA |
Voltage protection level (UP ) | ≤ 2.5 kV |
Max. backup fuse (L) up to IK = 50 kArms (ta ≤ 0.2 s) | 500 A gG |
Max. backup fuse (L) up to IK = 50 kArms (ta ≤ 5 s) | 315 A gG |
Approvals | VDE, KEMA, UL |
Part No. 961135 DB M 1 320 FM
GTIN 4013364118645, Customs tariff No. (EU): 85363090, Gross weight: 346.00 g, PU: 1.00 pc(s)
PredecessorTechnical data
SPD according to EN 61643-11 / IEC 61643-11 | type 1 / class I |
Max. continuous operating voltage (a.c.) (UC ) | 320 V (50 / 60 Hz) |
Lightning impulse current (10/350 µs) (Iimp ) | 25 kA |
Voltage protection level (UP ) | ≤ 2.5 kV |
Max. backup fuse (L) up to IK = 50 kArms (ta ≤ 0.2 s) | 315 A gG |
Max. backup fuse (L) up to IK = 50 kArms (ta ≤ 5 s) | 315 A gG |
Approvals | UL |