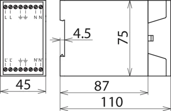
NF 10 mains filter Mains filter for protecting sensitive automation technology terminal equipment against high-frequency interference Nominal voltage: 230 V/50 Hz Nominal current: 10 A Attenuation (1 MHz): balanced > 64 dB unbalanced > 69 dB Backup fuse: 10 A gL/gG Dimensions: 110 x 45 x 75 mm Mounting on 35 mm DIN rails according to EN 50022
Brand: DEHN
Type: NF 10
Part No.: 912254
or equivalent.