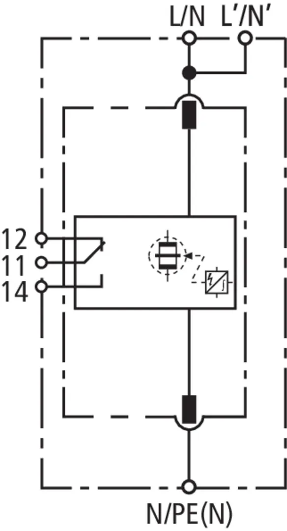
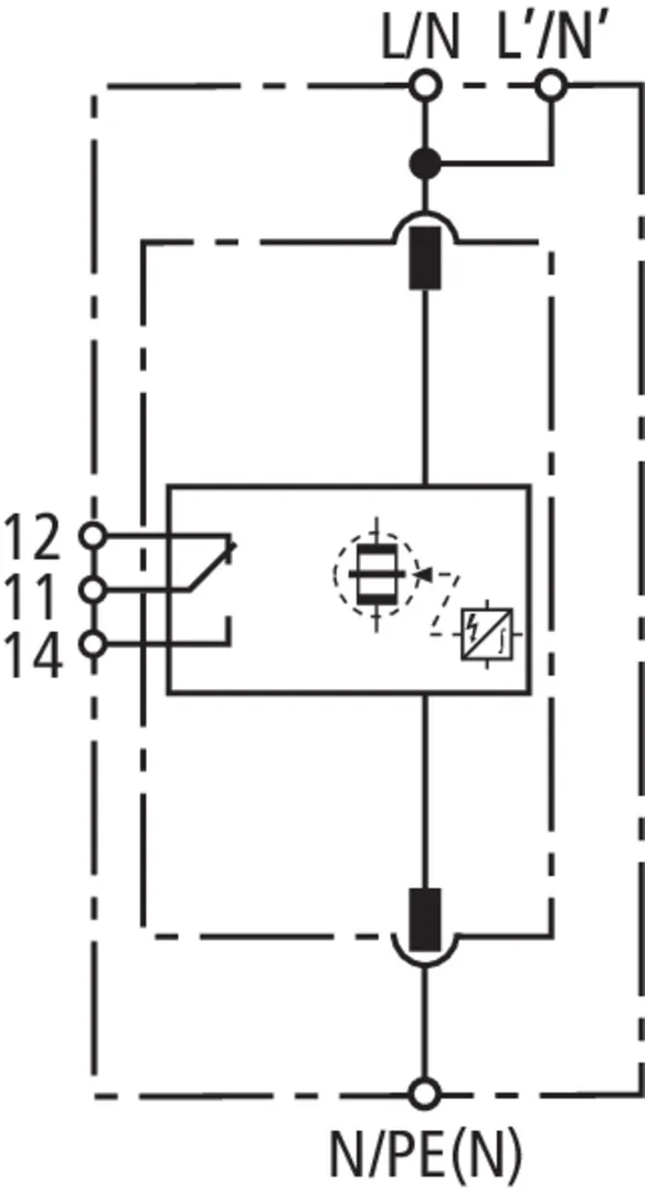
DEHNbloc modular

  • Coordinated spark-gap-based lightning current arrester consisting of a base part and a plug-in protection module
  • Maximum system availability due to RADAX Flow follow current limitation
  • No tripping of 32 A gG fuses up to short-circuit currents of 50 kArms
  • Discharge capacity up to 50 kA (10/350 µs)
  • Directly coordinated with DEHNguard surge protective devices without additional cable length
  • Low voltage protection level
  • Operating state / fault indication by green / red indicator flag in the inspection window
  • Easy replacement of protection modules without tools due to module locking system with module release button

Details

lorem ipsum

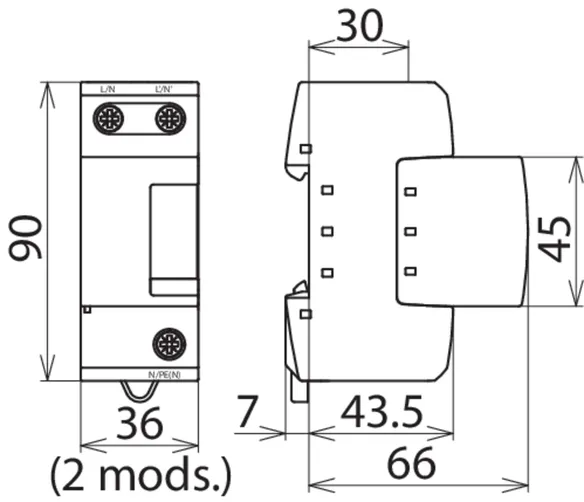
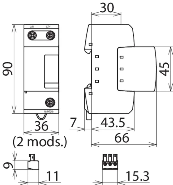
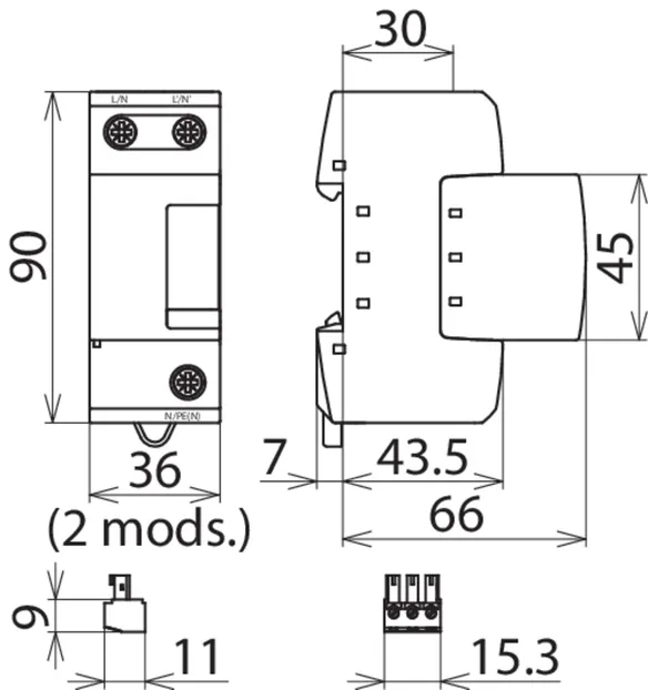
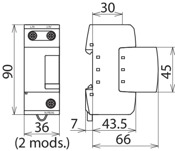
DEHNbloc M 1 ...

Coordinated and modular single-pole lightning current arrester with a high discharge capacity.

3 Products

Part No. 961110 DB M 1 150

GTIN 4013364118560, Customs tariff No. (EU): 85363090, Gross weight: 333.40 g, PU: 1.00 pc(s)

Predecessor

Images

Additional information

Coordinated DEHNbloc M 1 150 lightning current arrester
Pluggable, coordinated and modular single-pole
lightning current arrester, width: 2 mod.
with high follow current limitation
Type 1 SPD according to EN 61643-11
RADAX Flow spark gap technology
for follow current limitation
Fault indication
Max. continuous operating voltage: 150 V a.c.
Voltage protection level: <= 1.5 kV
Lightning impulse current (10/350): 35 kA
Follow current extinguishing capability: up to 50 kArms
Energy-coordinated according to IEC 62305-4
with arresters of the Red/Line series

Brand: DEHN
Type: DB M 1 150
Part No.: 961110
or equivalent.

Certificates

 

Wave breaker function

In the case of spark-gap-based type 1 arresters, the entire current flows through the type 1 arrester during the discharge process. Like a wave breaker, the incoming energy is greatly broken down, which significantly relieves the downstream SPDs. All type 1 arresters in the Red/Line product range feature the WBF wave breaker function.

Technical data

SPD according to EN 61643-11 / IEC 61643-11 type 1 / class I
Max. continuous operating voltage (a.c.) (UC ) 150 V (50 / 60 Hz)
Lightning impulse current (10/350 µs) (Iimp ) 35 kA
Voltage protection level (UP ) ≤ 1.5 kV
Max. backup fuse (L) up to IK = 35 kArms (ta ≤ 0.2 s) 500 A gG
Max. backup fuse (L) up to IK = 35 kArms (ta ≤ 5 s) 315 A gG
Approvals UL, CSA

Product 961110 was added to Notepad.

Product 961110 was added to the cart.

Part No. 961120 DB M 1 255

GTIN 4013364118614, Customs tariff No. (EU): 85363090, Gross weight: 355.80 g, PU: 1.00 pc(s)

Predecessor

Images

Additional information

Coordinated DEHNbloc M 1 255 lightning current arrester
Pluggable, coordinated and modular single-pole l
ightning current arrester, width: 2 mod.
with high follow current limitation
Type 1 SPD according to EN 61643-11
RADAX Flow spark gap technology
for follow current limitation
Fault indication
Max. continuous operating voltage: 255 V a.c.
Voltage protection level: <= 2.5 kV
Lightning impulse current (10/350): 50 kA
Follow current extinguishing capability: up to 100 kArms
Energy-coordinated according to IEC 62305-4
with arresters of the Red/Line series

Brand: DEHN
Type: DB M 1 255
Part No.: 961120
or equivalent.

Certificates

 

Wave breaker function

In the case of spark-gap-based type 1 arresters, the entire current flows through the type 1 arrester during the discharge process. Like a wave breaker, the incoming energy is greatly broken down, which significantly relieves the downstream SPDs. All type 1 arresters in the Red/Line product range feature the WBF wave breaker function.

Technical data

SPD according to EN 61643-11 / IEC 61643-11 type 1 / class I
Max. continuous operating voltage (a.c.) (UC ) 255 V (50 / 60 Hz)
Lightning impulse current (10/350 µs) (Iimp ) 50 kA
Voltage protection level (UP ) ≤ 2.5 kV
Max. backup fuse (L) up to IK = 50 kArms (ta ≤ 0.2 s) 500 A gG
Max. backup fuse (L) up to IK = 50 kArms (ta ≤ 5 s) 315 A gG
Approvals VDE, KEMA, UL

Product 961120 was added to Notepad.

Product 961120 was added to the cart.

Part No. 961130 DB M 1 320

GTIN 4013364118638, Customs tariff No. (EU): 85363090, Gross weight: 341.00 g, PU: 1.00 pc(s)

Predecessor

Images

Additional information

Coordinated DEHNbloc M 1 320 lightning current arrester
Pluggable, coordinated and modular single-pole
lightning current arrester, width: 2 mod.
with high follow current limitation
Type 1 SPD according to EN 61643-11
RADAX Flow spark gap technology
for follow current limitation
Fault indication
Max. continuous operating voltage: 320 V a.c.
Voltage protection level: <= 2.5 kV
Lightning impulse current (10/350): 25 kA
Follow current extinguishing capability: up to 50 kArms
Energy-coordinated according to IEC 62305-4
with arresters of the Red/Line series

Brand: DEHN
Type: DB M 1 320
Part No.: 961130
or equivalent.

Certificates

 

Wave breaker function

In the case of spark-gap-based type 1 arresters, the entire current flows through the type 1 arrester during the discharge process. Like a wave breaker, the incoming energy is greatly broken down, which significantly relieves the downstream SPDs. All type 1 arresters in the Red/Line product range feature the WBF wave breaker function.

Technical data

SPD according to EN 61643-11 / IEC 61643-11 type 1 / class I
Max. continuous operating voltage (a.c.) (UC ) 320 V (50 / 60 Hz)
Lightning impulse current (10/350 µs) (Iimp ) 25 kA
Voltage protection level (UP ) ≤ 2.5 kV
Max. backup fuse (L) up to IK = 50 kArms (ta ≤ 0.2 s) 315 A gG
Max. backup fuse (L) up to IK = 50 kArms (ta ≤ 5 s) 315 A gG
Approvals UL

Product 961130 was added to Notepad.

Product 961130 was added to the cart.


DEHNbloc M 1 ... FM

Coordinated and modular single-pole lightning current arrester with a high discharge capacity; with remote signalling contact for monitoring system (floating changeover contact).

3 Products

Part No. 961115 DB M 1 150 FM

GTIN 4013364118577, Customs tariff No. (EU): 85363090, Gross weight: 337.30 g, PU: 1.00 pc(s)

Predecessor

Images

Additional information

Coordinated DEHNbloc M 1 150 FM lightning current arrester
Pluggable, coordinated and modular single-pole
lightning current arrester, width: 2 mod.
with high follow current limitation and remote signalling contact
Type 1 SPD according to EN 61643-11
RADAX Flow spark gap technology
for follow current limitation
Fault indication
Max. continuous operating voltage: 150 V a.c.
Voltage protection level: <= 1.5 kV
Lightning impulse current (10/350): 35 kA
Follow current extinguishing capability: up to 50 kArms
Energy-coordinated according to IEC 62305-4
with arresters of the Red/Line series

Brand: DEHN
Type: DB M 1 150 FM
Part No.: 961115
or equivalent.

Certificates

 

Wave breaker function

In the case of spark-gap-based type 1 arresters, the entire current flows through the type 1 arrester during the discharge process. Like a wave breaker, the incoming energy is greatly broken down, which significantly relieves the downstream SPDs. All type 1 arresters in the Red/Line product range feature the WBF wave breaker function.

Technical data

SPD according to EN 61643-11 / IEC 61643-11 type 1 / class I
Max. continuous operating voltage (a.c.) (UC ) 150 V (50 / 60 Hz)
Lightning impulse current (10/350 µs) (Iimp ) 35 kA
Voltage protection level (UP ) ≤ 1.5 kV
Max. backup fuse (L) up to IK = 35 kArms (ta ≤ 0.2 s) 500 A gG
Max. backup fuse (L) up to IK = 35 kArms (ta ≤ 5 s) 315 A gG
Approvals UL, CSA

Product 961115 was added to Notepad.

Product 961115 was added to the cart.

Part No. 961125 DB M 1 255 FM

GTIN 4013364118621, Customs tariff No. (EU): 85363090, Gross weight: 359.30 g, PU: 1.00 pc(s)

Predecessor

Images

Additional information

Coordinated DEHNbloc M 1 255 FM lightning current arrester
Pluggable, coordinated and modular
single-pole lightning current arrester
with high follow current limitation and remote signalling contact
Type 1 SPD according to EN 61643-11
RADAX Flow spark gap technology
for follow current limitation
Fault indication
Max. continuous operating voltage: 255 V a.c.
Voltage protection level: <= 2.5 kV
Lightning impulse current (10/350): 50 kA
Follow current extinguishing capability: up to 100 kArms
Energy-coordinated according to IEC 62305-4
with arresters of the Red/Line series

Brand: DEHN
Type: DB M 1 255 FM
Part No.: 961125
or equivalent.

Certificates

 

Wave breaker function

In the case of spark-gap-based type 1 arresters, the entire current flows through the type 1 arrester during the discharge process. Like a wave breaker, the incoming energy is greatly broken down, which significantly relieves the downstream SPDs. All type 1 arresters in the Red/Line product range feature the WBF wave breaker function.

Technical data

SPD according to EN 61643-11 / IEC 61643-11 type 1 / class I
Max. continuous operating voltage (a.c.) (UC ) 255 V (50 / 60 Hz)
Lightning impulse current (10/350 µs) (Iimp ) 50 kA
Voltage protection level (UP ) ≤ 2.5 kV
Max. backup fuse (L) up to IK = 50 kArms (ta ≤ 0.2 s) 500 A gG
Max. backup fuse (L) up to IK = 50 kArms (ta ≤ 5 s) 315 A gG
Approvals VDE, KEMA, UL

Product 961125 was added to Notepad.

Product 961125 was added to the cart.

Part No. 961135 DB M 1 320 FM

GTIN 4013364118645, Customs tariff No. (EU): 85363090, Gross weight: 346.00 g, PU: 1.00 pc(s)

Predecessor

Images

Additional information

Coordinated DEHNbloc M 1 320 FM lightning current arrester
Pluggable, coordinated and modular
single-pole lightning current arrester
with high follow current limitation and remote signalling contact
Type 1 SPD according to EN 61643-11
RADAX Flow spark gap technology
for follow current limitation
Fault indication
Max. continuous operating voltage: 320 V a.c.
Voltage protection level: <= 2.5 kV
Lightning impulse current (10/350): 25 kA
Follow current extinguishing capability: up to 100 kArms
Energy-coordinated according to IEC 62305-4
with arresters of the Red/Line series

Brand: DEHN
Type: DB M 1 320 FM
Part No.: 961135
or equivalent.

Certificates

 

Wave breaker function

In the case of spark-gap-based type 1 arresters, the entire current flows through the type 1 arrester during the discharge process. Like a wave breaker, the incoming energy is greatly broken down, which significantly relieves the downstream SPDs. All type 1 arresters in the Red/Line product range feature the WBF wave breaker function.

Technical data

SPD according to EN 61643-11 / IEC 61643-11 type 1 / class I
Max. continuous operating voltage (a.c.) (UC ) 320 V (50 / 60 Hz)
Lightning impulse current (10/350 µs) (Iimp ) 25 kA
Voltage protection level (UP ) ≤ 2.5 kV
Max. backup fuse (L) up to IK = 50 kArms (ta ≤ 0.2 s) 315 A gG
Max. backup fuse (L) up to IK = 50 kArms (ta ≤ 5 s) 315 A gG
Approvals UL

Product 961135 was added to Notepad.

Product 961135 was added to the cart.


back to top