DEHNprotector
:quality(98)/www.dehn-international.com/store/f/62757343/HDVORSCHAU/909230a2_16-9.jpg)
:quality(98)/www.dehn-international.com/store/f/62757343/HDVORSCHAU/909230a2_16-9.jpg)
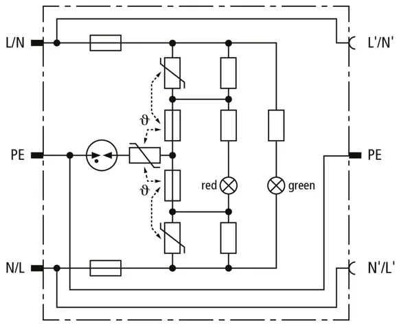
- Surge protection with monitoring device and disconnector
- Visual operating state (green) and fault indication (red)
- Increased safety due to foolproof Y protective circuit
Details
:quality(98)/www.dehn-international.com/store/f/62757344/HDVORSCHAU/909230a1_Kat.jpg)
:quality(98)/www.dehn-international.com/store/f/62757344/HDVORSCHAU/909230a1_Kat.jpg)
Part No. 909230 DPRO 230
GTIN 4013364117686, Customs tariff No. (EU): 85363010, Gross weight: 239.00 g, PU: 1.00 pc(s)
PredecessorTechnical data
SPD according to EN 61643-11 / IEC 61643-11 | type 3 / class III |
Max. continuous operating voltage (a.c.) (UC ) | 255 V (50 / 60 Hz) |
Nominal discharge current (8/20 µs) (In ) | 3 kA |
Total discharge current (8/20 µs) [L+N-PE] (Itotal ) | 5 kA |
Voltage protection level [L-N] / [L/N-PE] (UP ) | ≤ 1350 / ≤ 1500 V |
Max. mains-side overcurrent protection | B 16 A |
Fault indication | red light |
Operating state indication | green light |