DEHNrapid LSA – Lightning Current / Surge Arrester

  • Variable protection for 1 to 10 pairs in LSA systems of the 2/10 series
  • LSA disconnection block function integrated in the lightning current arrester allows protected testing, disconnecting and patching
  • Modular system of lightning current and surge arresters can be combined to a single combined arrester

Details

Pluggable surge arresters in the form of protection magazines can be plugged into terminal or disconnection blocks.
lorem ipsum
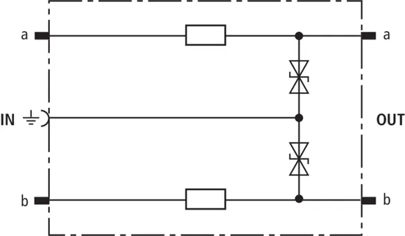
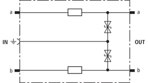
Modular design consisting of a plug-in SPD block with gas discharge tubes, earthing frame and application-specific protection modules.
lorem ipsum
Lightning current carrying SPD block with gas discharge tubes optionally available with visual fault indication and fail-safe function.
lorem ipsum
Application-specific surge protection modules for protecting terminal equipment.
lorem ipsum
Combined lightning current and surge arrester for LSA terminal blocks.
lorem ipsum


DRL 10 B

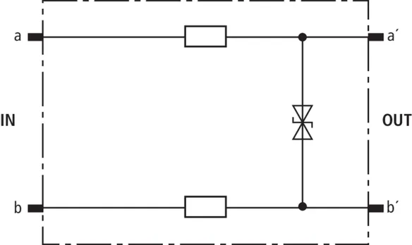
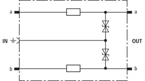
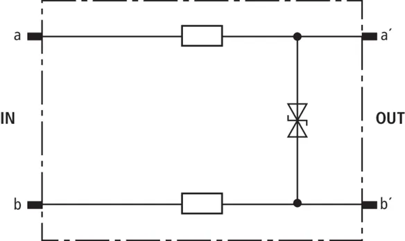
Lightning current carrying DRL plug-in SPD block (10 pairs) with three-pole gas discharge tubes for almost all applications. Expandable to a combined lightning current and surge arrester by means of a DRL protective plug. The integrated disconnection block contacts allow testing, measuring and patching with plugged-in protection.

1 Product

Part No. 907400 DRL 10 B 180

GTIN 4013364107557, Customs tariff No. (EU): 85363010, Gross weight: 69.90 g, PU: 1.00 pc(s)

Predecessor

Images

Additional information

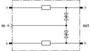
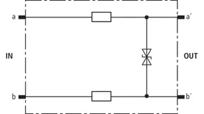
DRL 10 B 180 lightning current carrying DRL plug-in SPD block
Lightning current arrester plug-in block
DEHNrapid LSA, SPD class TYPE 1,
for 10/2 LSA disconnection block,
complete supplied with 10 GDT 230 B3,
tested acc. to EN 61643-21, extendible
to a combined lightning current and surge
arrester with DRL protective plug,
integrated disconnection block contacts
allow testing, measuring and patching
at plugged-in protection

Max. continuous operating voltage (d.c.): 180 V
Nominal current: 0.4 A

Brand: DEHN
Type: DRL 10 B 180
Part No.: 907400
or equivalent.

Certificates

 

Technical data

SPD class G
Max. continuous operating voltage (d.c.) (UC ) 180 V
Nominal current (IL ) 0.4 A
D1 Total lightning impulse current (10/350 µs) (Iimp ) 5 kA
C2 Total nominal discharge current (8/20 µs) (In ) 10 kA
Series resistance per line ≤ 0.005 ohms
Plugs into LSA disconnection block 2/10

Product 907400 was added to Notepad.

Product 907400 was added to the cart.


DRL 10 B FSD

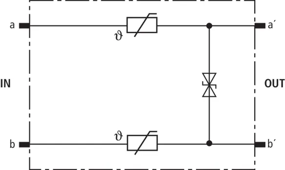
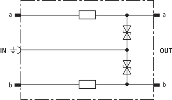
Lightning current carrying DRL plug-in SPD block (10 pairs) for almost all applications. Expandable to a combined lightning current and surge arrester by means of a DRL protective plug. The integrated disconnection block contacts allow testing, measuring and patching with plugged-in protection. The three-pole gas discharge tubes have a fail-safe function with visual fault indication.

1 Product

Part No. 907401 DRL 10 B 180 FSD

GTIN 4013364107564, Customs tariff No. (EU): 85363010, Gross weight: 74.30 g, PU: 1.00 pc(s)


Images

Additional information

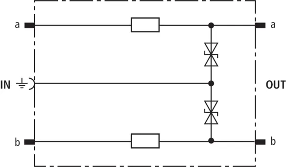
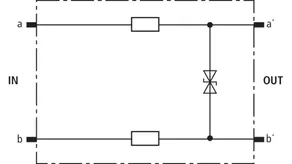
DRL 10 B 180 FSD lightning current carrying DRL plug-in SPD block
Lightning current arrester plug-in block
DEHNrapid LSA, SPD class TYPE 1,
for 10/2 LSA disconnection block,
complete supplied with 10 GDT 230 B3 FSD,
tested acc. to EN 61643-21, extendible
to a combined lightning current and surge
arrester with DRL protective plug,
integrated disconnection block contacts
allow testing, measuring and patching
at plugged-in protection, GDT‘s with
fail-safe function and visual fault indicator

Max. continuous operating voltage (d.c.): 180 V
Nominal current: 0.4 A

Brand: DEHN
Type: DRL 10 B 180 FSD
Part No.: 907401
or equivalent.

Certificates

 

Technical data

SPD class G
Fault indication visual, colour change
Max. continuous operating voltage (d.c.) (UC ) 180 V
Nominal current (IL ) 0.4 A
D1 Total lightning impulse current (10/350 µs) (Iimp ) 5 kA
C2 Total nominal discharge current (8/20 µs) (In ) 10 kA
Series resistance per line ≤ 0.005 ohms
Plugs into LSA disconnection block 2/10

Product 907401 was added to Notepad.

Product 907401 was added to the cart.


DRL RE

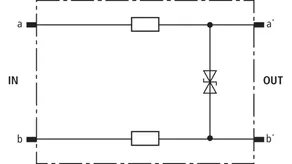
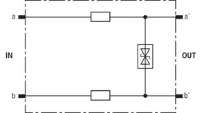
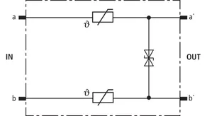
Protective plug (one pair), energy-coordinated with DRL plug-in SPD block, for use as single-stage protective device for terminal equipment with decoupling impedances. Ideally suited for signal circuits sharing a common reference potential. Earthing via EF 10 DRL. For disconnection blocks or DRL plug-in SPD blocks only.

5 Products

Part No. 907421 DRL RE 12

GTIN 4013364107618, Customs tariff No. (EU): 85363010, Gross weight: 5.40 g, PU: 10.00 pc(s)

Predecessor

Images

Additional information

DRL RE 12 protective plug (1 pair)
DEHNrapid LSA surge protective plug
SPD class: type 3/P1
Tested to EN 61643-21 and energy-
coordinated acc. to IEC 61643-22
with type 1 DRL plug-in SPD block
For protecting two single cores
In conjunction with the earthing
frame, it can be plugged into LSA disconnection
blocks of the 2/10 series or directly into the DRL
plug-in SPD block as an extension to the combined
arrester
Max. continuous operating voltage (d.c.): 14 V
Nominal current: 0.4 A

Brand: DEHN
Type: DRL RE 12
Part No.: 907421
or equivalent.

Certificates

 

Technical data

SPD class O
Max. continuous operating voltage (d.c.) (UC ) 14 V
Nominal current (IL ) 0.4 A
D1 Total lightning impulse current (10/350 µs) in combination with DRL 10 B... (Iimp ) 5 kA
C2 Total nominal discharge current (8/20 µs) in combination with DRL 10 B... (In ) 10 kA
Series resistance per line 4.7 ohms
Cut-off frequency line-PG (fG ) 2.7 MHz
Plugs into LSA disconnection block 2/10 or DRL 10 B ... plug-in SPD block

Product 907421 was added to Notepad.

Product 907421 was added to the cart.

Part No. 907422 DRL RE 24

GTIN 4013364107625, Customs tariff No. (EU): 85363010, Gross weight: 5.40 g, PU: 10.00 pc(s)

Predecessor

Images

Additional information

DRL RE 24 surge protective plug (1 pair)
DEHNrapid LSA surge protective plug
SPD class: type 3/P1
Tested to EN 61643-21 and energy-
coordinated acc. to IEC 61643-22
with type 1 DRL plug-in SPD block
For protecting two single cores
In conjunction with the earthing
frame, it can be plugged into LSA disconnection
blocks of the 2/10 series or directly into the DRL
plug-in SPD block as an extension to the combined
arrester
Max. continuous operating voltage (d.c.): 28 V
Nominal current: 0.4 A

Brand: DEHN
Type: DRL RE 24
Part No.: 907422
or equivalent.

Certificates

 

Technical data

SPD class O
Max. continuous operating voltage (d.c.) (UC ) 28 V
Nominal current (IL ) 0.4 A
D1 Total lightning impulse current (10/350 µs) in combination with DRL 10 B... (Iimp ) 5 kA
C2 Total nominal discharge current (8/20 µs) in combination with DRL 10 B... (In ) 10 kA
Series resistance per line 4.7 ohms
Cut-off frequency line-PG (fG ) 4.5 MHz
Plugs into LSA disconnection block 2/10 or DRL 10 B ... plug-in SPD block

Product 907422 was added to Notepad.

Product 907422 was added to the cart.

Part No. 907423 DRL RE 48

GTIN 4013364107632, Customs tariff No. (EU): 85363010, Gross weight: 5.40 g, PU: 10.00 pc(s)

Predecessor

Images

Additional information

DRL RE 48 surge protective plug (1 pair)
DEHNrapid LSA surge protective plug
SPD class: type 3/P1
Tested to EN 61643-21 and energy-
coordinated acc. to IEC 61643-22
with type 1 DRL plug-in SPD block
For protecting two single cores
In conjunction with the earthing
frame, it can be plugged into LSA disconnection
blocks of the 2/10 series or directly into the DRL
plug-in SPD block as an extension to the combined
arrester
Max. continuous operating voltage (d.c.): 54 V
Nominal current: 0.4 A

Brand: DEHN
Type: DRL RE 48
Part No.: 907423
or equivalent.

Certificates

 

Technical data

SPD class O
Max. continuous operating voltage (d.c.) (UC ) 54 V
Nominal current (IL ) 0.4 A
D1 Total lightning impulse current (10/350 µs) in combination with DRL 10 B... (Iimp ) 5 kA
C2 Total nominal discharge current (8/20 µs) in combination with DRL 10 B... (In ) 10 kA
Series resistance per line 6.8 ohms
Cut-off frequency line-PG (fG ) 7.35 MHz
Plugs into LSA disconnection block 2/10 or DRL 10 B ... plug-in SPD block

Product 907423 was added to Notepad.

Product 907423 was added to the cart.

Part No. 907424 DRL RE 60

GTIN 4013364107649, Customs tariff No. (EU): 85363010, Gross weight: 5.40 g, PU: 10.00 pc(s)

Predecessor

Images

Additional information

DRL RE 60 surge protective plug (1 pair)
DEHNrapid LSA surge protective plug
SPD class: type 3/P1
Tested to EN 61643-21 and energy-
coordinated acc. to IEC 61643-22
with type 1 DRL plug-in SPD block
For protecting two single cores
In conjunction with the earthing
frame, it can be plugged into LSA disconnection
blocks of the 2/10 series or directly into the DRL
plug-in SPD block as an extension to the combined
arrester
Max. continuous operating voltage (d.c.): 70 V
Nominal current: 0.4 A

Brand: DEHN
Type: DRL RE 60
Part No.: 907424
or equivalent.

Certificates

 

Technical data

SPD class O
Max. continuous operating voltage (d.c.) (UC ) 70 V
Nominal current (IL ) 0.4 A
D1 Total lightning impulse current (10/350 µs) in combination with DRL 10 B... (Iimp ) 5 kA
C2 Total nominal discharge current (8/20 µs) in combination with DRL 10 B... (In ) 10 kA
Series resistance per line 6.8 ohms
Cut-off frequency line-PG (fG ) 10.5 MHz
Plugs into LSA disconnection block 2/10 or DRL 10 B ... plug-in SPD block

Product 907424 was added to Notepad.

Product 907424 was added to the cart.

Part No. 907425 DRL RE 180

GTIN 4013364107656, Customs tariff No. (EU): 85363010, Gross weight: 5.40 g, PU: 10.00 pc(s)

Predecessor

Images

Additional information

DRL RE 180 surge protective plug (1 pair)
DEHNrapid LSA surge protective plug
SPD class: type 3/P1
Tested to EN 61643-21 and energy-
coordinated acc. to IEC 61643-22
with type 1 DRL plug-in SPD block
For protecting two single cores
In conjunction with the earthing
frame, it can be plugged into LSA disconnection
blocks of the 2/10 series or directly into the DRL
plug-in SPD block as an extension to the combined
arrester
Max. continuous operating voltage (d.c.): 180 V
Nominal current: 0.1 A

Brand: DEHN
Type: DRL RE 180
Part No.: 907425
or equivalent.

Certificates

 

Technical data

SPD class O
Max. continuous operating voltage (d.c.) (UC ) 180 V
Nominal current (IL ) 0.1 A
D1 Total lightning impulse current (10/350 µs) in combination with DRL 10 B... (Iimp ) 5 kA
C2 Total nominal discharge current (8/20 µs) in combination with DRL 10 B... (In ) 10 kA
Series resistance per line 4.7 ohms
Cut-off frequency line-PG (fG ) 42 MHz
Plugs into LSA disconnection block 2/10 or DRL 10 B ... plug-in SPD block

Product 907425 was added to Notepad.

Product 907425 was added to the cart.


DRL RD

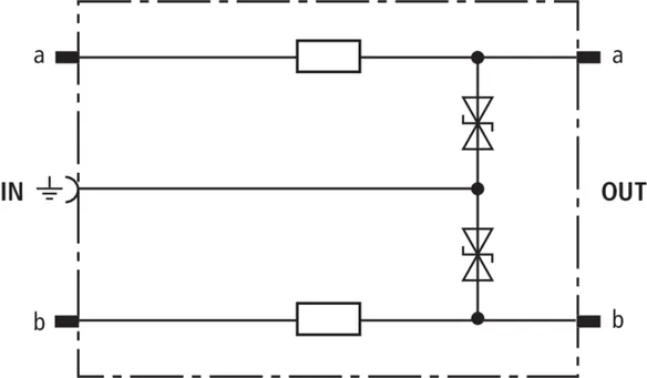
Protective plug (one pair), energy-coordinated with DRL plug-in SPD block, for use as single-stage protective device for terminal equipment. Low voltage protection level line-line for unearthed interfaces. To be mounted into EF 10 DRL. Installation recommended only in combination with DRL plug-in SPD block.

5 Products

Part No. 907441 DRL RD 12

GTIN 4013364107694, Customs tariff No. (EU): 85363010, Gross weight: 5.40 g, PU: 10.00 pc(s)

Predecessor

Images

Additional information

DRL RD 12 surge protective plug (1 pair)
DEHNrapid LSA surge protective plug
SPD class: type 3/P1
Tested to EN 61643-21 and energy-
coordinated acc. to IEC 61643-22
with type 1 DRL plug-in SPD block
For protecting one pair
In conjunction with the earthing
frame, it can be plugged into LSA disconnection
blocks of the 2/10 series or directly into the DRL
plug-in SPD block as an extension to the combined
arrester
Max. continuous operating voltage (d.c.): 14 V
Nominal current: 0.4 A

Brand: DEHN
Type: DRL RD 12
Part No.: 907441
or equivalent.

Certificates

 

Technical data

SPD class O
Max. continuous operating voltage (d.c.) (UC ) 14 V
Nominal current (IL ) 0.4 A
D1 Total lightning impulse current (10/350 µs) in combination with DRL 10 B... (Iimp ) 5 kA
C2 Total nominal discharge current (8/20 µs) in combination with DRL 10 B... (In ) 10 kA
Series resistance per line 2.2 ohms
Cut-off frequency line-line (fG ) 2.7 MHz
Plugs into LSA disconnection block 2/10 or DRL 10 B ... plug-in SPD block

Product 907441 was added to Notepad.

Product 907441 was added to the cart.

Part No. 907442 DRL RD 24

GTIN 4013364107700, Customs tariff No. (EU): 85363010, Gross weight: 5.40 g, PU: 10.00 pc(s)


Images

Additional information

DRL RD 24 surge protective plug (1 pair)
DEHNrapid LSA surge protective plug
SPD class: type 3/P1
Tested to EN 61643-21 and energy-
coordinated acc. to IEC 61643-22
with type 1 DRL plug-in SPD block
For protecting one pair
In conjunction with the earthing
frame, it can be plugged into LSA disconnection
blocks of the 2/10 series or directly into the DRL
plug-in SPD block as an extension to the combined
arrester
Max. continuous operating voltage (d.c.): 28 V
Nominal current: 0.4 A

Brand: DEHN
Type: DRL RD 24
Part No.: 907442
or equivalent.

Certificates

 

Technical data

SPD class O
Max. continuous operating voltage (d.c.) (UC ) 28 V
Nominal current (IL ) 0.4 A
D1 Total lightning impulse current (10/350 µs) in combination with DRL 10 B... (Iimp ) 5 kA
C2 Total nominal discharge current (8/20 µs) in combination with DRL 10 B... (In ) 10 kA
Series resistance per line 2.2 ohms
Cut-off frequency line-line (fG ) 5.4 MHz
Plugs into LSA disconnection block 2/10 or DRL 10 B ... plug-in SPD block

Product 907442 was added to Notepad.

Product 907442 was added to the cart.

Part No. 907443 DRL RD 48

GTIN 4013364107717, Customs tariff No. (EU): 85363010, Gross weight: 5.40 g, PU: 10.00 pc(s)


Images

Additional information

DRL RD 48 surge protective plug (1 pair)
DEHNrapid LSA surge protective plug
SPD class: type 3/P1
Tested to EN 61643-21 and energy-
coordinated acc. to IEC 61643-22
with type 1 DRL plug-in SPD block
For protecting one pair
In conjunction with the earthing
frame, it can be plugged into LSA disconnection
blocks of the 2/10 series or directly into the DRL
plug-in SPD block as an extension to the combined
arrester
Max. continuous operating voltage (d.c.): 54 V
Nominal current: 0.4 A

Brand: DEHN
Type: DRL RD 48
Part No.: 907443
or equivalent.

Certificates

 

Technical data

SPD class O
Max. continuous operating voltage (d.c.) (UC ) 54 V
Nominal current (IL ) 0.4 A
D1 Total lightning impulse current (10/350 µs) in combination with DRL 10 B... (Iimp ) 5 kA
C2 Total nominal discharge current (8/20 µs) in combination with DRL 10 B... (In ) 10 kA
Series resistance per line 4.7 ohms
Cut-off frequency line-line (fG ) 7.8 MHz
Plugs into LSA disconnection block 2/10 or DRL 10 B ... plug-in SPD block

Product 907443 was added to Notepad.

Product 907443 was added to the cart.

Part No. 907444 DRL RD 60

GTIN 4013364107724, Customs tariff No. (EU): 85363010, Gross weight: 5.40 g, PU: 10.00 pc(s)


Images

Additional information

DRL RD 60 surge protective plug (1 pair)
DEHNrapid LSA surge protective plug
SPD class: type 3/P1
Tested to EN 61643-21 and energy-
coordinated acc. to IEC 61643-22
with type 1 DRL plug-in SPD block
For protecting one pair
In conjunction with the earthing
frame, it can be plugged into LSA disconnection
blocks of the 2/10 series or directly into the DRL
plug-in SPD block as an extension to the combined
arrester
Max. continuous operating voltage (d.c.): 70 V
Nominal current: 0.4 A

Brand: DEHN
Type: DRL RD 60
Part No.: 907444
or equivalent.

Certificates

 

Technical data

SPD class O
Max. continuous operating voltage (d.c.) (UC ) 70 V
Nominal current (IL ) 0.4 A
D1 Total lightning impulse current (10/350 µs) in combination with DRL 10 B... (Iimp ) 5 kA
C2 Total nominal discharge current (8/20 µs) in combination with DRL 10 B... (In ) 10 kA
Series resistance per line 4.7 ohms
Cut-off frequency line-line (fG ) 11 MHz
Plugs into LSA disconnection block 2/10 or DRL 10 B ... plug-in SPD block

Product 907444 was added to Notepad.

Product 907444 was added to the cart.

Part No. 907445 DRL RD 110

GTIN 4013364118461, Customs tariff No. (EU): 85363010, Gross weight: 3.30 g, PU: 10.00 pc(s)


Images

Additional information

DRL RD 110 surge protective plug (1 pair)
DEHNrapid LSA surge protective plug
SPD class: type 3/P1
Tested to EN 61643-21 and energy-
coordinated acc. to IEC 61643-22
with type 1 DRL plug-in SPD block
For protecting one pair
In conjunction with the earthing
frame, it can be plugged into LSA disconnection
blocks of the 2/10 series or directly into the DRL
plug-in SPD block as an extension to the combined
arrester
Max. continuous operating voltage (d.c.): 180 V
Nominal current: 0.4 A

Brand: DEHN
Type: DRL RD 110
Part No.: 907445
or equivalent.

Certificates

 

Technical data

SPD class O
Max. continuous operating voltage (d.c.) (UC ) 180 V
Nominal current (IL ) 0.4 A
D1 Total lightning impulse current (10/350 µs) in combination with DRL 10 B... (Iimp ) 5 kA
C2 Total nominal discharge current (8/20 µs) in combination with DRL 10 B... (In ) 10 kA
Series resistance per line 4.7 ohms
Cut-off frequency line-line (fG ) 20 MHz
Plugs into LSA disconnection block 2/10 or DRL 10 B ... plug-in SPD block

Product 907445 was added to Notepad.

Product 907445 was added to the cart.


DRL PD

Protective plug (one pair), energy-coordinated with DRL plug-in SPD block, for use as single-stage protective device for terminal equipment. Low voltage protection level line-line and integrated overcurrent protection for ADSL, ISDN Uk0 or a/b lines. To be mounted into EF 10 DRL. Installation recommended only in combination with DRL plug-in SPD block.

1 Product

Part No. 907430 DRL PD 180

GTIN 4013364107670, Customs tariff No. (EU): 85363010, Gross weight: 3.90 g, PU: 10.00 pc(s)

Predecessor

Images

Additional information

DRL PD 180 surge protective plug (1 pair)
DEHNrapid LSA surge protective plug
SPD class: type 3/P1
With overcurrent protection against power crossing
Tested to EN 61643-21 and energy-
coordinated acc. to IEC 61643-22
with type 1 DRL plug-in SPD blocks
For protecting one pair
In conjunction with the earthing
frame, it can be plugged into LSA disconnection
blocks of the 2/10 series or directly into the DRL
plug-in SPD block as an extension to the combined
arrester
Max. continuous operating voltage (d.c.): 180 V
Nominal current: 0.1 A

Brand: DEHN
Type: DRL PD 180
Part No.: 907430
or equivalent.

Certificates

 

Technical data

SPD class O
Max. continuous operating voltage (d.c.) (UC ) 180 V
Nominal current (IL ) 0.1 A
D1 Total lightning impulse current (10/350 µs) in combination with DRL 10 B... (Iimp ) 5 kA
C2 Total nominal discharge current (8/20 µs) in combination with DRL 10 B... (In ) 10 kA
Series resistance per line 10 ohms +/- 15%
Cut-off frequency line-line (fG ) 61 MHz
Plugs into LSA disconnection block 2/10 or DRL 10 B... plug-in SPD block

Product 907430 was added to Notepad.

Product 907430 was added to the cart.


DRL HD

Protective plug (one pair), energy-coordinated with DRL plug-in SPD block, for use as single-stage protective device for terminal equipment for high-frequency transmissions such as G.703 or ISDN U2m, S2m and S0. To be mounted into EF 10 DRL. Installation recommended only in combination with DRL plug-in SPD block.

1 Product

Part No. 907470 DRL HD 24

GTIN 4013364107663, Customs tariff No. (EU): 85363010, Gross weight: 5.40 g, PU: 10.00 pc(s)

Predecessor

Images

Additional information

DRL HD 24 protective plug (1 pair)
Surge protective plug DEHNrapid LSA,
SPD class TYPE 3/P1, tested acc. to
EN 61643-21 and energy coordinated
acc. to IEC 61643-22 for DRL plug-in SPD
block TYPE 1, for the protection of 1 pair
of systems of maximum transmission rates.
Together with earthing frame pluggable into
LSA disconnection blocks 10/2 or directly
into the DRL plug-in block as extension to
the combined lightning current and surge
arrester

Max. continuous operating voltage (d.c.): 28 V
Nominal current: 0.4 A

Brand: DEHN
Type: DRL HD 24
Part No.: 907470
or equivalent.

Certificates

 

Technical data

SPD class O
Max. continuous operating voltage (d.c.) (UC ) 28 V
Nominal current (IL ) 0.4 A
D1 Total lightning impulse current (10/350 µs) in combination with DRL 10 B... (Iimp ) 5 kA
C2 Total nominal discharge current (8/20 µs) in combination with DRL 10 B... (In ) 10 kA
Series resistance per line 4.7 ohms
Plugs into LSA disconnection block 2/10 or DRL 10 B... plug-in SPD block

Product 907470 was added to Notepad.

Product 907470 was added to the cart.


back to top