DEHNprotector – Combined Adapter

  • Combined surge protection for the power and data side of terminal equipment
  • Protection of TVs and satellite devices, telephone and Ethernet components
  • Visual operating state and fault indication
  • Easy retrofitting by means of simple installation

Details

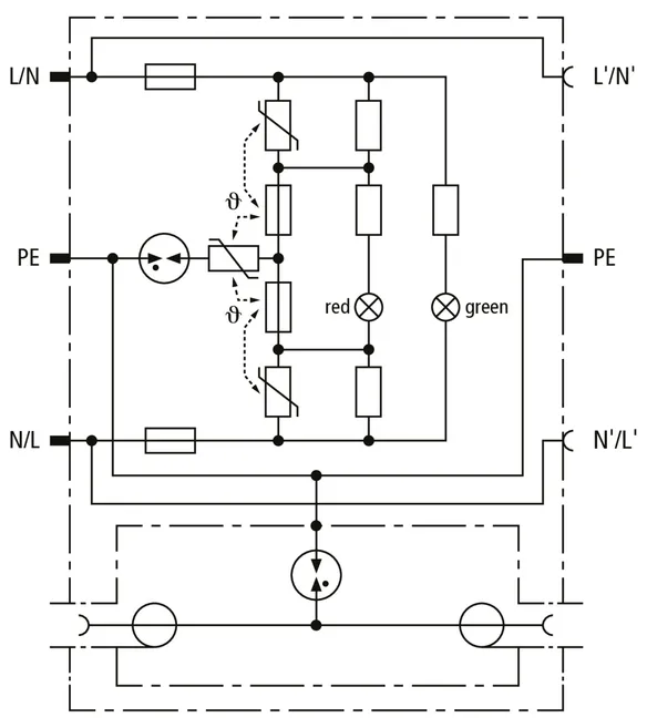
Visual operating state and fault indication of the power side (230 V).
lorem ipsum
Plug for earthed socket outlets for protecting the power side.
lorem ipsum
Version with coaxial connection.
lorem ipsum
Version with RJ connection.
lorem ipsum

DPRO 230 TV

Combined surge protection for the power and antenna side of TV, radio or satellite receivers. With visual operating state and fault indication and integrated child safety mechanism

1 Product

Part No. 909300 DPRO 230 TV

GTIN 4013364117723, Customs tariff No. (EU): 85363010, Gross weight: 241.20 g, PU: 1.00 pc(s)

Predecessor

Images

Additional information

DEHNprotector DPRO 230 TV combined surge protection
Surge protective adapter
with combined protection for the power
and antenna side of television receivers,
radios and video players including adapter
from F sockets to IEC connections
Tested to EN61643-11 and -21
Protective circuit with integrated monitoring device
and visual operating state and fault indication
Power side: Type 3
Data side: Type 2
Connection (input / output): F socket / F socket

Brand: DEHN
Type: DPRO 230 TV
Part No.: 909300
or equivalent.

Certificates

 

Technical data

Protection of the data side
SPD class B
Max. continuous operating voltage (d.c.) (UC ) 60 V
C2 Nominal discharge current (8/20 µs) line-shield (PE) (In ) 5 kA
Insertion loss 0-2400 MHz ≤ 1.5 dB
Connection (input / output) F socket / F socket
Protection of the power side
SPD according to EN 61643-11 / IEC 61643-11 type 3 / class III
Max. continuous operating voltage (a.c.) (UC ) 255 V (50 / 60 Hz)
Total discharge current (8/20 µs) [L+N-PE] (Itotal ) 5 kA
Voltage protection level [L-N] (UP ) ≤ 1.35 kV
Max. mains-side overcurrent protection 16 A gL/gG or B 16 A

Product 909300 was added to Notepad.

Product 909300 was added to the cart.


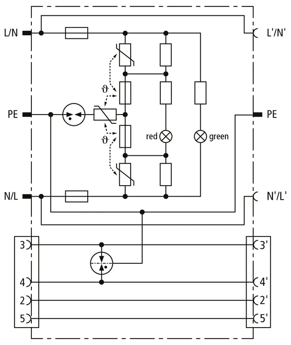
DPRO 230 NT

Combined surge protection for the power and data side of a digital network termination (NT) (IP telephony), especially telecommunication interfaces up to VVDSL and G.fast (up 1 Gbit/s). With visual operating state and fault indication and an integrated child lock on the power side.

1 Product

Part No. 909310 DPRO 230 NT

GTIN 4013364117747, Customs tariff No. (EU): 85363010, Gross weight: 258.60 g, PU: 1.00 pc(s)

Predecessor

Images

Additional information

DEHNprotector DPRO 230 NT combined surge protection
Surge protective adapter
with combined protection for the power
and data Uk0 of a digital network termination NT,
as well as for telephones and fax devices
including accessories for RJ11/12
and TAE connection
Tested to EN61643-11 and -21
Protective circuit with integrated monitoring device
and visual operating state and fault indication
Power side: Type 3
Data side: Type 2/P1
Connection (input / output): RJ12 socket / RJ12 socket
Pinning: 3/4

Brand: DEHN
Type: DPRO 230 NT
Part No.: 909310
or equivalent.

Certificates

 

Technical data

Protection of the data side
SPD class Q
Max. continuous operating voltage (d.c.) (UC ) 180 V
Lightning impulse current (10/350 µs) per line D1 (Iimp ) 1 kA
C2 Nominal discharge current (8/20 µs) per line (In ) 2.5 kA
Cut-off frequency (fG ) 220 MHz
Connection (input / output) RJ12 socket / RJ12 socket
Protection of the power side
SPD according to EN 61643-11 / IEC 61643-11 type 3 / class III
Max. continuous operating voltage (a.c.) (UC ) 255 V (50 / 60 Hz)
Total discharge current (8/20 µs) [L+N-PE] (Itotal ) 5 kA
Voltage protection level [L-N] (UP ) ≤ 1.35 kV
Max. mains-side overcurrent protection B 16 A

Product 909310 was added to Notepad.

Product 909310 was added to the cart.


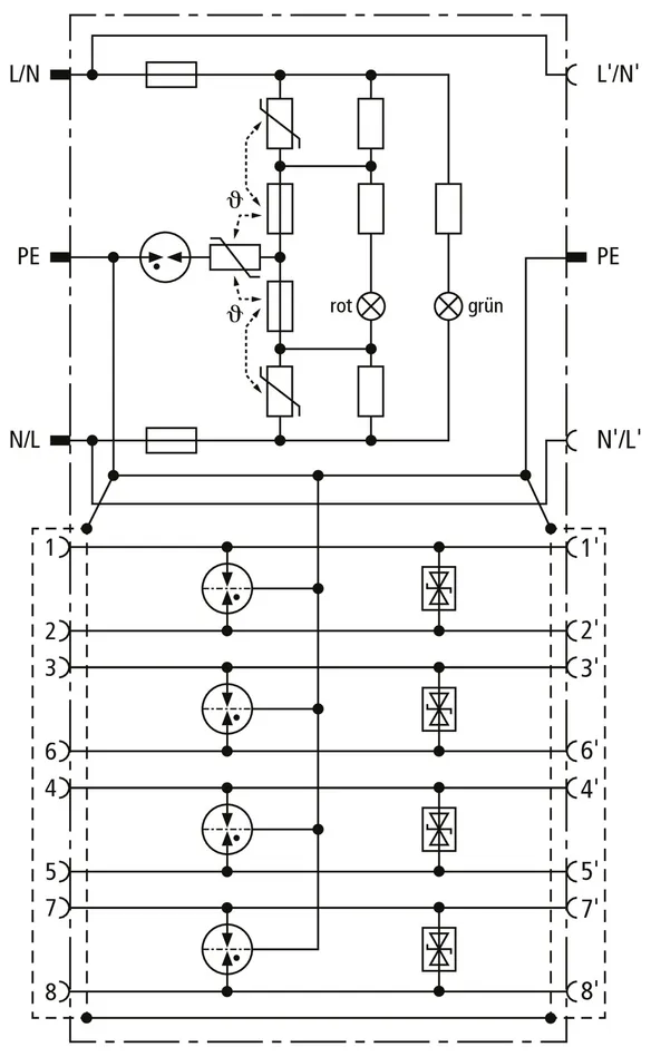
DPRO 230 LAN100

Combined surge protection for the power side and data input for protecting LAN components. Protection of all pairs for Ethernet pin assignment.
It meets the requirements for channel class D in accordance with EN 50173 and is thus suitable for 1000 Base-T (Gigabit Ethernet).
With visual operating state and fault indication and integrated child safety mechanism.

1 Product

Part No. 909321 DPRO 230 LAN100

GTIN 4013364126152, Customs tariff No. (EU): 85363010, Gross weight: 271.00 g, PU: 1.00 pc(s)

Predecessor

Images

Additional information

DEHNprotector DPRO 230 LAN100 combined surge protective device
Surge protection adapter
with combined protection for the power
side and data input of LAN components in Ethernet
100BaseT; 1.5m shielded patch cable included.
Tested in accordance with EN61643-11 and -21.
Protective circuit with integrated monitoring device
and visual operating state and fault indication.
Power side: Type 3
Data side: Type 2/P1
Connection (input / output): shielded RJ45 socket / shielded RJ45 socket
Pinning: 1/2, 3/6, 4/5, 7/8

Brand: DEHN
Type: DPRO 230 LAN100
Part No.: 909321
or equivalent.

Certificates

 

Technical data

Protection of the data side
SPD class Q
Max. continuous operating voltage (d.c.) (UC ) 3.3 V
Lightning impulse current (10/350 µs) per line D1 (Iimp ) 0.5 kA
C2 Total nominal discharge current (8/20 µs) (In ) 10 kA
Cut-off frequency (fG ) 180 MHz
Connection (input / output) shielded RJ45 socket / shielded RJ45 socket
Protection of the power side
SPD according to EN 61643-11 / IEC 61643-11 type 3 / class III
Max. continuous operating voltage (a.c.) (UC ) 255 V (50 / 60 Hz)
Total discharge current (8/20 µs) [L+N-PE] (Itotal ) 5 kA
Voltage protection level [L-N] (UP ) ≤ 1.25 kV
Max. mains-side overcurrent protection B 16 A

Product 909321 was added to Notepad.

Product 909321 was added to the cart.


back to top