DEHNcord
:quality(98)/www.dehn-international.com/store/f/62754571/HDVORSCHAU/900445a1_16-9.jpg)
:quality(98)/www.dehn-international.com/store/f/62754571/HDVORSCHAU/900445a1_16-9.jpg)
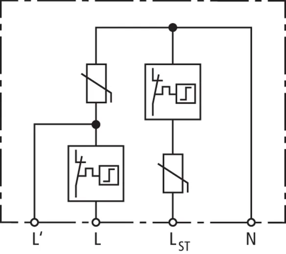
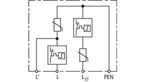
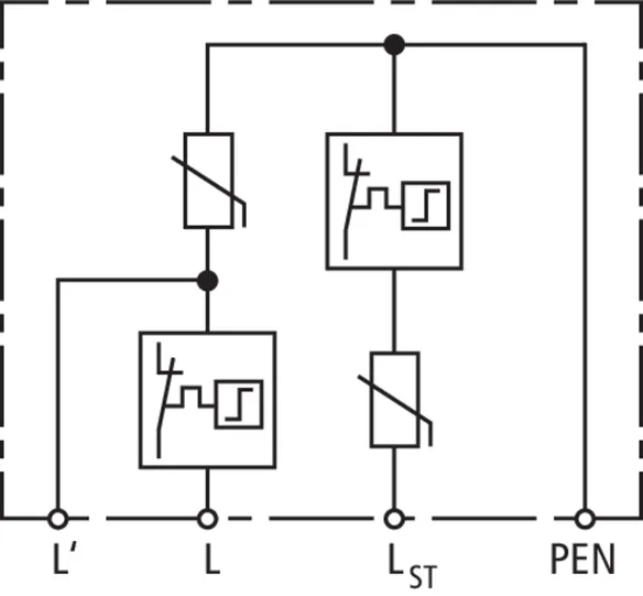
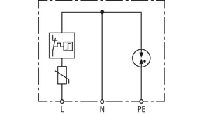
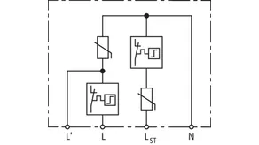
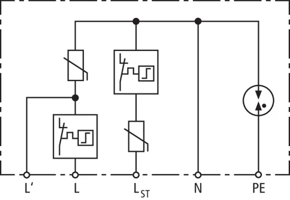
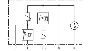
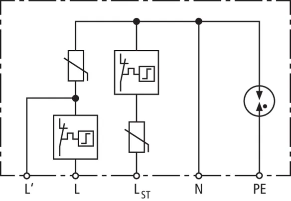
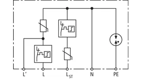
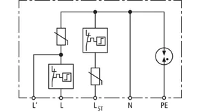
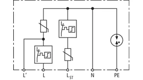
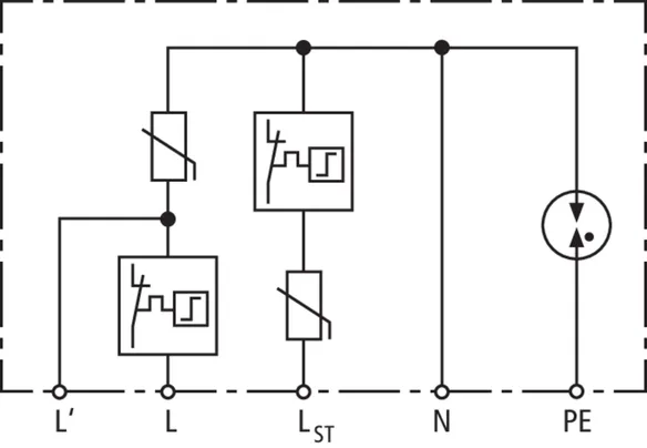
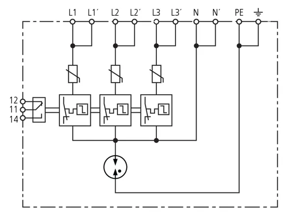
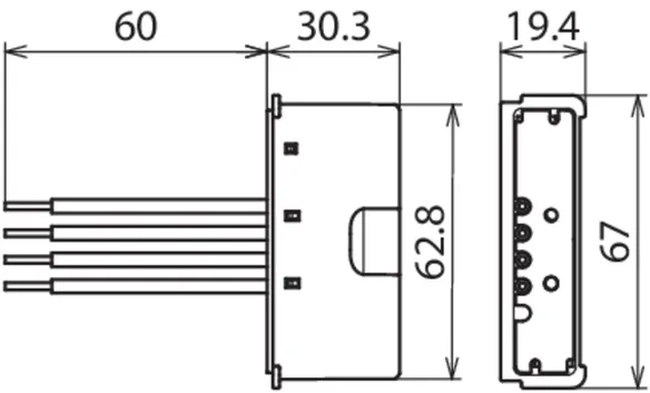
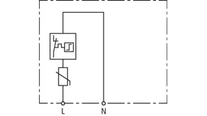
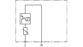
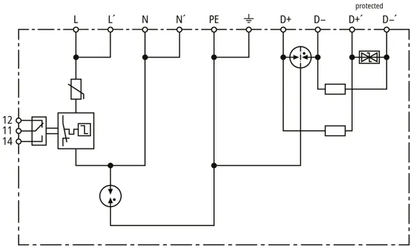
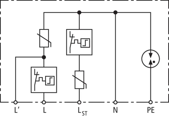
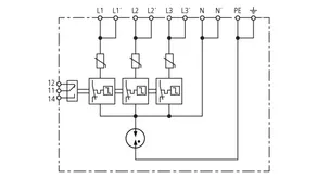
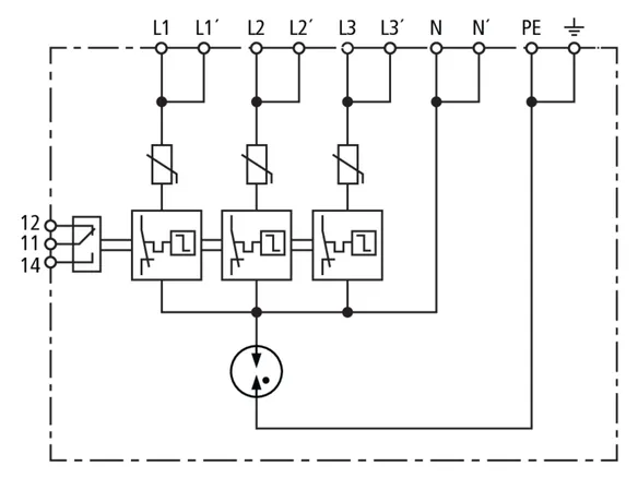
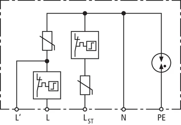
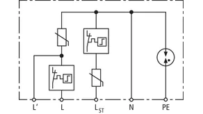
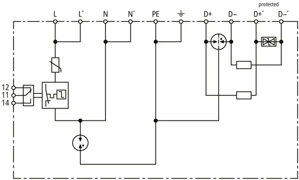
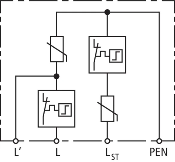
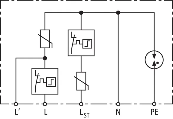
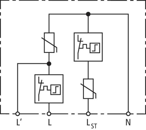
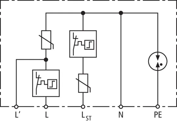
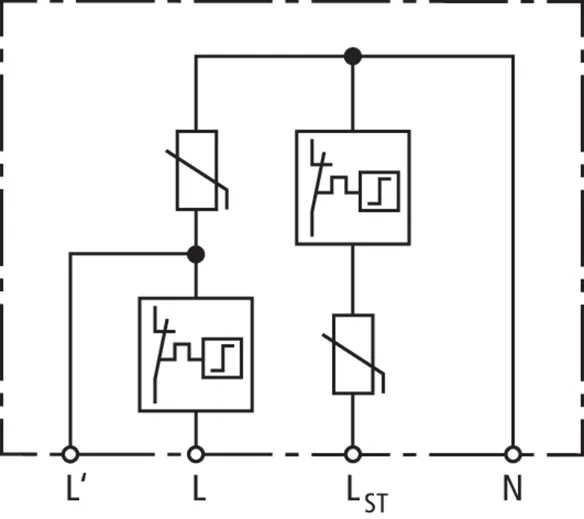
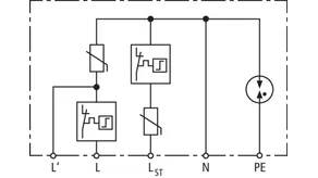
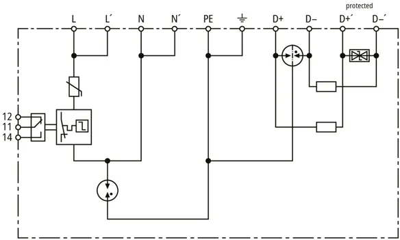
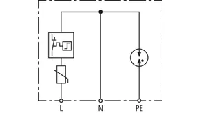
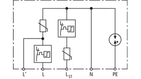
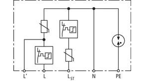
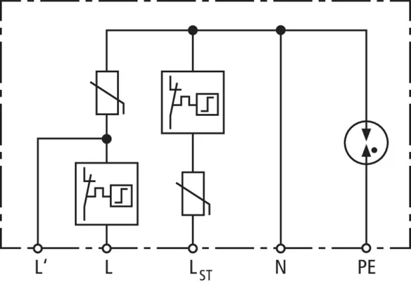
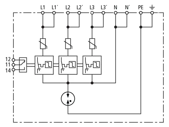
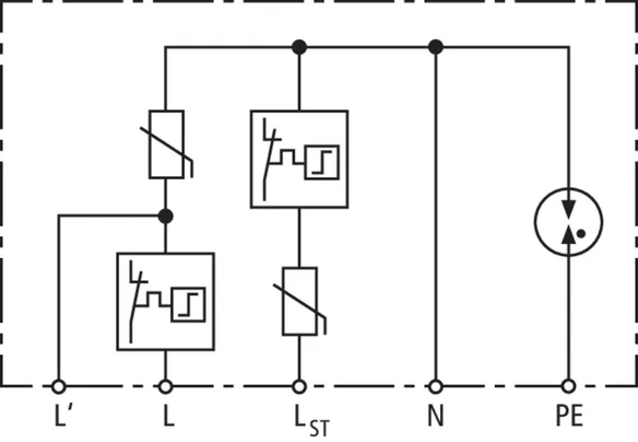
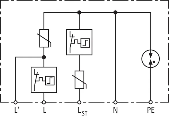
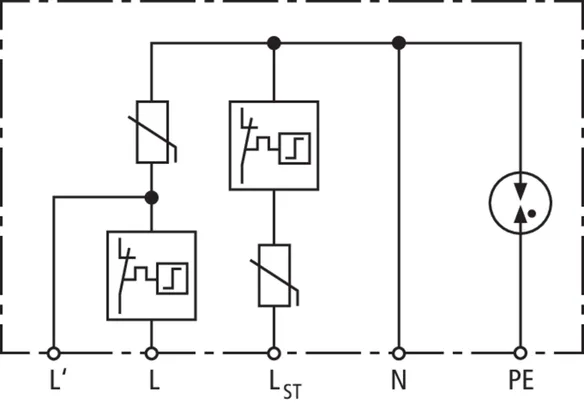
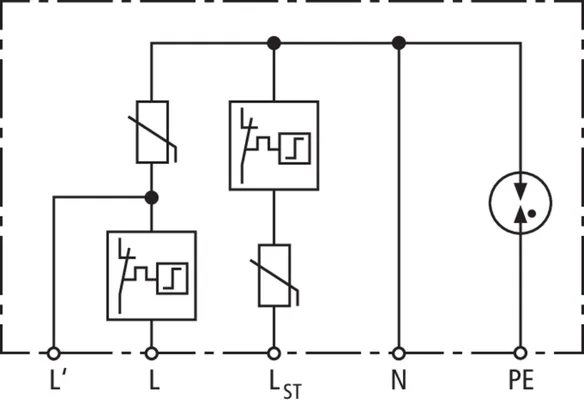
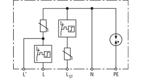
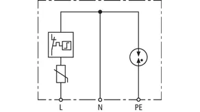
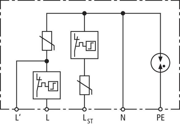
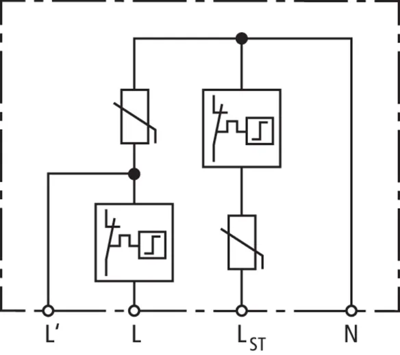
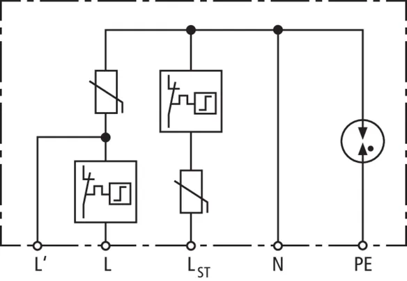
- Single-pole, two-pole or three-pole surge protective device with monitoring system and disconnector
- Visual fault indication
- Types with disconnection of the load circuit in the event of a fault and protection of the control phase
- Compact design also for outdoor use
- Can be fitted in junction boxes, flush-mounted systems, cable ducts and flush-type boxes
Details
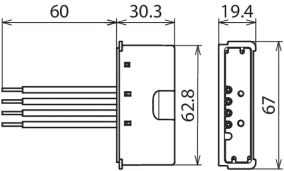
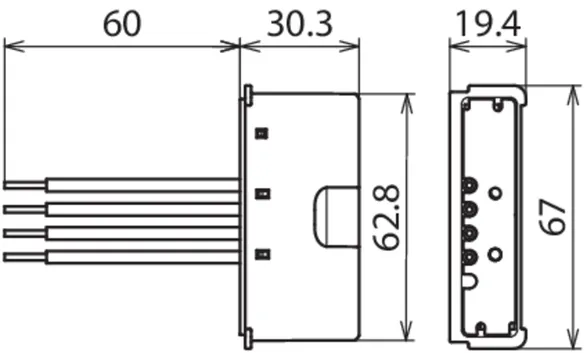
:quality(98)/www.dehn-international.com/store/f/62754572/HDVORSCHAU/900447a2.jpg)
:quality(98)/www.dehn-international.com/store/f/62754572/HDVORSCHAU/900447a2.jpg)
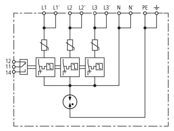
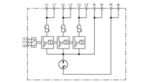
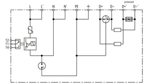
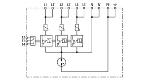
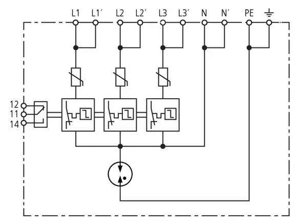
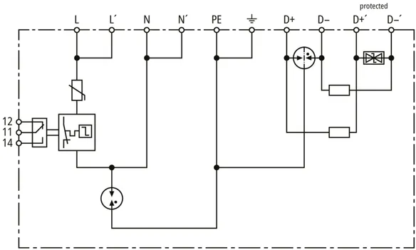
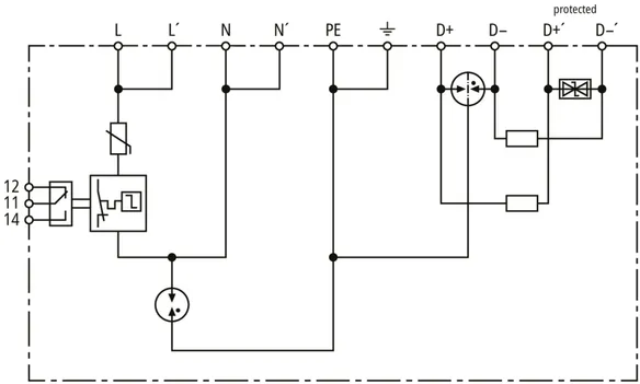
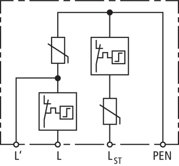
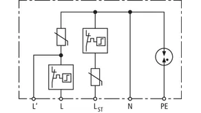
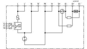
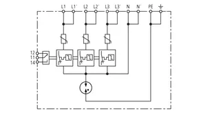
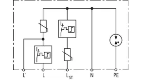
Part No. 900439 DCOR 3P TT 275 FM
GTIN 4013364436053, Customs tariff No. (EU): 85363030, Gross weight: 129.38 g, PU: 1.00 pc(s)
Technical data
SPD according to EN 61643-11 / IEC 61643-11 | type 2 + type 3 / class II + class III |
Max. continuous operating voltage (a.c.) [L-N] (UC ) | 275 V (50 / 60 Hz) |
Max. continuous operating voltage (d.c.) (UC ) | 350 V |
Nominal discharge current (8/20 µs) [L-N] (In ) | 10 kA |
Max. discharge current (8/20 µs) [L-N] (Imax ) | 20 kA |
Nominal discharge current (8/20 µs) [N-PE] (In ) | 10 kA |
Max. discharge current (8/20 µs) [N-PE] (Imax ) | 40 kA |
Voltage protection level [L-N] (UP ) | ≤ 1.5 kV |
Voltage protection level [N-PE] (UP ) | ≤ 1.5 kV |
Approvals | KEMA |
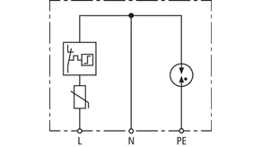
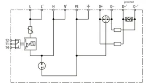
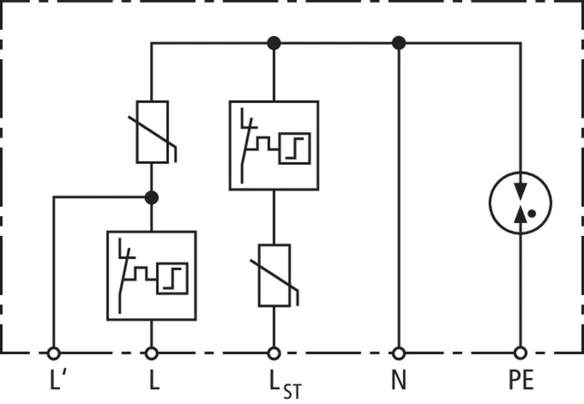
Part No. 900438 DCOR 1P 275 D FM
GTIN 4013364526891, Customs tariff No. (EU): 85363030, Gross weight: 86.27 g, PU: 1.00 pc(s)
Technical data
Technical data | |
SPD according to EN 61643-11 / IEC 61643-11 | type 2 + type 3 / class II + class III |
Max. continuous operating voltage (a.c.) [L-N] (UC ) | 275 V (50 / 60 Hz) |
Max. continuous operating voltage (d.c.) (UC ) | 350 V |
Nominal discharge current (8/20 µs) [L-N] (In ) | 10 kA |
Max. discharge current (8/20 µs) [L-N] (Imax ) | 20 kA |
Nominal discharge current (8/20 µs) [N-PE] (In ) | 10 kA |
Max. discharge current (8/20 µs) [N-PE] (Imax ) | 40 kA |
Voltage protection level [L-N] (UP ) | ≤ 1.5 kV |
Voltage protection level [N-PE] (UP ) | ≤ 1.5 kV |
Approvals | KEMA |
Signal-side technical data | |
SPD class | U |
Nominal voltage DC (UN ) | 24 V |
Max. continuous operating voltage (DC) (UC ) | 28 V |
C2 Total nominal discharge current (8/20 µs) (In ) | 10 kA |
Series impedance per line | 1.8 ohms |
Cut-off frequency line-line (100 ohms) (fG ) | 10 MHz |
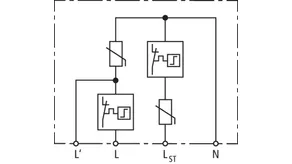
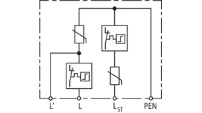
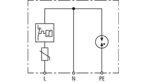
Part No. 900430 DCOR L 2P 275
GTIN 4013364157286, Customs tariff No. (EU): 85363030, Gross weight: 73.00 g, PU: 1.00 pc(s)
Technical data
SPD according to EN 61643-11 / IEC 61643-11 | type 2 / class II |
Max. continuous operating voltage (a.c.) [L-N] (UC ) | 275 V (50 / 60 Hz) |
Nominal discharge current (8/20 µs) (In ) | 5 kA |
Max. discharge current (8/20 µs) (Imax ) | 10 kA |
Voltage protection level [L-N] (UP ) | ≤ 1.5 kV |
Voltage protection level [N-PE] (UP ) | ≤ 1.5 kV |
Max. mains-side overcurrent protection | 25 A gG |
Approvals | KEMA |
Part No. 900432 DCOR L 2P 320
GTIN 4013364157309, Customs tariff No. (EU): 85363030, Gross weight: 74.00 g, PU: 1.00 pc(s)
Technical data
SPD according to EN 61643-11 / IEC 61643-11 | type 2 / class II |
Max. continuous operating voltage (a.c.) [L-N] (UC ) | 320 V (50 / 60 Hz) |
Nominal discharge current (8/20 µs) (In ) | 5 kA |
Max. discharge current (8/20 µs) (Imax ) | 10 kA |
Voltage protection level [L-N] (UP ) | ≤ 1.75 kV |
Voltage protection level [N-PE] (UP ) | ≤ 1.5 kV |
Max. mains-side overcurrent protection | 25 A gG |
Approvals | KEMA |
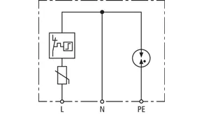
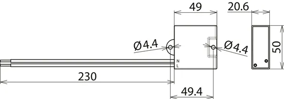
Part No. 900431 DCOR L 1P 275
GTIN 4013364310827, Customs tariff No. (EU): 85363030, Gross weight: 60.00 g, PU: 1.00 pc(s)
Technical data
SPD according to EN 61643-11 / IEC 61643-11 | type 2 / class II |
Max. continuous operating voltage (a.c.) [L-N] (UC ) | 275 V (50 / 60 Hz) |
Nominal discharge current (8/20 µs) (In ) | 5 kA |
Max. discharge current (8/20 µs) (Imax ) | 10 kA |
Voltage protection level [L-N] (UP ) | ≤ 1.5 kV |
Max. mains-side overcurrent protection | 25 A gG |
Approvals | KEMA |
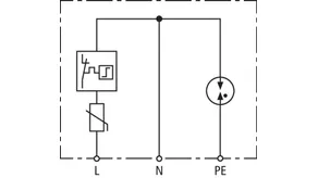
Part No. 900433 DCOR L 1P 320
GTIN 4013364157316, Customs tariff No. (EU): 85363030, Gross weight: 61.00 g, PU: 1.00 pc(s)
Technical data
SPD according to EN 61643-11 / IEC 61643-11 | type 2 / class II |
Max. continuous operating voltage (a.c.) [L-N] (UC ) | 320 V (50 / 60 Hz) |
Nominal discharge current (8/20 µs) (In ) | 5 kA |
Max. discharge current (8/20 µs) (Imax ) | 10 kA |
Voltage protection level [L-N] (UP ) | ≤ 1.75 kV |
Max. mains-side overcurrent protection | 25 A gG |
Approvals | KEMA |
Part No. 999906 DCOR L 2P SN1864
GTIN 4013364310926, Customs tariff No. (EU): 85363030, Gross weight: 70.50 g, PU: 1.00 pc(s)
Technical data
SPD according to EN 61643-11 / IEC 61643-11 | type 2 / class II |
Max. continuous operating voltage (a.c.) [L-N] (UC ) | 275 V (50 / 60 Hz) |
Nominal discharge current (8/20 µs) (In ) | 5 kA |
Max. discharge current (8/20 µs) (Imax ) | 10 kA |
Voltage protection level [L-N] (UP ) | ≤ 1.5 kV |
Max. mains-side overcurrent protection | B 16 A |
Part No. 999937 DCOR L 2P SN1860
GTIN 4013364303195, Customs tariff No. (EU): 85363030, Gross weight: 86.00 g, PU: 1.00 pc(s)
Technical data
SPD according to EN 61643-11 / IEC 61643-11 | type 2 / class II |
Max. continuous operating voltage (a.c.) [L-N] (UC ) | 275 V (50 / 60 Hz) |
Nominal discharge current (8/20 µs) (In ) | 5 kA |
Max. discharge current (8/20 µs) (Imax ) | 10 kA |
Voltage protection level [L-N] (UP ) | ≤ 1.5 kV |
Voltage protection level [N-PE] (UP ) | ≤ 1.5 kV |
Max. mains-side overcurrent protection | B 16 A |
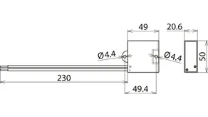
Part No. 900446 DCOR L 2P 275 SO LTG
GTIN 4013364292970, Customs tariff No. (EU): 85363030, Gross weight: 62.50 g, PU: 1.00 pc(s)
Technical data
SPD according to EN 61643-11 / IEC 61643-11 | type 2 / class II |
Max. continuous operating voltage (a.c.) [L-N] (UC ) | 275 V (50 / 60 Hz) |
Nominal discharge current (8/20 µs) (In ) | 5 kA |
Max. discharge current (8/20 µs) (Imax ) | 10 kA |
Voltage protection level [L-N] (UP ) | ≤ 1.5 kV |
Voltage protection level [N-PE] (UP ) | ≤ 1.5 kV |
Max. mains-side overcurrent protection | B 16 A |
Approvals | KEMA |
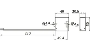
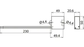
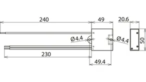
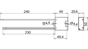
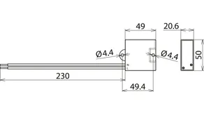
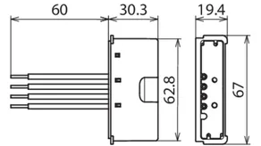
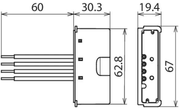
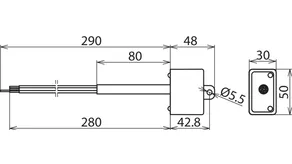
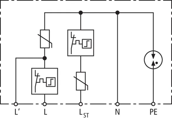
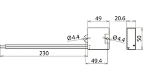
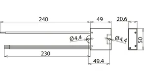
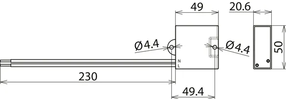
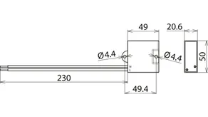
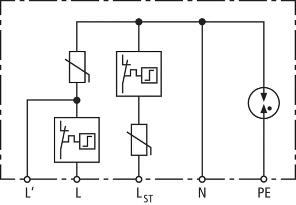
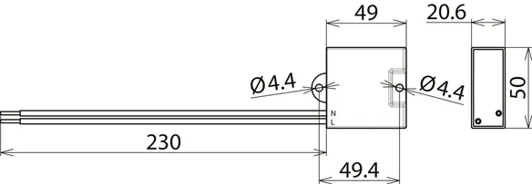
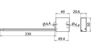
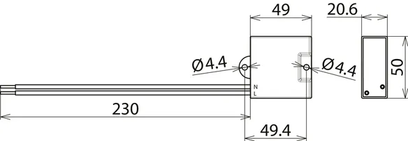
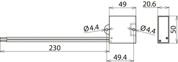
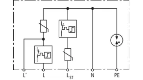
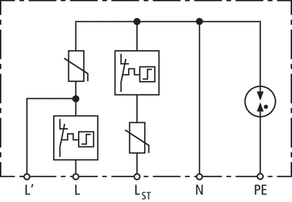
Part No. 900445 DCOR L 3P 275 SO LTG
GTIN 4013364280380, Customs tariff No. (EU): 85363030, Gross weight: 71.50 g, PU: 1.00 pc(s)
Technical data
SPD according to EN 61643-11 / IEC 61643-11 | type 2 / class II |
Max. continuous operating voltage (a.c.) [L-N] (UC ) | 275 V (50 / 60 Hz) |
Nominal discharge current (8/20 µs) (In ) | 5 kA |
Max. discharge current (8/20 µs) (Imax ) | 10 kA |
Voltage protection level [L-N] (UP ) | ≤ 1.5 kV |
Voltage protection level [N-PE] (UP ) | ≤ 1.5 kV |
Max. mains-side overcurrent protection | B 16 A |
Approvals | KEMA |
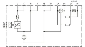
SK EK480 G2S-2d LM DCOR
The EK480 fuse box is a high-quality product from Langmatz which stands out for its excellent workmanship and tried and tested features. The EK480 series meets all mechanical and electrical requirements and standards. This ensures the effective protection of luminaires with high-quality electronics against surges resulting from switching operations or nearby lightning strikes.
1 Product
Part No. 900443 SK EK480 G2S-2d LM DCOR
GTIN 4013364394322, Customs tariff No. (EU): 85362010, Gross weight: 788.00 g, PU: 20.00 pc(s)
Technical data
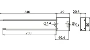
Data of fuse box | |
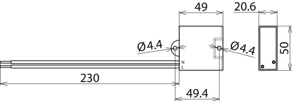
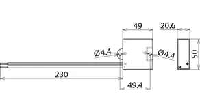
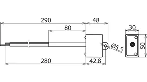
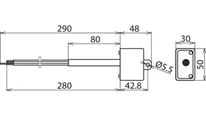
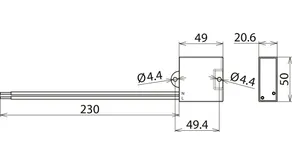
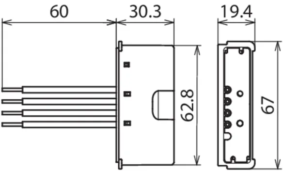
Dimensions | 276 x 81 x 70 mm |
For masts with an inside diameter from | 89 mm |
Clamping technology | incoming: sliding clamp technology / outgoing: spring clamp technology |
Max. cross-section of connectable cable | 1 - 3 cables (4 or 5 x 16 mm2) |
Outgoing terminals | max. 2.5 mm2 |
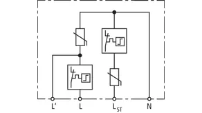
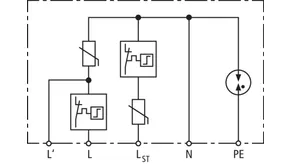
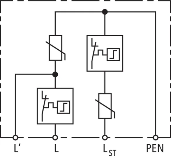
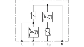
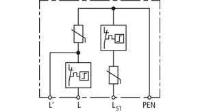
Data of DEHNcord L 3P 275 SO LTG surge protective device | |
SPD according to EN 61643-11 / IEC 61643-11 | type 2 / class II |
Max. continuous operating a.c. voltage [L-N] (UC ) | 275 V (50 / 60 Hz) |
Nominal discharge current (8/20 µs) (In ) | 5 kA |
Max. discharge current (8/20 µs) (Imax ) | 10 kA |
Voltage protection level [L-N] (UP ) | ≤ 1.5 kV |
Voltage protection level [N-PE] (UP ) | ≤ 1.5 kV |
Max. mains-side overcurrent protection | B 16 A |
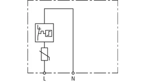
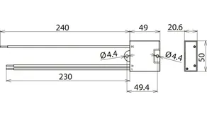
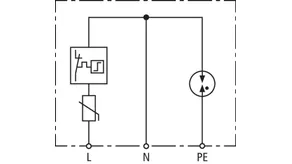
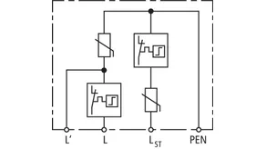
Part No. 900435 DCOR L 2P 275 SO LT
GTIN 4013364292963, Customs tariff No. (EU): 85363030, Gross weight: 70.00 g, PU: 1.00 pc(s)
Technical data
SPD according to EN 61643-11 / IEC 61643-11 | type 2 / class II |
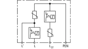
Max. continuous operating voltage (a.c.) [L-PEN] (UC ) | 275 V (50 / 60 Hz) |
Nominal discharge current (8/20 µs) (In ) | 5 kA |
Max. discharge current (8/20 µs) (Imax ) | 10 kA |
Voltage protection level [L-PEN] (UP ) | ≤ 1.5 kV |
Max. mains-side overcurrent protection | B 16 A |
Approvals | KEMA |
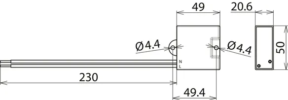
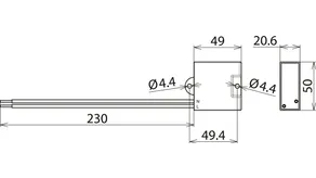
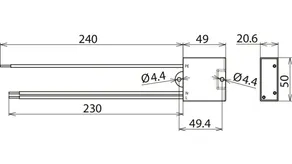
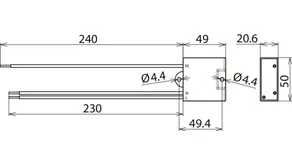
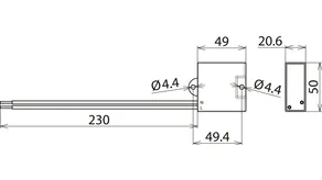
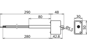
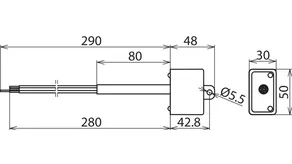
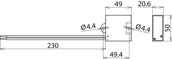
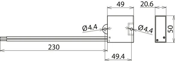
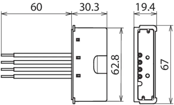
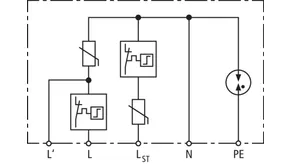
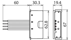
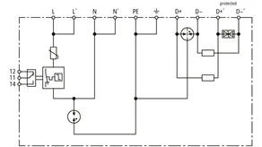
Part No. 900447 DCOR L 3P 275 SO IP
GTIN 4013364282216, Customs tariff No. (EU): 85363030, Gross weight: 146.60 g, PU: 1.00 pc(s)
Technical data
SPD according to EN 61643-11 / IEC 61643-11 | type 2 / class II |
Max. continuous operating voltage (a.c.) [L-N] (UC ) | 275 V (50 / 60 Hz) |
Nominal discharge current (8/20 µs) (In ) | 5 kA |
Max. discharge current (8/20 µs) (Imax ) | 10 kA |
Voltage protection level [L-N] (UP ) | ≤ 1.5 kV |
Voltage protection level [N-PE] (UP ) | ≤ 1.5 kV |
Max. mains-side overcurrent protection | B 16 A |
Part No. 900448 DCOR L 2P 275 SO IP
GTIN 4013364293007, Customs tariff No. (EU): 85363030, Gross weight: 139.90 g, PU: 1.00 pc(s)
Technical data
SPD according to EN 61643-11 / IEC 61643-11 | type 2 / class II |
Max. continuous operating voltage (a.c.) [L-N] (UC ) | 275 V (50 / 60 Hz) |
Nominal discharge current (8/20 µs) (In ) | 5 kA |
Max. discharge current (8/20 µs) (Imax ) | 10 kA |
Voltage protection level [L-N] (UP ) | ≤ 1.5 kV |
Voltage protection level [N-PE] (UP ) | ≤ 1.5 kV |
Max. mains-side overcurrent protection | B 16 A |
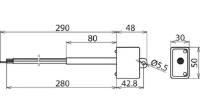
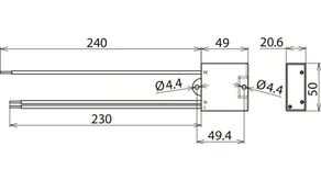
Part No. 900449 DCOR R 3P 275
GTIN 4013364320031, Customs tariff No. (EU): 85363030, Gross weight: 151.00 g, PU: 1.00 pc(s)
Technical data
SPD according to EN 61643-11 / IEC 61643-11 | type 2 / class II |
Max. continuous operating voltage (a.c.) [L-N] (UC ) | 275 V (50 / 60 Hz) |
Nominal discharge current (8/20 µs) (In ) | 2.5 kA |
Max. discharge current (8/20 µs) (Imax ) | 5 kA |
Voltage protection level [L-N] (UP ) | ≤ 1.5 kV |
Connector | Hirschmann STAK 3 / STAS 3 |