DEHNvenCI

  • Spark-gap based combined lightning current and surge arrester with an integrated backup fuse capable of carrying lightning currents
  • Energy coordination with other arresters of the Red/Line product family
  • Low voltage protection level UP ≤ 1.5 kV (including backup fuse)
  • Maximum system availability due to RADAX Flow follow current limitation
  • Extinction of mains follow currents up to 100 kArms
  • High lightning current discharge capacity of 25 kA (10/350 µs)
  • Capable of protecting terminal equipment
  • Operating state / fault indication by green / red indicator flag in the inspection window

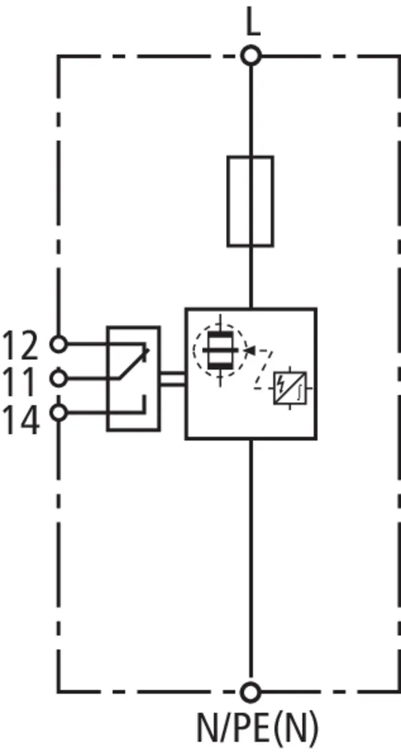
DEHNvenCI 255 (FM)

Single-pole combined lightning current and surge arrester with an integrated backup fuse capable of carrying lightning currents for use in 230 / 400 V systems; FM version with floating remote signalling contact.

2 Products

Part No. 961200 DVCI 1 255

GTIN 4013364145108, Customs tariff No. (EU): 85363090, Gross weight: 477.30 g, PU: 1.00 pc(s)


Images

Additional information

DEHNvenCI 255 combined arrester
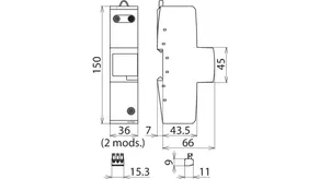
Single-pole combined arrester with integrated
backup fuse, width: 2 mod.
Type 1 + type 2 SPD according to EN 61643-11
RADAX Flow spark gap technology
for follow current limitation
Capable of protecting terminal equipment
Fault indication for arrester and integrated fuse
Max. continuous operating voltage: 255 V a.c.
Voltage protection level: <= 1.5 kV
Lightning impulse current (10/350 µs): 25 kA
Follow current extinguishing capability: up to 100 kArms
Energy-coordinated according to IEC 62305-4 with
arresters of the Red/Line series and terminal equipment

Brand: DEHN
Type: DVCI 1 255
Part No.: 961200
or equivalent.

Certificates

 

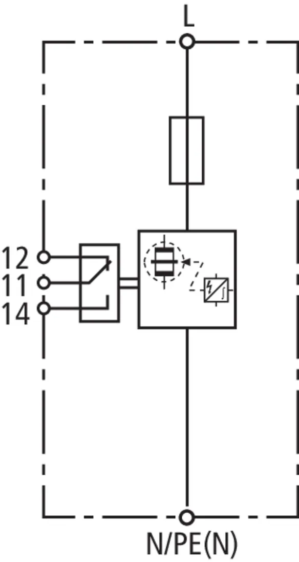
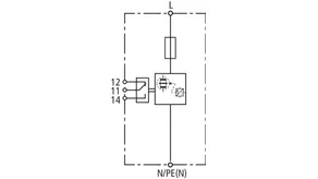
Circuit Interruption

The backup fuse is already integrated here. This means: reduced space requirement, lower installation costs, faster wiring, and shorter connecting cables. This concept can be found in the product ranges DEHNvenCI, DEHNbloc Maxi S, DEHNguard ... CI and V(A) NH...

Wave breaker function

In the case of spark-gap-based type 1 arresters, the entire current flows through the type 1 arrester during the discharge process. Like a wave breaker, the incoming energy is greatly broken down, which significantly relieves the downstream SPDs. All type 1 arresters in the Red/Line product range feature the WBF wave breaker function.

Technical data

SPD according to EN 61643-11 / IEC 61643-11 type 1 + type 2 / class I + class II
Maximum continuous operating voltage (a.c.) (UC ) 255 V (50 / 60 Hz)
Lightning impulse current (10/350 µs) (Iimp ) 25 kA
Voltage protection level (UP ) ≤ 1.5 kV
Max. mains-side overcurrent protection integrated backup fuse
Approvals KEMA
Extended technical data: For use in switchgear installations with prospective short-circuit currents of more than 50 kArms (tested by the German VDE)
– Max. prospective short-circuit current 100 kArms (220 kApeak)

Product 961200 was added to Notepad.

Product 961200 was added to the cart.

Part No. 961205 DVCI 1 255 FM

GTIN 4013364145115, Customs tariff No. (EU): 85363090, Gross weight: 480.80 g, PU: 1.00 pc(s)


Images

Additional information

DEHNvenCI 255 FM combined arrester
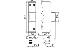
Single-pole combined arrester with
integrated backup fuse, width: 2 mod.
With remote signalling contact
Type 1 + type 2 SPD according to EN 61643-11
RADAX Flow spark gap technology
for follow current limitation
Capable of protecting terminal equipment
Fault indication and remote signalling for arrester and integrated fuse
Max. continuous operating voltage: 255 V a.c.
Voltage protection level: <= 1.5 kV
Lightning impulse current (10/350 µs): 25 kA
Follow current extinguishing capability: up to 100 kArms
Energy-coordinated according to IEC 62305-4 with
arresters of the Red/Line series and terminal equipment

Brand: DEHN
Type: DVCI 1 255 FM
Part No.: 961205
or equivalent.

Certificates

 

Circuit Interruption

The backup fuse is already integrated here. This means: reduced space requirement, lower installation costs, faster wiring, and shorter connecting cables. This concept can be found in the product ranges DEHNvenCI, DEHNbloc Maxi S, DEHNguard ... CI and V(A) NH...

Wave breaker function

In the case of spark-gap-based type 1 arresters, the entire current flows through the type 1 arrester during the discharge process. Like a wave breaker, the incoming energy is greatly broken down, which significantly relieves the downstream SPDs. All type 1 arresters in the Red/Line product range feature the WBF wave breaker function.

Technical data

SPD according to EN 61643-11 / IEC 61643-11 type 1 + type 2 / class I + class II
Maximum continuous operating voltage (a.c.) (UC ) 255 V (50 / 60 Hz)
Lightning impulse current (10/350 µs) (Iimp ) 25 kA
Voltage protection level (UP ) ≤ 1.5 kV
Max. mains-side overcurrent protection integrated backup fuse
Approvals KEMA
Type of remote signalling contact changeover contact
Extended technical data: For use in switchgear installations with prospective short-circuit currents of more than 50 kArms (tested by the German VDE)
– Max. prospective short-circuit current 100 kArms (220 kApeak)

Product 961205 was added to Notepad.

Product 961205 was added to the cart.


back to top