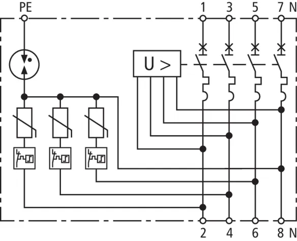
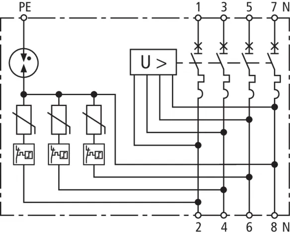
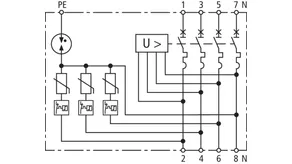
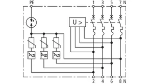
SPD+POP+MCB / POP+MCB / POP

  • Comprehensive protection against transient and power frequency overvoltage (SPD+POP)
  • Fulfils the requirements of EN 50550 "Power frequency overvoltage protective device"
  • Prewired complete unit, individual devices do not have to be additionally wired
  • Easy installation and retrofitting thanks to low space requirements
  • High reliability due to "Thermo Dynamic Control" monitoring system integrated in the SPD
  • Application-optimised discharge capacity of 5 kA (In) / 15 kA (Imax) (8/20 µs) per pole
  • Energy coordination with other arresters of the Red/Line series
  • Operating state / fault indication by green / red indicator flag in the inspection window of the SPD

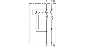
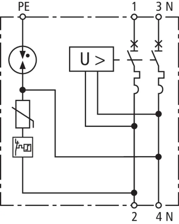
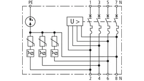
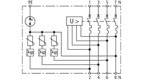
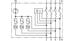
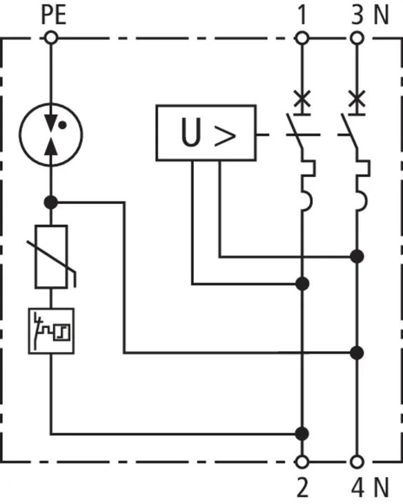
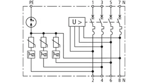
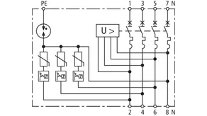
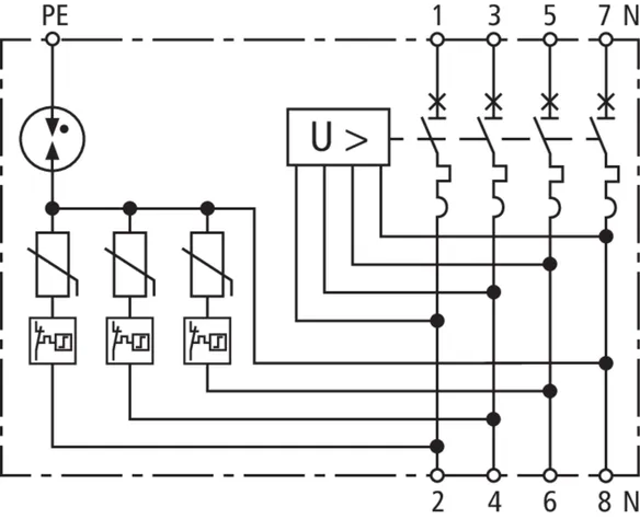
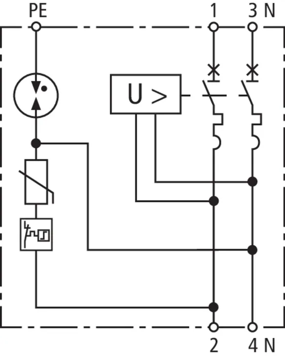
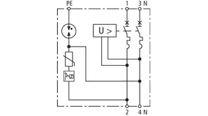
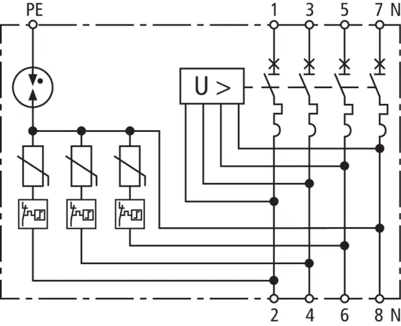
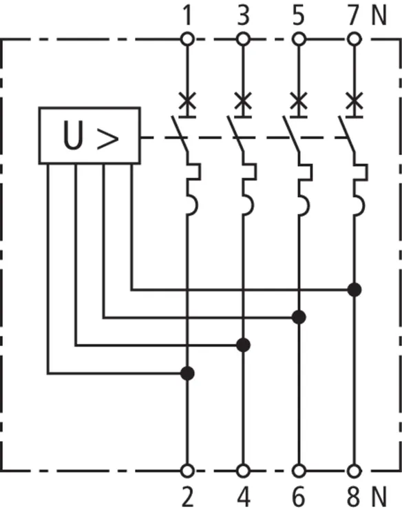
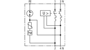
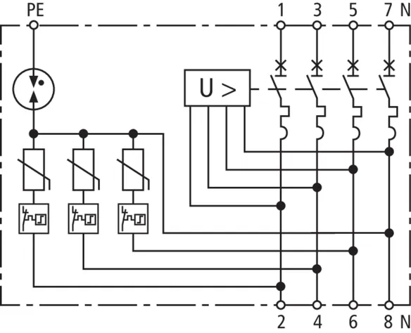
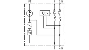
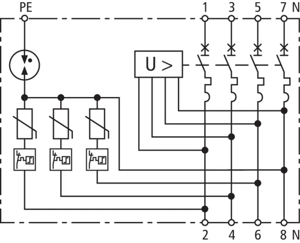
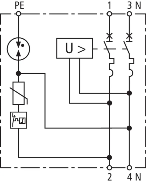
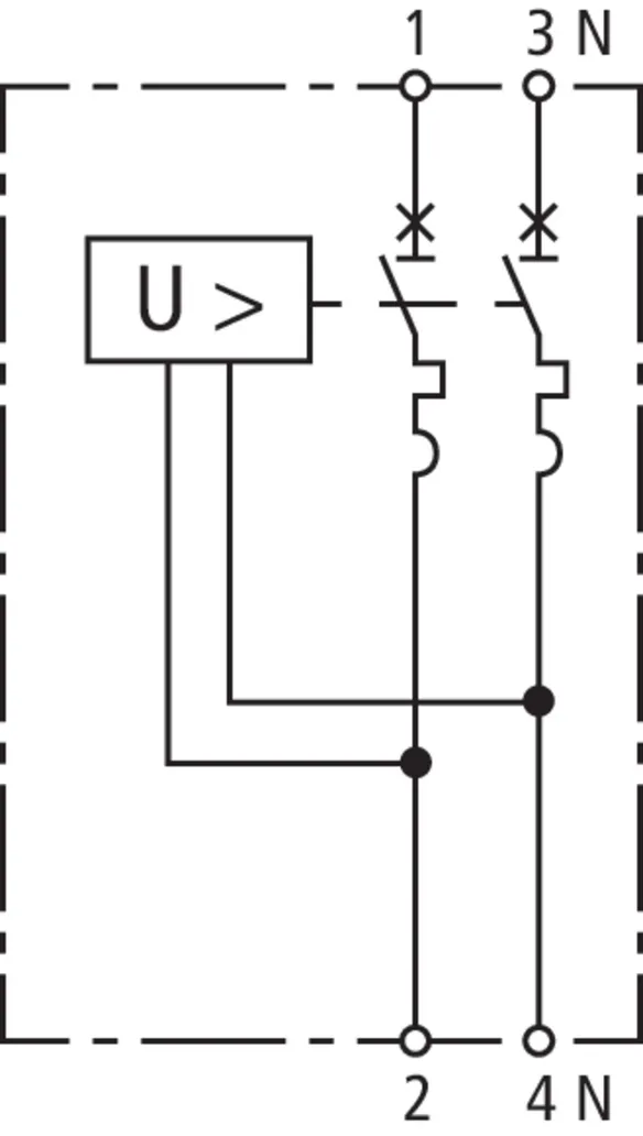
Two-pole SPD+POP+MCB

3 Products

Part No. 900780 SPD+POP 2 255 C25

GTIN 4013364156203, Customs tariff No. (EU): 85363030, Gross weight: 404.00 g, PU: 1.00 pc(s)


Images

Additional information

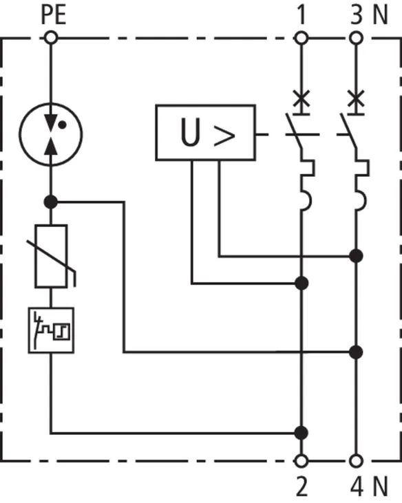
Surge arrester SPD+POP 2 255 C25
Compact surge arrester for transients and
mains-frequency surges with integrated
miniature circuit breaker
Type 2 SPD according to EN 61643-11,
POP according to EN 50550
Comprehensive protection against transients and
mains-frequency surges
Prewired complete unit, the individual devices
do not have to be additionally wired
Number of poles 1P + N
Tripping characteristic MCB / nominal current MCB C 25 A
Max. continuous operating voltage: 275 V a.c.
Voltage protection level: <= 1.5 kV
Nominal discharge current: 5 kA / 20 kA
Energy coordination according to
EN 62305-4 with type 1 and
type 3 arresters of the Red/Line series
SPD monitoring: Thermo Dynamic Control
Operating state and fault indication
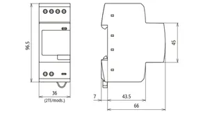
DIN rail mounted device according to DIN 43880, 4 modules

Brand: DEHN
Type: SPD+POP 2 255 C25
Part No.: 900780
or equivalent.

Certificates

 

Technical data

General
Number of poles 1P + N
Nominal a.c. voltage (UN ) 230 V
SPD
Nominal discharge current (8/20 µs) [L-N] (In ) 5 kA
POP
Max. non-tripping voltage (a.c.) 255 V
Max. tripping voltage (a.c.) 415 V
MCB
Tripping characteristic C
Nominal alternating current (IL ) 25 A

Product 900780 was added to Notepad.

Product 900780 was added to the cart.

Part No. 900781 SPD+POP 2 255 C32

GTIN 4013364156210, Customs tariff No. (EU): 85363030, Gross weight: 425.00 g, PU: 1.00 pc(s)


Images

Additional information

Surge arrester SPD+POP 2 255 C32
Compact surge arrester for transients and mains-frequency
surges with integrated miniature circuit breaker
Type 2 SPD according to EN 61643-11, POP according to EN 50550
Comprehensive protection against transients and
mains-frequency surges
Prewired complete unit, the individual devices do not
have to be additionally wired
Number of poles 1P + N
Tripping characteristic MCB / nominal current MCB C 32 A
Max. continuous operating voltage: 275 V a.c.
Voltage protection level: <= 1.5 kV
Nominal discharge current: 5 kA / 20 kA
Energy coordination according to
EN 62305-4 with type 1 and
type 3 arresters of the Red/Line series
SPD monitoring: Thermo Dynamic Control
Operating state and fault indication
DIN rail mounted device according to DIN 43880, 4 modules

Brand: DEHN
Type: SPD+POP 2 255 C32
Part No.: 900781
or equivalent.

Certificates

 

Technical data

General
Number of poles 1P + N
Nominal a.c. voltage (UN ) 230 V
SPD
Nominal discharge current (8/20 µs) [L-N] (In ) 5 kA
POP
Max. non-tripping voltage (a.c.) 255 V
Max. tripping voltage (a.c.) 415 V
MCB
Tripping characteristic C
Nominal alternating current (IL ) 32 A

Product 900781 was added to Notepad.

Product 900781 was added to the cart.

Part No. 900782 SPD+POP 2 255 C40

GTIN 4013364156227, Customs tariff No. (EU): 85363030, Gross weight: 424.00 g, PU: 1.00 pc(s)


Images

Additional information

Surge arrester SPD+POP 2 255 C40
Compact surge arrester for transients and mains-frequency
surges with integrated miniature circuit breaker
Type 2 SPD according to EN 61643-11, POP according to EN 50550
Comprehensive protection against transients and
mains-frequency surges
Prewired complete unit, the individual devices do not have to
be additionally wired
Number of poles 1P + N
Tripping characteristic MCB / nominal current MCB C 40 A
Max. continuous operating voltage: 275 V a.c.
Voltage protection level: <= 1.5 kV
Nominal discharge current: 5 kA / 20 kA
Energy coordination according to
EN 62305-4 with type 1 and
type 3 arresters of the Red/Line series
SPD monitoring: Thermo Dynamic Control
Operating state and fault indication
DIN rail mounted device according to DIN 43880, 4 modules

Brand: DEHN
Type: SPD+POP 2 255 C40
Part No.: 900782
or equivalent.

Certificates

 

Technical data

General
Number of poles 1P + N
Nominal a.c. voltage (UN ) 230 V
SPD
Nominal discharge current (8/20 µs) [L-N] (In ) 5 kA
POP
Max. non-tripping voltage (a.c.) 255 V
Max. tripping voltage (a.c.) 415 V
MCB
Tripping characteristic C
Nominal alternating current (IL ) 40 A

Product 900782 was added to Notepad.

Product 900782 was added to the cart.


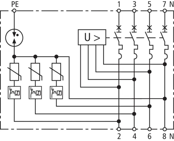
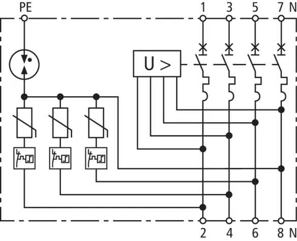
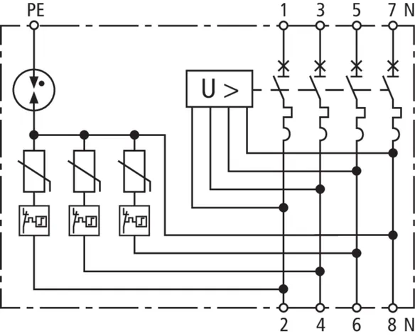
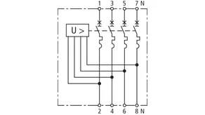
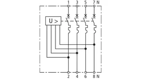
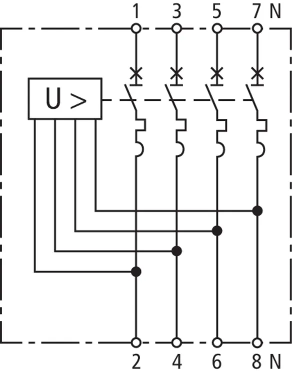
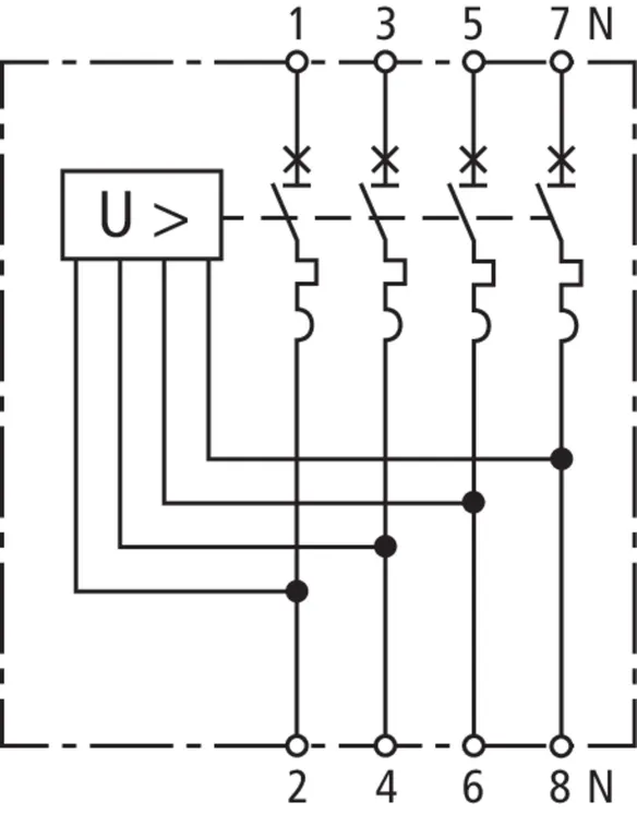
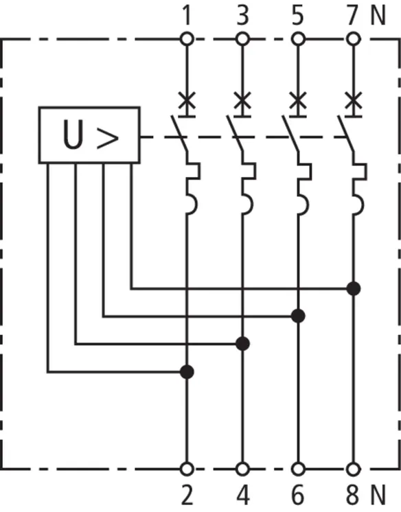
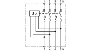
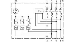
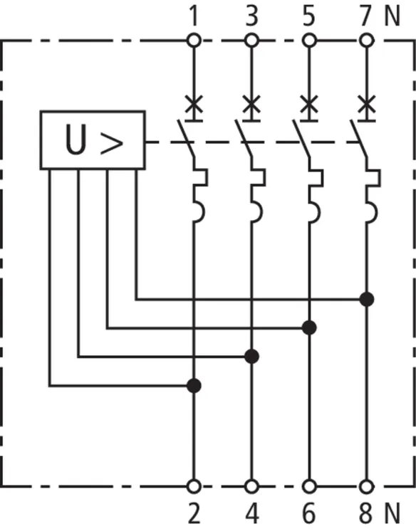
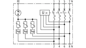
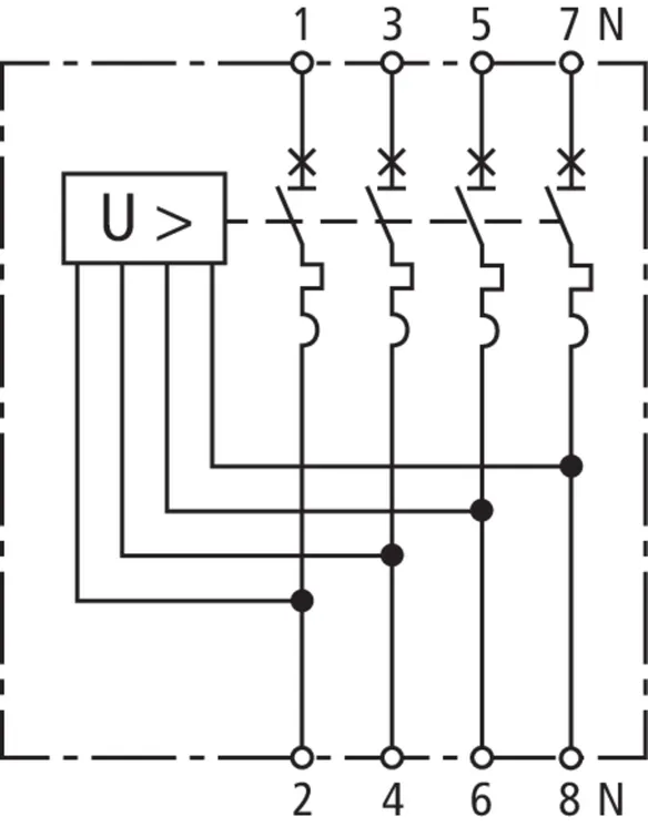
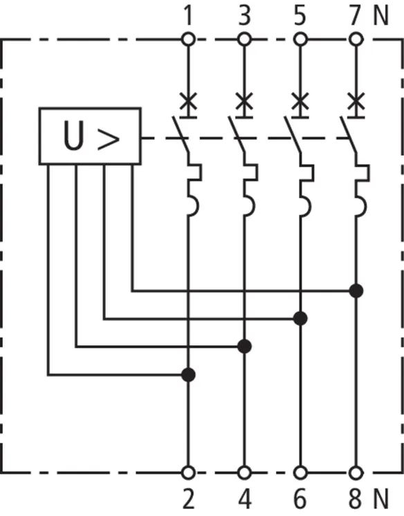
Four-pole SPD+POP+MCB

4 Products

Part No. 900785 SPD+POP 4 255 C25

GTIN 4013364156234, Customs tariff No. (EU): 85363030, Gross weight: 730.00 g, PU: 1.00 pc(s)


Images

Additional information

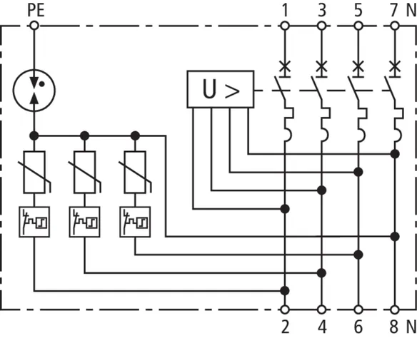
Surge arrester SPD+POP 4 255 C25
Compact surge arrester for transients and mains-frequency surges with integrated miniature circuit breaker
Type 2 SPD according to EN 61643-11, POP according to EN 50550
Comprehensive protection against transients and mains-frequency surges
Prewired complete unit, the individual devices do not have to be additionally wired
Number of poles 3P + N
Tripping characteristic MCB / nominal current MCB C 25 A
Max. continuous operating voltage: 275 V a.c.
Voltage protection level: <= 1.5 kV
Nominal discharge current: 5 kA / 20 kA
Energy coordination according to
EN 62305-4 with type 1 and
type 3 arresters of the Red/Line series
SPD monitoring: Thermo Dynamic Control
Operating state and fault indication
DIN rail mounted device according to DIN 43880, 7 modules

Brand: DEHN
Type: SPD+POP 4 255 C25
Part No.: 900785
or equivalent.

Certificates

 

Technical data

General
Number of poles 3P + N
Nominal a.c. voltage (UN ) 230 / 400 V
SPD
Nominal discharge current (8/20 µs) [L-N] (In ) 5 kA
POP
Max. non-tripping voltage (a.c.) 255 V
Max. tripping voltage (a.c.) 415 V
MCB
Tripping characteristic C
Nominal alternating current (IL ) 25 A

Product 900785 was added to Notepad.

Product 900785 was added to the cart.

Part No. 900786 SPD+POP 4 255 C32

GTIN 4013364156241, Customs tariff No. (EU): 85363030, Gross weight: 763.00 g, PU: 1.00 pc(s)


Images

Additional information

Surge arrester SPD+POP 4 255 C32
Compact surge arrester for transients and mains-frequency surges with integrated miniature circuit breaker
Type 2 SPD according to EN 61643-11, POP according to EN 50550
Comprehensive protection against transients and mains-frequency surges
Prewired complete unit, the individual devices do not have to be additionally wired
Number of poles 3P + N
Tripping characteristic MCB / nominal current MCB C 32 A
Max. continuous operating voltage: 275 V a.c.
Voltage protection level: <= 1.5 kV
Nominal discharge current: 5 kA / 20 kA
Energy coordination according to
EN 62305-4 with type 1 and
type 3 arresters of the Red/Line series
SPD monitoring: Thermo Dynamic Control
Operating state and fault indication
DIN rail mounted device according to DIN 43880, 7 modules

Brand: DEHN
Type: SPD+POP 4 255 C32
Part No.: 900786
or equivalent.

Certificates

 

Technical data

General
Number of poles 3P + N
Nominal a.c. voltage (UN ) 230 / 400 V
SPD
Nominal discharge current (8/20 µs) [L-N] (In ) 5 kA
POP
Max. non-tripping voltage (a.c.) 255 V
Max. tripping voltage (a.c.) 415 V
MCB
Tripping characteristic C
Nominal alternating current (IL ) 32 A

Product 900786 was added to Notepad.

Product 900786 was added to the cart.

Part No. 900787 SPD+POP 4 255 C40

GTIN 4013364156258, Customs tariff No. (EU): 85363030, Gross weight: 769.00 g, PU: 1.00 pc(s)


Images

Additional information

Surge arrester SPD+POP 4 255 C40
Compact surge arrester for transients and mains-frequency surges with integrated miniature circuit breaker
Type 2 SPD according to EN 61643-11, POP according to EN 50550
Comprehensive protection against transients and mains-frequency surges
Prewired complete unit, the individual devices do not have to be additionally wired
Number of poles 3P + N
Tripping characteristic MCB / nominal current MCB C 40 A
Max. continuous operating voltage: 275 V a.c.
Voltage protection level: <= 1.5 kV
Nominal discharge current: 5 kA / 20 kA
Energy coordination according to
EN 62305-4 with type 1 and
type 3 arresters of the Red/Line series
SPD monitoring: Thermo Dynamic Control
Operating state and fault indication
DIN rail mounted device according to DIN 43880, 7 modules

Brand: DEHN
Type: SPD+POP 4 255 C40
Part No.: 900787
or equivalent.

Certificates

 

Technical data

General
Number of poles 3P + N
Nominal a.c. voltage (UN ) 230 / 400 V
SPD
Nominal discharge current (8/20 µs) [L-N] (In ) 5 kA
POP
Max. non-tripping voltage (a.c.) 255 V
Max. tripping voltage (a.c.) 415 V
MCB
Tripping characteristic C
Nominal alternating current (IL ) 40 A

Product 900787 was added to Notepad.

Product 900787 was added to the cart.

Part No. 900788 SPD+POP 4 255 C63

GTIN 4013364156265, Customs tariff No. (EU): 85363030, Gross weight: 773.00 g, PU: 1.00 pc(s)


Images

Additional information

Surge arrester SPD+POP 4 255 C63
Compact surge arrester for transients and mains-frequency surges with integrated miniature circuit breaker
Type 2 SPD according to EN 61643-11, POP according to EN 50550
Comprehensive protection against transients and mains-frequency surges
Prewired complete unit, the individual devices do not have to be additionally wired
Number of poles 3P + N
Tripping characteristic MCB / nominal current MCB C 63 A
Max. continuous operating voltage: 275 V a.c.
Voltage protection level: <= 1.5 kV
Nominal discharge current: 5 kA / 20 kA
Energy coordination according to
EN 62305-4 with type 1 and
type 3 arresters of the Red/Line series
SPD monitoring: Thermo Dynamic Control
Operating state and fault indication
DIN rail mounted device according to DIN 43880, 7 modules

Brand: DEHN
Type: SPD+POP 4 255 C63
Part No.: 900788
or equivalent.

Certificates

 

Technical data

General
Number of poles 3P + N
Nominal a.c. voltage (UN ) 230 / 400 V
SPD
Nominal discharge current (8/20 µs) [L-N] (In ) 5 kA
POP
Max. non-tripping voltage (a.c.) 255 V
Max. tripping voltage (a.c.) 415 V
MCB
Tripping characteristic C
Nominal alternating current (IL ) 63 A

Product 900788 was added to Notepad.

Product 900788 was added to the cart.


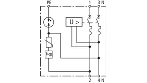
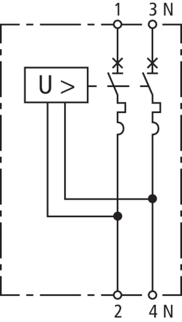
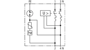
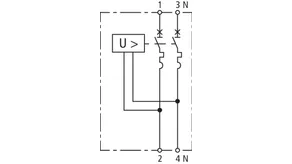
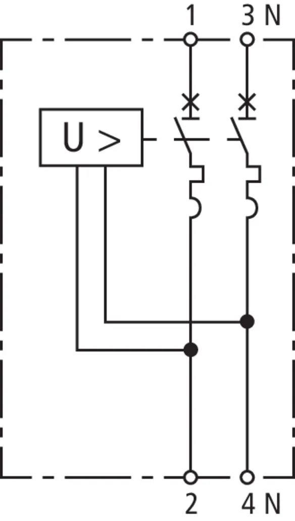
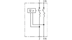
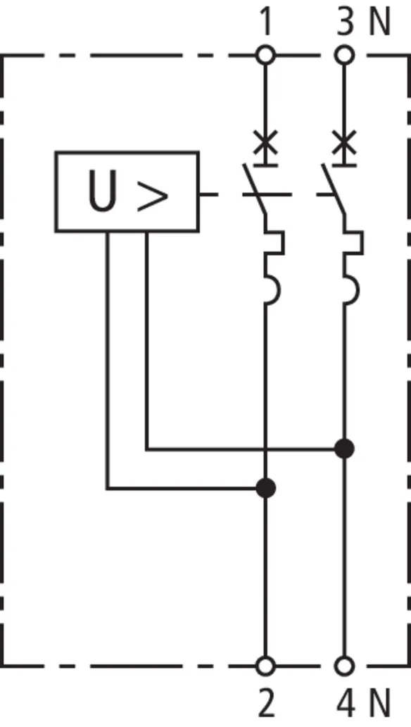
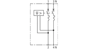
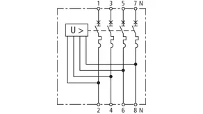
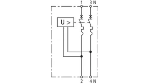
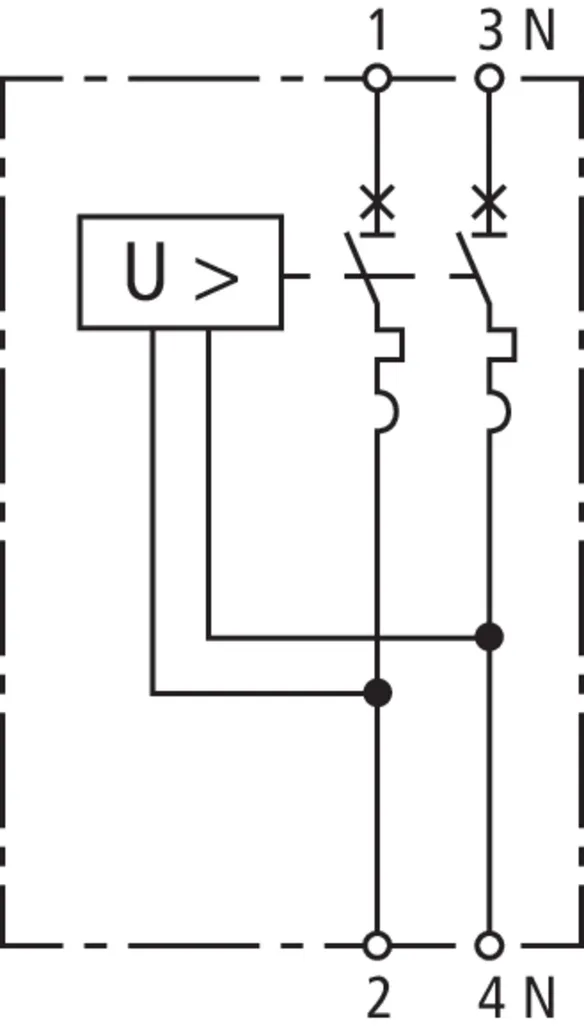
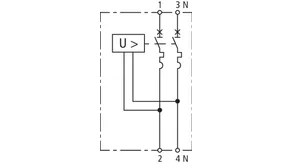
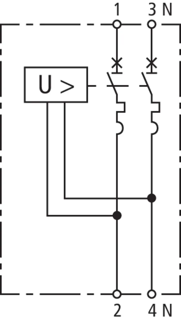
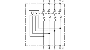
Two-pole POP+MCB

3 Products

Part No. 900760 POP 2 255 C25

GTIN 4013364156135, Customs tariff No. (EU): 85363030, Gross weight: 297.00 g, PU: 1.00 pc(s)


Images

Additional information

Protective device POP 2 255 C25
Protective device for mains-frequency surges with integrated miniature circuit breaker
POP according to EN 50550
Prewired complete unit, individual devices do not have to be additionally wired
Number pf poles 1P + N
Tripping characteristic MCB / nominal current MCB C 25 A
Rated breaking capacity according to EN 60898 6 kA
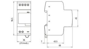
DIN rail mounted device according to DIN 43880, 3 modules

Brand: DEHN
Type: POP 2 255 C25
Part No.: 900760
or equivalent.

Certificates

 

Technical data

General
Number of poles 1P + N
Nominal a.c. voltage (UN ) 230 V
POP
Max. non-tripping voltage (a.c.) 255 V
Max. tripping voltage (a.c.) 415 V
MCB
Tripping characteristic C
Nominal alternating current (IL ) 25 A

Product 900760 was added to Notepad.

Product 900760 was added to the cart.

Part No. 900761 POP 2 255 C32

GTIN 4013364156142, Customs tariff No. (EU): 85363030, Gross weight: 317.00 g, PU: 1.00 pc(s)


Images

Additional information

Protective device POP 2 255 C32
Protective device for mains-frequency surges with integrated miniature circuit breaker
POP according to EN 50550
Prewired complete unit, individual devices do not have to be additionally wired
Number pf poles 1P + N
Tripping characteristic MCB / nominal current MCB C 32 A
Rated breaking capacity according to EN 60898 6 kA
DIN rail mounted device according to DIN 43880, 3 modules

Brand: DEHN
Type: POP 2 255 C32
Part No.: 900761
or equivalent.

Certificates

 

Technical data

General
Number of poles 1P + N
Nominal a.c. voltage (UN ) 230 V
POP
Max. non-tripping voltage (a.c.) 255 V
Max. tripping voltage (a.c.) 415 V
MCB
Tripping characteristic C
Nominal alternating current (IL ) 32 A

Product 900761 was added to Notepad.

Product 900761 was added to the cart.

Part No. 900762 POP 2 255 C40

GTIN 4013364156159, Customs tariff No. (EU): 85363030, Gross weight: 317.00 g, PU: 1.00 pc(s)


Images

Additional information

Protective device POP 2 255 C40
Protective device for mains-frequency surges with integrated miniature circuit breaker
POP according to EN 50550
Prewired complete unit, individual devices do not have to be additionally wired
Number pf poles 1P + N
Tripping characteristic MCB / nominal current MCB C 40 A
Rated breaking capacity according to EN 60898 6 kA
DIN rail mounted device according to DIN 43880, 3 modules

Brand: DEHN
Type: POP 2 255 C40
Part No.: 900762
or equivalent.

Certificates

 

Technical data

General
Number of poles 1P + N
Nominal a.c. voltage (UN ) 230 V
POP
Max. non-tripping voltage (a.c.) 255 V
Max. tripping voltage (a.c.) 415 V
MCB
Tripping characteristic C
Nominal alternating current (IL ) 40 A

Product 900762 was added to Notepad.

Product 900762 was added to the cart.


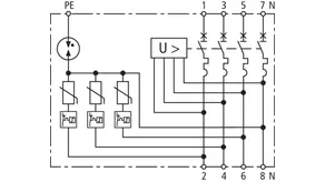
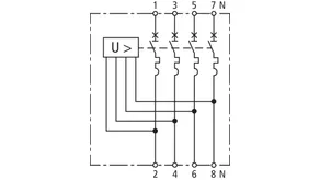
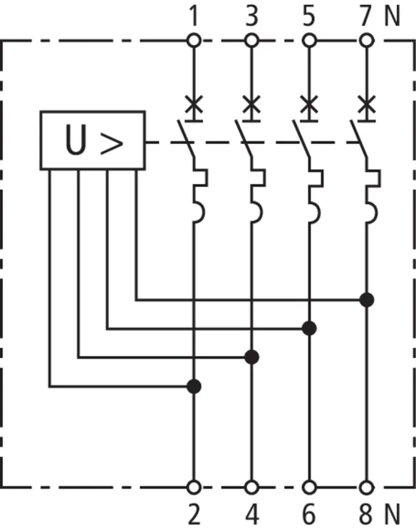
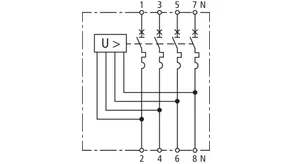
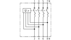
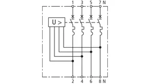
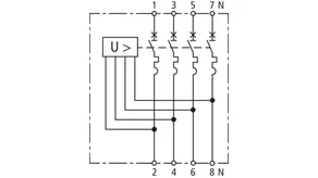
Four-pole POP+MCB

4 Products

Part No. 900765 POP 4 255 C25

GTIN 4013364156166, Customs tariff No. (EU): 85363030, Gross weight: 547.00 g, PU: 1.00 pc(s)


Images

Additional information

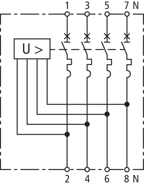
Protective device POP 4 255 C25
Protective device for mains-frequency surges with integrated miniature circuit breaker
POP according to EN 50550
Prewired complete unit, individual devices do not have to be additionally wired
Number pf poles 3P + N
Tripping characteristic MCB / nominal current MCB C 25 A
Rated breaking capacity according to EN 60898 6 kA
DIN rail mounted device according to DIN 43880, 5 modules

Brand: DEHN
Type: POP 4 255 C25
Part No.: 900765
or equivalent.

Certificates

 

Technical data

POP
Max. non-tripping voltage (a.c.) 255 V
Max. tripping voltage (a.c.) 415 V
MCB
Tripping characteristic C
Nominal alternating current (IL ) 25 A
General
Number of poles 3P + N
Nominal a.c. voltage (UN ) 230 / 400 V

Product 900765 was added to Notepad.

Product 900765 was added to the cart.

Part No. 900766 POP 4 255 C32

GTIN 4013364156173, Customs tariff No. (EU): 85363030, Gross weight: 580.00 g, PU: 1.00 pc(s)


Images

Additional information

Protective device POP 4 255 C32
Protective device for mains-frequency surges with integrated miniature circuit breaker
POP according to EN 50550
Prewired complete unit, individual devices do not have to be additionally wired
Number pf poles 3P + N
Tripping characteristic MCB / nominal current MCB C 32 A
Rated breaking capacity according to EN 60898 6 kA
DIN rail mounted device according to DIN 43880, 5 modules

Brand: DEHN
Type: POP 4 255 C32
Part No.: 900766
or equivalent.

Certificates

 

Technical data

POP
Max. non-tripping voltage (a.c.) 255 V
Max. tripping voltage (a.c.) 415 V
MCB
Tripping characteristic C
Nominal alternating current (IL ) 32 A
General
Number of poles 3P + N
Nominal a.c. voltage (UN ) 230 / 400 V

Product 900766 was added to Notepad.

Product 900766 was added to the cart.

Part No. 900767 POP 4 255 C40

GTIN 4013364156180, Customs tariff No. (EU): 85363030, Gross weight: 586.00 g, PU: 1.00 pc(s)


Images

Additional information

Protective device POP 4 255 C40
Protective device for mains-frequency surges with integrated miniature circuit breaker
POP according to EN 50550
Prewired complete unit, individual devices do not have to be additionally wired
Number pf poles 3P + N
Tripping characteristic MCB / nominal current MCB C 40 A
Rated breaking capacity according to EN 60898 6 kA
DIN rail mounted device according to DIN 43880, 5 modules

Brand: DEHN
Type: POP 4 255 C40
Part No.: 900767
or equivalent.

Certificates

 

Technical data

POP
Max. non-tripping voltage (a.c.) 255 V
Max. tripping voltage (a.c.) 415 V
MCB
Tripping characteristic C
Nominal alternating current (IL ) 40 A
General
Number of poles 3P + N
Nominal a.c. voltage (UN ) 230 / 400 V

Product 900767 was added to Notepad.

Product 900767 was added to the cart.

Part No. 900768 POP 4 255 C63

GTIN 4013364156197, Customs tariff No. (EU): 85363030, Gross weight: 591.00 g, PU: 1.00 pc(s)


Images

Additional information

Protective device POP 4 255 C63
Protective device for mains-frequency surges with integrated miniature circuit breaker
POP according to EN 50550
Prewired complete unit, individual devices do not have to be additionally wired
Number pf poles 3P + N
Tripping characteristic MCB / nominal current MCB C 63 A
Rated breaking capacity according to EN 60898 6 kA
DIN rail mounted device according to DIN 43880, 5 modules

Brand: DEHN
Type: POP 4 255 C63
Part No.: 900768
or equivalent.

Certificates

 

Technical data

POP
Max. non-tripping voltage (a.c.) 255 V
Max. tripping voltage (a.c.) 415 V
MCB
Tripping characteristic C
Nominal alternating current (IL ) 63 A
General
Number of poles 3P + N
Nominal a.c. voltage (UN ) 230 / 400 V

Product 900768 was added to Notepad.

Product 900768 was added to the cart.


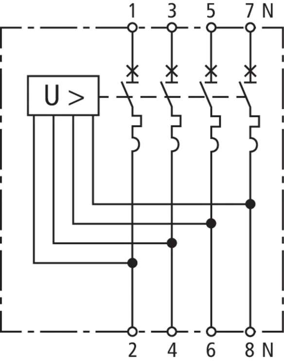
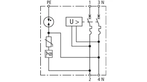
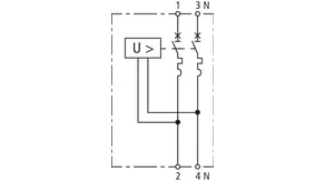
Four-pole POP

1 Product

Part No. 900720 DEHNduo POP SA 3P 230

GTIN 4013364477377, Customs tariff No. (EU): 85363030, Gross weight: 175.44 g, PU: 1.00 pc(s)


Images

Additional information

Protective device POP SA 3P 230
Protective device for
power-frequency overvoltages
for the triggering of external
circuit breakers
POP as per IEC 63052 cat. 4.1.3S2
Number pf poles 3P + N
Adjustable output switching signal
from 12V – 230V
DIN rail mounted device according to
DIN 43880, 2 modules

Brand: DEHN
Type: DEHNduo POP SA 3P 230
Part No.: 900720
or equivalent.

 

Technical data

General
Number of poles 3P + N
Nominal a.c. voltage (UN ) 230 / 400 V
POP
Max. non-tripping voltage (a.c.) 255 V
Max. tripping voltage (a.c.) 440 V
Tripping time at 275 V a.c. 9 sec
Tripping time at 300 V AC 3 sec
Tripping time at 350 V AC 0.5 sec
DC breaking capacityout 50 ms 230 V / 1 A; 48 V / 3 A; 24 V / 5 A; 12 V / 5 A
Power consumption 500 mW

Product 900720 was added to Notepad.

Product 900720 was added to the cart.


back to top