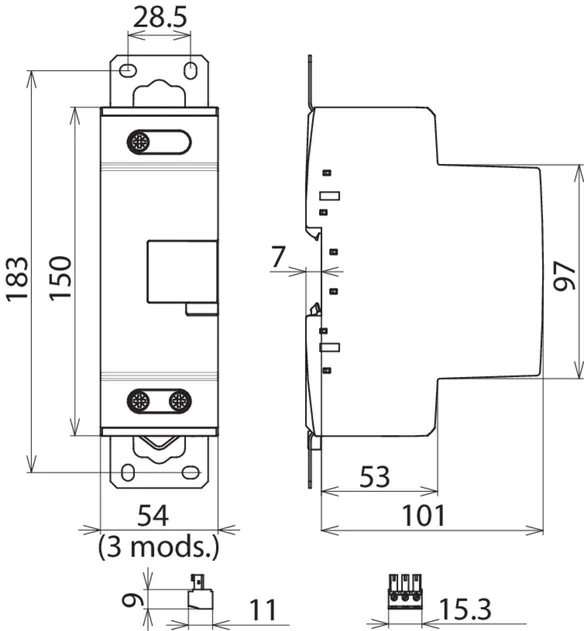
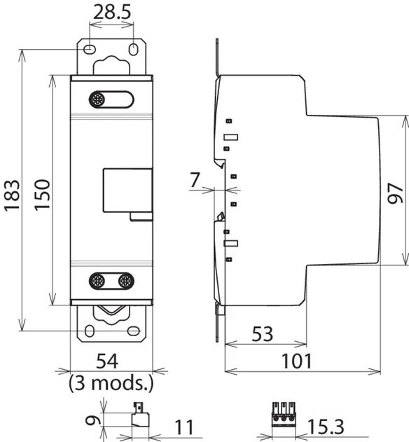
DEHNbloc Maxi 1 CI 440 / 760 FM
:quality(98)/www.dehn-international.com/store/f/62752216/HDVORSCHAU/961146a1_16-9.jpg)
:quality(98)/www.dehn-international.com/store/f/62752216/HDVORSCHAU/961146a1_16-9.jpg)
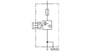
- Spark-gap-based lightning current arrester with an integrated backup fuse capable of carrying lightning currents in a compact enclosure
- Extremely high lightning current discharge capacity of 35 kA (10/350 µs)
- Low voltage protection level (including backup fuse)
- High follow current extinguishing capability and limitation thanks to RADAX Flow technology
- Energy coordination with other arresters of the Red/Line product family
- Operating state / fault indication by green / red indicator flag in the inspection window
Details
:quality(98)/www.dehn-international.com/store/f/62752217/HDVORSCHAU/961146a3.jpg)
:quality(98)/www.dehn-international.com/store/f/62752217/HDVORSCHAU/961146a3.jpg)
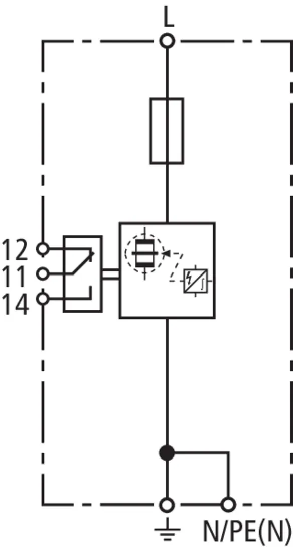
Part No. 961146 DBM 1 CI 440 FM
GTIN 4013364250062, Customs tariff No. (EU): 85363090, Gross weight: 1175.20 g, PU: 1.00 pc(s)
Technical data
SPD according to EN 61643-11 / IEC 61643-11 | type 1 / class I |
Maximum continuous operating voltage (a.c.) (UC ) | 440 V (50 / 60 Hz) |
Lightning impulse current (10/350 µs) (Iimp ) | 35 kA |
Voltage protection level (UP ) | ≤ 2.5 kV |
Max. mains-side overcurrent protection | not required |
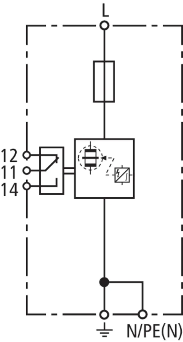
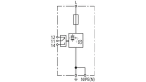
Type of remote signalling contact | changeover contact |
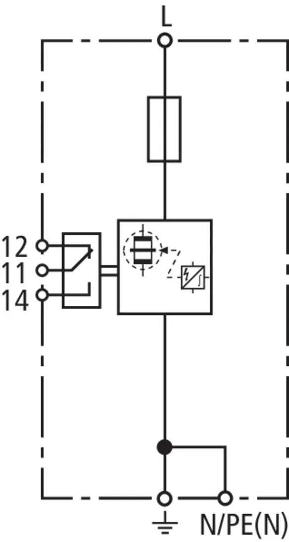
Part No. 961176 DBM 1 CI 760 FM
GTIN 4013364250123, Customs tariff No. (EU): 85363090, Gross weight: 1170.00 g, PU: 1.00 pc(s)
Technical data
SPD according to EN 61643-11 / IEC 61643-11 | type 1 / class I |
Maximum continuous operating voltage (a.c.) (UC ) | 760 V (50 / 60 Hz) |
Lightning impulse current (10/350 µs) (Iimp ) | 35 kA |
Voltage protection level (UP ) | ≤ 4 kV |
Max. mains-side overcurrent protection | not required |
Type of remote signalling contact | changeover contact |