DEHNbloc Maxi 1 CI 440 / 760 FM

  • Spark-gap-based lightning current arrester with an integrated backup fuse capable of carrying lightning currents in a compact enclosure
  • Extremely high lightning current discharge capacity of 35 kA (10/350 µs)
  • Low voltage protection level (including backup fuse)
  • High follow current extinguishing capability and limitation thanks to RADAX Flow technology
  • Energy coordination with other arresters of the Red/Line product family
  • Operating state / fault indication by green / red indicator flag in the inspection window

Details

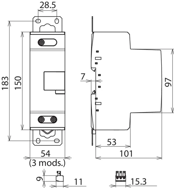
Flexible installation using mounting brackets
lorem ipsum

DEHNbloc Maxi 1 CI 440 FM

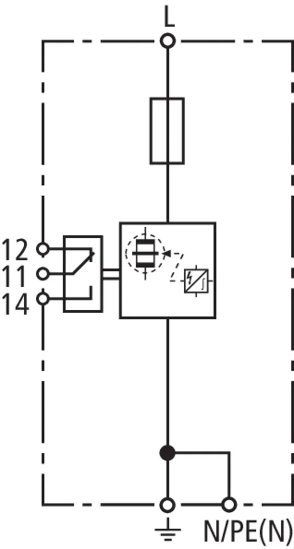
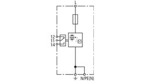
Coordinated single-pole lightning current arrester with integrated backup fuse for 400 / 690 V TN systems and 400 V IT systems; with remote signalling contact for monitoring device (floating changeover contact).

1 Product

Part No. 961146 DBM 1 CI 440 FM

GTIN 4013364250062, Customs tariff No. (EU): 85363090, Gross weight: 1175.20 g, PU: 1.00 pc(s)


Images

Additional information

DEHNbloc Maxi 1 CI 440 FM
Coordinated single-pole lightning current arrester
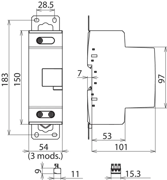
Width: 3 mod.
with integrated backup fuse and remote signalling contact
Type 1 SPD according to EN 61643-11
RADAX Flow spark gap technology
for follow current limitation
Fault indication
Max. continuous operating voltage: 440 V a.c.
Voltage protection level: <= 4 kV
Lightning impulse current (10/350): 35 kA
Follow current extinguishing capability: up to 50 kArms
Energy-coordinated according to IEC/EN 62305-4
with type 2 arresters of the Red/Line series

Brand: DEHN
Type: DBM 1 CI 440 FM
Part No.: 961146
or equivalent.

Certificates

 

Circuit Interruption

The backup fuse is already integrated here. This means: reduced space requirement, lower installation costs, faster wiring, and shorter connecting cables. This concept can be found in the product ranges DEHNvenCI, DEHNbloc Maxi S, DEHNguard ... CI and V(A) NH...

Wave breaker function

In the case of spark-gap-based type 1 arresters, the entire current flows through the type 1 arrester during the discharge process. Like a wave breaker, the incoming energy is greatly broken down, which significantly relieves the downstream SPDs. All type 1 arresters in the Red/Line product range feature the WBF wave breaker function.

Technical data

SPD according to EN 61643-11 / IEC 61643-11 type 1 / class I
Maximum continuous operating voltage (a.c.) (UC ) 440 V (50 / 60 Hz)
Lightning impulse current (10/350 µs) (Iimp ) 35 kA
Voltage protection level (UP ) ≤ 2.5 kV
Max. mains-side overcurrent protection not required
Type of remote signalling contact changeover contact

Product 961146 was added to Notepad.

Product 961146 was added to the cart.


DEHNbloc Maxi 1 CI 760 FM

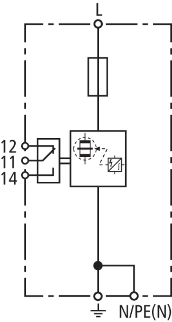
Coordinated single-pole lightning current arrester with integrated backup fuse for 690 V TN / IT systems; with remote signalling contact for monitoring device (floating changeover contact).

1 Product

Part No. 961176 DBM 1 CI 760 FM

GTIN 4013364250123, Customs tariff No. (EU): 85363090, Gross weight: 1170.00 g, PU: 1.00 pc(s)


Images

Additional information

DEHNbloc Maxi 1 CI 440 FM lightning current arrester
Coordinated single-pole lightning current arrester
Width: 3 modules
with integrated arrester backup fuse and
remote signalling contact
Type 1 SPD according to EN 61643-11
RADAX Flow spark gap technology
for follow current limitation
Fault indication
Max. continuous operating voltage: 760 V a.c.
Voltage protection level: <= 4 kV
Lightning impulse current (10/350): 35 kA
Follow current extinguishing capability: 25 kArms
Energy-coordinated according to IEC/EN 62305-4
with arresters of the Red/Line series

Brand: DEHN
Type: DBM 1 CI 760 FM
Part No.: 961176
or equivalent.

Certificates

 

Circuit Interruption

The backup fuse is already integrated here. This means: reduced space requirement, lower installation costs, faster wiring, and shorter connecting cables. This concept can be found in the product ranges DEHNvenCI, DEHNbloc Maxi S, DEHNguard ... CI and V(A) NH...

Wave breaker function

In the case of spark-gap-based type 1 arresters, the entire current flows through the type 1 arrester during the discharge process. Like a wave breaker, the incoming energy is greatly broken down, which significantly relieves the downstream SPDs. All type 1 arresters in the Red/Line product range feature the WBF wave breaker function.

Technical data

SPD according to EN 61643-11 / IEC 61643-11 type 1 / class I
Maximum continuous operating voltage (a.c.) (UC ) 760 V (50 / 60 Hz)
Lightning impulse current (10/350 µs) (Iimp ) 35 kA
Voltage protection level (UP ) ≤ 4 kV
Max. mains-side overcurrent protection not required
Type of remote signalling contact changeover contact

Product 961176 was added to Notepad.

Product 961176 was added to the cart.


back to top