DEHNventil modular JAPAN
:quality(98)/www.dehn-international.com/store/f/41264742/HDVORSCHAU/951329_118_Collage_16-9.jpg)
:quality(98)/www.dehn-international.com/store/f/41264742/HDVORSCHAU/951329_118_Collage_16-9.jpg)
- Prewired spark-gap-based combined lightning current and surge arrester, consisting of a base part and plug-in protection modules
- Maximum system availability due to RADAX Flow follow current limitation
- No tripping of 32 A gL/gG fuses up to short-circuit currents of 50 kArms
- Discharge capacity up to 100 kA (10/350 µs)
- Capable of protecting terminal equipment
- Operating state / fault indication by indicator flag in the inspection window
- Easy replacement of protection modules without tools due to module locking system with module release button
- Vibration and shock-tested to EN 60068-2
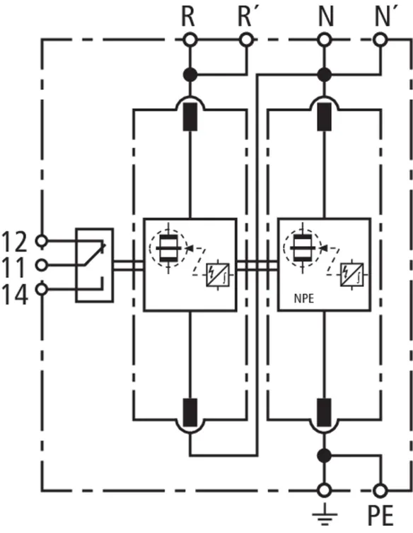
Part No. 951118 DV M 2W 135
GTIN 4013364110571, Customs tariff No. (EU): 85363090, Gross weight: 678.30 g, PU: 1.00 pc(s)
Technical data
SPD acc. to EN 61643-11 / IEC 61643-11 | type 1 + type 2 / class I + class II |
Nominal voltage (a.c.) (UN ) | 1Ø2W100V (50 / 60 Hz) |
Max. continuous operating voltage (a.c.) (UC ) | 135 V (50 / 60 Hz) |
Max. continuous operating voltage NPE (UC ) | 255 V (50 / 60 Hz) |
Lightning impulse current (10/350 µs) [R+N-PE] (Itotal ) | 50 kA |
Lightning impulse current (10/350 µs) [R-N] (Iimp ) | 25 kA |
Lightning impulse current (10/350 µs) [N-PE] (Iimp ) | 50 kA |
Nominal discharge current (8/20 µs) [R-N] (In ) | 25 kA |
Nominal discharge current (8/20 µs) [N-PE] (In ) | 50 kA |
Voltage protection level [R-N] (UP ) | ≤ 1.5 kV |
Voltage protection level [N-PE] (UP ) | ≤ 1.5 kV |
Follow current extinguishing capability (a.c.) [R-N] (Ifi ) | 30 kArms |
Follow current extinguishing capability (a.c.) [N-PE] (Ifi ) | 100 Arms |
Follow current limitation / Selectivity | no tripping of a 32 A gL/gG fuse up to 30 kArms (prosp.) |
Response time (tA ) | ≤ 100 ns |
Max. backup fuse (R) up to IK = 30 kArms | 315 A gG |
Max. backup fuse (R) at IK > 30 kArms | 200 A gG |
Max. backup fuse (R-R´) | 125 A gG |
Temporary overvoltage (TOV) [R-N] (UT) | Single-phase system - No TOV test required |
Temporary overvoltage [N-PE] (UT) – Characteristic | 300 V / 2 s – Withstand |
Temporary overvoltage [N-PE] (UT) – Characteristic | 600 V / 1 s – Withstand |
Operating temperature range (parallel connection) (TUP ) | -40°C...+80°C |
Operating temperature range (series connection) (TUS ) | -40°C...+60°C |
Operating state / fault indication | green / red |
Cross-sectional area (R, R´, N, N´, PE, 9) (min.) | 10 mm2 solid / flexible |
Cross-sectional area (R, N, PE) (max.) | 50 mm2 stranded / 35 mm2 flexible |
Cross-sectional area (R´, N´, 9) (max.) | 35 mm2 stranded / 25 mm2 flexible |
For mounting on | 35 mm DIN rails acc. to EN 60715 |
Enclosure material | thermoplastic, red, UL 94 V-0 |
Degree of protection | IP 20 |
Dimensions | 4 module(s), DIN 43880 |
Approvals | KEMA |
Product 951118 was added to Notepad.
Product 951118 was added to the cart.
Part No. 951119 DV M 2W 135 FM
GTIN 4013364110588, Customs tariff No. (EU): 85363090, Gross weight: 682.60 g, PU: 1.00 pc(s)
Technical data
SPD acc. to EN 61643-11 / IEC 61643-11 | type 1 + type 2 / class I + class II |
Nominal voltage (a.c.) (UN ) | 1Ø2W100V (50 / 60 Hz) |
Max. continuous operating voltage (a.c.) (UC ) | 135 V (50 / 60 Hz) |
Max. continuous operating voltage NPE (UC ) | 255 V (50 / 60 Hz) |
Lightning impulse current (10/350 µs) [R+N-PE] (Itotal ) | 50 kA |
Lightning impulse current (10/350 µs) [R-N] (Iimp ) | 25 kA |
Lightning impulse current (10/350 µs) [N-PE] (Iimp ) | 50 kA |
Nominal discharge current (8/20 µs) [R-N] (In ) | 25 kA |
Nominal discharge current (8/20 µs) [N-PE] (In ) | 50 kA |
Voltage protection level [R-N] (UP ) | ≤ 1.5 kV |
Voltage protection level [N-PE] (UP ) | ≤ 1.5 kV |
Follow current extinguishing capability (a.c.) [R-N] (Ifi ) | 30 kArms |
Follow current extinguishing capability (a.c.) [N-PE] (Ifi ) | 100 Arms |
Follow current limitation / Selectivity | no tripping of a 32 A gL/gG fuse up to 30 kArms (prosp.) |
Response time (tA ) | ≤ 100 ns |
Max. backup fuse (R) up to IK = 30 kArms | 315 A gG |
Max. backup fuse (R) at IK > 30 kArms | 200 A gG |
Max. backup fuse (R-R´) | 125 A gG |
Temporary overvoltage (TOV) [R-N] (UT) | Single-phase system - No TOV test required |
Temporary overvoltage [N-PE] (UT) – Characteristic | 300 V / 2 s – Withstand |
Temporary overvoltage [N-PE] (UT) – Characteristic | 600 V / 1 s – Withstand |
Operating temperature range (parallel connection) (TUP ) | -40°C...+80°C |
Operating temperature range (series connection) (TUS ) | -40°C...+60°C |
Operating state / fault indication | green / red |
Cross-sectional area (R, R´, N, N´, PE, 9) (min.) | 10 mm2 solid / flexible |
Cross-sectional area (R, N, PE) (max.) | 50 mm2 stranded / 35 mm2 flexible |
Cross-sectional area (R´, N´, 9) (max.) | 35 mm2 stranded / 25 mm2 flexible |
For mounting on | 35 mm DIN rails acc. to EN 60715 |
Enclosure material | thermoplastic, red, UL 94 V-0 |
Degree of protection | IP 20 |
Dimensions | 4 module(s), DIN 43880 |
Type of remote signalling contact | changeover contact |
Switching capacity (a.c.) | 250 V / 0.5 A |
Switching capacity (d.c.) | 250 V / 0.1 A; 125 V / 0.2 A; 75 V / 0.5 A |
Cross-sectional area for remote signalling terminals | max. 1.5 mm2 solid / flexible |
Approvals | KEMA |
Product 951119 was added to Notepad.
Product 951119 was added to the cart.
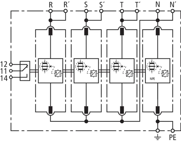
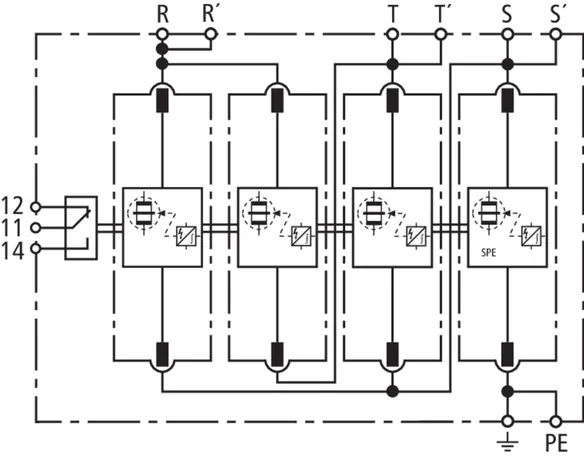
Part No. 951331 DV M 3W 255
GTIN 4013364110632, Customs tariff No. (EU): 85363090, Gross weight: 1.29 kg, PU: 1.00 pc(s)
Technical data
SPD acc. to EN 61643-11 / IEC 61643-11 | type 1 + type 2 / class I + class II |
Nominal voltage (a.c.) (UN ) | 3Ø3W200V (50 / 60 Hz) |
Max. continuous operating voltage (a.c.) (UC ) | 264 V (50 / 60 Hz) |
Max. continuous operating voltage S-PE (UC ) | 255 V (50 / 60 Hz) |
Lightning impulse current (10/350 µs) [R+T+S-PE] (Itotal ) | 75 kA |
Lightning impulse current (10/350 µs) [R-T,S-T,R-S] (Iimp ) | 25 kA |
Lightning impulse current (10/350 µs) [S-PE] (Iimp ) | 75 kA |
Nominal discharge current (8/20 µs) [R+T+S-PE] (In ) | 75 kA |
Nominal discharge current (8/20 µs) [R-T,S-T,R-S] (In ) | 25 kA |
Nominal discharge current (8/20 µs) [S-PE] (In ) | 75 kA |
Voltage protection level [R-T,S-T,R-S] (UP ) | ≤ 1.5 kV |
Voltage protection level [S-PE] (UP ) | ≤ 1.5 kV |
Follow current extinguishing capability (a.c.) [R-T,S-T,R-S] (Ifi ) | 50 kArms |
Follow current extinguishing capability (a.c.) [S-PE] (Ifi ) | 100 Arms |
Follow current limitation / Selectivity | no tripping of a 32 A gL/gG fuse up to 50 kArms (prosp.) |
Response time (tA ) | ≤ 100 ns |
Max. backup fuse (R, T) up to IK = 50 kArms | 315 A gG |
Max. backup fuse (R, T) at IK > 50 kArms | 200 A gG |
Max. backup fuse (R-R´, T-T´) | 125 A gG |
Temporary overvoltage (TOV) [R-T,S-T,R-S] (UT) | No TOV test required |
Temporary overvoltage [S-PE] (UT) – Characteristic | 300 V / 2 s – Withstand |
Temporary overvoltage [S-PE] (UT) – Characteristic | 600 V / 1 s – Withstand |
Operating temperature range (parallel connection) (TUP ) | -40°C...+80°C |
Operating temperature range (series connection) (TUS ) | -40°C...+60°C |
Operating state / fault indication | green / red |
Cross-sectional area (R, R´, T, T´, S, S´, PE, 9) (min.) | 10 mm2 solid / flexible |
Cross-sectional area (R, T, S, PE) (max.) | 50 mm2 stranded / 35 mm2 flexible |
Cross-sectional area (R´, T´, S´, 9) (max.) | 35 mm2 stranded / 25 mm2 flexible |
For mounting on | 35 mm DIN rails acc. to EN 60715 |
Enclosure material | thermoplastic, red, UL 94 V-0 |
Degree of protection | IP 20 |
Dimensions | 8 module(s), DIN 43880 |
Approvals | KEMA |
Product 951331 was added to Notepad.
Product 951331 was added to the cart.
Part No. 951339 DV M 3W 255 FM
GTIN 4013364110649, Customs tariff No. (EU): 85363090, Gross weight: 1.28 kg, PU: 1.00 pc(s)
Technical data
SPD acc. to EN 61643-11 / IEC 61643-11 | type 1 + type 2 / class I + class II |
Nominal voltage (a.c.) (UN ) | 3Ø3W200V (50 / 60 Hz) |
Max. continuous operating voltage (a.c.) (UC ) | 264 V (50 / 60 Hz) |
Max. continuous operating voltage S-PE (UC ) | 255 V (50 / 60 Hz) |
Lightning impulse current (10/350 µs) [R+T+S-PE] (Itotal ) | 75 kA |
Lightning impulse current (10/350 µs) [R-T,S-T,R-S] (Iimp ) | 25 kA |
Lightning impulse current (10/350 µs) [S-PE] (Iimp ) | 75 kA |
Nominal discharge current (8/20 µs) [R+T+S-PE] (In ) | 75 kA |
Nominal discharge current (8/20 µs) [R-T,S-T,R-S] (In ) | 25 kA |
Nominal discharge current (8/20 µs) [S-PE] (In ) | 75 kA |
Voltage protection level [R-T,S-T,R-S] (UP ) | ≤ 1.5 kV |
Voltage protection level [S-PE] (UP ) | ≤ 1.5 kV |
Follow current extinguishing capability (a.c.) [R-T,S-T,R-S] (Ifi ) | 50 kArms |
Follow current extinguishing capability (a.c.) [S-PE] (Ifi ) | 100 Arms |
Follow current limitation / Selectivity | no tripping of a 32 A gL/gG fuse up to 50 kArms (prosp.) |
Response time (tA ) | ≤ 100 ns |
Max. backup fuse (R, T) up to IK = 50 kArms | 315 A gG |
Max. backup fuse (R, T) at IK > 50 kArms | 200 A gG |
Max. backup fuse (R-R´, T-T´) | 125 A gG |
Temporary overvoltage (TOV) [R-T,S-T,R-S] (UT) | No TOV test required |
Temporary overvoltage [S-PE] (UT) – Characteristic | 300 V / 2 s – Withstand |
Temporary overvoltage [S-PE] (UT) – Characteristic | 600 V / 1 s – Withstand |
Operating temperature range (parallel connection) (TUP ) | -40°C...+80°C |
Operating temperature range (series connection) (TUS ) | -40°C...+60°C |
Operating state / fault indication | green / red |
Cross-sectional area (R, R´, T, T´, S, S´, PE, 9) (min.) | 10 mm2 solid/flexible |
Cross-sectional area (R, T, S, PE) (max.) | 50 mm2 stranded / 35 mm2 flexible |
Cross-sectional area (R´, T´, S´, 9) (max.) | 35 mm2 stranded / 25 mm2 flexible |
For mounting on | 35 mm DIN rails acc. to EN 60715 |
Enclosure material | thermoplastic, red, UL 94 V-0 |
Degree of protection | IP 20 |
Dimensions | 8 module(s), DIN 43880 |
Type of remote signalling contact | changeover contact |
Switching capacity (a.c.) | 250 V / 0.5 A |
Switching capacity (d.c.) | 250 V / 0.1 A; 125 V / 0.2 A; 75 V / 0.5 A |
Cross-sectional area for remote signalling terminals | max. 1.5 mm2 solid / flexible |
Approvals | KEMA |
Product 951339 was added to Notepad.
Product 951339 was added to the cart.
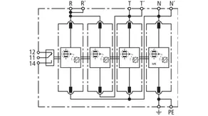
Part No. 951431 DV M 4W 255
GTIN 4013364110663, Customs tariff No. (EU): 85363090, Gross weight: 1.30 kg, PU: 1.00 pc(s)
Technical data
SPD acc. to EN 61643-11 / IEC 61643-11 | type 1 + type 2 / class I + class II |
Nominal voltage (a.c.) (UN ) | 3Ø3W200V * 1Ø3W100/200V (50 / 60 Hz) |
Max. continuous operating voltage (a.c.) [R, S, T-N] (UC ) | 264 V (50 / 60 Hz) |
Max. continuous operating voltage (a.c.) [N-PE] (UC ) | 255 V (50 / 60 Hz) |
Lightning impulse current (10/350 µs) [R+S+T+N-PE] (Itotal ) | 100 kA |
Lightning impulse current (10/350 µs) [R, S, T-N] (Iimp ) | 25 kA |
Lightning impulse current (10/350 µs) [N-PE] (Iimp ) | 100 kA |
Nominal discharge current (8/20 µs) [R+T+S+N-PE] (In ) | 100 kA |
Nominal discharge current (8/20 µs) [R, S, T-N] (In ) | 25 kA |
Nominal discharge current (8/20 µs) [N-PE] (In ) | 100 kA |
Voltage protection level [R, S, T-N] (UP ) | ≤ 1.5 kV |
Voltage protection level [N-PE] (UP ) | ≤ 1.5 kV |
Follow current extinguishing capability (a.c.) [R, S, T-N] (Ifi ) | 50 kArms |
Follow current extinguishing capability (a.c.) [N-PE] (Ifi ) | 100 Arms |
Follow current limitation / Selectivity | no tripping of a 32 A gL/gG fuse up to 50 kArms (prosp.) |
Response time (tA ) | ≤ 100 ns |
Max. backup fuse (R, S, T) up to IK = 50 kArms | 315 A gG |
Max. backup fuse (R, S, T) at IK > 50 kArms | 200 A gG |
Max. backup fuse (R-R´, S-S´, T-T´) | 125 A gG |
Temporary overvoltage (TOV) [R,S,T-N] (UT) | UT = 220 V < UC – No TOV test required |
Temporary overvoltage [N-PE] (UT) – Characteristic | 300 V / 2 s – Withstand |
Temporary overvoltage [N-PE] (UT) – Characteristic | 600 V / 1 s – Withstand |
Operating temperature range (parallel connection) (TUP ) | -40°C...+80°C |
Operating temperature range (series connection) (TUS ) | -40°C...+60°C |
Operating state / fault indication | green / red |
Cross-sectional area (R, R´, S, S´, T, T´, N, N´, PE, 9) (min.) | 10 mm2 solid / flexible |
Cross-sectional area (R, S, T, N, PE) (max.) | 50 mm2 stranded / 35 mm2 flexible |
Cross-sectional area (R´, S´, T´, N´, 9) (max.) | 35 mm2 stranded / 25 mm2 flexible |
For mounting on | 35 mm DIN rails acc. to EN 60715 |
Enclosure material | thermoplastic, red, UL 94 V-0 |
Degree of protection | IP 20 |
Dimensions | 8 module(s), DIN 43880 |
Approvals | KEMA |
Product 951431 was added to Notepad.
Product 951431 was added to the cart.
Part No. 951439 DV M 4W 255 FM
GTIN 4013364110670, Customs tariff No. (EU): 85363090, Gross weight: 1.31 kg, PU: 1.00 pc(s)
Technical data
SPD acc. to EN 61643-11 / IEC 61643-11 | type 1 + type 2 / class I + class II |
Nominal voltage (a.c.) (UN ) | 3Ø3W200V * 1Ø3W100/200V (50 / 60 Hz) |
Max. continuous operating voltage (a.c.) [R, S, T-N] (UC ) | 264 V (50 / 60 Hz) |
Max. continuous operating voltage (a.c.) [N-PE] (UC ) | 255 V (50 / 60 Hz) |
Lightning impulse current (10/350 µs) [R+S+T+N-PE] (Itotal ) | 100 kA |
Lightning impulse current (10/350 µs) [R, S, T-N] (Iimp ) | 25 kA |
Lightning impulse current (10/350 µs) [N-PE] (Iimp ) | 100 kA |
Nominal discharge current (8/20 µs) [R+T+S+N-PE] (In ) | 100 kA |
Nominal discharge current (8/20 µs) [R, S, T-N] (In ) | 25 kA |
Nominal discharge current (8/20 µs) [N-PE] (In ) | 100 kA |
Voltage protection level [R, S, T-N] (UP ) | ≤ 1.5 kV |
Voltage protection level [N-PE] (UP ) | ≤ 1.5 kV |
Follow current extinguishing capability (a.c.) [R, S, T-N] (Ifi ) | 50 kArms |
Follow current extinguishing capability (a.c.) [N-PE] (Ifi ) | 100 Arms |
Follow current limitation / Selectivity | no tripping of a 32 A gL/gG fuse up to 50 kArms (prosp.) |
Response time (tA ) | ≤ 100 ns |
Max. backup fuse (R, S, T) up to IK = 50 kArms | 315 A gG |
Max. backup fuse (R, S, T) at IK > 50 kArms | 200 A gG |
Max. backup fuse (R-R´, S-S´, T-T´) | 125 A gG |
Temporary overvoltage (TOV) [R,S,T-N] (UT) | UT = 220 V < UC – No TOV test required |
Temporary overvoltage [N-PE] (UT) – Characteristic | 300 V / 2 s – Withstand |
Temporary overvoltage [N-PE] (UT) – Characteristic | 600 V / 1 s – Withstand |
Operating temperature range (parallel connection) (TUP ) | -40°C...+80°C |
Operating temperature range (series connection) (TUS ) | -40°C...+60°C |
Operating state / fault indication | green / red |
Cross-sectional area (R, R´, S, S´, T, T´, N, N´, PE, 9) (min.) | 10 mm2 solid / flexible |
Cross-sectional area (R, S, T, N, PE) (max.) | 50 mm² stranded / 35 mm2 flexible |
Cross-sectional area (R´, S´, T´, N´, 9) (max.) | 35 mm2 stranded / 25 mm2 flexible |
For mounting on | 35 mm DIN rails acc. to EN 60715 |
Enclosure material | thermoplastic, red, UL 94 V-0 |
Degree of protection | IP 20 |
Dimensions | 8 module(s), DIN 43880 |
Type of remote signalling contact | changeover contact |
Switching capacity (a.c.) | 250 V / 0.5 A |
Switching capacity (d.c.) | 250 V / 0.1 A; 125 V / 0.2 A; 75 V / 0.5 A |
Cross-sectional area for remote signalling terminals | max. 1.5 mm2 solid / flexible |
Approvals | KEMA |
Product 951439 was added to Notepad.
Product 951439 was added to the cart.
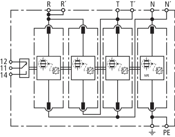
Part No. 951321 DV M 3W 255 135
GTIN 4013364110601, Customs tariff No. (EU): 85363090, Gross weight: 1.36 kg, PU: 1.00 pc(s)
Technical data
SPD acc. to EN 61643-11 / IEC 61643-11 | type 1 + type 2 / class I + class II |
Nominal voltage (a.c.) (UN ) | 1Ø3W100/200V (50 / 60 Hz) |
Max. continuous operating voltage (a.c.) [R, T-N] (UC ) | 135 V (50 / 60 Hz) |
Max. continuous operating voltage (a.c.) [R-T] (UC ) | 264 V (50 / 60 Hz) |
Max. continuous operating voltage (a.c.) [N-PE] (UC ) | 255 V (50 / 60 Hz) |
Lightning impulse current (10/350 µs) [R+T+N-PE] (Itotal ) | 75 kA |
Lightning impulse current (10/350 µs) [R-N, T-N, R-T] (Iimp ) | 25 kA |
Lightning impulse current (10/350 µs) [N-PE] (Iimp ) | 75 kA |
Nominal discharge current (8/20 µs) [R+T+N-PE] (In ) | 75 kA |
Nominal discharge current (8/20 µs) [R-N, T-N, R-T] (In ) | 25 kA |
Nominal discharge current (8/20 µs) [N-PE] (In ) | 75 kA |
Voltage protection level [R-N,T-N, R-T] (UP ) | ≤ 1.5 kV |
Voltage protection level [N-PE] (UP ) | ≤ 1.5 kV |
Follow current extinguishing capability (a.c.) [R, T-N] (Ifi ) | 30 kArms |
Follow current extinguishing capability (a.c.) [R-T] (Ifi ) | 50 kArms |
Follow current extinguishing capability (a.c.) [N-PE] (Ifi ) | 100 Arms |
Follow current limitation / Selectivity | no tripping of a 32 A gL/gG fuse up to 30 kArms (prosp.) |
Response time (tA ) | ≤ 100 ns |
Max. backup fuse (R, T) up to IK = 30 kArms | 315 A gG |
Max. backup fuse (R, T) at IK > 30 kArms | 200 A gG |
Max. backup fuse (R-R´, T-T´) | 125 A gG |
Temporary overvoltage (TOV) [R-T] (UT) | UT = 220 V < UC – No TOV test required |
Temporary overvoltage [R,T-N] (UT) – Characteristic | 220 V / 120 min. – Withstand |
Temporary overvoltage [N-PE] (UT) – Characteristic | 300 V / 2 s – Withstand |
Temporary overvoltage [N-PE] (UT) – Characteristic | 600 V / 1 s – Withstand |
Operating temperature range (parallel connection) (TUP ) | -40°C...+80°C |
Operating temperature range (series connection) (TUS ) | -40°C...+60°C |
Operating state / fault indication | green / red |
Cross-sectional area (R, R´, T, T´, N, N´, PE, 9) (min.) | 10 mm2 solid / flexible |
Cross-sectional area (R, T, N, PE) (max.) | 50 mm2 stranded / 35 mm2 flexible |
Cross-sectional area (R´, T´, N´, 9) (max.) | 35 mm2 stranded / 25 mm2 flexible |
For mounting on | 35 mm DIN rails acc. to EN 60715 |
Enclosure material | thermoplastic, red, UL 94 V-0 |
Degree of protection | IP 20 |
Dimensions | 8 module(s), DIN 43880 |
Approvals | KEMA |
Product 951321 was added to Notepad.
Product 951321 was added to the cart.
Part No. 951329 DV M 3W 255 135 FM
GTIN 4013364110618, Customs tariff No. (EU): 85363090, Gross weight: 1.26 kg, PU: 1.00 pc(s)
Technical data
SPD acc. to EN 61643-11 / IEC 61643-11 | type 1 + type 2 / class I + class II |
Nominal voltage (a.c.) (UN ) | 1Ø3W100/200V (50 / 60 Hz) |
Max. continuous operating voltage (a.c.) [R, T-N] (UC ) | 135 V (50 / 60 Hz) |
Max. continuous operating voltage (a.c.) [R-T] (UC ) | 264 V (50 / 60 Hz) |
Max. continuous operating voltage (a.c.) [N-PE] (UC ) | 255 V (50 / 60 Hz) |
Lightning impulse current (10/350 µs) [R+T+N-PE] (Itotal ) | 75 kA |
Lightning impulse current (10/350 µs) [R-N, T-N, R-T] (Iimp ) | 25 kA |
Lightning impulse current (10/350 µs) [N-PE] (Iimp ) | 75 kA |
Nominal discharge current (8/20 µs) [R+T+N-PE] (In ) | 75 kA |
Nominal discharge current (8/20 µs) [R-N, T-N, R-T] (In ) | 25 kA |
Nominal discharge current (8/20 µs) [N-PE] (In ) | 75 kA |
Voltage protection level [R-N,T-N, R-T] (UP ) | ≤ 1.5 kV |
Voltage protection level [N-PE] (UP ) | ≤ 1.5 kV |
Follow current extinguishing capability (a.c.) [R, T-N] (Ifi ) | 30 kArms |
Follow current extinguishing capability (a.c.) [R-T] (Ifi ) | 50 kArms |
Follow current extinguishing capability (a.c.) [N-PE] (Ifi ) | 100 Arms |
Follow current limitation / Selectivity | no tripping of a 32 A gL/gG fuse up to 30 kArms (prosp.) |
Response time (tA ) | ≤ 100 ns |
Max. backup fuse (R, T) up to IK = 30 kArms | 315 A gG |
Max. backup fuse (R, T) at IK > 30 kArms | 200 A gG |
Max. backup fuse (R-R´, T-T´) | 125 A gG |
Temporary overvoltage (TOV) [R-T] (UT) | UT = 220 V < UC – No TOV test required |
Temporary overvoltage [R,T-N] (UT) – Characteristic | 220 V / 120 min. – Withstand |
Temporary overvoltage [N-PE] (UT) – Characteristic | 300 V / 2 s – Withstand |
Temporary overvoltage [N-PE] (UT) – Characteristic | 600 V / 1 s – Withstand |
Operating temperature range (parallel connection) (TUP ) | -40°C...+80°C |
Operating temperature range (series connection) (TUS ) | -40°C...+60°C |
Operating state / fault indication | green / red |
Cross-sectional area (R, R´, T, T´, N, N´, PE, 9) (min.) | 10 mm2 solid / flexible |
Cross-sectional area (R, T, N, PE) (max.) | 50 mm2 stranded / 35 mm2 flexible |
Cross-sectional area (R´, T´, N´, 9) (max.) | 35 mm2 stranded / 25 mm2 flexible |
For mounting on | 35 mm DIN rails acc. to EN 60715 |
Enclosure material | thermoplastic, red, UL 94 V-0 |
Degree of protection | IP 20 |
Dimensions | 8 module(s), DIN 43880 |
Type of remote signalling contact | changeover contact |
Switching capacity (a.c.) | 250 V / 0.5 A |
Switching capacity (d.c.) | 250 V / 0.1 A; 125 V / 0.2 A; 75 V / 0.5 A |
Cross-sectional area for remote signalling terminals | max. 1.5 mm2 solid / flexible |
Approvals | KEMA |