DEHNcombo

  • Prewired type 1 + type 2 combined lightning current and surge arrester for use in photovoltaic generator circuits
  • Approved fault-resistant Y circuit prevents damage to the surge protective device in case of insulation faults in the generator circuit
  • Rated voltage is the same for all modes of protection and, therefore, the arrester can also be used in earthed systems
  • Space-saving enclosure with a width of only four modules for up to 1500 V d.c.
  • Tested to IEC 61643-31 / EN 61643-31 / EN 50539-11
  • Applicable in PV systems in accordance with IEC 60364-7-712
  • Operating state / fault indication by green / red indicator flag in the inspection window

DEHNcombo YPV ...

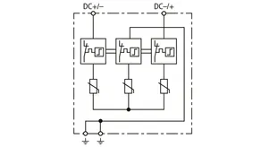
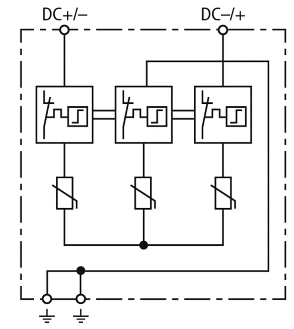
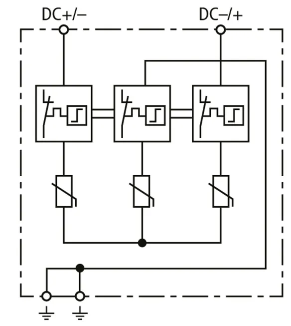
Combined lightning current and surge arrester for use in photovoltaic power supply systems up to 1500 V d.c.

2 Products

Part No. 900070 DCB YPV 1200

GTIN 6942299504521, Customs tariff No. (EU): 85354000, Gross weight: 639.16 g, PU: 1.00 pc(s)

Predecessor

Images

Additional information

DEHNcombo YPV 1200 combined arrester
Multipole type 1 + type 2 combined arrester
for PV generator circuits up to 1200 V d.c.
with three-step d.c. switching device, width: 4 modules
Type 1 + type 2 arrester according to EN 50539-11
For use according to IEC 60364-7-712
Combined disconnection and short-circuiting device
Fault indication
Maximum PV voltage: <= 1200 V d.c.
Total discharge current: 12.5 kA
Voltage protection level: <= 3.8 kV
Short-circuit current rating Iscpv: 10 kA

Brand: DEHN
Type: DCB YPV 1200
Part No.: 900070
or equivalent.

Certificates

 

Technical data

SPD according to EN 61643-31 / IEC 61643-31 type 1 + type 2 / class I + class II
Max. PV voltage [DC+ -> DC-] (UCPV ) ≤ 1200 V
Short-circuit current rating (ISCPV ) 10 kA
Total discharge current (10/350 µs) [DC+/DC- -> PE] (Itotal ) 12.5 kA
Lightning impulse current (10/350 µs) [DC+ -> PE/DC- -> PE] (Iimp ) 6.25 kA
Voltage protection level [(DC+/DC-) -> PE] (UP ) < 3.8 kV
Approvals KEMA, UL

Product 900070 was added to Notepad.

Product 900070 was added to the cart.

Part No. 900071 DCB YPV 1500

GTIN 6942299504545, Customs tariff No. (EU): 85354000, Gross weight: 636.22 g, PU: 1.00 pc(s)

Predecessor

Images

Additional information

DEHNcombo YPV 1500 combined arrester
Multipole type 1 + type 2 combined arrester
for PV generator circuits up to 1500 V d.c.
with three-step d.c. switching device, width: 4 modules
Type 1 + type 2 arrester according to EN 50539-11
For use according to IEC 60364-7-712
Combined disconnection and short-circuiting device
Fault indication
Maximum PV voltage: <= 1500 V d.c.
Total discharge current: 12.5 kA
Voltage protection level: <= 4.5 kV
Short-circuit current rating Iscpv: 10 kA
Fault indication

Brand: DEHN
Type: DCB YPV 1500
Part No.: 900071
or equivalent.

Certificates

 

Technical data

SPD according to EN 61643-31 / IEC 61643-31 type 1 + type 2 / class I + class II
Max. PV voltage [DC+ -> DC-] (UCPV ) ≤ 1500 V
Short-circuit current rating (ISCPV ) 10 kA
Total discharge current (10/350 µs) [DC+/DC- -> PE] (Itotal ) 12.5 kA
Lightning impulse current (10/350 µs) [DC+ -> PE/DC- -> PE] (Iimp ) 6.25 kA
Voltage protection level [(DC+/DC-) -> PE] (UP ) < 4.5 kV
Approvals KEMA, UL

Product 900071 was added to Notepad.

Product 900071 was added to the cart.


DEHNcombo YPV ... FM

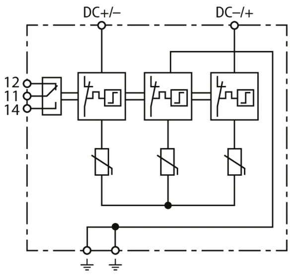
Combined lightning current and surge arrester for use in photovoltaic power supply systems up to 1500 V d.c.; with floating remote signalling contact.

2 Products

Part No. 900075 DCB YPV 1200 FM

GTIN 6942299504538, Customs tariff No. (EU): 85354000, Gross weight: 587.94 g, PU: 1.00 pc(s)

Predecessor

Images

Additional information

DEHNcombo YPV 1200 FM combined arrester
Multipole type 1 + type 2 combined arrester
for PV generator circuits up to 1200 V d.c.
with three-step d.c. switching device, width: 4 modules
Type 1 + type 2 arrester according to EN 50539-11
For use according to IEC 60364-7-712
Combined disconnection and short-circuiting device
With remote signalling contact
Fault indication
Maximum PV voltage: <= 1200 V d.c.
Total discharge current: 12.5 kA
Voltage protection level: <= 3.8 kV
Short-circuit current rating Iscpv: 10 kA
Fault indication

Brand: DEHN
Type: DCB YPV 1200 FM
Part No.: 900075
or equivalent.

Certificates

 

Technical data

SPD according to EN 61643-31 / IEC 61643-31 type 1 + type 2 / class I + class II
Max. PV voltage [DC+ -> DC-] (UCPV ) ≤ 1200 V
Short-circuit current rating (ISCPV ) 10 kA
Total discharge current (10/350 µs) [DC+/DC- -> PE] (Itotal ) 12.5 kA
Lightning impulse current (10/350 µs) [DC+ -> PE/DC- -> PE] (Iimp ) 6.25 kA
Voltage protection level [(DC+/DC-) -> PE] (UP ) < 3.8 kV
Approvals KEMA, UL
Type of remote signalling contact Changeover contact

Product 900075 was added to Notepad.

Product 900075 was added to the cart.

Part No. 900076 DCB YPV 1500 FM

GTIN 6942299504552, Customs tariff No. (EU): 85354000, Gross weight: 638.51 g, PU: 1.00 pc(s)

Predecessor

Images

Additional information

DEHNcombo YPV 1500 FM combined arrester
Multipole type 1 + type 2 combined arrester
for PV generator circuits up to 1500 V d.c.
with three-step d.c. switching device, width: 4 modules
Type 1 + type 2 arrester according to EN 50539-11
For use according to IEC 60364-7-712
Combined disconnection and short-circuiting device
With remote signalling contact
Fault indication
Maximum PV voltage: <= 1500 V d.c.
Total discharge current: 12.5 kA
Voltage protection level: <= 4.5 kV
Short-circuit current rating Iscpv: 10 kA
Fault indication

Brand: DEHN
Type: DCB YPV 1500 FM
Part No.: 900076
or equivalent.

Certificates

 

Technical data

SPD according to EN 61643-31 / IEC 61643-31 type 1 + type 2 / class I + class II
Max. PV voltage [DC+ -> DC-] (UCPV ) ≤ 1500 V
Short-circuit current rating (ISCPV ) 10 kA
Total discharge current (10/350 µs) [DC+/DC- -> PE] (Itotal ) 12.5 kA
Lightning impulse current (10/350 µs) [DC+ -> PE/DC- -> PE] (Iimp ) 6.25 kA
Voltage protection level [(DC+/DC-) -> PE] (UP ) < 4.5 kV
Approvals KEMA, UL
Type of remote signalling contact changeover contact

Product 900076 was added to Notepad.

Product 900076 was added to the cart.


back to top