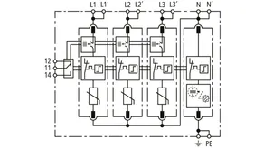
DEHNguard modular with Advanced Circuit Interruption (Safe Dimensioning)

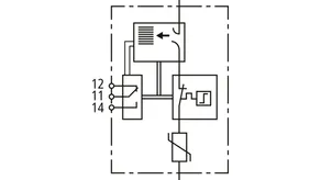
  • New technology "Advanced Circuit Interruption" (ACI) integrated in the protection module, consists of a switch / spark gap combination
  • Due to ACI technology no external backup fuse required
  • Small connection cross-sections (6 mm² Cu) absolutely sufficient *)
  • TOV withstand also at 440 V (AC)
  • High system reliability, no tripping of 32 A gG fuses
  • Zero leakage current due to galvanic isolation by ACI switch unit
  • Energy coordination with other arresters of the Red/Line product family
  • Vibration and shock-tested according to EN 60068-2
  • Push-in connection system
*) All live conductors should be wired so that they are inherently short-circuit and earth fault proof

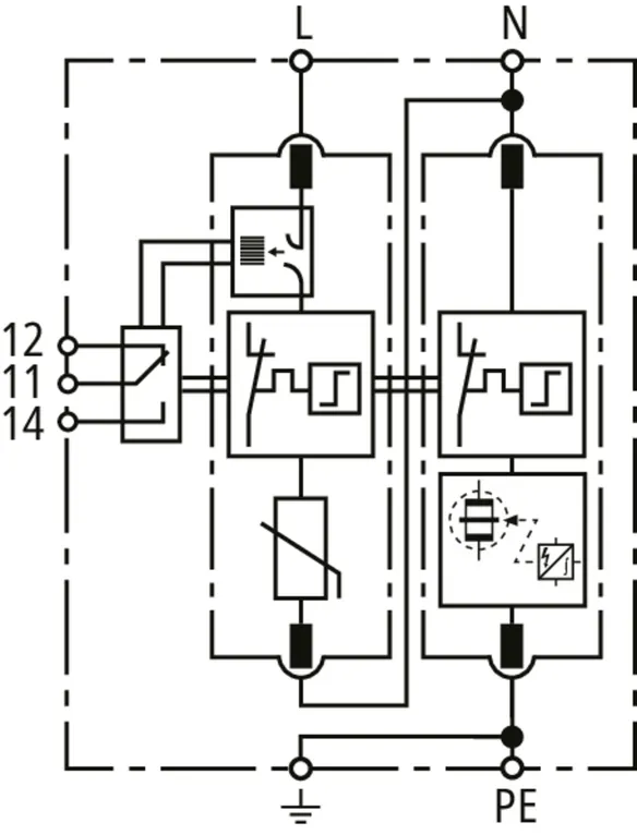
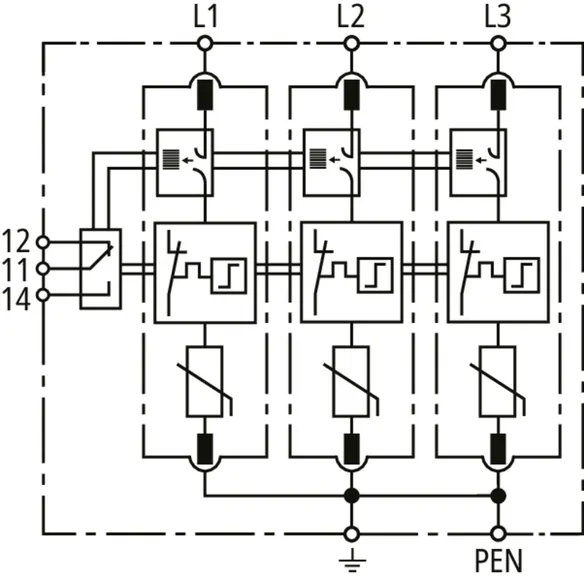
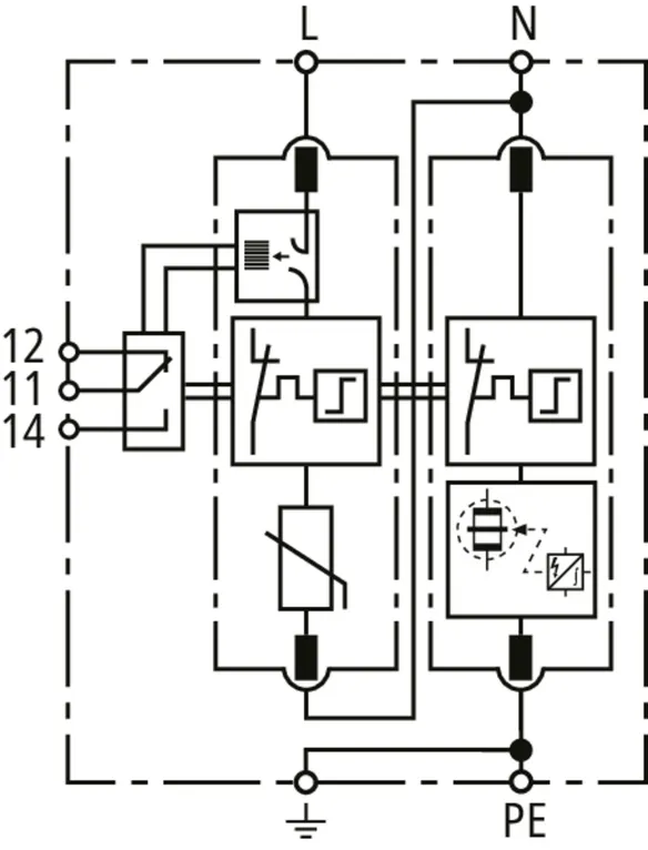
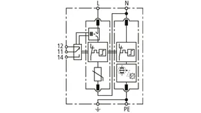
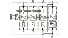
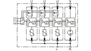
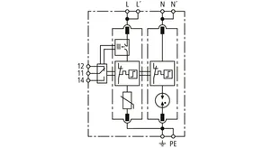
DEHNguard MD TNS ACI 275 FM

Modular surge arrester with Advanced Circuit Interruption (ACI) for TN-S systems (4+0 configuration); with floating remote signalling contact.

1 Product

Part No. 943440 DG MD TNS ACI 275 FM

GTIN 4013364477131, Customs tariff No. (EU): 85363030, Gross weight: 380.00 g, PU: 1.00 pc(s)


Images

Additional information

DEHNguard MD TNS ACI 275 FM surge arrester
with ACI technology
Four-pole, modular, pluggable surge arrester
with integrated ACI switch / spark gap
for 230/400 V TN-S systems, width: 4 modules
with remote signalling contact
Type 2 arrester as per EN 61643-11
Fault indication
Max. continuous operating voltage: 275 V AC
Voltage protection level: <= 1.5 kV
Nominal discharge current: 20 kA
Short-circuit withstand capability 25 kArms
Additional external fuse not required
Energy coordination according to DIN EN 62305-4
Arrester of the Red/Line series

Brand: DEHN
Type: DG MD TNS ACI 275 FM
Part No.: 943440
or equivalent.

Certificates

 

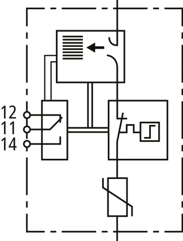
ACI-Technology

A further development of CI technology, ACI technology consists of a switch/spark gap combination connected in series with a heavyduty varistor. This ensures the simple design and safe operation of the surge protective device. Other features are safe dimensioning, TOV withstand, a connection cross-section of only 6 mm² Cu and zero leakage current. Surge arresters with ACI technology offer maximum safety and system availability.

Technical data

SPD according to EN 61643-11 / IEC 61643-11 type 2 / class II
Max. continuous operating voltage AC [L-PE] (UC ) 275 V (50 / 60 Hz)
Nominal discharge current (8/20 µs) (In ) 20 kA
Voltage protection level [L-PE]/[N-PE] (UP ) ≤ 1.5 / ≤ 1.5 kV
Additional external fuse No
Temporary overvoltage (TOV) [L-N] (UT) – Characteristic 335 V / 5 sec. – withstand
Temporary overvoltage (TOV) (UT) – Characteristic 440 V / 120 min. – withstand
Leakage current no leakage current
Approvals DEKRA

Product 943440 was added to Notepad.

Product 943440 was added to the cart.


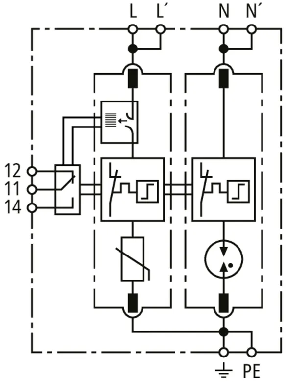
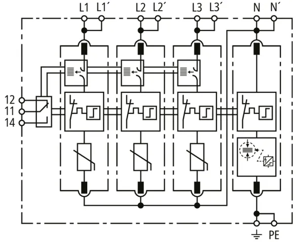
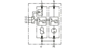
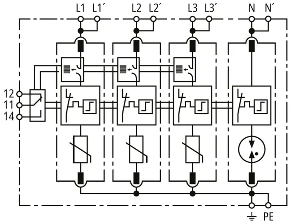
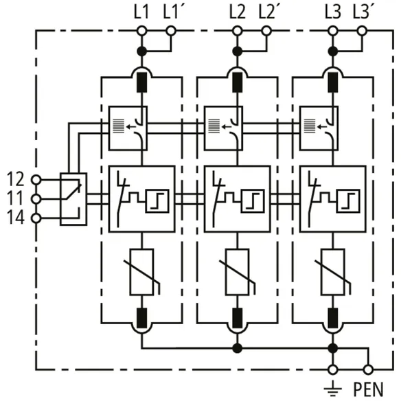
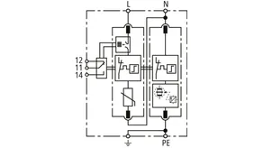
DEHNguard MD TT ACI ... FM

Modular surge arrester with Advanced Circuit Interruption (ACI) for TT and TN-S systems (3+1 configuration); with floating remote signalling contact.

2 Products

Part No. 943341 DG MD TT ACI 275 FM

GTIN 4013364477179, Customs tariff No. (EU): 85363030, Gross weight: 250.00 g, PU: 1.00 pc(s)


Images

Additional information

DEHNguard MD TT ACI 275 FM surge arrester
with ACI technology
Four-pole, modular, pluggable surge arrester
with integrated ACI switch / spark gap
for 230/400 V TT and TN-S systems, width: 4 modules
with remote signalling contact
Type 2 arrester as per EN 61643-11
Fault indication
Max. continuous operating voltage: 275 V AC
Voltage protection level: <= 1.5 kV
Nominal discharge current: 20 kA
Short-circuit withstand capability 25 kArms
Additional external fuse not required
Energy coordination according to DIN EN 62305-4
Arrester of the Red/Line series

Brand: DEHN
Type: DG MD TT ACI 275 FM
Part No.: 943341
or equivalent.

 

ACI-Technology

A further development of CI technology, ACI technology consists of a switch/spark gap combination connected in series with a heavyduty varistor. This ensures the simple design and safe operation of the surge protective device. Other features are safe dimensioning, TOV withstand, a connection cross-section of only 6 mm² Cu and zero leakage current. Surge arresters with ACI technology offer maximum safety and system availability.

Technical data

SPD according to EN 61643-11 / IEC 61643-11 type 2 / class II
Max. continuous operating voltage (a.c.) [L-N] (UC ) 275 V (50 / 60 Hz)
Nominal discharge current (8/20 µs) [L-N] (In ) 20 kA
Voltage protection level [L-N]/[N-PE] (UP ) ≤ 1.5 / ≤ 1.5 kV
Additional external fuse No
Temporary overvoltage (TOV) [L-N] (UT) – Characteristic 335 V / 5 sec. – withstand
Temporary overvoltage (TOV) [L-N] (UT) – Characteristic 440 V / 120 min. – withstand
Temporary overvoltage (TOV) [N-PE] (UT) – Characteristic 1200 V / 200 ms – withstand
Leakage current no leakage current
Approvals DEKRA

Product 943341 was added to Notepad.

Product 943341 was added to the cart.

Part No. 943342 DG MD TT ACI 385 FM

GTIN 4013364522251, Customs tariff No. (EU): 85363030, Gross weight: 250.00 g, PU: 1.00 pc(s)


Images

Additional information

DEHNguard MD TT ACI 385 FM surge arrester
with ACI technology
Four-pole, modular, pluggable surge arrester
with integrated ACI switch / spark gap
for 230/400 V TT and TN-S systems, width: 4 modules
with remote signalling contact
Type 2 arrester as per EN 61643-11
Fault indication
Max. continuous operating voltage: 385 V AC
Voltage protection level: <= 1.5 kV
Nominal discharge current: 20 kA
Short-circuit withstand capability 25 kArms
Additional external fuse not required
Energy coordination according to DIN EN 62305-4
Arrester of the Red/Line series

Brand: DEHN
Type: DG MD TT ACI 385 FM
Part No.: 943342
or equivalent.

 

ACI-Technology

A further development of CI technology, ACI technology consists of a switch/spark gap combination connected in series with a heavyduty varistor. This ensures the simple design and safe operation of the surge protective device. Other features are safe dimensioning, TOV withstand, a connection cross-section of only 6 mm² Cu and zero leakage current. Surge arresters with ACI technology offer maximum safety and system availability.

Technical data

SPD according to EN 61643-11 / IEC 61643-11 type 2 / class II
Max. continuous operating voltage (a.c.) [L-N] (UC ) 385 V (50 / 60 Hz)
Nominal discharge current (8/20 µs) [L-N] (In ) 20 kA
Max. discharge current (8/20 µs) [L-N] (Imax ) 40 kA
Max. discharge current (8/20 µs) [N-PE] (Imax ) 120 kA
Voltage protection level [L-N]/[N-PE] (UP ) ≤ 1.5 / ≤ 1.5 kV
Additional external fuse No
Temporary overvoltage (TOV) [L-N] (UT) – Characteristic 335 V / 5 sec. – withstand
Temporary overvoltage (TOV) [L-N] (UT) – Characteristic 440 V / 120 min. – withstand
Temporary overvoltage (TOV) [N-PE] (UT) – Characteristic 1200 V / 200 ms – withstand
Leakage current no leakage current
Approvals DEKRA

Product 943342 was added to Notepad.

Product 943342 was added to the cart.


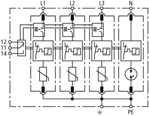
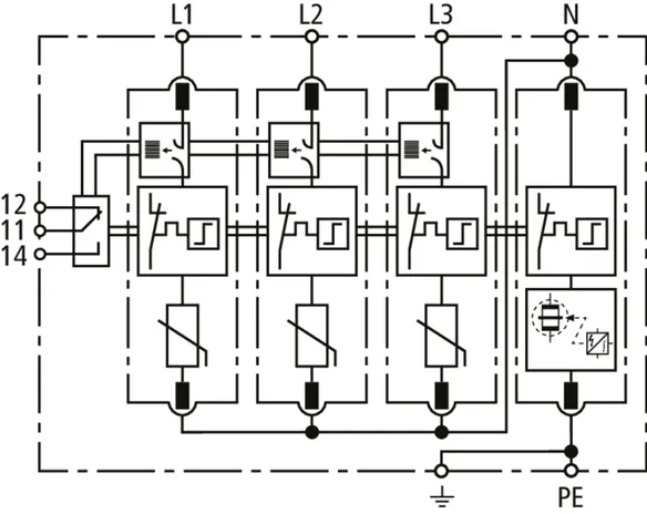
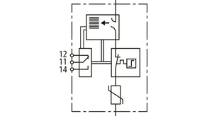
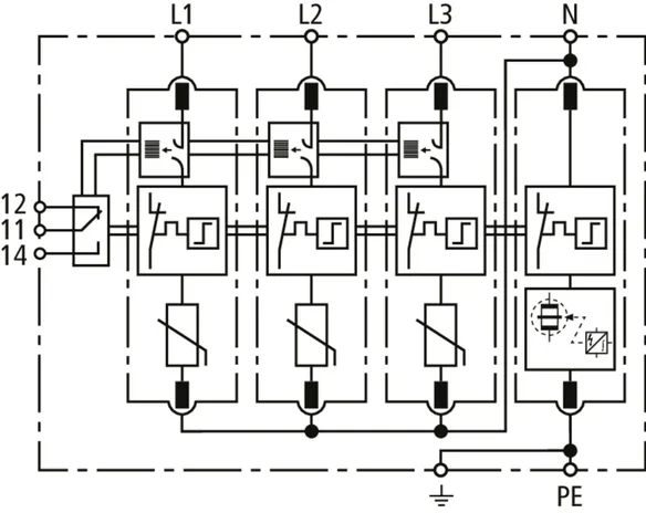
DEHNguard MP TNC ACI 275 FM

Modular surge arrester with Advanced Circuit Interruption (ACI) for TN-C systems.

1 Product

Part No. 942330 DG MP TNC ACI 275 FM

GTIN 4013364495319, Customs tariff No. (EU): 85363030, Gross weight: 348.11 g, PU: 1.00 pc(s)


Images

Additional information

DEHNguard MP TNC ACI 275 FM surge arrester
3-pole, modular, pluggable
surge arrester with
integrated ACI switch/spark-gap
and double-push-in connection clamp suitable for
stub wiring and feed-through wiring
for TN-S systems, width of 3 standard DIN modules
with remote signalling contact
Type 2 arrester as per EN 61643-11
Fault indication
Max. continuous operating voltage: 275 V AC
Voltage protection level: <= 1.5 kV
Nominal discharge current: 20 kA
Short-circuit withstand capability 25 kArms
Energy coordination according to DIN EN 62305-4
Arrester of the Red/Line series

Brand: DEHN
Type: DG MP TNC ACI 275 FM
Part No.: 942330
or equivalent.

Certificates

 

ACI-Technology

A further development of CI technology, ACI technology consists of a switch/spark gap combination connected in series with a heavyduty varistor. This ensures the simple design and safe operation of the surge protective device. Other features are safe dimensioning, TOV withstand, a connection cross-section of only 6 mm² Cu and zero leakage current. Surge arresters with ACI technology offer maximum safety and system availability.

Technical data

SPD according to EN 61643-11 / IEC 61643-11 type 2 / class II
Max. continuous operating voltage (a.c.) (UC ) 275 V (50 / 60 Hz)
Nominal discharge current (8/20 µs) (In ) 20 kA
Voltage protection level (UP ) ≤ 1.5 kV
Additional external fuse not required
Temporary overvoltage (TOV) (UT) – Characteristic 335 V / 5 sec. – withstand
Temporary overvoltage (TOV) (UT) – Characteristic 440 V / 120 min. – withstand
Leakage current no leakage current
Approvals KEMA, VDE

Product 942330 was added to Notepad.

Product 942330 was added to the cart.


DEHNguard MP TNS ACI ... FM

Modular surge arrester with Advanced Circuit Interruption (ACI) for TN-S systems.

1 Product

Part No. 942440 DG MP TNS ACI 275 FM

GTIN 4013364477148, Customs tariff No. (EU): 85363030, Gross weight: 377.08 g, PU: 1.00 pc(s)


Images

Additional information

DEHNguard MP TNS ACI 275 FM surge arrester
4-pole, modular, pluggable
surge arrester with
integrated ACI switch/spark-gap
and double-push-in connection clamp suitable for
stub wiring and feed-through wiring suitable
for TN-S systems, width of 4 standard DIN modules
with remote signalling contact
Type 2 arrester as per EN 61643-11
Fault indication
Max. continuous operating voltage: 275 V AC
Voltage protection level: <= 1.5 kV
Nominal discharge current: 20 kA
Short-circuit withstand capability 25 kArms
Energy coordination according to DIN EN 62305-4
Arrester of the Red/Line series

Brand: DEHN
Type: DG MP TNS ACI 275 FM
Part No.: 942440
or equivalent.

Certificates

 

ACI-Technology

A further development of CI technology, ACI technology consists of a switch/spark gap combination connected in series with a heavyduty varistor. This ensures the simple design and safe operation of the surge protective device. Other features are safe dimensioning, TOV withstand, a connection cross-section of only 6 mm² Cu and zero leakage current. Surge arresters with ACI technology offer maximum safety and system availability.

Technical data

SPD according to EN 61643-11 / IEC 61643-11 type 2 / class II
Max. continuous operating voltage AC [L-PE] (UC ) 275 V (50 / 60 Hz)
Nominal discharge current (8/20 µs) (In ) 20 kA
Voltage protection level [L-PE]/[N-PE] (UP ) ≤ 1.5 / ≤ 1.5 kV
Additional external fuse no
Temporary overvoltage (TOV) (UT) – Characteristic 335 V / 5 sec. – withstand
Temporary overvoltage (TOV) (UT) – Characteristic 440 V / 120 min. – withstand
Leakage current no leakage current
Approvals KEMA, VDE

Product 942440 was added to Notepad.

Product 942440 was added to the cart.


DEHNguard MP TT ACI ... FM

Modular surge arrester with Advanced Circuit Interruption (ACI) for TT and TN-S systems (3+1 configuration).

2 Products

Part No. 942341 DG MP TT ACI 275 FM

GTIN 4013364477186, Customs tariff No. (EU): 85363030, Gross weight: 377.71 g, PU: 1.00 pc(s)


Images

Additional information

DEHNguard MP TT ACI 275 FM surge arrester
4-pole, modular, pluggable
surge arrester with
integrated ACI switch/spark gap
and double-push-in connection clamp suitable for
stub wiring and feed-through wiring suitable
for TT and TN-S systems, width of 4 standard DIN modules
with remote signalling contact
Type 2 arrester as per EN 61643-11
Fault indication
Max. continuous operating voltage: 275 V AC
Voltage protection level: <= 1.5 kV
Nominal discharge current: 20 kA
Short-circuit withstand capability 25 kArms
Energy coordination according to DIN EN 62305-4
Arrester of the Red/Line series

Brand: DEHN
Type: DG MP TT ACI 275 FM
Part No.: 942341
or equivalent.

Certificates

 

ACI-Technology

A further development of CI technology, ACI technology consists of a switch/spark gap combination connected in series with a heavyduty varistor. This ensures the simple design and safe operation of the surge protective device. Other features are safe dimensioning, TOV withstand, a connection cross-section of only 6 mm² Cu and zero leakage current. Surge arresters with ACI technology offer maximum safety and system availability.

Technical data

SPD according to EN 61643-11 / IEC 61643-11 type 2 / class II
Max. continuous operating voltage (a.c.) [L-N] (UC ) 275 V (50 / 60 Hz)
Nominal discharge current (8/20 µs) [L-N] (In ) 20 kA
Voltage protection level [L-N]/[N-PE] (UP ) ≤ 1.5 / ≤ 1.5 kV
Additional external fuse no
Temporary overvoltage (TOV) [L-N] (UT) – Characteristic 335 V / 5 sec. – withstand
Temporary overvoltage (TOV) [L-N] (UT) – Characteristic 440 V / 120 min. – withstand
Temporary overvoltage (TOV) [N-PE] (UT) – Characteristic 1200 V / 200 ms – withstand
Leakage current no leakage current
Approvals KEMA, VDE

Product 942341 was added to Notepad.

Product 942341 was added to the cart.

Part No. 942342 DG MP TT ACI 385 FM

GTIN 4013364484870, Customs tariff No. (EU): 85363030, Gross weight: 439.00 g, PU: 1.00 pc(s)


Images

Additional information

DEHNguard MP TT ACI 385 FM surge arrester
4-pole, modular, pluggable
surge arrester with
integrated ACI switch/spark gap
and double-push-in connection clamp suitable for
stub wiring and feed-through wiring suitable
for TT and TN-S systems, width of 4 standard DIN modules
with remote signalling contact
Type 2 arrester as per EN 61643-11
Fault indication
Max. continuous operating voltage: 385 V AC
Voltage protection level: <= 1.5 kV
Nominal discharge current: 20 kA
Short-circuit withstand capability 25 kArms
Energy coordination according to DIN EN 62305-4
Arrester of the Red/Line series

Brand: DEHN
Type: DG MP TT ACI 385 FM
Part No.: 942342
or equivalent.

Certificates

 

ACI-Technology

A further development of CI technology, ACI technology consists of a switch/spark gap combination connected in series with a heavyduty varistor. This ensures the simple design and safe operation of the surge protective device. Other features are safe dimensioning, TOV withstand, a connection cross-section of only 6 mm² Cu and zero leakage current. Surge arresters with ACI technology offer maximum safety and system availability.

Technical data

SPD according to EN 61643-11 / IEC 61643-11 type 2 / class II
Max. continuous operating voltage (a.c.) [L-N] (UC ) 385 V (50 / 60 Hz)
Nominal discharge current (8/20 µs) (In ) 20 kA
Max. discharge current (8/20 µs) [L-N] (Imax ) 40 kA
Voltage protection level [L-N]/[N-PE] (UP ) ≤ 1.5 / ≤ 1.5 kV
Additional external fuse no
Temporary overvoltage (TOV) [L-N] (UT) – Characteristic 335 V / 5 sec. – withstand
Temporary overvoltage (TOV) [L-N] (UT) – Characteristic 440 V / 120 min. – withstand
Temporary overvoltage (TOV) [N-PE] (UT) – Characteristic 1200 V / 200 ms – withstand
Leakage current no leakage current
Approvals KEMA, VDE

Product 942342 was added to Notepad.

Product 942342 was added to the cart.


DEHNguard MP TN ACI 275 FM

Modular surge arrester with Advanced Circuit Interruption (ACI). For single-phase 230-V TN systems.

1 Product

Part No. 942220 DG MP TN ACI 275 FM

GTIN 4013364495425, Customs tariff No. (EU): 85363030, Gross weight: 234.63 g, PU: 1.00 pc(s)


Images

Additional information

DEHNguard MP TN ACI 275 FM surge arrester
2-pole, modular, pluggable
surge arrester with
integrated ACI switch/spark gap
and double-push-in connection clamp for
stub wiring and feed-through wiring suitable
for TN systems, width of 2 standard DIN modules
with remote signalling contact
Type 2 arrester as per EN 61643-11
Fault indication
Max. continuous operating voltage: 275 V AC
Voltage protection level: <= 1.5 kV
Nominal discharge current: 20 kA
Short-circuit withstand capability 25 kArms
Energy coordination according to DIN EN 62305-4
Arrester of the Red/Line series

Brand: DEHN
Type: DG MP TN ACI 275 FM
Part No.: 942220
or equivalent.

Certificates

 

ACI-Technology

A further development of CI technology, ACI technology consists of a switch/spark gap combination connected in series with a heavyduty varistor. This ensures the simple design and safe operation of the surge protective device. Other features are safe dimensioning, TOV withstand, a connection cross-section of only 6 mm² Cu and zero leakage current. Surge arresters with ACI technology offer maximum safety and system availability.

Technical data

SPD according to EN 61643-11 / IEC 61643-11 type 2 / class II
Max. continuous operating voltage AC [L-PE] (UC ) 275 V (50 / 60 Hz)
Nominal discharge current (8/20 µs) (In ) 20 kA
Voltage protection level [L-PE]/[N-PE] (UP ) ≤ 1.5 / ≤ 1.5 kV
Additional external fuse not required
Temporary overvoltage (TOV) (UT) – Characteristic 335 V / 5 sec. – withstand
Temporary overvoltage (TOV) (UT) – Characteristic 440 V / 120 min. – withstand
Leakage current no leakage current
Approvals KEMA, VDE

Product 942220 was added to Notepad.

Product 942220 was added to the cart.


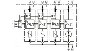
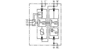
DEHNguard MP TT 2P ACI ... FM

Modular surge arrester with Advanced Circuit Interruption (ACI) for TT and TN systems (1+1 configuration).

2 Products

Part No. 942121 DG MP TT 2P ACI 275 FM

GTIN 4013364495364, Customs tariff No. (EU): 85363030, Gross weight: 250.04 g, PU: 1.00 pc(s)


Images

Additional information

DEHNguard MP TT 2P ACI 275 FM surge arrester
2-pole, modular, pluggable
surge arrester with
integrated ACI switch/spark gap
and double-push-in connection clamp for
stub wiring and feed-through wiring suitable
for TT and TN systems, width of 2 standard DIN modules
with remote signalling contact
Type 2 arrester as per EN 61643-11
Fault indication
Max. continuous operating voltage: 275 V AC
Voltage protection level: <= 1.5 kV
Nominal discharge current: 20 kA
Short-circuit withstand capability 25 kArms
Energy coordination according to DIN EN 62305-4
Arrester of the Red/Line series

Brand: DEHN
Type: DG MP TT 2P ACI 275 FM
Part No.: 942121
or equivalent.

Certificates

 

ACI-Technology

A further development of CI technology, ACI technology consists of a switch/spark gap combination connected in series with a heavyduty varistor. This ensures the simple design and safe operation of the surge protective device. Other features are safe dimensioning, TOV withstand, a connection cross-section of only 6 mm² Cu and zero leakage current. Surge arresters with ACI technology offer maximum safety and system availability.

Technical data

SPD according to EN 61643-11 / IEC 61643-11 type 2 / class II
Max. continuous operating voltage (a.c.) [L-N] (UC ) 275 V (50 / 60 Hz)
Nominal discharge current (8/20 µs) [L-N] (In ) 20 kA
Voltage protection level [L-N]/[N-PE] (UP ) ≤ 1.5 / ≤ 1.5 kV
Additional external fuse not required
Temporary overvoltage (TOV) [L-N] (UT) – Characteristic 335 V / 5 sec. – withstand
Temporary overvoltage (TOV) [L-N] (UT) – Characteristic 440 V / 120 min. – withstand
Temporary overvoltage (TOV) [N-PE] (UT) – Characteristic 1200 V / 200 ms – withstand
Leakage current no leakage current
Approvals KEMA, VDE

Product 942121 was added to Notepad.

Product 942121 was added to the cart.

Part No. 942122 DG MP TT 2P ACI 385 FM

GTIN 4013364495371, Customs tariff No. (EU): 85363030, Gross weight: 250.24 g, PU: 1.00 pc(s)


Images

Additional information

DEHNguard MP TT 2P ACI 385 FM surge arrester
2-pole, modular, pluggable
surge arrester with
integrated ACI switch/spark gap
and double-push-in connection clamp for
stub wiring and feed-through wiring suitable
for TT and TN systems, width of 2 standard DIN modules
with remote signalling contact
Type 2 arrester as per EN 61643-11
Fault indication
Max. continuous operating voltage: 385 V AC
Voltage protection level: <= 1.5 kV
Nominal discharge current: 20 kA
Short-circuit withstand capability 25 kArms
Energy coordination according to DIN EN 62305-4
Arrester of the Red/Line series

Brand: DEHN
Type: DG MP TT 2P ACI 385 FM
Part No.: 942122
or equivalent.

Certificates

 

ACI-Technology

A further development of CI technology, ACI technology consists of a switch/spark gap combination connected in series with a heavyduty varistor. This ensures the simple design and safe operation of the surge protective device. Other features are safe dimensioning, TOV withstand, a connection cross-section of only 6 mm² Cu and zero leakage current. Surge arresters with ACI technology offer maximum safety and system availability.

Technical data

SPD according to EN 61643-11 / IEC 61643-11 type 2 / class II
Max. continuous operating voltage (a.c.) [L-N] (UC ) 385 V (50 / 60 Hz)
Nominal discharge current (8/20 µs) (In ) 20 kA
Max. discharge current (8/20 µs) [L-N] (Imax ) 40 kA
Voltage protection level [L-N]/[N-PE] (UP ) ≤ 1.5 / ≤ 1.5 kV
Additional external fuse not required
Temporary overvoltage (TOV) [L-N] (UT) – Characteristic 335 V / 5 sec. – withstand
Temporary overvoltage (TOV) [L-N] (UT) – Characteristic 440 V / 120 min. – withstand
Temporary overvoltage (TOV) [N-PE] (UT) – Characteristic 1200 V / 200 ms – withstand
Leakage current no leakage current
Approvals KEMA, VDE

Product 942122 was added to Notepad.

Product 942122 was added to the cart.


DEHNguard M TNC ACI 275 FM

Modular surge arrester with Advanced Circuit Interruption (ACI) for TN-C systems.

1 Product

Part No. 952330 DG M TNC ACI 275 FM

GTIN 4013364376649, Customs tariff No. (EU): 85363030, Gross weight: 360.00 g, PU: 1.00 pc(s)

Predecessor

Images

Additional information

DEHNguard M TNC ACI 275 FM surge arrester with ACI technology
Modular and pluggable three-pole surge arrester with integrated
ACI switch / spark gap for 230/400 V TN-C systems, width: 3 modules
With remote signalling contact
Type 2 SPD according to EN 61643-11
Max. continuous operating voltage: 275 V a.c.
Voltage protection level: <= 1.5 kV
Nominal discharge current: 20 kA
No additional external fuse required
Energy coordination acc. to IEC 62305-4
with other arresters of the Red/Line product family
Mechanical fault indication for the arrester

Brand: DEHN
Type: DG M TNC ACI 275 FM
Part No.: 952330
or equivalent.

Certificates

 

ACI-Technology

A further development of CI technology, ACI technology consists of a switch/spark gap combination connected in series with a heavyduty varistor. This ensures the simple design and safe operation of the surge protective device. Other features are safe dimensioning, TOV withstand, a connection cross-section of only 6 mm² Cu and zero leakage current. Surge arresters with ACI technology offer maximum safety and system availability.

Technical data

SPD according to EN 61643-11 / IEC 61643-11 type 2 / class II
Max. continuous operating voltage (a.c.) (UC ) 275 V (50 / 60 Hz)
Nominal discharge current (8/20 µs) (In ) 20 kA
Voltage protection level (UP ) ≤ 1.5 kV
Additional external fuse not required
Temporary overvoltage (TOV) (UT) – Characteristic 440 V / 120 min. – withstand
Leakage current no leakage current
Approvals KEMA

Product 952330 was added to Notepad.

Product 952330 was added to the cart.


DEHNguard M TNC ACI 385 FM

1 Product

Part No. 952340 DG M TNC ACI 385 FM

GTIN 4013364560840, Customs tariff No. (EU): 85363030, Gross weight: 383.80 g, PU: 1.00 pc(s)


Images

Additional information

DEHNguard M TNC ACI 385 FM surge arrester with ACI technology
3-pole, modular, pluggable surge arrester
with integrated ACI switch / spark gap
for 230/400 V TN-C systems, width: 3 modules
With remote signalling contact
Type 2 arrester as per EN 61643-11
Max. continuous operating voltage: 285 V AC
Voltage protection level: <= 1.5 kV
Nominal discharge current: 20 kA
Additional external fuse not required
Energy coordination according to DIN EN 62305-4
Arrester of the Red/Line series
Mechanical fault indication for the arrester

Brand: DEHN
Type: DG M TNC ACI 385 FM
Part No.: 952340
or equivalent.

Certificates

 

ACI-Technology

A further development of CI technology, ACI technology consists of a switch/spark gap combination connected in series with a heavyduty varistor. This ensures the simple design and safe operation of the surge protective device. Other features are safe dimensioning, TOV withstand, a connection cross-section of only 6 mm² Cu and zero leakage current. Surge arresters with ACI technology offer maximum safety and system availability.

Technical data

SPD according to EN 61643-11 / IEC 61643-11 type 2 / class II
Max. continuous operating voltage (a.c.) (UC ) 385 V (50 / 60 Hz)
Nominal discharge current (8/20 µs) (In ) 20 kA
Max. discharge current (8/20 µs) (Imax ) 40 kA
Voltage protection level (UP ) ≤ 1.5 kV
Additional external fuse not required
Temporary overvoltage (TOV) (UT) – Characteristic 440 V / 120 min. – withstand
Leakage current no leakage current
Approvals KEMA

Product 952340 was added to Notepad.

Product 952340 was added to the cart.


DEHNguard M TNS ACI 275 FM

Modular surge arrester with Advanced Circuit Interruption (ACI) for TN-S systems.

1 Product

Part No. 952440 DG M TNS ACI 275 FM

GTIN 4013364376625, Customs tariff No. (EU): 85363030, Gross weight: 450.00 g, PU: 1.00 pc(s)

Predecessor

Images

Additional information

DEHNguard M TNS ACI 275 FM surge arrester with ACI technology
Modular and pluggable four-pole surge arrester with integrated
ACI switch / spark-gap for 230/400 V TN-S systems, width: 4 modules
With remote signalling contact
Type 2 SPD according to EN 61643-11
Max. continuous operating voltage: 275 V a.c.
Voltage protection level: <= 1.5 kV
Nominal discharge current: 20 kA
No additional external fuse required
Energy-coordinated according to IEC 62305-4
with arresters of the Red/Line product family
Mechanical fault indication for the arrester

Brand: DEHN
Type: DG M TNS ACI 275 FM
Part No.: 952440
or equivalent.

Certificates

 

ACI-Technology

A further development of CI technology, ACI technology consists of a switch/spark gap combination connected in series with a heavyduty varistor. This ensures the simple design and safe operation of the surge protective device. Other features are safe dimensioning, TOV withstand, a connection cross-section of only 6 mm² Cu and zero leakage current. Surge arresters with ACI technology offer maximum safety and system availability.

Technical data

SPD according to EN 61643-11 / IEC 61643-11 type 2 / class II
Max. continuous operating voltage AC [L-PE] (UC ) 275 V (50 / 60 Hz)
Nominal discharge current (8/20 µs) (In ) 20 kA
Voltage protection level [L-PE]/[N-PE] (UP ) ≤ 1.5 / ≤ 1.5 kV
Additional external fuse not required
Temporary overvoltage (TOV) (UT) – Characteristic 440 V / 120 min. – withstand
Leakage current no leakage current
Approvals KEMA

Product 952440 was added to Notepad.

Product 952440 was added to the cart.


DEHNguard M TT ACI ... FM

Modular surge arrester with Advanced Circuit Interruption (ACI) for TT and TN-S systems (3+1 configuration).

2 Products

Part No. 952341 DG M TT ACI 275 FM

GTIN 4013364376632, Customs tariff No. (EU): 85363030, Gross weight: 455.00 g, PU: 1.00 pc(s)

Predecessor

Images

Additional information

DEHNguard M TT ACI 275 FM surge arrester with ACI technology
Modular and pluggable four-pole surge arrester with integrated
ACI switch / spark gap for 230/400 V TT and TN-S systems, width: 4 modules
With remote signalling contact
Type 2 SPD according to EN 61643-11
Max. continuous operating voltage: 275 V a.c.
Voltage protection level: <= 1.5 kV
Nominal discharge current: 20 kA
Additional external fuse not required
Energy coordination according to IEC 62305-4
with arresters of the Red/Line product family
Mechanical fault indication for the arrester

Brand: DEHN
Type: DG M TT ACI 275 FM
Part No.: 952341
or equivalent.

Certificates

 

ACI-Technology

A further development of CI technology, ACI technology consists of a switch/spark gap combination connected in series with a heavyduty varistor. This ensures the simple design and safe operation of the surge protective device. Other features are safe dimensioning, TOV withstand, a connection cross-section of only 6 mm² Cu and zero leakage current. Surge arresters with ACI technology offer maximum safety and system availability.

Technical data

SPD according to EN 61643-11 / IEC 61643-11 type 2 / class II
Max. continuous operating voltage (a.c.) [L-N] (UC ) 275 V (50 / 60 Hz)
Nominal discharge current (8/20 µs) [L-N] (In ) 20 kA
Voltage protection level [L-N]/[N-PE] (UP ) ≤ 1.5 / ≤ 1.5 kV
Additional external fuse not required
Temporary overvoltage (TOV) [L-N] (UT) – Characteristic 440 V / 120 min. – withstand
Temporary overvoltage (TOV) [N-PE] (UT) – Characteristic 1200 V / 200 ms – withstand
Leakage current no leakage current
Approvals KEMA

Product 952341 was added to Notepad.

Product 952341 was added to the cart.

Part No. 952342 DG M TT ACI 385 FM

GTIN 4013364387850, Customs tariff No. (EU): 85363030, Gross weight: 520.00 g, PU: 1.00 pc(s)


Images

Additional information

DEHNguard M TT ACI 385 FM surge arrester with ACI technology
Modular and pluggable four-pole surge arrester with integrated
ACI switch / spark gap for 230/400 V TT and TN-S systems, width: 4 modules
With remote signalling contact
Type 2 SPD according to EN 61643-11
Max. continuous operating voltage: 385 V a.c.
Voltage protection level: <= 1.5 kV
Nominal discharge current: 20 kA
Additional external fuse not required
Energy coordination according to IEC 62305-4
with arresters of the Red/Line product family
Mechanical fault indication for the arrester

Brand: DEHN
Type: DG M TT ACI 385 FM
Part No.: 952342
or equivalent.

Certificates

 

ACI-Technology

A further development of CI technology, ACI technology consists of a switch/spark gap combination connected in series with a heavyduty varistor. This ensures the simple design and safe operation of the surge protective device. Other features are safe dimensioning, TOV withstand, a connection cross-section of only 6 mm² Cu and zero leakage current. Surge arresters with ACI technology offer maximum safety and system availability.

Technical data

SPD according to EN 61643-11 / IEC 61643-11 type 2 / class II
Max. continuous operating voltage (a.c.) [L-N] (UC ) 385 V (50 / 60 Hz)
Nominal discharge current (8/20 µs) [L-N] (In ) 20 kA
Max. discharge current (8/20 µs) [L-N] (Imax ) 40 kA
Max. discharge current (8/20 µs) [N-PE] (Imax ) 120 kA
Voltage protection level [L-N]/[N-PE] (UP ) ≤ 1.5 / ≤ 1.5 kV
Additional external fuse not required
Temporary overvoltage (TOV) [L-N] (UT) – Characteristic 440 V / 120 min. – withstand
Temporary overvoltage (TOV) [N-PE] (UT) – Characteristic 1200 V / 200 ms – withstand
Leakage current no leakage current
Approvals KEMA

Product 952342 was added to Notepad.

Product 952342 was added to the cart.


DEHNguard M TN ACI 275 FM

Modular surge arrester with Advanced Circuit Interruption (ACI) for single-phase 230 V-TN systems.

1 Product

Part No. 952220 DG M TN ACI 275 FM

GTIN 4013364376656, Customs tariff No. (EU): 85363030, Gross weight: 245.00 g, PU: 1.00 pc(s)

Predecessor

Images

Additional information

DEHNguard M TN ACI 275 FM surge arrester with ACI technology
Modular and pluggable two-pole surge arrester with integrated
ACI switch / spark gap for single-phase 230 V TN systems, width: 2 modules
Type 2 SPD according to EN 61643-11
Max. continuous operating voltage: 275 V a.c.
Voltage protection level: <= 1.5 kV
Nominal discharge current: 20 kA
Energy coordination according to IEC 62305-4
with arresters of the Red/Line product family
Mechanical fault indication for the arrester

Brand: DEHN
Type: DG M TN ACI 275 FM
Part No.: 952220
or equivalent.

Certificates

 

ACI-Technology

A further development of CI technology, ACI technology consists of a switch/spark gap combination connected in series with a heavyduty varistor. This ensures the simple design and safe operation of the surge protective device. Other features are safe dimensioning, TOV withstand, a connection cross-section of only 6 mm² Cu and zero leakage current. Surge arresters with ACI technology offer maximum safety and system availability.

Technical data

SPD according to EN 61643-11 / IEC 61643-11 type 2 / class II
Max. continuous operating voltage AC [L-PE] (UC ) 275 V (50 / 60 Hz)
Nominal discharge current (8/20 µs) (In ) 20 kA
Voltage protection level [L-PE]/[N-PE] (UP ) ≤ 1.5 / ≤ 1.5 kV
Additional external fuse not required
Temporary overvoltage (TOV) (UT) – Characteristic 440 V / 120 min. – withstand
Leakage current no leakage current
Approvals KEMA

Product 952220 was added to Notepad.

Product 952220 was added to the cart.


DEHNguard M TT 2P ACI ... FM

Modular surge arrester with Advanced Circuit Interruption (ACI) for single-phase 230 V-TT and TN systems (1+1 configuration).

2 Products

Part No. 952121 DG M TT 2P ACI 275 FM

GTIN 4013364376663, Customs tariff No. (EU): 85363030, Gross weight: 255.00 g, PU: 1.00 pc(s)

Predecessor

Images

Additional information

DEHNguard M TT 2P ACI 275 FM surge arrester with ACI technology
Modular and pluggable two-pole surge arrester with integrated
ACI switch / spark gap for single-phase 230 V TT and TN systems, width: 2 modules
With remote signalling contact
Type 2 SPD according to EN 61643-11
Max. continuous operating voltage: 275 V a.c.
Voltage protection level: <= 1.5 kV
Nominal discharge current: 20 kA
Energy coordination according to IEC 62305-4
with arresters of the Red/Line product family
Mechanical fault indication for the arrester

Brand: DEHN
Type: DG M TT 2P ACI 275 FM
Part No.: 952121
or equivalent.

Certificates

 

ACI-Technology

A further development of CI technology, ACI technology consists of a switch/spark gap combination connected in series with a heavyduty varistor. This ensures the simple design and safe operation of the surge protective device. Other features are safe dimensioning, TOV withstand, a connection cross-section of only 6 mm² Cu and zero leakage current. Surge arresters with ACI technology offer maximum safety and system availability.

Technical data

SPD according to EN 61643-11 / IEC 61643-11 type 2 / class II
Max. continuous operating voltage (a.c.) [L-N] (UC ) 275 V (50 / 60 Hz)
Nominal discharge current (8/20 µs) [L-N] (In ) 20 kA
Voltage protection level [L-N]/[N-PE] (UP ) ≤ 1.5 / ≤ 1.5 kV
Additional external fuse not required
Temporary overvoltage (TOV) [L-N] (UT) – Characteristic 440 V / 120 min. – withstand
Temporary overvoltage (TOV) [N-PE] (UT) – Characteristic 1200 V / 200 ms – withstand
Leakage current no leakage current
Approvals KEMA

Product 952121 was added to Notepad.

Product 952121 was added to the cart.

Part No. 952122 DG M TT 2P ACI 385 FM

GTIN 4013364387867, Customs tariff No. (EU): 85363030, Gross weight: 298.00 g, PU: 1.00 pc(s)


Images

Additional information

DEHNguard M TT 2P ACI 385 FM surge arrester with ACI technology
Modular and pluggable two-pole surge arrester with integrated
ACI switch / spark gap for TT and TN systems, width: 2 modules
With remote signalling contact
Type 2 SPD according to EN 61643-11
Max. continuous operating voltage: 385 V a.c.
Voltage protection level: <= 1.5 kV
Nominal discharge current: 20 kA
Energy coordination according to IEC 62305-4
with arresters of the Red/Line product family
Mechanical fault indication for the arrester

Brand: DEHN
Type: DG M TT 2P ACI 385 FM
Part No.: 952122
or equivalent.

Certificates

 

ACI-Technology

A further development of CI technology, ACI technology consists of a switch/spark gap combination connected in series with a heavyduty varistor. This ensures the simple design and safe operation of the surge protective device. Other features are safe dimensioning, TOV withstand, a connection cross-section of only 6 mm² Cu and zero leakage current. Surge arresters with ACI technology offer maximum safety and system availability.

Technical data

SPD according to EN 61643-11 / IEC 61643-11 type 2 / class II
Max. continuous operating voltage (a.c.) [L-N] (UC ) 385 V (50 / 60 Hz)
Nominal discharge current (8/20 µs) [L-N] (In ) 20 kA
Max. discharge current (8/20 µs) [L-N] (Imax ) 40 kA
Max. discharge current (8/20 µs) [N-PE] (Imax ) 120 kA
Voltage protection level [L-N]/[N-PE] (UP ) ≤ 1.5 / ≤ 1.5 kV
Additional external fuse not required
Temporary overvoltage (TOV) [L-N] (UT) – Characteristic 440 V / 120 min. – withstand
Temporary overvoltage (TOV) [N-PE] (UT) – Characteristic 1200 V / 200 ms – withstand
Leakage current no leakage current
Approvals KEMA

Product 952122 was added to Notepad.

Product 952122 was added to the cart.


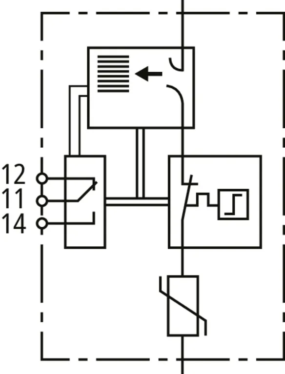
DEHNguard S ACI ... FM

Pluggable single-pole surge arrester consisting of a base part and plug-in protection module; with Advanced Circuit Interruption (ACI).

2 Products

Part No. 952100 DG S ACI 275 FM

GTIN 4013364376526, Customs tariff No. (EU): 85363030, Gross weight: 142.10 g, PU: 1.00 pc(s)

Predecessor

Images

Additional information

DEHNguard S CI 275 FM surge arrester with ACI technology
Modular and pluggable single-pole surge arrester with integrated
ACI switch / spark gap, width: 1 module
With remote signalling contact
Type 2 SPD according to EN 61643-11
Max. continuous operating voltage: 275 V a.c./350 V d.c.
Voltage protection level: <= 1.5 kV
Nominal discharge current: 20 kA
Additional external fuse not required required
Energy coordination according to IEC 62305-4
with arresters of the Red/Line product family
Mechanical fault indication for the arrester

Brand: DEHN
Type: DG S ACI 275 FM
Part No.: 952100
or equivalent.

Certificates

 

ACI-Technology

A further development of CI technology, ACI technology consists of a switch/spark gap combination connected in series with a heavyduty varistor. This ensures the simple design and safe operation of the surge protective device. Other features are safe dimensioning, TOV withstand, a connection cross-section of only 6 mm² Cu and zero leakage current. Surge arresters with ACI technology offer maximum safety and system availability.

Technical data

SPD according to EN 61643-11 / IEC 61643-11 type 2 / class II
Max. continuous operating voltage (a.c.) (UC ) 275 V (50 / 60 Hz)
Nominal discharge current (8/20 µs) (In ) 20 kA
Voltage protection level (UP ) ≤ 1.5 kV
Additional external fuse not required
Temporary overvoltage (TOV) (UT) – Characteristic 440 V / 120 min. – withstand
Leakage current no leakage current
Approvals KEMA

Product 952100 was added to Notepad.

Product 952100 was added to the cart.

Part No. 952113 DG S ACI 385 FM

GTIN 4013364387874, Customs tariff No. (EU): 85363030, Gross weight: 158.00 g, PU: 1.00 pc(s)


Images

Additional information

DEHNguard S CI 275 FM surge arrester with ACI technology
Modular and pluggable single-pole surge arrester with integrated
ACI switch / spark gap, width: 1 module
With remote signalling contact
Type 2 SPD according to EN 61643-11
Max. continuous operating voltage: 275 V a.c./350 V d.c.
Voltage protection level: <= 1.5 kV
Nominal discharge current: 20 kA
Additional external fuse not required required
Energy coordination according to IEC 62305-4
with arresters of the Red/Line product family
Mechanical fault indication for the arrester

Brand: DEHN
Type: DG S ACI 385 FM
Part No.: 952113
or equivalent.

 

ACI-Technology

A further development of CI technology, ACI technology consists of a switch/spark gap combination connected in series with a heavyduty varistor. This ensures the simple design and safe operation of the surge protective device. Other features are safe dimensioning, TOV withstand, a connection cross-section of only 6 mm² Cu and zero leakage current. Surge arresters with ACI technology offer maximum safety and system availability.

Technical data

SPD according to EN 61643-11 / IEC 61643-11 type 2 / class II
Max. continuous operating voltage (a.c.) (UC ) 385 V (50 / 60 Hz)
Nominal discharge current (8/20 µs) (In ) 20 kA
Max. discharge current (8/20 µs) (Imax ) 40 kA
Voltage protection level (UP ) ≤ 1.5 kV
Additional external fuse not required
Temporary overvoltage (TOV) (UT) – Characteristic 440 V / 120 min. – withstand
Leakage current no leakage current
Approvals KEMA

Product 952113 was added to Notepad.

Product 952113 was added to the cart.


back to top