Mains filter

  • Protection of sensitive industrial electronics equipment against balanced and unbalanced high-frequency interference
  • For use in combination with surge protective devices, e.g. DEHNrail M 2P 255
  • Easy installation on DIN rails in switchgear cabinets

NF 10

Mains filter for protection against balanced and unbalanced interferences.

1 Product

Part No. 912254 NF 10

GTIN 4013364073685, Customs tariff No. (EU): 85359000, Gross weight: 300.00 g, PU: 1.00 pc(s)


Images

Additional information

NF 10 mains filter
Mains filter for protecting sensitive
automation technology terminal equipment
against high-frequency interference
Nominal voltage: 230 V/50 Hz
Nominal current: 10 A
Attenuation (1 MHz): balanced > 64 dB
unbalanced > 69 dB
Backup fuse: 10 A gL/gG
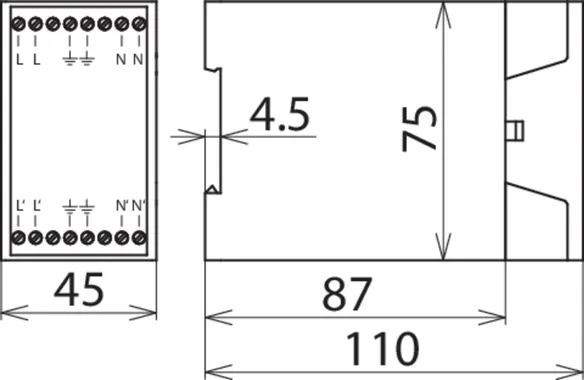
Dimensions: 110 x 45 x 75 mm
Mounting on 35 mm DIN rails
according to EN 50022


Brand: DEHN
Type: NF 10
Part No.: 912254
or equivalent.

 

Technical data

Nominal voltage (a.c.) (UN ) 230 V
Nominal load current (a.c.) (IL ) 10 A
Attenuation for f = 1 MHz, balanced > 64 dB
Attenuation for f = 1 MHz, unbalanced > 69 dB

Product 912254 was added to Notepad.

Product 912254 was added to the cart.


back to top