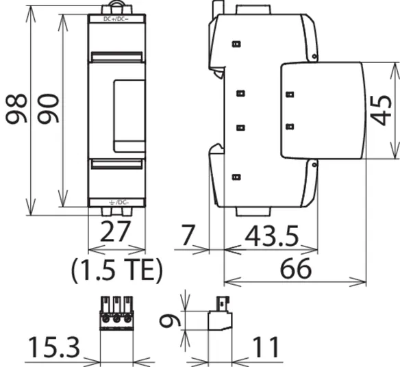
DEHNguard ME/SE DC ... (FM)

  • Universal combined arrester / surge arrester consisting of a base part and a plug-in protection module
  • Device concept specifically developed for use in d.c. circuits
  • Powerful d.c. switching device DCD prevents fire damage caused by d.c. switching arcs
  • Use without additional backup fuse in defined applications
  • Operating state / fault indication by green / red indicator flag in the inspection window
  • Easy replacement of protection modules without tools due to module locking system with module release button

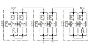
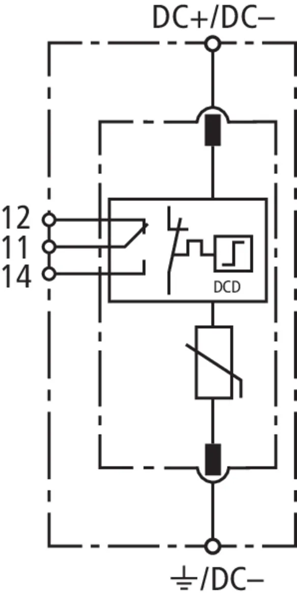
DEHNguard M DC ACI 1250 FM

Modular arrester for DC applications; with floating remote signalling contact.

1 Product

Part No. 972150 DG M DC ACI 1250 FM

GTIN 4013364530850, Customs tariff No. (EU): 85354000, Gross weight: 757.40 g, PU: 1.00 pc(s)


Images

Additional information

Surge protective device Type 2, DG M DC ACI 1250 FM
modular, pluggable surge arrester
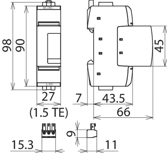
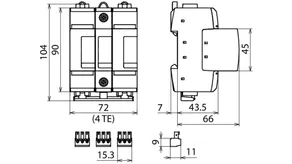
for DC applications, width of 6 DIN modules
Mechanical operating / fault state indication
Type 2 arrester similar to EN / IEC 61643-41
consisting of switch/spark gap combination
Specially for use in DC charging equipment up to 1,250 V
Max. continuous operating voltage (+ --> -): 1250 V DC
Nominal discharge current (8/20 µs): 10 kA
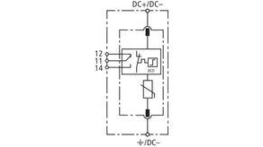
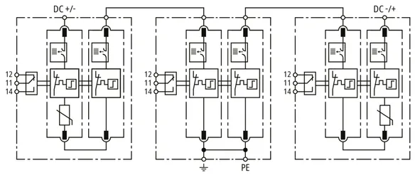
Floating remote signalling contact as changeover contact
Vibration and shock-tested according to EN 60068
Fulfils IEC 61851-23

Brand: DEHN
Type: DG M DC ACI 1250 FM
Part No.: 972150
or equivalent.

Certificates

 

ACI-Technology

A further development of CI technology, ACI technology consists of a switch/spark gap combination connected in series with a heavyduty varistor. This ensures the simple design and safe operation of the surge protective device. Other features are safe dimensioning, TOV withstand, a connection cross-section of only 6 mm² Cu and zero leakage current. Surge arresters with ACI technology offer maximum safety and system availability.

Direct Current-Disconnection

When using surge arresters in d.c. applications, disconnection must be reliably ensured even if there are no zero crossings. The specifically developed DC Disconnection (DCD) technology acts as a wedge similar to a blocking valve and interrupts the direct current. Consequently, the devices of the DEHNguard SE DC series are capable of safely interrupting direct currents, thus preventing fire damage caused by d.c. switching arcs.

Technical data

SPD classification similar to EN 61643-41 / ... IEC 61643-41 Type 2 / class II
Max. continuous operating voltage (DC) [DC+ --> DC-] (UC ) 1250 V
Max. continuous operating voltage (DC) [(DC+/DC-) --> PE] (UC ) 625 V
Nominal discharge current (8/20 µs) (In ) 10 kA
Max. nominal impulse discharge current (8/20 µs) (Imax ) 20 kA
Voltage protection level [DC+ --> DC-] (UP ) < 5 kV
Voltage protection level [(DC+/DC-) --> PE] (UP ) < 2,5 kV
Max. short circuit withstand capability (ISCCR ) 5 kA
Type of remote signalling contact changeover contact

Product 972150 was added to Notepad.

Product 972150 was added to the cart.


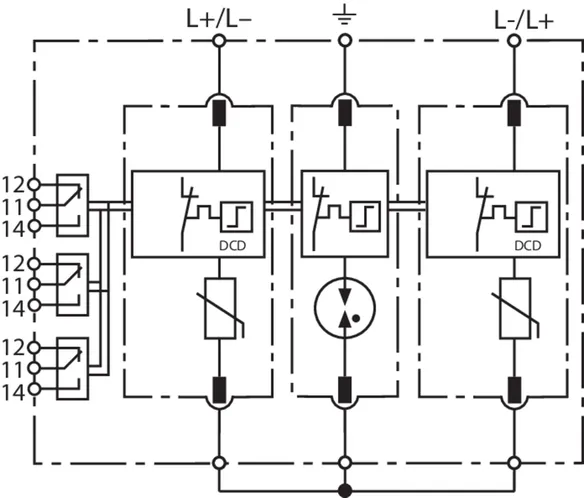
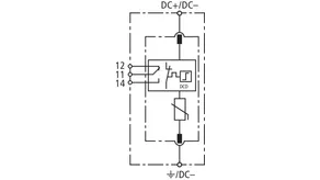
DEHNguard ME DC ... FM

Modular combined arrester for DC applications; with floating remote signalling contact.

1 Product

Part No. 972147 DG ME DC Y 1000 FM

GTIN 4013364519817, Customs tariff No. (EU): 85363030, Gross weight: 530.49 g, PU: 1.00 pc(s)


Images

Additional information

DEHNguard ME DC Y 1000 FM combined arrester, type 1+2
3-pole, modular, pluggable combined arrester
for DC applications, width of 4 DIN modules
Mechanical operating / fault state indication
Type 1+2 arrester analogous to EN 61643-11 Y circuit
consisting of leakage-current-free varistor gas discharge tube technology
Especially suitable for use in DC power circuits up to 1000 V
DC switching device DCD
Max. continuous operating voltage: 1000 V DC
Lightning impulse current 5kA (10/350µs)
Nominal discharge current: 12.5 kA (8/20µs)
Floating remote signalling contact as changeover contact
Vibration and shock-tested according to EN 60068

Brand: DEHN
Type: DG ME DC Y 1000 FM
Part No.: 972147
or equivalent.

Certificates

 

Direct Current-Disconnection

When using surge arresters in d.c. applications, disconnection must be reliably ensured even if there are no zero crossings. The specifically developed DC Disconnection (DCD) technology acts as a wedge similar to a blocking valve and interrupts the direct current. Consequently, the devices of the DEHNguard SE DC series are capable of safely interrupting direct currents, thus preventing fire damage caused by d.c. switching arcs.

Technical data

Lightning impulse current (10/350 µs) (Iimp ) 5 kA
Nominal discharge current (8/20 µs) (In ) 12.5 kA
Max. nominal impulse discharge current (8/20 µs) (Imax ) 20 kA
Voltage protection level [DC+ --> DC-] (UP ) < 3,75 kV
Voltage protection level [(DC+/DC-) --> PE] (UP ) < 2,5 kV
Max. short circuit withstand capability (ISCCR ) 5 kA
Type of remote signalling contact changeover contact

Product 972147 was added to Notepad.

Product 972147 was added to the cart.


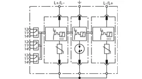
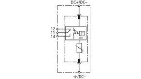
DEHNguard SE DC ...

Modular single-pole surge arrester for d.c. applications.

4 Products

Part No. 972110 DG SE DC 60

GTIN 4013364158504, Customs tariff No. (EU): 85363030, Gross weight: 160.00 g, PU: 1.00 pc(s)


Images

Additional information

DEHNguard SE DC 60 surge arrester
Modular and pluggable single-pole surge arrester
for d.c. applications, width: 1.5 modules
Fault indication
Type 2 SPD according to EN 61643-11
Heavy-duty varistor technology
DCD d.c. switching device specifically for use in d.c. circuits
Max. continuous operating voltage: 60 V d.c.
Voltage protection level: <= 0.5 kV
Nominal discharge current: 12.5 kA
Short-circuit strength in case of
max. mains-side overcurrent protection (d.c.): 2000 A
Energy-coordinated according to IEC 62305-4
with arresters of the Red/Line series

Brand: DEHN
Type: DG SE DC 60
Part No.: 972110
or equivalent.

Certificates

 

Direct Current-Disconnection

When using surge arresters in d.c. applications, disconnection must be reliably ensured even if there are no zero crossings. The specifically developed DC Disconnection (DCD) technology acts as a wedge similar to a blocking valve and interrupts the direct current. Consequently, the devices of the DEHNguard SE DC series are capable of safely interrupting direct currents, thus preventing fire damage caused by d.c. switching arcs.

Technical data

SPD according to EN 61643-11 / IEC 61643-11 type 2 / class II
Max. continuous operating voltage (d.c.) (UC ) 60 V
Nominal discharge current (8/20 µs) (In ) 12.5 kA
Voltage protection level (UP ) ≤ 0.5 kV
Short-circuit withstand capability without backup fuse (d.c.) (ISCCR ) 300 A
Short-circuit withstand capability for max. mains-side overcurrent protection (d.c.) (ISCCR ) 25 kA
Max. mains-side overcurrent protection 35 A gG

Product 972110 was added to Notepad.

Product 972110 was added to the cart.

Part No. 972120 DG SE DC 242

GTIN 4013364158528, Customs tariff No. (EU): 85363030, Gross weight: 170.00 g, PU: 1.00 pc(s)


Images

Additional information

DEHNguard SE DC 242 surge arrester
Modular and pluggable single-pole surge arrester
for d.c. applications, width: 1.5 modules
Fault indication
Type 2 SPD according to EN 61643-11
Heavy-duty varistor technology
DCD d.c. switching device specifically for use in d.c. circuits
Max. continuous operating voltage: 242 V d.c.
Voltage protection level: <= 1.25 kV
Nominal discharge current: 12.5 kA
Short-circuit strength in case of
max. mains-side overcurrent protection (d.c.): 2000 A
Energy-coordinated according to IEC 62305-4
with arresters of the Red/Line series

Brand: DEHN
Type: DG SE DC 242
Part No.: 972120
or equivalent.

Certificates

 

Direct Current-Disconnection

When using surge arresters in d.c. applications, disconnection must be reliably ensured even if there are no zero crossings. The specifically developed DC Disconnection (DCD) technology acts as a wedge similar to a blocking valve and interrupts the direct current. Consequently, the devices of the DEHNguard SE DC series are capable of safely interrupting direct currents, thus preventing fire damage caused by d.c. switching arcs.

Technical data

SPD according to EN 61643-11 / IEC 61643-11 type 2 / class II
Max. continuous operating voltage (d.c.) (UC ) 242 V
Nominal discharge current (8/20 µs) (In ) 12.5 kA
Voltage protection level (UP ) ≤ 1.25 kV
Short-circuit withstand capability without backup fuse (d.c.) (ISCCR ) 300 A
Short-circuit withstand capability for max. mains-side overcurrent protection (d.c.) (ISCCR ) 25 kA
Max. mains-side overcurrent protection 35 A gG

Product 972120 was added to Notepad.

Product 972120 was added to the cart.

Part No. 972130 DG SE DC 550

GTIN 4013364158627, Customs tariff No. (EU): 85363030, Gross weight: 184.00 g, PU: 1.00 pc(s)


Images

Additional information

DEHNguard SE DC 550 surge arrester
Modular and pluggable single-pole surge arrester
for d.c. applications, width: 1.5 modules
Fault indication
Type 2 SPD according to EN 61643-11
Heavy-duty varistor technology
DCD d.c. switching device specifically for use in d.c. circuits
Max. continuous operating voltage: 550 V d.c.
Voltage protection level: <= 2.0 kV
Nominal discharge current: 12.5 kA
Short-circuit strength in case of
max. mains-side overcurrent protection (d.c.): 2000 A
Energy-coordinated according to IEC 62305-4
with arresters of the Red/Line series

Brand: DEHN
Type: DG SE DC 550
Part No.: 972130
or equivalent.

Certificates

 

Direct Current-Disconnection

When using surge arresters in d.c. applications, disconnection must be reliably ensured even if there are no zero crossings. The specifically developed DC Disconnection (DCD) technology acts as a wedge similar to a blocking valve and interrupts the direct current. Consequently, the devices of the DEHNguard SE DC series are capable of safely interrupting direct currents, thus preventing fire damage caused by d.c. switching arcs.

Technical data

SPD according to EN 61643-11 / IEC 61643-11 type 2 / class II
Max. continuous operating voltage (d.c.) (UC ) 550 V
Nominal discharge current (8/20 µs) (In ) 12.5 kA
Voltage protection level (UP ) ≤ 2.0 kV
Short-circuit withstand capability without backup fuse (d.c.) (ISCCR ) 200 A
Short-circuit withstand capability for max. mains-side overcurrent protection (d.c.) (ISCCR ) 25 kA
Max. mains-side overcurrent protection 35 A gG

Product 972130 was added to Notepad.

Product 972130 was added to the cart.

Part No. 972140 DG SE DC 900

GTIN 4013364158641, Customs tariff No. (EU): 85363030, Gross weight: 190.00 g, PU: 1.00 pc(s)


Images

Additional information

DEHNguard SE DC 900 surge arrester
Modular and pluggable single-pole surge arrester
for d.c. applications, width: 1.5 modules
Type 2 SPD according to EN 61643-11
Heavy-duty varistor technology
DCD d.c. switching device specifically for use in d.c. circuits
Max. continuous operating voltage: 900 V d.c.
Voltage protection level: <= 3.0 kV
Nominal discharge current: 12.5 kA
Short-circuit strength in case of
max. mains-side overcurrent protection (d.c.): 2000 A
Energy-coordinated according to IEC 62305-4
with arresters of the Red/Line series

Brand: DEHN
Type: DG SE DC 900
Part No.: 972140
or equivalent.

Certificates

 

Direct Current-Disconnection

When using surge arresters in d.c. applications, disconnection must be reliably ensured even if there are no zero crossings. The specifically developed DC Disconnection (DCD) technology acts as a wedge similar to a blocking valve and interrupts the direct current. Consequently, the devices of the DEHNguard SE DC series are capable of safely interrupting direct currents, thus preventing fire damage caused by d.c. switching arcs.

Technical data

SPD according to EN 61643-11 / IEC 61643-11 type 2 / class II
Max. continuous operating voltage (d.c.) (UC ) 900 V
Nominal discharge current (8/20 µs) (In ) 12.5 kA
Voltage protection level (UP ) ≤ 3.0 kV
Short-circuit withstand capability without backup fuse (d.c.) (ISCCR ) 100 A
Short-circuit withstand capability for max. mains-side overcurrent protection (d.c.) (ISCCR ) 25 kA
Max. mains-side overcurrent protection 80 A gPV

Product 972140 was added to Notepad.

Product 972140 was added to the cart.


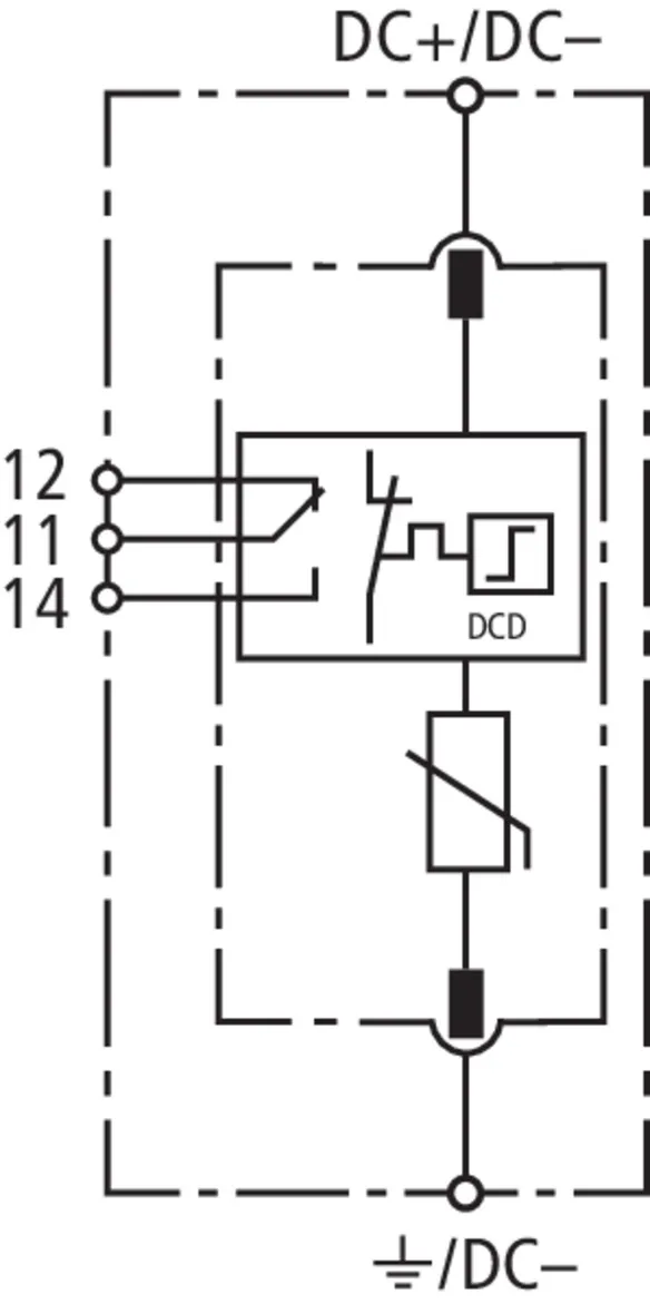
DEHNguard SE DC ... FM

Modular single-pole surge arrester for d.c. applications; with floating remote signalling contact.

4 Products

Part No. 972115 DG SE DC 60 FM

GTIN 4013364158511, Customs tariff No. (EU): 85363030, Gross weight: 164.00 g, PU: 1.00 pc(s)


Images

Additional information

DEHNguard SE DC 60 FM surge arrester
Modular and pluggable single-pole surge arrester
for d.c. applications, width: 1.5 modules
Fault indication
Type 2 SPD according to EN 61643-11
With remote signalling contact
Heavy-duty varistor technology
DCD d.c. switching device specifically for use in d.c. circuits
Max. continuous operating voltage: 60 V d.c.
Voltage protection level: <= 0.5 kV
Nominal discharge current: 12.5 kA
Short-circuit strength in case of
max. mains-side overcurrent protection (d.c.): 2000 A
Energy-coordinated according to IEC 62305-4
with arresters of the Red/Line series

Brand: DEHN
Type: DG SE DC 60 FM
Part No.: 972115
or equivalent.

Certificates

 

Direct Current-Disconnection

When using surge arresters in d.c. applications, disconnection must be reliably ensured even if there are no zero crossings. The specifically developed DC Disconnection (DCD) technology acts as a wedge similar to a blocking valve and interrupts the direct current. Consequently, the devices of the DEHNguard SE DC series are capable of safely interrupting direct currents, thus preventing fire damage caused by d.c. switching arcs.

Technical data

SPD according to EN 61643-11 / IEC 61643-11 type 2 / class II
Max. continuous operating voltage (d.c.) (UC ) 60 V
Nominal discharge current (8/20 µs) (In ) 12.5 kA
Voltage protection level (UP ) ≤ 0.5 kV
Short-circuit withstand capability without backup fuse (d.c.) (ISCCR ) 300 A
Short-circuit withstand capability for max. mains-side overcurrent protection (d.c.) (ISCCR ) 25 kA
Max. mains-side overcurrent protection 35 A gG
Type of remote signalling contact changeover contact

Product 972115 was added to Notepad.

Product 972115 was added to the cart.

Part No. 972125 DG SE DC 242 FM

GTIN 4013364158610, Customs tariff No. (EU): 85363030, Gross weight: 174.00 g, PU: 1.00 pc(s)


Images

Additional information

DEHNguard SE DC 242 FM surge arrester
Modular and pluggable single-pole surge arrester
for d.c. applications, width: 1.5 modules
Fault indication
Type 2 SPD according to EN 61643-11
With remote signalling contact
Heavy-duty varistor technology
DCD d.c. switching device specifically for use in d.c. circuits
Max. continuous operating voltage: 242 V d.c.
Voltage protection level: <= 1.25 kV
Nominal discharge current: 12.5 kA
Short-circuit strength in case of
max. mains-side overcurrent protection (d.c.): 2000 A
Energy-coordinated according to IEC 62305-4
with arresters of the Red/Line series

Brand: DEHN
Type: DG SE DC 242 FM
Part No.: 972125
or equivalent.

Certificates

 

Direct Current-Disconnection

When using surge arresters in d.c. applications, disconnection must be reliably ensured even if there are no zero crossings. The specifically developed DC Disconnection (DCD) technology acts as a wedge similar to a blocking valve and interrupts the direct current. Consequently, the devices of the DEHNguard SE DC series are capable of safely interrupting direct currents, thus preventing fire damage caused by d.c. switching arcs.

Technical data

SPD according to EN 61643-11 / IEC 61643-11 type 2 / class II
Max. continuous operating voltage (d.c.) (UC ) 242 V
Nominal discharge current (8/20 µs) (In ) 12.5 kA
Voltage protection level (UP ) ≤ 1.25 kV
Short-circuit withstand capability without backup fuse (d.c.) (ISCCR ) 300 A
Short-circuit withstand capability for max. mains-side overcurrent protection (d.c.) (ISCCR ) 25 kA
Max. mains-side overcurrent protection 35 A gG
Type of remote signalling contact changeover contact

Product 972125 was added to Notepad.

Product 972125 was added to the cart.

Part No. 972135 DG SE DC 550 FM

GTIN 4013364158634, Customs tariff No. (EU): 85363030, Gross weight: 189.00 g, PU: 1.00 pc(s)


Images

Additional information

DEHNguard SE DC 550 FM surge arrester
Modular and pluggable single-pole surge arrester
for d.c. applications, width: 1.5 modules
Fault indication
Type 2 SPD according to EN 61643-11
With remote signalling contact
Heavy-duty varistor technology
DCD d.c. switching device specifically for use in d.c. circuits
Max. continuous operating voltage: 550 V d.c.
Voltage protection level: <= 2.0 kV
Nominal discharge current: 12.5 kA
Short-circuit strength in case of
max. mains-side overcurrent protection (d.c.): 2000 A
Energy-coordinated according to IEC 62305-4
with arresters of the Red/Line series

Brand: DEHN
Type: DG SE DC 550 FM
Part No.: 972135
or equivalent.

Certificates

 

Direct Current-Disconnection

When using surge arresters in d.c. applications, disconnection must be reliably ensured even if there are no zero crossings. The specifically developed DC Disconnection (DCD) technology acts as a wedge similar to a blocking valve and interrupts the direct current. Consequently, the devices of the DEHNguard SE DC series are capable of safely interrupting direct currents, thus preventing fire damage caused by d.c. switching arcs.

Technical data

SPD according to EN 61643-11 / IEC 61643-11 type 2 / class II
Max. continuous operating voltage (d.c.) (UC ) 550 V
Nominal discharge current (8/20 µs) (In ) 12.5 kA
Voltage protection level (UP ) ≤ 2.0 kV
Short-circuit withstand capability without backup fuse (d.c.) (ISCCR ) 200 A
Short-circuit withstand capability for max. mains-side overcurrent protection (d.c.) (ISCCR ) 25 kA
Max. mains-side overcurrent protection 35 A gG
Type of remote signalling contact changeover contact

Product 972135 was added to Notepad.

Product 972135 was added to the cart.

Part No. 972145 DG SE DC 900 FM

GTIN 4013364158658, Customs tariff No. (EU): 85363030, Gross weight: 194.00 g, PU: 1.00 pc(s)


Images

Additional information

DEHNguard SE DC 900 FM surge arrester
Modular and pluggable single-pole surge arrester
for d.c. applications, width: 1.5 modules
Fault indication
Type 2 SPD according to EN 61643-11
With remote signalling contact
Heavy-duty varistor technology
DCD d.c. switching device specifically for use in d.c. circuits
Max. continuous operating voltage: 900 V d.c.
Voltage protection level: <= 3.0 kV
Nominal discharge current: 12.5 kA
Short-circuit strength in case of
max. mains-side overcurrent protection (d.c.): 2000 A
Energy-coordinated according to IEC 62305-4
with arresters of the Red/Line series

Brand: DEHN
Type: DG SE DC 900 FM
Part No.: 972145
or equivalent.

Certificates

 

Direct Current-Disconnection

When using surge arresters in d.c. applications, disconnection must be reliably ensured even if there are no zero crossings. The specifically developed DC Disconnection (DCD) technology acts as a wedge similar to a blocking valve and interrupts the direct current. Consequently, the devices of the DEHNguard SE DC series are capable of safely interrupting direct currents, thus preventing fire damage caused by d.c. switching arcs.

Technical data

SPD according to EN 61643-11 / IEC 61643-11 type 2 / class II
Max. continuous operating voltage (d.c.) (UC ) 900 V
Nominal discharge current (8/20 µs) (In ) 12.5 kA
Voltage protection level (UP ) ≤ 3.0 kV
Short-circuit withstand capability without backup fuse (d.c.) (ISCCR ) 100 A
Short-circuit withstand capability for max. mains-side overcurrent protection (d.c.) (ISCCR ) 25 kA
Max. mains-side overcurrent protection 80 A gPV
Type of remote signalling contact changeover contact

Product 972145 was added to Notepad.

Product 972145 was added to the cart.


back to top