DEHNgap C S

  • Especial para el empleo en sistemas TT con circuitos 3+1 y 1+1 según IEC 60354-5-53, entre el conductor neutro N y el conductor de protección PE
  • Gran capacidad de derivación
  • Compuesto por dos piezas, una base y el módulo enchufable de protección de vías de chispas
  • Coordinado energéticamente con la familia de productos Red/Line
  • Indicación de averías mediante marca de color verde/rojo en la ventanilla de inspección
  • Con contacto de señalización a distancia para dispositivos de vigilancia
  • Sustitución sencilla del módulo de protección,sin necesidad de herramientas gracias a su tecla de desbloqueo
  • Prueba de vibración y choque según EN 60068-2

DEHNgap C S (FM)

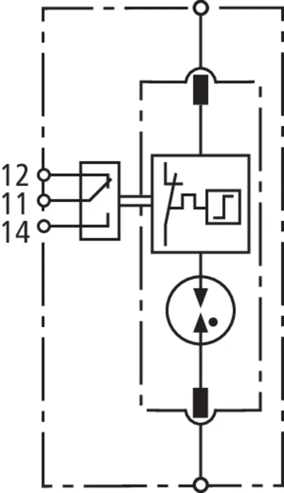
Descargador de corriente de rayo N-PE en la variante FM, con contacto de señalización a distancia (contacto conmutado libre de potencial).

2 Products

Part No. 952030 DGP C S

GTIN 4013364108530, Customs tariff No. (EU): 85363030, Gross weight: 121.00 g, PU: 1.00 unidad(es)

Predecessor

Images

Additional information

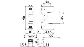
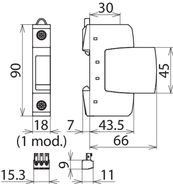
Descargador de sobretensiones N-PE DEHNgap C S
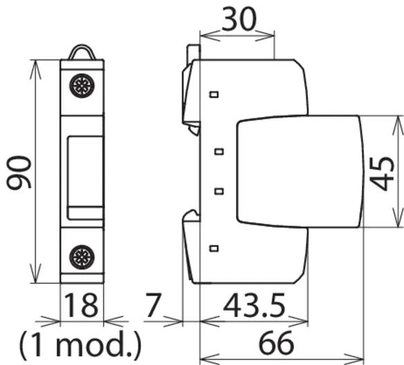
Descargador de sobretensiones N-PE, ancho 1 mód.
Indicación de fallo
Descargador Tipo 2 según la EN 61643-11
Elemento de base con módulo enchufado
de protección de vía de chispas
Corriente nominal de descarga (8/20): 20 kA
Corriente de choque de rayo (10/350): 12 kA
Nivel de protección: <= 1,5 kV
Capacidad de apagado
de corrientes consecutivas: 100 Aeff a 255 V ac
Coordinación energética según la DIN EN 62305-4
Descargador de la línea Red/Line

Producto DEHN
Tipo: DGP C S
art. no.: 952030
o equivalente

Certificates

 

Technical data

DPS según EN 61643-11 / ... IEC 61643-11 Tipo 2 / Clase II
Máx. tensión permisible de servicio AC (UC ) 255 V (50 / 60 Hz)
Corriente nominal de descarga (8/20 µs) (In ) 20 kA
Máx. corriente nominal de descarga (8/20 µs) (Imax ) 40 kA
Nivel de protección (UP ) ≤ 1,5 kV
Certificaciones KEMA, VDE, UL

Product 952030 was added to Notepad.

Product 952030 was added to the cart.

Part No. 952035 DGP C S FM

GTIN 4013364108547, Customs tariff No. (EU): 85363030, Gross weight: 125.00 g, PU: 1.00 unidad(es)

Predecessor

Images

Additional information

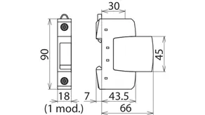
Descargador de sobretensiones N-PE DEHNgap C S FM
Descargador de sobretensiones N-PE
con contacto de señalización a distancia, ancho 1 mód.
Indicación de fallo
Descargador Tipo 2 según la EN 61643-11
Elemento de base con módulo enchufado
de protección de vía de chispas
Corriente nominal de descarga (8/20): 20 kA
Corriente de choque de rayo (10/350): 12 kA
Nivel de protección: <= 1,5 kV
Capacidad de apagado
de corrientes consecutivas: 100 Aeff a 255 V ac
Coordinación energética según la DIN EN 62305-4
Descargador de la línea Red/Line

Producto DEHN
Tipo: DGP C S FM
art. no.: 952035
o equivalente

Certificates

 

Technical data

DPS según EN 61643-11 / ... IEC 61643-11 Tipo 2 / Clase II
Máx. tensión permisible de servicio AC (UC ) 255 V (50 / 60 Hz)
Corriente nominal de descarga (8/20 µs) (In ) 20 kA
Máx. corriente nominal de descarga (8/20 µs) (Imax ) 40 kA
Nivel de protección (UP ) ≤ 1,5 kV
Certificaciones KEMA, VDE, UL
Contactos FM / Forma de los contactos contacto conmutado

Product 952035 was added to Notepad.

Product 952035 was added to the cart.


back to top