Contador de descargas

Contador de descargas inteligente para el registro libre de potencial de la cantidad y el momento (fecha del suceso con marca de tiempo) de las corrientes de fuga.
Con funcionamiento a batería (independiente, sin fuente de alimentación) con almacenamiento local de datos e indicación en pantalla.
Con explotación de la red y comunicación opcional (Modbus RTU) entre el contador y el centro de control externo.

Contador de descargas IPC P4

Inicio previsto de entregas en el 2º trimestre de 2024.

1 Product

Part No. 910513 IPC P4

GTIN 6942299506310, Customs tariff No. (EU): 90291000, Gross weight: 180.20 g, PU: 1.00 unidad(es)


Images

Additional information

Contador de descargas IPC P4
Contador con funcionamiento a batería (solo almacenamiento interno) o
con alimentación ext. 9-36 V CC (con comunicación al centro de control)
Registro libre de potencial de las corrientes de fuga
de los dispositivos de protección contra sobretensiones
Sensor para colocación en el cable de toma de tierra del descargador
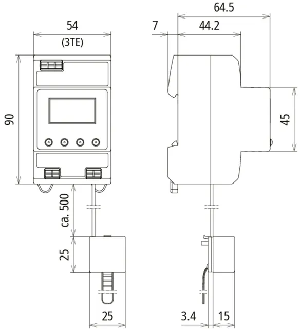
Cable de sensor trenzado: 0,5 m de largo
Valor mínimo de recuento de la corriente de descarga de impulsos (10/350 µs): 1 kA
Valor límite de recuento de la corriente de descarga de impulsos (10/350 µs): 100 kA
Valor mínimo de recuento de la corriente de descarga (8/20 µs): 1 kA
Valor límite de recuento de la corriente de descarga (8/20 µs): 100 kA
Pantalla OLED
Contador eléctrico 0 ... 999
Montaje en carril DIN de 35 mm según EN 60715

Producto DEHN
Tipo: IPC P4
art. no.: 910513
o equivalente

Certificates

 

Technical data

Contador de descargas según GB/T 33588.6 y EN/IEC 62561-6 Tipo I + tipo II
Valor límite de recuento de la corriente de descarga de impulsos (10/350 µs) (Iimp máx. ) 100 kA
Valor mínimo de recuento de la corriente de descarga de impulsos (10/350 µs) (Iimp mín. ) 1 kA
Valor límite de recuento de la corriente de descarga (8/20 µs) (In máx. ) 100 kA
Valor mínimo de recuento de la corriente de descarga (8/20 µs) (In mín. ) 1 kA
Pantalla OLED Contador electrónico 0...999
Alimentación Batería de litio-dióxido de manganeso o 9-36 V CC
Dispositivo de reseteo Teclas del equipo (por ejemplo, para poner a 0 el valor del contador) o mediante acceso remoto
Medidas de montaje: sensor 25 mm x 25 mm x 15 mm
Accesorios incluidos en el suministro Sensor con clip de fijación integrado

Product 910513 was added to Notepad.

Product 910513 was added to the cart.


back to top