DEHN ENDESA

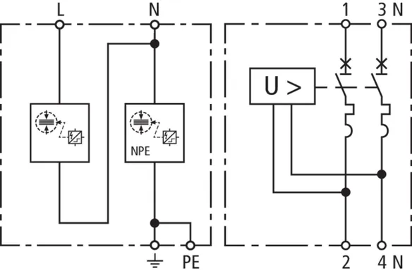
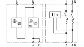
  • Descargador combinado precableado contra corriente de rayo y sobretensiones de aplicación optimizada Tipo 1 + Tipo 2, basado en tecnología de vía de chispas
  • Facilita una equipotencialidad compacta contra el rayo y aporta la necesaria protección contra sobretensiones de los equipos finales
  • Capacidad de descarga hasta 50 kA (10/350 µs)
  • Indicación del estado de funcionamiento/avería mediante señal verde/roja en la ventana de inspección
  • Elevada capacidad de apagado de corrientes consecutivas (Ifi = 25 kArms)
  • Protección total contra sobretensiones transitorias y permanentes (SPD+POP)
  • Cumple con las normativas EN 50550 sobre los dispositivos de protección contra sobretensiones permanentes
  • Fácil instalación gracias a las exigencias mínimas de espacio

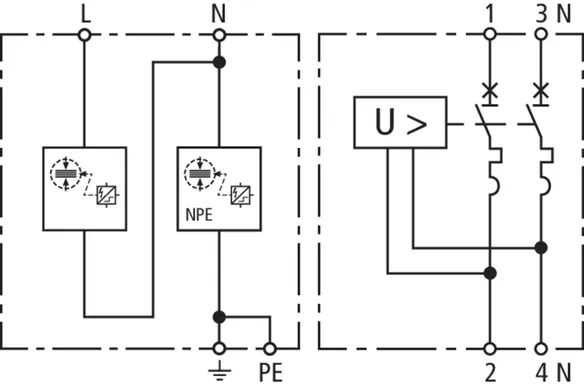
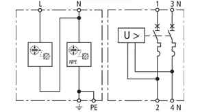
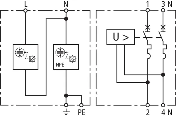
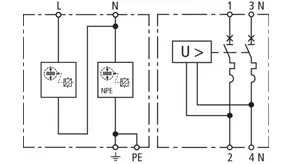
2 polos SPD+POP+MCB

3 Products

Part No. 901760 DEHN END 2 C25A

GTIN , Gross weight: 549.00 g, PU: 1.00 unidad(es)


Images

Additional information

 

Technical data

SPD
Datos técnicos SPD Art.-Nr. 941 110 (DSH TT 2P 255)
DPS según EN 61643-11 / ... IEC 61643-11 Tipo 1 + Tipo 2 / Clase I + Clase II
Coordinación energética al equipo final (≤ 10 m) Tipo 1 + Tipo 2 + Tipo 3
Tensión nominal AC (UN ) 230 V (50 / 60 Hz) V
Máxima tensión permisible de servicio AC (UC ) 255 V (50 / 60 Hz) V
POP+MCB
Datos técnicos fusible Art.-Nr. 900 760 (POP 2 255 C25)
Tipo de red monofásico TT / TN
Número de polos 1P + N
Tensión nominal AC (UN ) 230 V
Frecuencia nominal (fN ) 50 Hz

Product 901760 was added to Notepad.

Product 901760 was added to the cart.

Part No. 901761 DEHN END 2 C32A

GTIN , Gross weight: 569.00 g, PU: 1.00 unidad(es)


Images

Additional information

 

Technical data

SPD
Datos técnicos SPD Art.-Nr. 941 110 (DSH TT 2P 255)
DPS según EN 61643-11 / ... IEC 61643-11 Tipo 1 + Tipo 2 / Clase I + Clase II
Coordinación energética al equipo final (≤ 10 m) Tipo 1 + Tipo 2 + Tipo 3
Tensión nominal AC (UN ) 230 V (50 / 60 Hz) V
Máxima tensión permisible de servicio AC (UC ) 255 V (50 / 60 Hz) V
POP+MCB
Datos técnicos fusible Art.-Nr. 900 761 (POP 2 255 C32)
Tipo de red monofásico TT / TN
Número de polos 1P + N
Tensión nominal AC (UN ) 230 V
Frecuencia nominal (fN ) 50 Hz

Product 901761 was added to Notepad.

Product 901761 was added to the cart.

Part No. 901762 DEHN END 2 C40A

GTIN , Gross weight: 569.00 g, PU: 1.00 unidad(es)


Images

Additional information

 

Technical data

SPD
Datos técnicos SPD Art.-Nr. 941 110 (DSH TT 2P 255)
DPS según EN 61643-11 / ... IEC 61643-11 Tipo 1 + Tipo 2 / Clase I + Clase II
Coordinación energética al equipo final (≤ 10 m) Tipo 1 + Tipo 2 + Tipo 3
Tensión nominal AC (UN ) 230 V (50 / 60 Hz) V
Máxima tensión permisible de servicio AC (UC ) 255 V (50 / 60 Hz) V
POP+MCB
Datos técnicos fusible Art.-Nr. 900 762 (POP 2 255 C40)
Tipo de red monofásico TT / TN
Número de polos 1P + N
Tensión nominal AC (UN ) 230 V
Frecuencia nominal (fN ) 50 Hz

Product 901762 was added to Notepad.

Product 901762 was added to the cart.


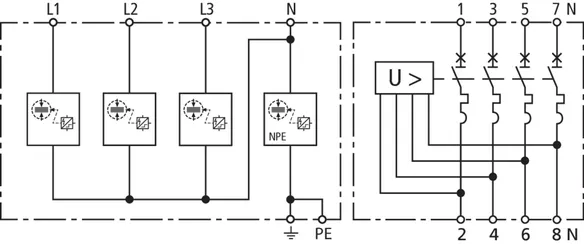
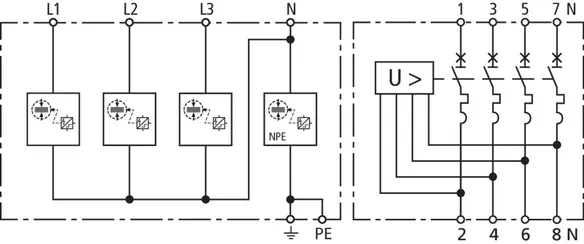
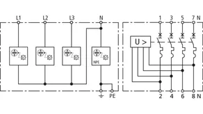
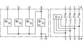
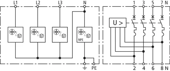
4 polos SPD+POP+MCB

4 Products

Part No. 901765 DPS END 4 C25A

GTIN , Gross weight: 992.00 g, PU: 1.00 unidad(es)


Images

Additional information

 

Technical data

SPD
Datos técnicos SPD Art.-Nr. 941 310 (DSH TT 255)
DPS según EN 61643-11 / ... IEC 61643-11 Tipo 1 + Tipo 2 / Clase I + Clase II
Coordinación energética al equipo final (≤ 10 m) Tipo 1 + Tipo 2 + Tipo 3
Tensión nominal AC (UN ) 230 / 400 V (50 / 60 Hz) V
Máxima tensión permisible de servicio AC (UC ) 255 V (50 / 60 Hz) V
POP+MCB
Datos técnicos fusible Art.-Nr. 900 765 (POP 4 255 C25)
Tipo de red trifásico TT / TN
Número de polos 3P + N
Tensión nominal AC (UN ) 230 / 400 V
Frecuencia nominal (fN ) 50 Hz

Product 901765 was added to Notepad.

Product 901765 was added to the cart.

Part No. 901766 DPS END 4 C32A

GTIN , Gross weight: 1.03 kg, PU: 1.00 unidad(es)


Images

Additional information

 

Technical data

SPD
Datos técnicos SPD Art.-Nr. 941 310 (DSH TT 255)
DPS según EN 61643-11 / ... IEC 61643-11 Tipo 1 + Tipo 2 / Clase I + Clase II
Coordinación energética al equipo final (≤ 10 m) Tipo 1 + Tipo 2 + Tipo 3
Tensión nominal AC (UN ) 230 / 400 V (50 / 60 Hz) V
Máxima tensión permisible de servicio AC (UC ) 255 V (50 / 60 Hz) V
POP+MCB
Datos técnicos fusible Art.-Nr. 900 766 (POP 4 255 C32)
Tipo de red trifásico TT / TN
Número de polos 3P + N
Tensión nominal AC (UN ) 230 / 400 V
Frecuencia nominal (fN ) 50 Hz

Product 901766 was added to Notepad.

Product 901766 was added to the cart.

Part No. 901767 DPS END 4 C40A

GTIN , Gross weight: 1.03 kg, PU: 1.00 unidad(es)


Images

Additional information

 

Technical data

SPD
Datos técnicos SPD Art.-Nr. 941 310 (DSH TT 255)
DPS según EN 61643-11 / ... IEC 61643-11 Tipo 1 + Tipo 2 / Clase I + Clase II
Coordinación energética al equipo final (≤ 10 m) Tipo 1 + Tipo 2 + Tipo 3
Tensión nominal AC (UN ) 230 / 400 V (50 / 60 Hz) V
Máxima tensión permisible de servicio AC (UC ) 255 V (50 / 60 Hz) V
POP+MCB
Datos técnicos fusible Art.-Nr. 900 767 (POP 4 255 C40)
Tipo de red trifásico TT / TN
Número de polos 3P + N
Tensión nominal AC (UN ) 230 / 400 V
Frecuencia nominal (fN ) 50 Hz

Product 901767 was added to Notepad.

Product 901767 was added to the cart.

Part No. 901768 DPS END 4 C63A

GTIN , Gross weight: 1.04 kg, PU: 1.00 unidad(es)


Images

Additional information

 

Technical data

SPD
Datos técnicos SPD Art.-Nr. 941 310 (DSH TT 255)
DPS según EN 61643-11 / ... IEC 61643-11 Tipo 1 + Tipo 2 / Clase I + Clase II
Coordinación energética al equipo final (≤ 10 m) Tipo 1 + Tipo 2 + Tipo 3
Tensión nominal AC (UN ) 230 / 400 V (50 / 60 Hz) V
Máxima tensión permisible de servicio AC (UC ) 255 V (50 / 60 Hz) V
POP+MCB
Datos técnicos fusible Art.-Nr. 900 768 (POP 4 255 C63)
Tipo de red trifásico TT / TN
Número de polos 3P + N
Tensión nominal AC (UN ) 230 / 400 V
Frecuencia nominal (fN ) 50 Hz

Product 901768 was added to Notepad.

Product 901768 was added to the cart.


back to top