DEHNvenCI

  • Descargador combinado sobre la base de vías de chispas con fusible integrado con capacidad para derivar corrientes de rayo
  • Coordinación energética con otros descargadores de la familia de productos de Red/Line
  • Nivel bajo de protección UP ≤ 1,5 kV (fusible integrado)
  • Máxima disponibilidad de las instalaciones gracias a la tecnología RADAX Flow para la limitación de corrientes sucesivas de red
  • Alta capacidad de la corriente consecutiva (a.c.) de 50 kArms
  • Alta capacidad de limitación de corriente de choque de rayo de 25 kA (10/350 µs)
  • Permite la protección de equipos finales
  • Indicación local de estado de funcionamiento y posibilidad de señalización a distancia

DEHNvenCI 255 (FM)

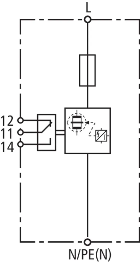
Descargador combinado de un polo de corriente de rayo y sobretensiones con fusible integrado con capacidad para derivar corrientes de rayo para su utilización en sistemas 230 / 400 V; versión FM con contacto de señalización a distancia (contacto conmutado libre de potencial).

2 Products

Part No. 961200 DVCI 1 255

GTIN 4013364145108, Customs tariff No. (EU): 85363090, Gross weight: 477.30 g, PU: 1.00 unidad(es)


Images

Additional information

Descargador combinado DEHNvenCI 255
Descargador combinado unipolar con
fusible integrado, ancho de 2 módulos
Descargador de tipo 1 + tipo 2 según EN 61643-11
Tecnología de vía de chispas RADAX-Flow
para la limitación de la corriente consecutiva
Permite la protección de equipo final
Indicación de fallo del descargador y fusible integrado
Máxima tensión de servicio: 255 V CA
Nivel de protección: <= 1,5 kV
Corriente de choque de rayo (10/350): 25 kA
Capacidad de apagado de corriente consecutiva: hasta 100 kAef.
Coordinación energética según UNE EN 62305-4
Descargador de la familia Red/Line y directo para el equipo final

Producto DEHN
Tipo: DVCI 1 255
art. no.: 961200
o equivalente

Certificates

 

Circuit Interruption

The backup fuse is already integrated here. This means: reduced space requirement, lower installation costs, faster wiring, and shorter connecting cables. This concept can be found in the product ranges DEHNvenCI, DEHNbloc Maxi S, DEHNguard ... CI and V(A) NH...

Wave breaker function

In the case of spark-gap-based type 1 arresters, the entire current flows through the type 1 arrester during the discharge process. Like a wave breaker, the incoming energy is greatly broken down, which significantly relieves the downstream SPDs. All type 1 arresters in the Red/Line product range feature the WBF wave breaker function.

Technical data

DPS según norma EN 61643-11 / IEC 61643-1/-11 Tipo 1 + Tipo 2 / Clase I + Clase II
Máxima tensión permisible de servicio AC (UC ) 255 V
Corriente de impulso de rayo (10/350 µs) (Iimp ) 25 kA
Nivel de protección (UP ) ≤ 1.5 kV
Fusible previo Fusible previo integrado
Certificaciones KEMA
Datos técnicos adicionales: Usado en instalaciones con corrientes de cortocircuito anticipadas de más de 50 kArms (tested by VDE)
– Corriente de cortocircuito max. anticipada 100 kAeff (220 kApico)

Product 961200 was added to Notepad.

Product 961200 was added to the cart.

Part No. 961205 DVCI 1 255 FM

GTIN 4013364145115, Customs tariff No. (EU): 85363090, Gross weight: 480.80 g, PU: 1.00 unidad(es)


Images

Additional information

Descargador combinado DEHNvenCI 255 FM
Descargador combinado unipolar con fusible
integrado, ancho de 2 módulos
con contacto de señalización remota
Descargador de tipo 1 + tipo 2 según EN 61643-11
Tecnología de vía de chispas RADAX-Flow
para la limitación de la corriente consecutiva
Permite la protección de equipo final
Indicación de fallo y señalización a distancia del descargador y fusible integrado
Máxima tensión de servicio: 255 V CA
Nivel de protección: <= 1,5 kV
Corriente de choque de rayo (10/350): 25 kA
Capacidad de apagado de corriente consecutiva: hasta 100 kAef.
Coordinación energética según
UNE EN 62305-4
Descargador de la familia Red/Line y directo para el equipo final

Producto DEHN
Tipo: DVCI 1 255 FM
art. no.: 961205
o equivalente

Certificates

 

Circuit Interruption

The backup fuse is already integrated here. This means: reduced space requirement, lower installation costs, faster wiring, and shorter connecting cables. This concept can be found in the product ranges DEHNvenCI, DEHNbloc Maxi S, DEHNguard ... CI and V(A) NH...

Wave breaker function

In the case of spark-gap-based type 1 arresters, the entire current flows through the type 1 arrester during the discharge process. Like a wave breaker, the incoming energy is greatly broken down, which significantly relieves the downstream SPDs. All type 1 arresters in the Red/Line product range feature the WBF wave breaker function.

Technical data

DPS según norma EN 61643-11 / IEC 61643-1/-11 Tipo 1 + Tipo 2 / Clase I + Clase II
Máxima tensión permisible de servicio AC (UC ) 255 V
Corriente de impulso de rayo (10/350 µs) (Iimp ) 25 kA
Nivel de protección (UP ) ≤ 1.5 kV
Fusible previo Fusible previo integrado
Certificaciones KEMA
Contacto FM conmutado
Datos técnicos adicionales: Aplicación en instalaciones con corriente de cortocircuito prospectiva superior a 50 kAeff (probado por VDE)
– Corriente de cortocircuito max. anticipada 100 kAeff (220 kApico)

Product 961205 was added to Notepad.

Product 961205 was added to the cart.


back to top