FS / USD

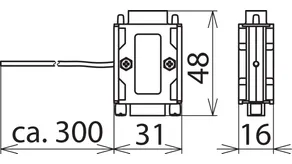
  • Limitatore di sovratensione con tecnologia di connessione SUB-D per facilitare l’installazione aggiuntiva
  • Connessione standard a 9 poli
  • Profibus-DP standard

Details

Connessione diretta dei dispositivi per un'efficacia protettiva ottimale.
lorem ipsum
Collegamento a spina D SUB per un montaggio semplice.
lorem ipsum

FS 9E PB

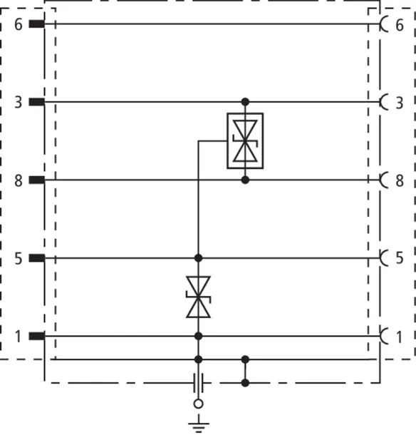
Limitatore di sovratensione per Profibus-DP. Esecuzione con SUB-D a 9 poli, pin 6 passante, senza protezione, per interfaccia di programmazione.

1 Product

Part No. 924017 FS 9E PB 6

GTIN 4013364045934, Customs tariff No. (EU): 85363010, Gross weight: 38.40 g, PU: 1.00 pz.


Images

Additional information

Limitatore di sovratensione FS 9E PB
Modulo di protezione da sovratensioni Tipo 4 / P1, per Profibus-DP. Esecuzione con SUB-D a 9 poli, pin 6 passante, senza protezione, per interfaccia di programmazione
Norme di riferimento per le prove IEC 61643-21
Innestabile in elemento base BXT BAS / BSP BAS 4
Tensione massima continuativa DC: 7 V
C1 Corrente impulsiva nominale di scarica (8/20 µs) filo-filo: 0,2 kA
C1 Corrente impulsiva nominale di scarica (8/20 µs) filo-SG: 0,2 kA
Occupazione: pin: 3/8, SG: 5, PG: 1, 6: non protetto

Fabbricato: DEHN
Tipo: FS 9E PB 6
Art.: 924017
o similare.

Certificates

 

Technical data

Classe SPD [
Tensione massima continuativa DC (UC ) 7 V
C1 Corrente impulsiva nominale di scarica (8/20 µs) filo-filo (In ) 0,2 kA
C1 Corrente impulsiva nominale di scarica (8/20 µs) filo-SG (In ) 0,2 kA
C1 Corrente impulsiva nominale di scarica (8/20 µs) SG-PG (In ) 0,4 kA
Frequenza limite (fG ) 90 MHz
Collegamento ingresso / uscita SUB-D 9 maschio / SUB-D 9 femmina

Product 924017 was added to Notepad.

Product 924017 was added to the cart.


back to top