DEHNpipe

Limitatori di sovratensione da avvitare sugli apparecchi in campo
  • Con cablaggio di serie o parallelo
  • Esecuzione in acciaio inossidabile resistente alla corrosione
  • Disponibile limitatore per la protezione di una seconda interfaccia (lato dati o lato energia)
Varianti per applicazioni Ex (i) e Ex (d)
  • Per la protezione di circuiti di misura a sicurezza intrinseca e sistemi bus Ex (i)
  • Esecuzione resistente alla pressione Ex (d)
Diverse omologazioneOmologazioni in base al limitatore: IECEx, ATEX, FISCO, CSA Hazloc

Details

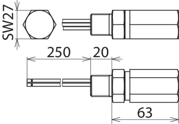
Filetto metrico e NPT.
lorem ipsum
Varianti per il cablaggio passante.
lorem ipsum
Esecuzione robusta in acciaio inossidabile resistente alla corrosione.
lorem ipsum
Omologazioni ATEX e IECEx.
lorem ipsum

DPI MD

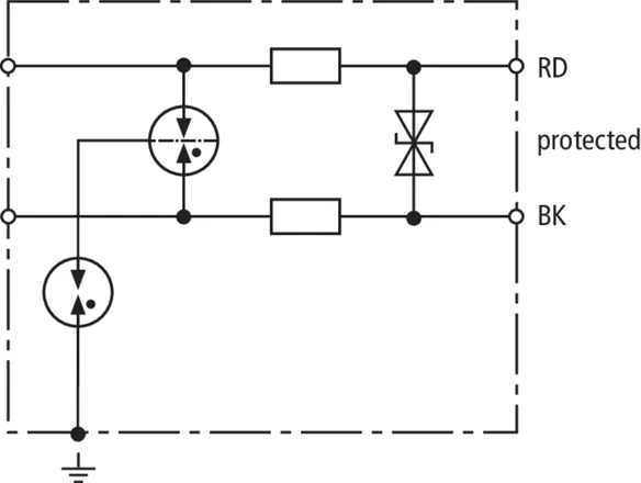
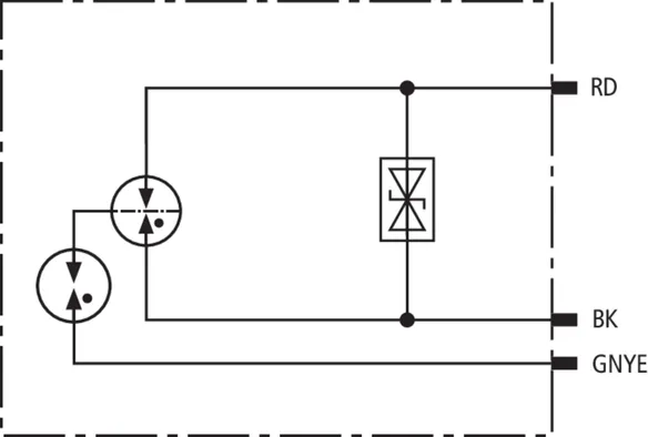
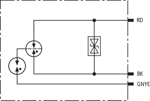
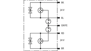
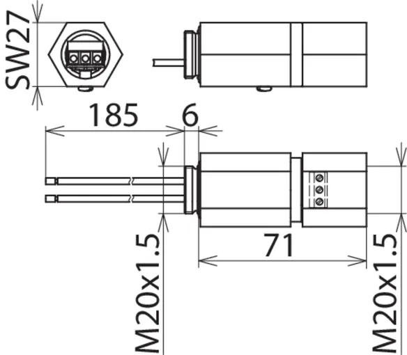
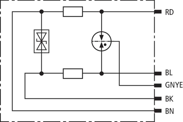
Limitatore di sovratensione a due gradini, senza corrente di fuga, coordinato energeticamente per interfacce 4-20 mA con filetto da avvitare M20 x 1,5 (interno / esterno). Lo schermo può essere collegato in modo diretto, indiretto oppure può restare scollegato da terra. Pressacavo fornibile come accessorio.

1 Product

Part No. 929941 DPI MD 24 M 2S

GTIN 4013364098152, Customs tariff No. (EU): 85363010, Gross weight: 187.40 g, PU: 1.00 pz.


Images

Additional information

Limitatori di sovratensione DEHNpipe DPI MD
Limitatore di sovratensione Tipo 2 / P2 DEHNpipe secondo EN 61643-11 a due gradini, senza corrente di fuga, coordinato energeticamente per interfacce 4-20 mA con filetto da avvitare M20 x 1,5 (interno/ esterno).
INOX (V4A), costruzione in IP 67 in esecuzione resistente alla pressione Ex (d)
Tensione massima continuativa DC: 34,8 V
Corrente nominale: 0,5 A
C2 Corrente impulsiva nominale di scarica (8/20 µs) complessiva: 10 kA
Frequenza limite filo-filo: 14 MHz

Fabbricato: DEHN
Tipo: DPI MD 24 M 2S
Art.: 929941
o similare.

Certificates

 

Technical data

Classe SPD Q
Tensione massima continuativa DC (UC ) 34,8 V
Corrente nominale (IL ) 0,5 A
D1 Corrente impulsiva di fulmine (10/350 µs) per filo (Iimp ) 1 kA
C2 Corrente impulsiva nominale di scarica (8/20 µs) complessiva (In ) 10 kA
Frequenza limite filo-filo (fG ) 14 MHz
Montaggio lato campo / apparecchio filetto interno M20 x 1,5 / filetto esterno M20 x 1,5
Omologazioni SIL
*) per dettagli vedasi: www.dehn.it

Product 929941 was added to Notepad.

Product 929941 was added to the cart.


DPI MD EX

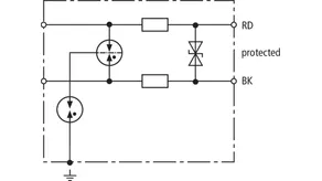
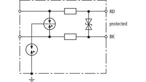
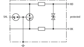
Limitatore di sovratensione a 2 gradini con circuito di protezione con basso valore capacitivo, per la protezione di circuiti e sistemi bus a sicurezza intrinseca, soddisfa i requisiti secondo FISCO. Tenuta all'isolamento > 500 V verso terra. Pressacavo fornibile come accessorio.

2 Products

Part No. 929960 DPI MD EX 24 M 2

GTIN 4013364098145, Customs tariff No. (EU): 85363010, Gross weight: 185.80 g, PU: 1.00 pz.


Images

Additional information

Limitatori di sovratensione DEHNpipe DPI MD EX
Limitatore di sovratensione Tipo 2 / P2 DEHNpipe secondo EN 61643-11 a 2 gradini con circuito di protezione con basso valore capacitivo, per la protezione di circuiti e sistemi bus a sicurezza intrinseca, soddisfa i requisiti secondo FISCO.
INOX (V4A), costruzione in IP 67 in esecuzione resistente alla pressione Ex (d)
Tensione massima continuativa DC: 34,8 V
Corrente nominale: 0,5 A
C2 Corrente impulsiva nominale di scarica (8/20 µs) complessiva: 10 kA
Frequenza limite filo-filo: 7 MHz

Fabbricato: DEHN
Tipo: DPI MD EX 24 M 2
Art.: 929960
o similare.

Certificates

 

Technical data

Classe SPD T
Tensione massima continuativa DC (UC ) 34,8 V
Corrente nominale (IL ) 0,5 A
D1 Corrente impulsiva di fulmine (10/350 µs) per filo (Iimp ) 1 kA
C2 Corrente impulsiva nominale di scarica (8/20 µs) complessiva (In ) 10 kA
Frequenza limite filo-filo (fG ) 7 MHz
Montaggio lato campo / apparecchio filetto interno M20 x 1,5 / filetto esterno M20 x 1,5
Omologazioni ATEX, IECEx, CCC, CSA & USA Hazloc, SIL
*) per dettagli vedasi: www.dehn.it

Product 929960 was added to Notepad.

Product 929960 was added to the cart.

Part No. 929965 DPI MD EX 24 N 2

GTIN 4013364360778, Customs tariff No. (EU): 85363010, Gross weight: 185.00 g, PU: 1.00 pz.


Images

Additional information

Limitatori di sovratensione DEHNpipe DPI MD EX
Limitatore di sovratensione Tipo 2 / P2
DEHNpipe secondo EN 61643-11 a 2 gradini con circuito
di protezione con basso valore capacitivo, per la protezione
di circuiti e sistemi bus a sicurezza intrinseca,
soddisfa i requisiti secondo FISCO.
INOX (V4A), costruzione in IP 67 in esecuzione
resistente alla pressione Ex (d)
Tensione massima continuativa DC: 34,8 V
Corrente nominale: 0,5 A
C2 Corrente impulsiva nominale di scarica (8/20 µs) complessiva: 10 kA
Frequenza limite filo-filo: 7 MHz

Fabbricato: DEHN
Tipo: DPI MD EX 24 N 2
Art.: 929965
o similare.

Certificates

 

Technical data

Classe SPD T
Tensione massima continuativa DC (UC ) 34,8 V
Corrente nominale (IL ) 0,5 A
D1 Corrente impulsiva di fulmine (10/350 µs) per filo (Iimp ) 1 kA
C2 Corrente impulsiva nominale di scarica (8/20 µs) complessiva (In ) 10 kA
Frequenza limite filo-filo (fG ) 7 MHz
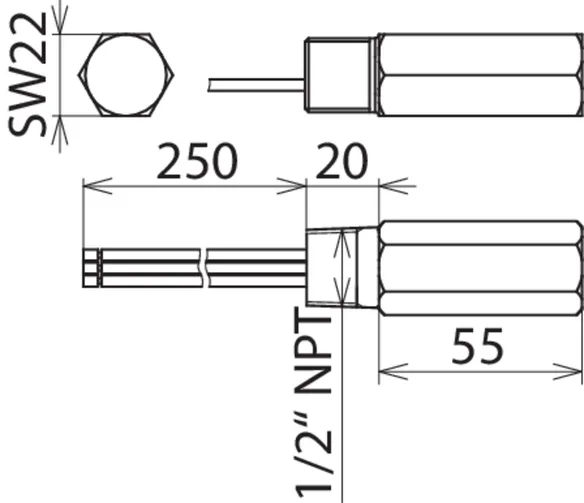
Montaggio lato campo / apparecchio 1/2-14 NPT filetto interno / 1/2-14 NPT filetto esterno
Omologazioni ATEX, IECEx, CCC, SIL
*) per dettagli vedasi: www.dehn.it

Product 929965 was added to Notepad.

Product 929965 was added to the cart.


DPI CD EXI

Limitatore di sovratensione con circuito di protezione con basso valore capacitivo, per la protezione di circuiti e sistemi bus a sicurezza intrinseca, soddisfa i requisiti secondo FISCO. Tenuta all'isolamento > 500 V verso terra.

2 Products

Part No. 929961 DPI CD EXI 24 M

GTIN 4013364101784, Customs tariff No. (EU): 85363010, Gross weight: 183.00 g, PU: 1.00 pz.


Images

Additional information

Limitatori di sovratensione DEHNpipe DPI CD EXI
Limitatore di sovratensione Tipo 2 / P2 DEHNpipe secondo EN 61643-11 in esecuzione resistente alle esplosioni, con circuito di protezione con basso valore capacitivo, per l'impiego in zone con pericolo d'esplosione per la protezione di circuiti e sistemi bus.
INOX (V4A), costruzione in IP 67 in esecuzione resistente alla pressione Ex (d)
Tensione massima continuativa DC: 32 V
Corrente nominale: 0,55 A
C2 Corrente impulsiva nominale di scarica (8/20 µs) complessiva: 10 kA
Frequenza limite filo-filo: 67 MHz

Fabbricato: DEHN
Tipo: DPI CD EXI 24 M
Art.: 929961
o similare.

Certificates

 

Technical data

Classe SPD T
Tensione massima continuativa DC (UC ) 32 V
Corrente nominale (IL ) 0,55 A
D1 Correnze impulsiva di fulmine (10/350 µs) filo-PG (Iimp ) 1 kA
C2 Corrente impulsiva nominale di scarica (8/20 µs) complessiva (In ) 10 kA
Frequenza limite filo-filo (fG ) 67 MHz
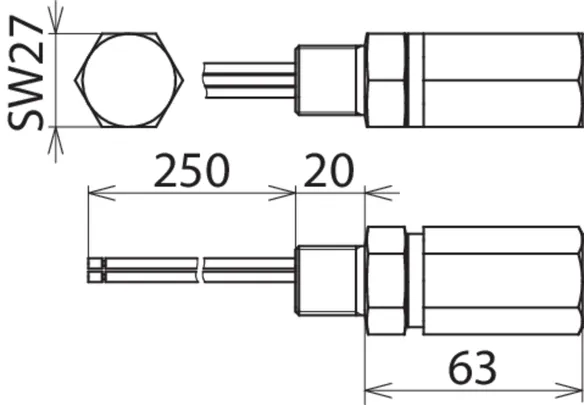
Montaggio lato campo / apparecchio filetto esterno M20 x 1,5
Omologazioni ATEX, IECEx, CCC, CSA & USA Hazloc, SIL
*) per dettagli vedasi: www.dehn.it

Product 929961 was added to Notepad.

Product 929961 was added to the cart.

Part No. 929963 DPI CD EXI 24 N

GTIN 4013364101807, Customs tariff No. (EU): 85363010, Gross weight: 196.00 g, PU: 1.00 pz.


Images

Additional information

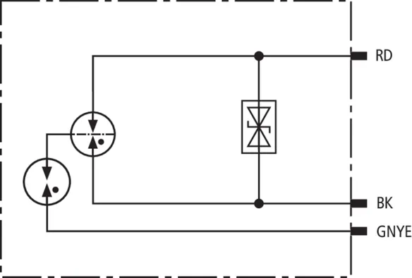
Limitatore di sovratensione DEHNpipe CD EX (i) DPI CD EXI 24 N
Limitatore di sovratensione Tipo 2 / P1
DEHNpipe, provato secondo
CEI EN 61643-21, in V4A, IP 67,
in esecuzione Ex (i)
da avvitare in dispositivi di campo
con tecnica di misurazione a due conduttori,
protezione parallela di coppia di fili
funzionante con separazione galvanica
e sistemi bus a sicurezza intrinseca.
Tensione massima continuativa DC: 32 V
Corrente nominale: 0,55 A
C2 Corrente impulsiva nominale di scarica (8/20 µs) complessiva: 10 kA
Frequenza limite filo-filo: 67 MHz

Fabbricato: DEHN
Tipo: DPI CD EXI 24 N
Art.: 929963
o similare.

Certificates

 

Technical data

Classe SPD T
Tensione massima continuativa DC (UC ) 32 V
Corrente nominale (IL ) 0,55 A
D1 Correnze impulsiva di fulmine (10/350 µs) filo-PG (Iimp ) 1 kA
C2 Corrente impulsiva nominale di scarica (8/20 µs) complessiva (In ) 10 kA
Frequenza limite filo-filo (fG ) 67 MHz
Montaggio lato campo / apparecchio filetto esterno 1/2-14 NPT
Omologazioni ATEX, IECEx, CCC, CSA & USA Hazloc, SIL
*) per dettagli vedasi: www.dehn.it

Product 929963 was added to Notepad.

Product 929963 was added to the cart.


DPI CD EXD

Limitatore di sovratensione in esecuzione resistente alle esplosioni, con circuito di protezione con basso valore capacitivo, per l'impiego in zone con pericolo d'esplosione per la protezione di circuiti e sistemi bus. Tenuta all'isolamento > 500 V verso terra. Omologato secondo CSA e USA Hazloc-Standard.

2 Products

Part No. 929962 DPI CD EXD 24 M

GTIN 4013364101791, Customs tariff No. (EU): 85363010, Gross weight: 183.00 g, PU: 1.00 pz.


Images

Additional information

Limitatori di sovratensione DEHNpipe DPI CD EXD
Limitatore di sovratensione Tipo 2 / P2 DEHNpipe secondo EN 61643-11 in esecuzione resistente alle esplosioni, con circuito di protezione con basso valore capacitivo, per l'impiego in zone con pericolo d'esplosione per la protezione di circuiti e sistemi bus.
INOX (V4A), costruzione in IP 67 in esecuzione resistente alla pressione Ex (d)
Tensione massima continuativa DC: 32 V
Corrente nominale: 0,55 A
C2 Corrente impulsiva nominale di scarica (8/20 µs) complessiva: 10 kA
Frequenza limite filo-filo: 67 MHz

Fabbricato: DEHN
Tipo: DPI CD EXD 24 M
Art.: 929962
o similare.

Certificates

 

Technical data

Classe SPD T
Tensione massima continuativa DC (UC ) 32 V
Corrente nominale (IL ) 0,55 A
D1 Correnze impulsiva di fulmine (10/350 µs) filo-PG (Iimp ) 1 kA
C2 Corrente impulsiva nominale di scarica (8/20 µs) complessiva (In ) 10 kA
Frequenza limite filo-filo (fG ) 67 MHz
Montaggio lato campo / apparecchio filetto esterno M20 x 1,5
Omologazioni ATEX, IECEx, CCC, CSA & USA Hazloc, SIL
*) per dettagli vedasi: www.dehn.it

Product 929962 was added to Notepad.

Product 929962 was added to the cart.

Part No. 929964 DPI CD EXD 24 N

GTIN 4013364101814, Customs tariff No. (EU): 85363010, Gross weight: 183.00 g, PU: 1.00 pz.


Images

Additional information

Limitatori di sovratensione DEHNpipe DPI CD EXD
Limitatore di sovratensione Tipo 2 / P2 DEHNpipe secondo EN 61643-11 in esecuzione resistente alle esplosioni, con circuito di protezione con basso valore capacitivo, per l'impiego in zone con pericolo d'esplosione per la protezione di circuiti e sistemi bus.
INOX (V4A), costruzione in IP 67 in esecuzione resistente alla pressione Ex (d)
Tensione massima continuativa DC: 32 V
Corrente nominale: 0,55 A
C2 Corrente impulsiva nominale di scarica (8/20 µs) complessiva: 10 kA
Frequenza limite filo-filo: 67 MHz

Fabbricato: DEHN
Tipo: DPI CD EXD 24 N
Art.: 929964
o similare.

Certificates

 

Technical data

Classe SPD T
Tensione massima continuativa DC (UC ) 32 V
Corrente nominale (IL ) 0,55 A
D1 Correnze impulsiva di fulmine (10/350 µs) filo-PG (Iimp ) 1 kA
C2 Corrente impulsiva nominale di scarica (8/20 µs) complessiva (In ) 10 kA
Frequenza limite filo-filo (fG ) 67 MHz
Montaggio lato campo / apparecchio filetto esterno 1/2-14 NPT
Omologazioni ATEX, IECEx, CCC, CSA & USA Hazloc, SIL
*) per dettagli vedasi: www.dehn.it

Product 929964 was added to Notepad.

Product 929964 was added to the cart.


DPI CD HF EXD

Limitatore di sovratensione in esecuzione resistente alle esplosioni con circuito di protezione con basso valore capacitivo ed energeticamente coordinato, per l'impiego in zone con pericolo d'esplosione per la protezione di circuiti e sistemi bus.

1 Product

Part No. 929971 DPI CD HF EXD 5 M

GTIN 4013364120761, Customs tariff No. (EU): 85363010, Gross weight: 285.60 g, PU: 1.00 pz.


Images

Additional information

Limitatori di sovratensione DEHNpipe DPI CD HF EXD
Limitatore di sovratensione Tipo 2 / Classe II DEHNpipe secondo EN 61643-11 in esecuzione resistente alle esplosioni con circuito di protezione con basso valore capacitivo ed energeticamente coordinato, per l'impiego in zone con pericolo d'esplosione per la protezione di circuiti e sistemi bus.
INOX (V4A), costruzione in IP 67 in esecuzione resistente alla pressione Ex (d)
Tensione massima continuativa DC: 6 V
Corrente nominale con 80 °C: 0,1 A
C2 Corrente impulsiva nominale di scarica (8/20 µs) complessiva: 20 kA
Frequenza limite filo-filo: 100 MHz

Fabbricato: DEHN
Tipo: DPI CD HF EXD 5 M
Art.: 929971
o similare.

Certificates

 

Technical data

Classe SPD T
Tensione massima continuativa DC (UC ) 6 V
Corrente nominale con 80 °C (IL ) 0,1 A
C2 Corrente impulsiva nominale di scarica (8/20 µs) complessiva (In ) 20 kA
Frequenza limite filo-filo (fG ) 100 MHz
Montaggio lato campo / apparecchio filetto esterno M20 x 1,5
Omologazioni ATEX, IECEx, CCC, CSA & USA Hazloc, SIL
*) per dettagli vedasi: www.dehn.it

Product 929971 was added to Notepad.

Product 929971 was added to the cart.


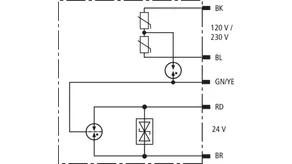
DPI CD EXD 230 24

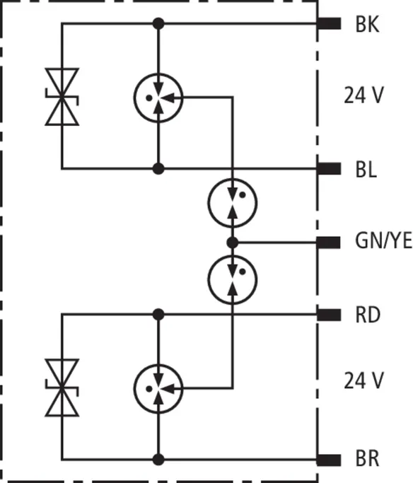
Limitatore di sovratensione in esecuzione doppia per il lato energia e dati. Esecuzione resistente alle esplosioni per l'impiego in zone con pericolo d'esplosione in zona 1 e 2, per la protezione di una linea di alimentazione 120 / 230 V e una interfaccia a 24 V di apprecchi in campo.
Maggiore sicurezza contro le inversioni di collegamento, grazie al circuito di protezione a Y per il lato alimentazione a 120 / 230 V.

Applicazione universale in zona ex 1 e 2 grazie all'esecuzione II 2 G Ex d IIC T5/T6. Omologato secondo CSA e USA Hazloc-Standard.

2 Products

Part No. 929969 DPI CD EXD 230 24 M

GTIN 4013364127418, Customs tariff No. (EU): 85363010, Gross weight: 280.00 g, PU: 1.00 pz.


Images

Additional information

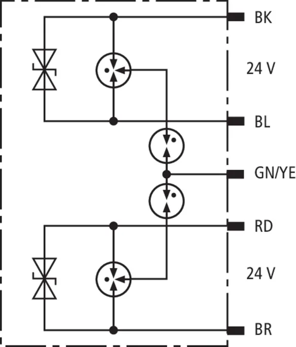
Doppio limitatore di sovratensione DEHNpipe CD Ex (d) DPI CD EXD 230 24 M
Doppio limitatore di sovratensione
della classe SPD tipo 2 e tipo 2 / P2
DEHNpipe, collaudato secondo
EN 61643-11 e -21, in V2A, IP 67,
nella versione Ex (d),
da avvitare su apparecchi in campo
con collegamento per l'alimentazione elettrica e tecnologia di misurazione a 2 conduttori,
Protezione parallela di un'alimentazione di rete a 230 V
e di un'interfaccia 0/4-20 mA
nella zona Ex 1 o 2.
Tensione massima continuativa DC: 32 V
Corrente nominale con 80 °C: 0,55 A
C2 Corrente impulsiva nominale di scarica (8/20 µs) complessiva: 10 kA

Fabbricato: DEHN
Tipo: DPI CD EXD 230 24 M
Art.: 929969
o similare.

Certificates

 

Technical data

Protezione del lato dati
Classe SPD U
Tensione massima continuativa DC (UC ) 32 V
Corrente nominale con 80 °C (IL ) 0,55 A
D1 Corrente impulsiva di fulmine (10/350 µs) filo-PG (Iimp ) 1 kA
C2 Corrente impulsiva nominale di scarica (8/20 µs) complessiva (In ) 10 kA
Montaggio lato campo / apparecchio filetto esterno M20 x 1,5
Omologazioni ATEX, IECEx, CCC, CSA & USA Hazloc, SIL
*) dettagli vedasi: www.dehn.it
Protezione del lato alimentazione
SPD secondo EN 61643-11 / ... IEC 61643-11 Tipo 2 / Classe II
Tensione massima continuativa AC (UC ) 255 V
Corrente impulsiva di scarica complessiva (8/20 µs) L+N-PE (Itotal ) 5 kA
Livello di protezione L-N (UP ) ≤ 1,4 kV
Protezione max. di sovraccorente in rete 16 A gG oppure B 16 A

Product 929969 was added to Notepad.

Product 929969 was added to the cart.

Part No. 929970 DPI CD EXD 230 24 N

GTIN 4013364127425, Customs tariff No. (EU): 85363010, Gross weight: 273.00 g, PU: 1.00 pz.


Images

Additional information

Doppio limitatore di sovratensione DEHNpipe CD Ex (d) DPI CD EXD 230 24 N
Doppio limitatore di sovratensione
della classe SPD tipo 2 e tipo 2 / P2
DEHNpipe, collaudato secondo
EN 61643-11 e -21, in V2A, IP 67,
nella versione Ex (d),
da avvitare su apparecchi in campo
con collegamento per l'alimentazione elettrica e tecnologia di misurazione a 2 conduttori,
Protezione parallela di un'alimentazione di rete a 230 V
e di un'interfaccia 0/4-20 mA
nella zona Ex 1 o 2.
Tensione massima continuativa DC: 32 V
Corrente nominale con 80 °C: 0,55 A
C2 Corrente impulsiva nominale di scarica (8/20 µs) complessiva: 10 kA

Fabbricato: DEHN
Tipo: DPI CD EXD 230 24 N
Art.: 929970
o similare.

Certificates

 

Technical data

Protezione del lato dati
Classe SPD U
Tensione massima continuativa DC (UC ) 32 V
Corrente nominale con 80 °C (IL ) 0,55 A
D1 Corrente impulsiva di fulmine (10/350 µs) filo-PG (Iimp ) 1 kA
C2 Corrente impulsiva nominale di scarica (8/20 µs) complessiva (In ) 10 kA
Montaggio lato campo / apparecchio filetto esterno 1/2-14 NPT
Omologazioni ATEX, IECEx, CCC, CSA & USA Hazloc, SIL
*) dettagli vedasi: www.dehn.it
Protezione del lato alimentazione
SPD secondo EN 61643-11 / ... IEC 61643-11 Tipo 2 / Classe II
Tensione massima continuativa AC (UC ) 255 V
Corrente impulsiva di scarica complessiva (8/20 µs) L+N-PE (Itotal ) 5 kA
Livello di protezione L-N (UP ) ≤ 1,4 kV
Protezione max. di sovraccorente in rete 16 A gG oppure B 16 A

Product 929970 was added to Notepad.

Product 929970 was added to the cart.


DPI CD EXI+D 2X24

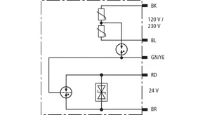
Limitatore di sovratensione in esecuzione resistente alle esplosioni, per l'impiego in zone con rischio d'esplosione, per la protezione di due interfacce 24 V.

2 Products

Part No. 929950 DPI CD EXI+D 2X24 M

GTIN 4013364137387, Customs tariff No. (EU): 85363010, Gross weight: 247.00 g, PU: 1.00 pz.


Images

Additional information

Doppio limitatore di sovratensione DEHNpipe CD EX (i) + Ex (d) DPI CD EXI+D 2X24 M
Limitatori di sovratensione
della classe SPD tipo 2 / P1
DEHNpipe, collaudato secondo
EN 61643-21, in V2A, IP 67,
in esecuzione Ex (i) + (d),
per la protezione di due
circuiti di segnale con separazione galvanica
oppure del circuito di alimentazione
dell’apparecchio in campo e del
circuito di segnale in zona Ex 1 o 2.
Tensione massima continuativa DC: 36 V
Corrente nominale: 0,55 A
C2 Corrente impulsiva nominale di scarica (8/20 µs) complessiva: 20 kA

Fabbricato: DEHN
Tipo: DPI CD EXI+D 2X24 M
Art.: 929950
o similare.

Certificates

 

Technical data

Classe SPD T
Tensione massima continuativa DC (UC ) 36 V
Corrente nominale (IL ) 0,55 A
D1 Correnze impulsiva di fulmine (10/350 µs) filo-PG (Iimp ) 1,5 kA
C2 Corrente impulsiva nominale di scarica (8/20 µs) complessiva (In ) 20 kA
Montaggio lato campo / apparecchio filetto esterno M20 x 1,5
Omologazioni ATEX, IECEx, CCC, CSA & USA Hazloc, SIL
*) per dettagli vedasi: www.dehn.it

Product 929950 was added to Notepad.

Product 929950 was added to the cart.

Part No. 929951 DPI CD EXI+D 2X24 N

GTIN 4013364137394, Customs tariff No. (EU): 85363010, Gross weight: 247.00 g, PU: 1.00 pz.


Images

Additional information

Limitatore di sovratensione DEHNpipe CD EX (i) + Ex (d) DPI CD EXI+D 2X24 N
Limitatori di sovratensione
della classe SPD tipo 2 / P1
DEHNpipe, collaudato secondo
EN 61643-21, in V2A, IP 67,
in esecuzione Ex (i) + (d),
da avvitare su apparecchi in campo
per la protezione di due
circuiti di segnale con separazione galvanica
oppure del circuito di alimentazione
dell’apparecchio in campo e del
circuito di segnale in zona Ex 1 o 2.
Tensione massima continuativa DC: 36 V
Corrente nominale: 0,55 A
C2 Corrente impulsiva nominale di scarica (8/20 µs) complessiva: 20 kA

Fabbricato: DEHN
Tipo: DPI CD EXI+D 2X24 N
Art.: 929951
o similare.

Certificates

 

Technical data

Classe SPD T
Tensione massima continuativa DC (UC ) 36 V
Corrente nominale (IL ) 0,55 A
D1 Correnze impulsiva di fulmine (10/350 µs) filo-PG (Iimp ) 1,5 kA
C2 Corrente impulsiva nominale di scarica (8/20 µs) complessiva (In ) 20 kA
Montaggio lato campo / apparecchio filetto esterno 1/2-14 NPT
Omologazioni ATEX, IECEx, CCC, CSA & USA Hazloc, SIL
*) per dettagli vedasi: www.dehn.it

Product 929951 was added to Notepad.

Product 929951 was added to the cart.


back to top