DEHNbox

Scaricatore per corrente di fulmine e limitatore di sovratensione
  • Portata di corrente di fulmine fino a 10 kA (10/350 μs)
  • Basso livello di protezione, adatto per la protezione di apparecchiature finali
  • Per l’impiego nel concetto di protezione da fulminazione a zone, ai passaggi 0A – 2 e maggiori
Manipolazione facile
  • Adatto per il montaggio a parete
  • Installazione facile e veloce tramite tecnica di fissaggio a molla
  • Permette una facile installazione successiva della protezione da sovratensioni
Sicuro in caso di installazione ed esercizio (DBX TC B 180)
  • Indicazione di funzionamento per manutenzione semplice
  • È possibile collegare RJ45 per una manutenzione semplice
  • Impiego universale fino a 1 Gbit

Details

Possibilità di allineamento di diversi dispositivi tramite tecnica d'innesto delle custodie (DBX TC B 180).
lorem ipsum
Morsetti Push-in per la connessione veloce senza attrezzi (DBX TC B 180)
lorem ipsum
Presa RJ45 sull'uscita per la connessione diretta sul router (DBX TC B 180).
lorem ipsum
Indicazione ottica di funzionamento (DBX TC B 180).
lorem ipsum

Further information

Similar topics


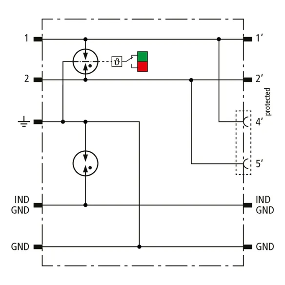
DBX TC B 180

Limitatore di sovratensione compatto, esecuzione stretta, in scatola in materiale plastico per montaggio a vista con tecnica di collegamento Push-in e indicazione di funzionamento per la protezione di una coppia di fili con separazione galvanica di interfacce simmetriche in particolare per interfacce di telecomunicazione fino a VVDSL e G.fast (fino a 1 Gbit/s). Possibilità di schermatura diretta/ indiretta. Sul lato in uscita, a scelta, collegamento di una coppia di fili o di una linea patch con presa RJ45.

I test della Deutsche Telekom Technik GmbH confermano la compatibilità con Vectoring-VDSL (VVDSL), Super-Vectoring-VDSL (SVVDSL) und G.Fast.

1 Product

Part No. 922220 DBX TC B 180

GTIN 4013364433953, Customs tariff No. (EU): 85363030, Gross weight: 93.63 g, PU: 1.00 pz.

Predecessor

Images

Additional information

Scaricatore per corrente di fulmine compatto DEHNbox DBX TC 180
Scaricatore compatto componibile Tipo 1 / P2,
per la protezione di una coppia di fili
di interfacce per le telecomunicazioni
con tecnica di collegamento rapido senza ausilio di utensili,
pressacavo integrato e indicazione di funzionamento

Corrente nominale a 40 °C: 1 A
D1 Corrente impulsiva di fulmine (10/350 µs) complessiva: 7,5 kA
C2 Corrente impulsiva nominale di scarica (8/20 µs) complessiva: 20 kA

Fabbricato: DEHN
Tipo: DBX TC B 180
Art.: 922220
o similare.

Certificates

 

Technical data

Classe SPD L
Tensione massima continuativa DC (UC ) 180 V
Corrente nominale a 40 °C (IL ) 1 A
D1 Corrente impulsiva di fulmine (10/350 µs) complessiva (Iimp ) 7,5 kA
C2 Corrente impulsiva nominale di scarica (8/20 µs) complessiva (In ) 20 kA
Impedenza longitudinale per filo 0 Ohm
Frequenza limite filo-filo (100 Ohm) (fG ) 425 MHz

Product 922220 was added to Notepad.

Product 922220 was added to the cart.


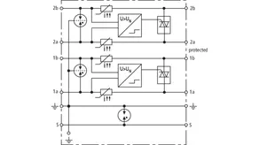
DBX U4 KT BD S 0-180

Scaricatore combinato in scatola in materiale plastico per montaggio a parete, con tecnologia actiVsense, per la protezione di 2 coppie di fili di interfacce simmetriche con separazione galvanica, a tensione uguale oppure diversa, con possibilità della messa a terra diretta oppure indiretta.

1 Product

Part No. 922400 DBX U4 KT BD S 0-180

GTIN 4013364137349, Customs tariff No. (EU): 85363010, Gross weight: 251.70 g, PU: 1.00 pz.


Images

Additional information

Scaricatore combinato compatto DEHNbox DBX U4 KT BD S 0-180
Scaricatore per corrente di fulmine universale
Tipo 1 / P1, con tecnologia actiVsense
per il riconoscimento automatico della tensione d'esercizio e adattamento ottimale
del livello di protezione, provato secondo CEI EN 61643-21 e
coordinamento energetico secondo IEC 61643-22
per la protezione di due coppie di fili per interfacce
simmetriche con separazione galvanica, è possibile scegliere tra
schermatura indiretta e diretta
Tensione d'esercizio UN: 0-180 V
Modulazione di ampiezza della tensione di segnale: ≤ +/- 5 V
Corrente nominale (equivale a corrente max di corto circuito): 100 mA
D1 Corrente impulsiva di fulmine (10/350 µs) complessiva: 10 kA
C2 Corrente impulsiva nominale di scarica (8/20 µs) complessiva: 20 kA

Fabbricato: DEHN
Tipo: DBX U4 KT BD S 0-180
Art.: 922400
o similare.

Certificates

 

Technical data

Classe SPD M
Tensione massima continuativa DC (UC ) 180 V
Modulazione di ampiezza della tensione di segnale (Usegnale ) ≤ +/- 5 V
Frequenza limite filo-filo (Usegnale, simmetrica 100 Ohm) (fG ) 50 MHz
Corrente nominale (equivale a corrente max di corto circuito) (IL ) 100 mA
D1 Corrente impulsiva di fulmine (10/350 µs) complessiva (Iimp ) 10 kA
C2 Corrente impulsiva nominale di scarica (8/20 µs) complessiva (In ) 20 kA
Impedenza longitudinale per filo ≤ 9 Ohm; tipicamente 7,9 Ohm
Dimensioni (lu x la x sp ) 93 x 93 x 55 mm

Product 922400 was added to Notepad.

Product 922400 was added to the cart.


back to top