DEHNrail modular, multipolare

  • Limitatore di sovratensione tetrapolare composto da elemento base e modulo di protezione innestabile
  • Elevata capacità di scarica tramite combinazione di potenti varistori all'ossido di zinco / spinterometri
  • Coordinamento energetico nella famiglia di prodotto Red/Line
  • Indicazione di funzionamento / guasto tramite marcatura verde / rossa nella finestrella
  • Sostituzione semplice, senza attrezzi, del modulo di protezione tramite sistema di blocco e tasto di sblocco modulo
  • Corrente di carico nominale 25 A
  • Provato contro vibrazioni e shock secondo EN 60068-2

Details

lorem ipsum

DEHNrail M 4P ... (FM)

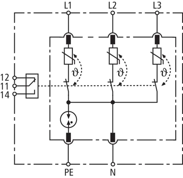
Limitatore di sovratensione tetrapolare, composto da elemento base e modulo di protezione innestabile per sistemi 230 / 400 V, nell'esecuzione con contatto di scambio pulito per il telesegnalamento.

2 Products

Part No. 953400 DR M 4P 255

GTIN 4013364115767, Customs tariff No. (EU): 85363030, Gross weight: 168.20 g, PU: 1.00 pz.

Predecessor

Images

Additional information

Limitatore di sovratensione tetrapolare DEHNrail M 4P 255
Limitatore di sovratensione tetrapolare, modulare, innestabile
per la protezione di utenze finale dell'elettronica industriale
Dimensioni: 2 unità, indicazione di guasto
SPD Tipo 3 secondo CEI EN 61643-11
Massima tensione continuativa: 255/440 V AC
Corrente max. complessiva di scarica: 8 kA
Livello di protezione [L-N]: <= 1 kV
Protezione di corrente max lato rete:
25 A gG o B 25 A
Coordinamento energetico secondo CEI EN 62305-4
SPD della famiglia di prodotti Red/Line

Fabbricato: DEHN
Tipo: DR M 4P 255
Art.: 953400
o similare.

Certificates

 

Technical data

SPD secondo EN 61643-11 / ... IEC 61643-11 Tipo 3 / Class III
Tensione massima continuativa AC (UC ) 255 / 440 V (50 / 60 Hz)
Corrente impulsiva nominale di carica (8/20 µs) (In ) 3 kA
Corrente max complessiva di scarica (8/20 µs) [L1+L2+L3+N-PE] (Itotal ) 8 kA
Livello di protezione [L-N] / [L/N-PE] (UP ) ≤ 1000 / ≤ 1500 V
Protezione di corrente max lato rete 25 A gG o B 25 A
Omologazioni KEMA, VDE

Product 953400 was added to Notepad.

Product 953400 was added to the cart.

Part No. 953405 DR M 4P 255 FM

GTIN 4013364115774, Customs tariff No. (EU): 85363030, Gross weight: 171.90 g, PU: 1.00 pz.

Predecessor

Images

Additional information

Limitatore di sovratensione tetrapolare DEHNrail M 4P 255 FM
Limitatore di sovratensione tetrapolare, modulare, innesatbile
per la protezione di utenze finali dell'elettronica industriale
Dimensioni: 2 unità, indicazione di guasto
Con contatto di telesegnalamento
SPD Tipo 3 secondo CEI EN 61643-11
Massima tensione continuativa: 255/440 V AC
Corrente max. complessiva di scarica: 8 kA
Livello di protezione (L-N): <= 1 kV
Protezione di corrente max lato rete:
25 A gG o B 25 A
Coordinamento energetico secondo CEI EN 62305-4
SPD della famiglia di prodotti Red/Line

Fabbricato: DEHN
Tipo: DR M 4P 255 FM
Art.: 953405
o similare.

Certificates

 

Technical data

SPD secondo EN 61643-11 / ... IEC 61643-11 Tipo 3 / Class III
Tensione massima continuativa AC (UC ) 255 / 440 V (50 / 60 Hz)
Corrente impulsiva nominale di carica (8/20 µs) (In ) 3 kA
Corrente max complessiva di scarica (8/20 µs) [L1+L2+L3+N-PE] (Itotal ) 8 kA
Livello di protezione [L-N] / [L/N-PE] (UP ) ≤ 1000 / ≤ 1500 V
Protezione di corrente max lato rete 25 A gG o B 25 A
Omologazioni KEMA, VDE
Contatto FM / forma contatto scambio pulito

Product 953405 was added to Notepad.

Product 953405 was added to the cart.


DEHNrail M 4P SN1872 FM

Modulo di protezione da sovratensioni tetrapolare costituito da base e modulo di protezione innestato; con contatto di telesegnalamento a scambio pulito. Possibilità d’impiego in impianti con fusibile fino a 32 A.

1 Product

Part No. 953406 DR M 4P 255 SN1872 FM

GTIN 4013364353060, Customs tariff No. (EU): 85363030, Gross weight: 171.90 g, PU: 1.00 pz.


Images

Additional information

Limitatore di sovratensione tetrapolare DEHNrail DR M 4P 255 SN1872 FM
Limitatore di sovratensione tetrapolare, modulare, innestabile
per la protezione di utenze finali dell'elettronica industriale
Dimensioni: 2 unità, indicazione di guasto
Con contatto di telesegnalamento
SPD Tipo 3 secondo CEI EN 61643-11
Massima tensione continuativa: 255/440 V AC
Corrente max. complessiva di scarica: 8 kA
Livello di protezione (L-N): <= 1 kV
Protezione di corrente max. lato rete:
32 A gG o B 32 A
Coordinamento energetico secondo CEI EN 62305-4
SPD della famiglia di prodotti Red/Line

Fabbricato: DEHN
Tipo: DR M 4P 255 SN1872 FM
Art.: 953406
o similare.

Certificates

 

Technical data

SPD secondo EN 61643-11 / ... IEC 61643-11 Tipo 3 / Class III
Tensione massima continuativa AC (UC ) 255 / 440 V (50 / 60 Hz)
Corrente impulsiva nominale di carica (8/20 µs) (In ) 3 kA
Corrente max complessiva di scarica (8/20 µs) [L1+L2+L3+N-PE] (Itotal ) 8 kA
Livello di protezione [L-N] / [L/N-PE] (UP ) ≤ 1000 / ≤ 1500 V
Protezione di corrente max lato rete 32 A gG o B 32 A
Contatto FM / forma contatto scambio pulito

Product 953406 was added to Notepad.

Product 953406 was added to the cart.


back to top