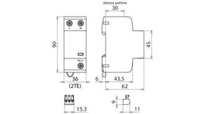
DEHNshield

  • Scaricatore combinato Tipo 1 + Tipo 2 spinterometrico, pronto per il cablaggio ed ottimizzato nell'applicazione
  • La tecnologia spinterometrica per utilizzo in spazi ristretti con solo 1 unità / polo permette un'esecuzione compatta
  • Soddisfa i requisiti minimi per la capacità di scarica di corrente di fulmine secondo CEI 64-8
  • Permette l'equipotenzialità antifulmine compatta compresa la protezione di utenze finali
  • Capacità di scarica di corrente di fulmine fino a 50 kA (10/350 µs)
  • Indicazione di funzionamento / guasto tramite marcatura verde / rossa nella finestrella
  • Elevata capacità di limitazione della corrente susseguente (Ifi = 25 kAeff)

Details

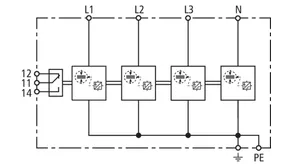
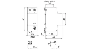
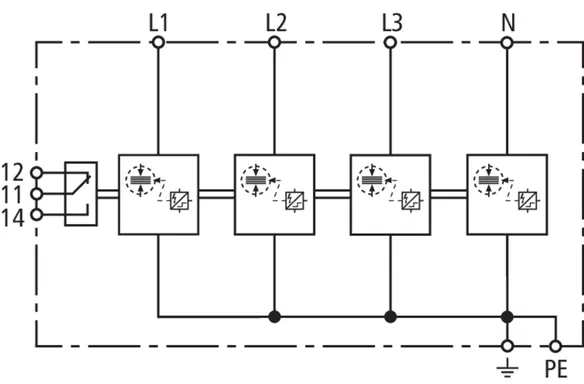
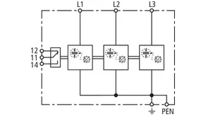
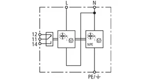
Cablaggio passante a "V" con morsetto di collegamento a perno STAK 25 provato con corrente di fulmine.
lorem ipsum


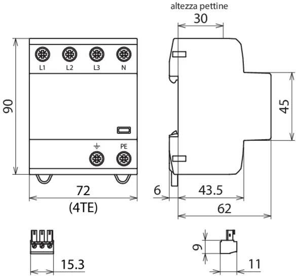
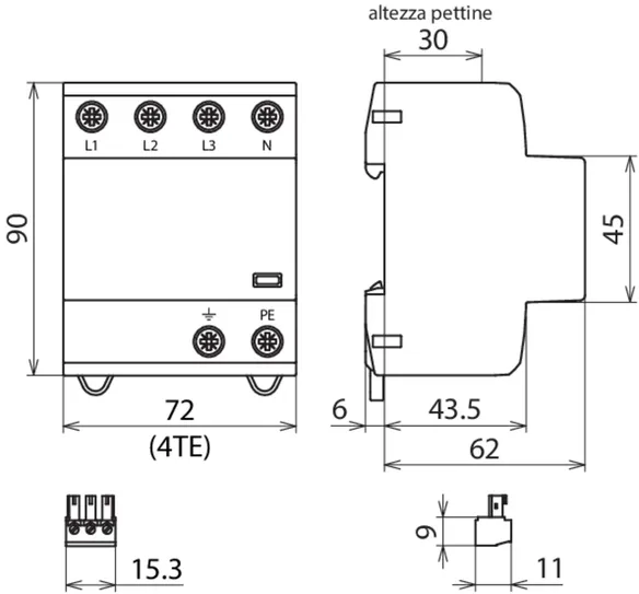
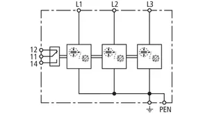
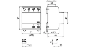
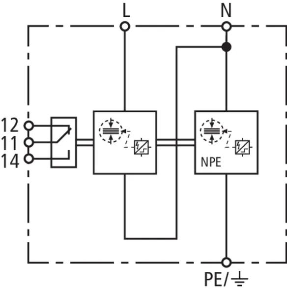
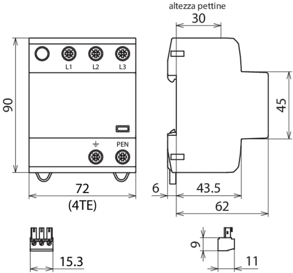
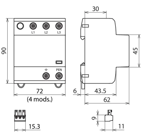
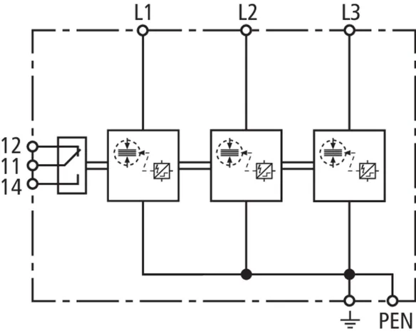
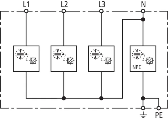
DEHNshield TNC

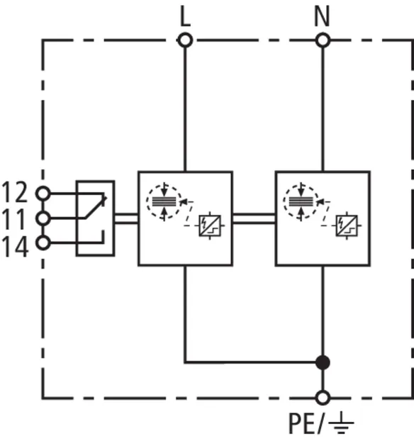
Scaricatore combinato per reti TN-C con tensione nominale 230 / 400 V (circuito 3-0), pronto per il cablaggio ed ottimizzato nell'applicazione.

1 Product

Part No. 941300 DSH TNC 255

GTIN 4013364133556, Customs tariff No. (EU): 85363090, Gross weight: 415.80 g, PU: 1.00 pz.


Images

Additional information

Scaricatore combinato DEHNshield TNC 255
Scaricatore combinato per reti TN-C
con tensione nominale 230 / 400 V
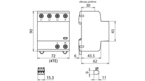
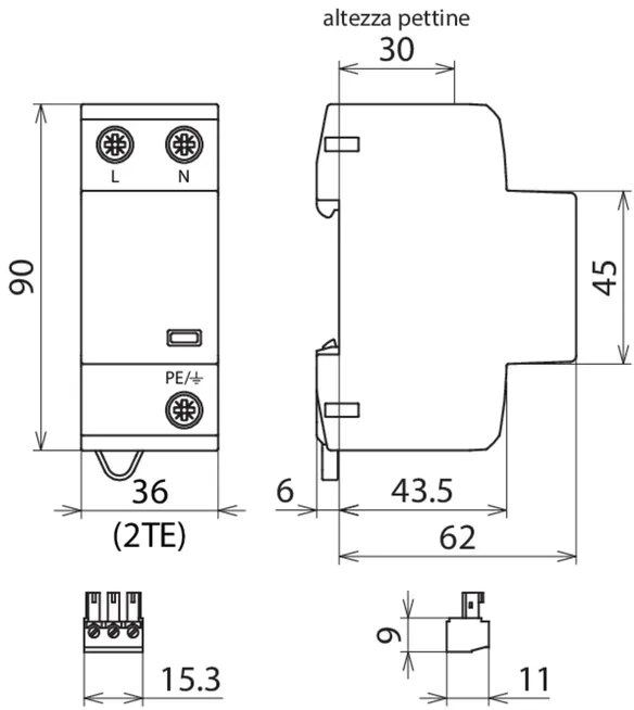
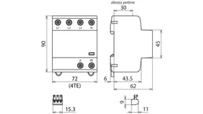
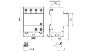
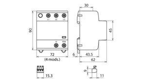
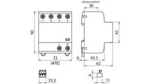
Dimensioni: 4 unità
SPD Tipo 1 + Tipo 2 secondo CEI EN 61643-11
Ottimizzato nell'applicazione permette un'esecuzione
compatta per utilizzo in spazi ristretti
Tecnologia spinterometrica per la limitazione
della corrente susseguente
Indicazione di guasto
Tensione massima continuativa: 255 V AC
Livello di protezione: ≤ 1,5 kV
Corrente impulsiva di fulmine (10/350 µs): 37,5 kA
Coordinamento energetico secondo CEI EN 62305-4
SPD della famiglia di prodotti Red/Line

Fabbricato: DEHN
Tipo: DSH TNC 255
Art.: 941300
o similare.

Certificates

 

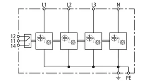
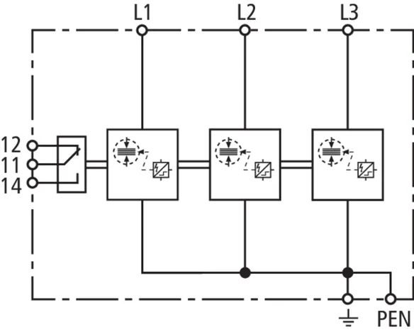
Wave breaker function

In the case of spark-gap-based type 1 arresters, the entire current flows through the type 1 arrester during the discharge process. Like a wave breaker, the incoming energy is greatly broken down, which significantly relieves the downstream SPDs. All type 1 arresters in the Red/Line product range feature the WBF wave breaker function.

Technical data

SPD secondo CEI EN 61643-11 / ...IEC 61643-11 Tipo 1 + Tipo 2 / Classe I + Classe II
Tensione massima continuativa AC (UC ) 255 V (50 / 60 Hz)
Corrente impulsiva di fulmine (10/350 µs) [L1+L2+L3-PEN] (Itotal ) 37,5 kA
Corrente impulsiva di fulmine (10/350 µs) [L-PEN] (Iimp ) 12,5 kA
Livello di protezione (UP ) ≤ 1,5 kV
Protezione max da sovraccorrente in rete 160 A gG
Omologazioni KEMA, VDE, UL

Product 941300 was added to Notepad.

Product 941300 was added to the cart.


DEHNshield TNC FM

Scaricatore combinato per reti TN-C con tensione nominale 230 / 400 V (circuito 3+0), pronto per il cablaggio ed ottimizzato nell'applicazione; con contatto di telesegnalamento a scambio pulito.

1 Product

Part No. 941305 DSH TNC 255 FM

GTIN 4013364275317, Customs tariff No. (EU): 85363090, Gross weight: 420.60 g, PU: 1.00 pz.


Images

Additional information

Scaricatore combinato DEHNshield TNC 255 FM
Scaricatore combinato per reti TN-C
con tensione nominale 230 / 400 V
Con contatto di scambio pulito per il telesegnalamento
Dimensioni: 4 unità
SPD Tipo 1 + Tipo 2 secondo CEI EN 61643-11
Ottimizzato nell'applicazione permette un'esecuzione
compatta per utilizzo in spazi ristretti
Tecnologia spinterometrica per la limitazione
della corrente susseguente
Indicazione di guasto
Tensione massima continuativa: 255 V AC
Livello di protezione: ≤ 1,5 kV
Corrente impulsiva di fulmine (10/350 µs): 37,5 kA
Coordinamento energetico secondo CEI EN 62305-4
SPD della famiglia di prodotti Red/Line

Fabbricato: DEHN
Tipo: DSH TNC 255 FM
Art.: 941305
o similare.

Certificates

 

Wave breaker function

In the case of spark-gap-based type 1 arresters, the entire current flows through the type 1 arrester during the discharge process. Like a wave breaker, the incoming energy is greatly broken down, which significantly relieves the downstream SPDs. All type 1 arresters in the Red/Line product range feature the WBF wave breaker function.

Technical data

SPD secondo CEI EN 61643-11 / ...IEC 61643-11 Tipo 1 + Tipo 2 / Classe I + Classe II
Tensione massima continuativa AC (UC ) 255 V (50 / 60 Hz)
Corrente impulsiva di fulmine (10/350 µs) [L1+L2+L3-PEN] (Itotal ) 37,5 kA
Corrente impulsiva di fulmine (10/350 µs) [L-PEN] (Iimp ) 12,5 kA
Livello di protezione (UP ) ≤ 1,5 kV
Protezione max da sovraccorrente in rete 160 A gG
Omologazioni KEMA, VDE
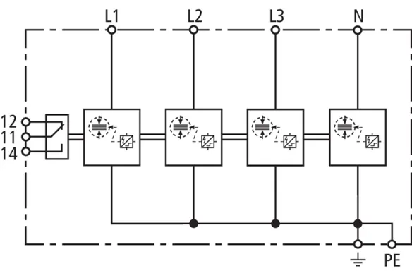
Contatti FM / forma contatto scambio pulito

Product 941305 was added to Notepad.

Product 941305 was added to the cart.


DEHNshield TNC Basic FM

Scaricatore combinato per reti TN-C, pronto per il cablaggio ed ottimizzato nell'applicazione per l'impiego nella distribuzione principale (circuito 3+0) in edifici residenziali senza impianto parafulmine esterno (anche con alimentazione della linea aerea); con contatto di telesegnalamento a scambio pulito.

1 Product

Part No. 941306 DSH B TNC 255 FM

GTIN 4013364328068, Customs tariff No. (EU): 85363090, Gross weight: 422.00 g, PU: 1.00 pz.


Images

Additional information

Scaricatore combinato DEHNshield B TNC 255 FM
Scaricatore combinato a 3 poli per impianti TN C 230/400 V
con contatto di telesegnalamento, larghezza 4 unità
Scaricatore Tipo 1+ Tipo 2 secondo CEI EN 61643-11
Soddisfa tutti i requisiti della CEI 64-8 e della DIN VDE 0100-443
Tecnologia spinterometrica con limitazione di corrente susseguente
Visualizzazione di guasto
Tensione continua massima: 225 V AC
Livello di protezione: <= 1,5 kV
Corrente impulsiva di fulmine (10/350): 22,5 kA
Coordinazione energetica secondo DIN EN 62305-4
Scaricatore della famiglia Red/Line, oltre che
direttamente sull'apparecchio terminale

Fabbricato: DEHN
Tipo: DSH B TNC 255 FM
Art.: 941306
o similare.

Certificates

 

Wave breaker function

In the case of spark-gap-based type 1 arresters, the entire current flows through the type 1 arrester during the discharge process. Like a wave breaker, the incoming energy is greatly broken down, which significantly relieves the downstream SPDs. All type 1 arresters in the Red/Line product range feature the WBF wave breaker function.

Technical data

SPD secondo CEI EN 61643-11 / ...IEC 61643-11 Tipo 1 + Tipo 2 / Classe I + Classe II
Tensione massima continuativa AC (UC ) 255 V (50 / 60 Hz)
Corrente impulsiva di fulmine (10/350 µs) [L1+L2+L3-PEN] (Itotal ) 22,5 kA
Corrente impulsiva di fulmine (10/350 µs) [L-PEN] (Iimp ) 7,5 kA
Livello di protezione (UP ) ≤ 1,5 kV
Protezione max da sovraccorrente in rete 160 A gG
Omologazioni VDE
Contatti FM / forma contatto scambio pulito

Product 941306 was added to Notepad.

Product 941306 was added to the cart.


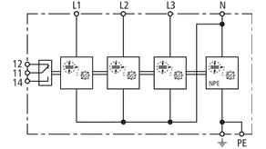
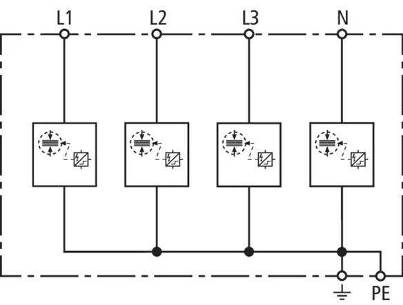
DEHNshield TNS

Scaricatore combinato per reti TN-S con tensione nominale 230 / 400 V (circuito 4+0), pronto per il cablaggio ed ottimizzato nell'applicazione.

1 Product

Part No. 941400 DSH TNS 255

GTIN 4013364133563, Customs tariff No. (EU): 85363090, Gross weight: 555.00 g, PU: 1.00 pz.


Images

Additional information

Scaricatore combinato DEHNshield TNS 255
Scaricatore combinato per reti TN-C
con tensione nominale 230 / 400 V
Dimensioni: 4 unità
SPD Tipo 1 + Tipo 2 secondo CEI EN 61643-11
Ottimizzato nell'applicazione permette un'esecuzione
compatta per utilizzo in spazi ristretti
Indicazione di guasto
Tensione massima continuativa: 255 V AC
Livello di protezione: ≤ 1,5 kV
Corrente impulsiva di fulmine (10/350 µs): 50 kA
Coordinamento energetico secondo CEI EN 62305-4
SPD della famiglia di prodotti Red/Line

Fabbricato: DEHN
Tipo: DSH TNS 255
Art.: 941400
o similare.

Certificates

 

Wave breaker function

In the case of spark-gap-based type 1 arresters, the entire current flows through the type 1 arrester during the discharge process. Like a wave breaker, the incoming energy is greatly broken down, which significantly relieves the downstream SPDs. All type 1 arresters in the Red/Line product range feature the WBF wave breaker function.

Technical data

SPD secondo CEI EN 61643-11 / ...IEC 61643-11 Tipo 1 + Tipo 2 / Classe I + Classe II
Tensione massima continuativa AC (UC ) 255 V (50 / 60 Hz)
Corrente impulsiva di fulmine (10/350 µs) [L1+L2+L3+N-PE] (Itotal ) 50 kA
Corrente impulsiva di fulmine (10/350 µs) [L, N-PE] (Iimp ) 12,5 kA
Livello di protezione [L-PE]/[N-PE] (UP ) ≤ 1,5 / ≤ 1,5 kV
Protezione max da sovraccorrente in rete 160 A gG
Omologazioni KEMA, VDE, UL

Product 941400 was added to Notepad.

Product 941400 was added to the cart.


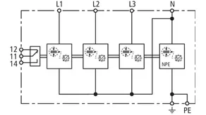
DEHNshield TNS FM

Scaricatore combinato per reti TN-C con tensione nominale 230 / 400 V (circuito 4+0), pronto per il cablaggio ed ottimizzato nell'applicazione; con contatto di telesegnalamento a scambio pulito.

1 Product

Part No. 941405 DSH TNS 255 FM

GTIN 4013364275331, Customs tariff No. (EU): 85363090, Gross weight: 488.30 g, PU: 1.00 pz.


Images

Additional information

Scaricatore combinato DEHNshield TNS 255 FM
Scaricatore combinato per reti TN-C c
on tensione nominale 230 / 400 V
Con contatto di scambio pulito per il telesegnalamento
Dimensioni: 4 unità
SPD Tipo 1 + Tipo 2 secondo CEI EN 61643-11
Ottimizzato nell'applicazione permette un'esecuzione
compatta per utilizzo in spazi ristretti
Indicazione di guasto
Tensione massima continuativa: 255 V AC
Livello di protezione: ≤ 1,5 kV
Corrente impulsiva di fulmine (10/350 µs): 50 kA
Coordinamento energetico secondo CEI EN 62305-4
SPD della famiglia di prodotti Red/Line

Fabbricato: DEHN
Tipo: DSH TNS 255 FM
Art.: 941405
o similare.

Certificates

 

Wave breaker function

In the case of spark-gap-based type 1 arresters, the entire current flows through the type 1 arrester during the discharge process. Like a wave breaker, the incoming energy is greatly broken down, which significantly relieves the downstream SPDs. All type 1 arresters in the Red/Line product range feature the WBF wave breaker function.

Technical data

SPD secondo CEI EN 61643-11 / ...IEC 61643-11 Tipo 1 + Tipo 2 / Classe I + Classe II
Tensione massima continuativa AC (UC ) 255 V (50 / 60 Hz)
Corrente impulsiva di fulmine (10/350 µs) [L1+L2+L3+N-PE] (Itotal ) 50 kA
Corrente impulsiva di fulmine (10/350 µs) [L, N-PE] (Iimp ) 12,5 kA
Livello di protezione [L-PE]/[N-PE] (UP ) ≤ 1,5 / ≤ 1,5 kV
Protezione max da sovraccorrente in rete 160 A gG
Omologazioni KEMA, VDE
Contatti FM / forma contatto scambio pulito

Product 941405 was added to Notepad.

Product 941405 was added to the cart.


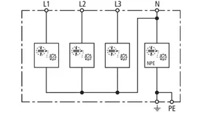
DEHNshield TNS Basic FM

Scaricatore combinato per reti TN-S, pronto per il cablaggio ed ottimizzato nell'applicazione per l'impiego in sistema di alimentazione principale (circuito 4+0) in edifici residenziali senza impianto parafulmine esterno (anche con alimentazione della linea aerea); con contatto di telesegnalamento a scambio pulito.

1 Product

Part No. 941406 DSH B TNS 255 FM

GTIN 4013364328082, Customs tariff No. (EU): 85363090, Gross weight: 489.00 g, PU: 1.00 pz.


Images

Additional information

Scaricatore combinato DEHNshield B TNC 255 FM
Scaricatore combinato a 4 poli per
impianti TN(C)-S 230/400 V, larghezza 4 unità
con contatto di telesegnalamento
Scaricatore Tipo 1+ Tipo 2 secondo CEI EN 61643-11
Soddisfa tutti i requisiti della CEI 64-8 e della DIN VDE 0100-443
Tecnologia spinterometrica con limitazione di corrente susseguente
Visualizzazione di guasto
Tensione continua massima: 225 V AC
Livello di protezione: <= 1,5 kV
Corrente impulsiva di fulmine (10/350): 30 kA
Coordinazione energetica secondo DIN EN 62305-4
Scaricatore della famiglia Red/Line,
oltre che direttamente sull'apparecchio terminale

Fabbricato: DEHN
Tipo: DSH B TNS 255 FM
Art.: 941406
o similare.

Certificates

 

Wave breaker function

In the case of spark-gap-based type 1 arresters, the entire current flows through the type 1 arrester during the discharge process. Like a wave breaker, the incoming energy is greatly broken down, which significantly relieves the downstream SPDs. All type 1 arresters in the Red/Line product range feature the WBF wave breaker function.

Technical data

SPD secondo CEI EN 61643-11 / ...IEC 61643-11 Tipo 1 + Tipo 2 / Classe I + Classe II
Tensione massima continuativa AC (UC ) 255 V (50 / 60 Hz)
Corrente impulsiva di fulmine (10/350 µs) [L1+L2+L3+N-PE] (Itotal ) 30 kA
Corrente impulsiva di fulmine (10/350 µs) [L, N-PE] (Iimp ) 7,5 kA
Livello di protezione [L-PE]/[N-PE] (UP ) ≤ 1,5 / ≤ 1,5 kV
Protezione max da sovraccorrente in rete 160 A gG
Omologazioni VDE
Contatti FM / forma contatto scambio pulito

Product 941406 was added to Notepad.

Product 941406 was added to the cart.


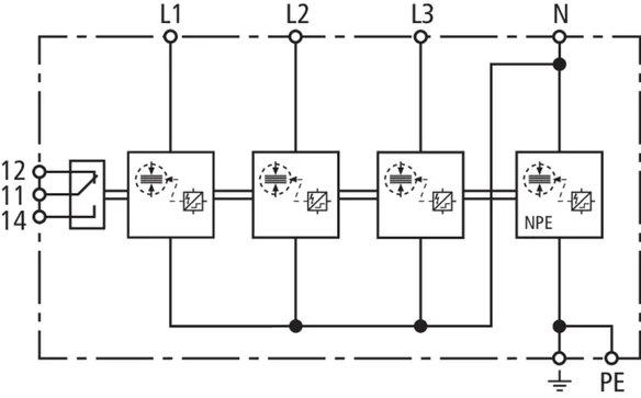
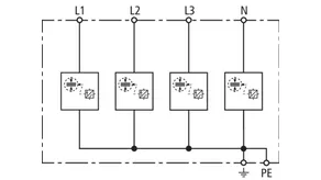
DEHNshield TT

Scaricatore combinato per reti TT e TN-S con tensione nominale 230 / 400 V (circuito 3+1), pronto per il cablaggio ed ottimizzato nell'applicazione.

1 Product

Part No. 941310 DSH TT 255

GTIN 4013364131798, Customs tariff No. (EU): 85363090, Gross weight: 509.90 g, PU: 1.00 pz.


Images

Additional information

Scaricatore combinato DEHNshield TT 255
Scaricatore combinato per reti TT e TN-S
con tensione nominale 230 / 400 V
Dimensioni: 4 unità
SPD Tipo 1 + Tipo 2 secondo CEI EN 61643-11
Ottimizzato nell'applicazione permette
un'esecuzione compatta per utilizzo in spazi ristretti
Tecnologia spinterometrica per la limitazione
della corrente susseguente
Indicazione di guasto
Tensione massima continuativa: 255 V AC
Livello di protezione: ≤ 1,5 kV
Corrente impulsiva di fulmine (10/350 µs): 50 kA
Coordinamento energetico secondo CEI EN 62305-4
SPD della famiglia di prodotti Red/Line

Fabbricato: DEHN
Tipo: DSH TT 255
Art.: 941310
o similare.

Certificates

 

Wave breaker function

In the case of spark-gap-based type 1 arresters, the entire current flows through the type 1 arrester during the discharge process. Like a wave breaker, the incoming energy is greatly broken down, which significantly relieves the downstream SPDs. All type 1 arresters in the Red/Line product range feature the WBF wave breaker function.

Technical data

SPD secondo CEI EN 61643-11 / ...IEC 61643-11 Tipo 1 + Tipo 2 / Classe I + Classe II
Tensione massima continuativa AC (UC ) 255 V (50 / 60 Hz)
Corrente impulsiva di fulmine (10/350 µs) [L1+L2+L3+N-PE] (Itotal ) 50 kA
Corrente impulsiva di fulmine (10/350 µs) [L-N]/[N-PE] (Iimp ) 12,5 / 50 kA
Livello di protezione [L-N]/[N-PE] (UP ) ≤ 1,5 / ≤ 1,5 kV
Protezione max da sovraccorrente in rete 160 A gG
Omologazioni KEMA, VDE, UL
Dati tecnici aggiuntivi: ---------------------------------
Livello di protezione [L-PE] (UP ) 2,0 kV

Product 941310 was added to Notepad.

Product 941310 was added to the cart.


DEHNshield TT FM

Scaricatore combinato per reti TT e TN-S con tensione nominale 230 / 400 V (circuito 3+1), pronto per il cablaggio ed ottimizzato nell'applicazione; con contatto di telesegnalamento a scambio pulito.

1 Product

Part No. 941315 DSH TT 255 FM

GTIN 4013364275324, Customs tariff No. (EU): 85363090, Gross weight: 508.80 g, PU: 1.00 pz.


Images

Additional information

Scaricatore combinato DEHNshield TT 255 FM
Scaricatore combinato per reti TT e TN-S
con tensione nominale 230 / 400 V
Con contatto di scambio pulito per il telesegnalamento
Dimensioni: 4 unità
SPD Tipo 1 + Tipo 2 secondo CEI EN 61643-11
Ottimizzato nell'applicazione permette
un'esecuzione compatta per utilizzo in spazi ristretti
Tecnologia spinterometrica per la limitazione
della corrente susseguente
Indicazione di guasto
Tensione massima continuativa: 255 V AC
Livello di protezione: ≤ 1,5 kV
Corrente impulsiva di fulmine (10/350 µs): 50 kA
Coordinamento energetico secondo CEI EN 62305-4
SPD della famiglia di prodotti Red/Line

Fabbricato: DEHN
Tipo: DSH TT 255 FM
Art.: 941315
o similare.

Certificates

 

Wave breaker function

In the case of spark-gap-based type 1 arresters, the entire current flows through the type 1 arrester during the discharge process. Like a wave breaker, the incoming energy is greatly broken down, which significantly relieves the downstream SPDs. All type 1 arresters in the Red/Line product range feature the WBF wave breaker function.

Technical data

SPD secondo CEI EN 61643-11 / ...IEC 61643-11 Tipo 1 + Tipo 2 / Classe I + Classe II
Tensione massima continuativa AC (UC ) 255 V (50 / 60 Hz)
Corrente impulsiva di fulmine (10/350 µs) [L1+L2+L3+N-PE] (Itotal ) 50 kA
Corrente impulsiva di fulmine (10/350 µs) [L-N]/[N-PE] (Iimp ) 12,5 / 50 kA
Livello di protezione [L-N]/[N-PE] (UP ) ≤ 1,5 / ≤ 1,5 kV
Protezione max da sovraccorrente in rete 160 A gG
Omologazioni KEMA, VDE
Contatti FM / forma contatto scambio pulito
Dati tecnici aggiuntivi: ---------------------------------
Livello di protezione [L-PE] (UP ) 2,0 kV

Product 941315 was added to Notepad.

Product 941315 was added to the cart.


DEHNshield TT Basic FM

Scaricatore combinato per reti TT e TN-S, precablato e ottimizzato per l’applicazione per l’impiego in sistema di alimentazione principale (circuito 3+1) in edifici residenziali senza parafulmine esterno (anche con alimentazione della linea aerea); con contatto di scambio pulito per il telesegnalamento.

1 Product

Part No. 941316 DSH B TT 255 FM

GTIN 4013364328075, Customs tariff No. (EU): 85363090, Gross weight: 510.00 g, PU: 1.00 pz.


Images

Additional information

Scaricatore combinato DEHNshield B TT 255 FM
Scaricatore combinato a 4 poli per impianti TT
e TN (C) -S, largheza 4 unità
con contatto di telesegnalamento
Scaricatore Tipo 1+ Tipo 2 secondo CEI EN 61643-11
Soddisfa tutti i requisiti della CEI 64-8 e della DIN VDE 0100-443
Tecnologia spinterometrica con limitazione
di corrente susseguente
Visualizzazione di guasto
Tensione continua massima: 225 V AC
Livello di protezione: <= 1,5 kV
Corrente impulsiva di fulmine (10/350): 30 kA
Coordinazione energetica secondo DIN EN 62305-4
Scaricatore della famiglia Red/Line,
oltre che direttamente sull'apparecchio terminale

Fabbricato: DEHN
Tipo: DSH B TT 255 FM
Art.: 941316
o similare.

Certificates

 

Wave breaker function

In the case of spark-gap-based type 1 arresters, the entire current flows through the type 1 arrester during the discharge process. Like a wave breaker, the incoming energy is greatly broken down, which significantly relieves the downstream SPDs. All type 1 arresters in the Red/Line product range feature the WBF wave breaker function.

Technical data

SPD secondo CEI EN 61643-11 / ...IEC 61643-11 Tipo 1 + Tipo 2 / Classe I + Classe II
Tensione massima continuativa AC (UC ) 255 V (50 / 60 Hz)
Corrente impulsiva di fulmine (10/350 µs) [L1+L2+L3+N-PE] (Itotal ) 30 kA
Corrente impulsiva di fulmine (10/350 µs) [L-N]/[N-PE] (Iimp ) 7,5 / 30 kA
Livello di protezione [L-N]/[N-PE] (UP ) ≤ 1,5 / ≤ 1,5 kV
Protezione max da sovraccorrente in rete 160 A gG
Omologazioni VDE
Contatti FM / forma contatto scambio pulito
Dati tecnici aggiuntivi: ---------------------------------
Livello di protezione [L-PE] (UP ) 2,0 kV

Product 941316 was added to Notepad.

Product 941316 was added to the cart.


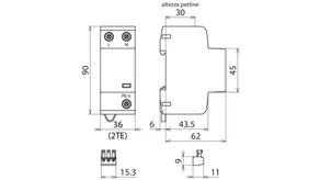
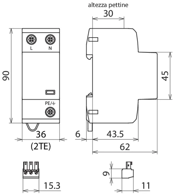
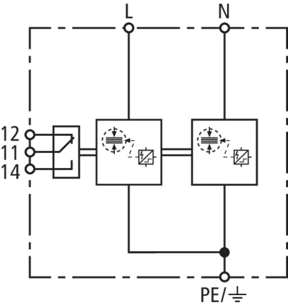
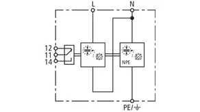
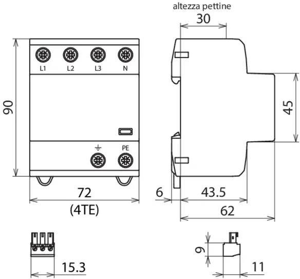
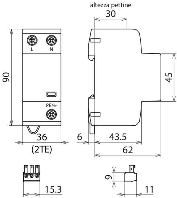
DEHNshield TN

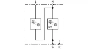
Scaricatore combinato per reti monofase TN con tensione nominale 230 V (circuito 2+0), pronto per il cablaggio ed ottimizzato nell'applicazione.

1 Product

Part No. 941200 DSH TN 255

GTIN 4013364138209, Customs tariff No. (EU): 85363090, Gross weight: 266.00 g, PU: 1.00 pz.


Images

Additional information

Scaricatore combinato DEHNshield TN 255
Scaricatore combinato per reti monofase TN
con tensione nominale 230 V
Dimensioni: 2 unità
SPD Tipo 1 + Tipo 2 secondo CEI EN 61643-11
Ottimizzato nell'applicazione permette
un'esecuzione compatta per utilizzo in spazi ristretti
Tecnologia spinterometrica per la limitazione
della corrente susseguente
Indicazione di guasto
Tensione massima continuativa: 255 V AC
Livello di protezione: ≤ 1,5 kV
Corrente impulsiva di fulmine (10/350 µs): 25 kA
Coordinamento energetico secondo CEI EN 62305-4
SPD della famiglia di prodotti Red/Line

Fabbricato: DEHN
Tipo: DSH TN 255
Art.: 941200
o similare.

Certificates

 

Wave breaker function

In the case of spark-gap-based type 1 arresters, the entire current flows through the type 1 arrester during the discharge process. Like a wave breaker, the incoming energy is greatly broken down, which significantly relieves the downstream SPDs. All type 1 arresters in the Red/Line product range feature the WBF wave breaker function.

Technical data

SPD secondo CEI EN 61643-11 / ...IEC 61643-11 Tipo 1 + Tipo 2 / Classe I + Classe II
Tensione massima continuativa AC (UC ) 255 V (50 / 60 Hz)
Corrente impulsiva di fulmine (10/350 µs) [L+N-PE] (Itotal ) 25 kA
Corrente impulsiva di fulmine (10/350 µs) [L, N-PE] (Iimp ) 12,5 kA
Livello di protezione [L-PE]/[N-PE] (UP ) ≤ 1,5 / ≤ 1,5 kV
Protezione max da sovraccorrente in rete 160 A gG
Omologazioni KEMA, VDE, UL

Product 941200 was added to Notepad.

Product 941200 was added to the cart.


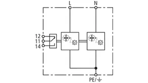
DEHNshield TN FM

Scaricatore combinato per reti monofase TN con tensione nominale 230 V (circuito 2+0), pronto per il cablaggio ed ottimizzato nell'applicazione; con contatto di telesegnalamento a scambio pulito.

1 Product

Part No. 941205 DSH TN 255 FM

GTIN 4013364289185, Customs tariff No. (EU): 85363090, Gross weight: 276.00 g, PU: 1.00 pz.


Images

Additional information

Scaricatore combinato DEHNshield TN 255
Scaricatore combinato bipolare per l'uso nei sistemi di rete TN 230/400 V
Dimensioni: 2 unità, con contatto di telesegnalamento
SPD Tipo 1 + Tipo 2 secondo CEI EN 61643-11
Applicazione ottimizzata per l'impiego in installazioni elettriche compatte
tecnologia a spinterometro per la limitazione della corrente susseguente
Indicazione di guasto
Tensione massima continuativa: 255 V AC
Livello di protezione: <= 1,5 kV
Corrente impulsiva di fulmine (10/350 µs): 25 kA
Coordinamento energetico secondo CEI EN 62305-4 (VDE 0185-305-4)
per scaricatori della famiglia di prodotti Red/Line,
direttamente sull'utenza finale

Fabbricato: DEHN
Tipo: DSH TN 255 FM
Art.: 941205
o similare.

Certificates

 

Wave breaker function

In the case of spark-gap-based type 1 arresters, the entire current flows through the type 1 arrester during the discharge process. Like a wave breaker, the incoming energy is greatly broken down, which significantly relieves the downstream SPDs. All type 1 arresters in the Red/Line product range feature the WBF wave breaker function.

Technical data

SPD secondo CEI EN 61643-11 / ...IEC 61643-11 Tipo 1 + Tipo 2 / Classe I + Classe II
Tensione massima continuativa AC (UC ) 255 V (50 / 60 Hz)
Corrente impulsiva di fulmine (10/350 µs) [L+N-PE] (Itotal ) 25 kA
Corrente impulsiva di fulmine (10/350 µs) [L, N-PE] (Iimp ) 12,5 kA
Livello di protezione [L-PE]/[N-PE] (UP ) ≤ 1,5 / ≤ 1,5 kV
Protezione max da sovraccorrente in rete 160 A gG
Omologazioni KEMA, VDE
Contatti FM / forma contatto scambio pulito

Product 941205 was added to Notepad.

Product 941205 was added to the cart.


DEHNshield TN Basic FM

Scaricatore combinato per reti TN, pronto per il cablaggio ed ottimizzato nell'applicazione per l'impiego in sistema di alimentazione principale (circuito 2+0) in edifici residenziali senza impianto parafulmine esterno (anche con alimentazione della linea aerea); con contatto di telesegnalamento a scambio pulito.

1 Product

Part No. 941206 DSH B TN 255 FM

GTIN 4013364373839, Customs tariff No. (EU): 85363090, Gross weight: 276.00 g, PU: 1.00 pz.


Images

Additional information

Scaricatore combinato DEHNshield B TN 255 FM
Scaricatore combinato bipolare per sistemi di rete TN 230/400 V
Dimensioni: 2 unità, con contatto di telesegnalamento
SPD Tipo 1 + Tipo 2 secondo CEI EN 61643-11
Soddisfa tutti i requisiti delle norme DIN VDE 0100-534 (CEI 64-8) e DIN VDE 0100-443
Tecnologia spinterometrica per la limitazione della corrente susseguente
Indicazione di guasto
Tensione massima continuativa: 255 V AC
Livello di protezione: <= 1,5 kV
Corrente impulsiva di fulmine (10/350 µs): 15 kA
Coordinamento energetico secondo CEI EN 62305-4
per scaricatori della famiglia di prodotti Red/Line, direttamente sull'utenza finale

Fabbricato: DEHN
Tipo: DSH B TN 255 FM
Art.: 941206
o similare.

Certificates

 

Wave breaker function

In the case of spark-gap-based type 1 arresters, the entire current flows through the type 1 arrester during the discharge process. Like a wave breaker, the incoming energy is greatly broken down, which significantly relieves the downstream SPDs. All type 1 arresters in the Red/Line product range feature the WBF wave breaker function.

Technical data

SPD secondo CEI EN 61643-11 / ...IEC 61643-11 Tipo 1 + Tipo 2 / Classe I + Classe II
Tensione massima continuativa AC (UC ) 255 V (50 / 60 Hz)
Corrente impulsiva di fulmine (10/350 µs) [L+N-PE] (Itotal ) 15 kA
Corrente impulsiva di fulmine (10/350 µs) [L, N-PE] (Iimp ) 7,5 kA
Livello di protezione [L-PE]/[N-PE] (UP ) ≤ 1,5 / ≤ 1,5 kV
Protezione max da sovraccorrente in rete 160 A gG
Contatti FM / forma contatto scambio pulito

Product 941206 was added to Notepad.

Product 941206 was added to the cart.


DEHNshield TT 2P

Scaricatore combinato per reti monofase TT e TN con tensione nominale 230 V (circuito 1+1), pronto per il cablaggio ed ottimizzato nell'applicazione.

1 Product

Part No. 941110 DSH TT 2P 255

GTIN 4013364137899, Customs tariff No. (EU): 85363090, Gross weight: 291.00 g, PU: 1.00 pz.


Images

Additional information

Scaricatore combinato DEHNshield TT 2P 255
Scaricatore combinato per reti monofase TT e TN
con tensione nominale 230 V
Dimensioni: 2 unità
SPD Tipo 1 + Tipo 2 secondo CEI EN 61643-11
Ottimizzato nell'applicazione permette
un'esecuzione compatta per utilizzo in spazi ristretti
Tecnologia spinterometrica per la
limitazione della corrente susseguente
Indicazione di guasto
Tensione massima continuativa: 255 V AC
Livello di protezione: ≤ 1,5 kV
Corrente impulsiva di fulmine (10/350 µs): 25 kA
Coordinamento energetico secondo CEI EN 62305-4
SPD della famiglia di prodotti Red/Line

Fabbricato: DEHN
Tipo: DSH TT 2P 255
Art.: 941110
o similare.

Certificates

 

Wave breaker function

In the case of spark-gap-based type 1 arresters, the entire current flows through the type 1 arrester during the discharge process. Like a wave breaker, the incoming energy is greatly broken down, which significantly relieves the downstream SPDs. All type 1 arresters in the Red/Line product range feature the WBF wave breaker function.

Technical data

SPD secondo CEI EN 61643-11 / ...IEC 61643-11 Tipo 1 + Tipo 2 / Classe I + Classe II
Tensione massima continuativa AC (UC ) 255 V (50 / 60 Hz)
Corrente impulsiva di fulmine (10/350 µs) [L+N-PE] (Itotal ) 25 kA
Corrente impulsiva di fulmine (10/350 µs) [L-N]/[N-PE] (Iimp ) 12,5 / 25 kA
Livello di protezione [L-N]/[N-PE] (UP ) ≤ 1,5 / ≤ 1,5 kV
Protezione max da sovraccorrente in rete 160 A gG
Omologazioni KEMA, VDE, UL
Dati tecnici aggiuntivi: ---------------------------------
Livello di protezione [L-PE] (UP ) 2,0 kV

Product 941110 was added to Notepad.

Product 941110 was added to the cart.


DEHNshield TT 2P FM

Scaricatore combinato per reti monofase TT e TN con tensione nominale 230 V (circuito 1+1), pronto per il cablaggio ed ottimizzato nell'applicazione; con contatto di telesegnalamento a scambio pulito.

1 Product

Part No. 941115 DSH TT 2P 255 FM

GTIN 4013364289208, Customs tariff No. (EU): 85363090, Gross weight: 301.00 g, PU: 1.00 pz.


Images

Additional information

Scaricatore combinato DEHNshield TT 2P 255 FN
Scaricatore combinato per reti monofase TT e TN
con tensione nominale 230 V
Dimensioni: 2 unità, il controllo a distanza
SPD Tipo 1 + Tipo 2 secondo CEI EN 61643-11
Ottimizzato nell'applicazione permette
un'esecuzione compatta per utilizzo in spazi ristretti
Tecnologia spinterometrica per la
limitazione della corrente susseguente
Indicazione di guasto
Tensione massima continuativa: 255 V AC
Livello di protezione: ≤ 1,5 kV
Corrente impulsiva di fulmine (10/350 µs): 25 kA
Coordinamento energetico secondo CEI EN 62305-4
SPD della famiglia di prodotti Red/Line

Fabbricato: DEHN
Tipo: DSH TT 2P 255 FM
Art.: 941115
o similare.

Certificates

 

Wave breaker function

In the case of spark-gap-based type 1 arresters, the entire current flows through the type 1 arrester during the discharge process. Like a wave breaker, the incoming energy is greatly broken down, which significantly relieves the downstream SPDs. All type 1 arresters in the Red/Line product range feature the WBF wave breaker function.

Technical data

SPD secondo CEI EN 61643-11 / ...IEC 61643-11 Tipo 1 + Tipo 2 / Classe I + Classe II
Tensione massima continuativa AC (UC ) 255 V (50 / 60 Hz)
Corrente impulsiva di fulmine (10/350 µs) [L+N-PE] (Itotal ) 25 kA
Corrente impulsiva di fulmine (10/350 µs) [L-N]/[N-PE] (Iimp ) 12,5 / 25 kA
Livello di protezione [L-N]/[N-PE] (UP ) ≤ 1,5 / ≤ 1,5 kV
Protezione max da sovraccorrente in rete 160 A gG
Omologazioni KEMA, VDE
Contatti FM / forma contatto scambio pulito
Dati tecnici aggiuntivi: ---------------------------------
Livello di protezione [L-PE] (UP ) 2,0 kV

Product 941115 was added to Notepad.

Product 941115 was added to the cart.


DEHNshield TT 2P Basic FM

Scaricatore combinato per reti TT e TN, pronto per il cablaggio ed ottimizzato nell'applicazione per l'impiego in sistema di alimentazione principale (circuito 1+1) in edifici residenziali senza impianto parafulmine esterno (anche con alimentazione della linea aerea); con contatto di telesegnalamento a scambio pulito.

1 Product

Part No. 941116 DSH B TT 2P 255 FM

GTIN 4013364373235, Customs tariff No. (EU): 85363090, Gross weight: 301.00 g, PU: 1.00 pz.


Images

Additional information

Scaricatore combinato DEHNshield B TT 2P 255 FM
Scaricatore combinato bipolare per sistemi di rete TN 230/400 V
Dimensioni: 2 unità, con contatto di telesegnalamento
SPD Tipo 1 + Tipo 2 secondo CEI EN 61643-11
Soddisfa tutti i requisiti delle norme DIN VDE 0100-534 (CEI 64-8) e DIN VDE 0100-443
Tecnologia spinterometrica per la limitazione della corrente susseguente
Indicazione di guasto
Tensione massima continuativa: 255 V AC
Livello di protezione: <= 1,5 kV
Corrente impulsiva di fulmine (10/350 µs): 15 kA
Coordinamento energetico secondo CEI EN 62305-4
per scaricatori della famiglia di prodotti Red/Line, direttamente sull'utenza finale

Fabbricato: DEHN
Tipo: DSH B TT 2P 255 FM
Art.: 941116
o similare.

Certificates

 

Wave breaker function

In the case of spark-gap-based type 1 arresters, the entire current flows through the type 1 arrester during the discharge process. Like a wave breaker, the incoming energy is greatly broken down, which significantly relieves the downstream SPDs. All type 1 arresters in the Red/Line product range feature the WBF wave breaker function.

Technical data

SPD secondo CEI EN 61643-11 / ...IEC 61643-11 Tipo 1 + Tipo 2 / Classe I + Classe II
Tensione massima continuativa AC (UC ) 255 V (50 / 60 Hz)
Corrente impulsiva di fulmine (10/350 µs) [L+N-PE] (Itotal ) 15 kA
Corrente impulsiva di fulmine (10/350 µs) [L-N]/[N-PE] (Iimp ) 7,5 / 15 kA
Livello di protezione [L-N]/[N-PE] (UP ) ≤ 1,5 / ≤ 1,5 kV
Protezione max da sovraccorrente in rete 160 A gG
Contatti FM / forma contatto scambio pulito
Dati tecnici aggiuntivi: ---------------------------------
Livello di protezione [L-PE] (UP ) 2,0 kV

Product 941116 was added to Notepad.

Product 941116 was added to the cart.


back to top